CAFE

메뉴얼과 기초지식

W25Q64JV의 언프로텍트 방법입니다.

작성자오훈석|작성시간19.07.12|조회수432 목록 댓글 0


W25Q**JV시리즈의 Status Register-3의 WPS 비트가 1로 세팅되어 있으면 표준 SPI명령으로는 소거나 쓰기가 안되도록 되어 있습니다.

TL866에서는 Status Register-3을 억세스하는 기능을 제공하지 않습니다만

다음과 같은 방법으로 Status Register-3의 WPS 비트를 0으로 바꾸는것이 가능합니다.


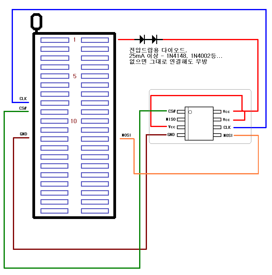
1. 배선법은 아래 그림과 같습니다. 



2. 디바이스 선택은 "DS1220" 로 놓고 옵션박스의 "[v] Verify after"의 체크를 풉니다.


3. 첨부된 W25QJV_WIP_reset.BIN 파일을 불러들이고 쓰기를 진행하면 WIP가 0으로 세팅됩니다.

   ( Status Register-3 는 0x60으로 저장됩니다. )

  

첨부파일 W25QJV_WIP_reset.BIN


다른 값으로 저장하려면 다음 파일을 사용합니다.


첨부파일 wip_reset.zip



* 주의 : Status Register-3을 읽는 것은 지원하지 않습니다. 

         작업이 완료된 후 W25Q**JV을 원래의 연결방법으로 연결하여 쓰기나 소거를 진행하여 확인하여 보시기 바랍니다.




다음검색
현재 게시글 추가 기능 열기

댓글

댓글 리스트
맨위로

카페 검색

카페 검색어 입력폼