피스텍 밸브-저수조 급수제어밸브

바램밸브 ★
OPEN
저수조내의 수위가 낮아지면 부구의 자중에 의해 레버가 내려오게 되고 그에 따라 레버와 연결된 밸브 본체 내의 유로 개폐볼이 회전하여 유로를 개방시킵니다.
CLOSE
저수조내의 수위가 높아지면 부구의 부력에 의해 레버가 올라가게 되고 그에 따라 레버와 연결된 밸브 본체 내의 유로 개폐볼이 회전하여 유로를 차단시키므로 유체의 압력이 높아도 작동상 문제가 없습니다.

콤비밸브 ★★
OPEN
저수조의 수위가 낮아지면 파이롯트 밸브가 열리고 파이롯트 밸브와 연결된 주밸브의 챔버는 대기압 상태가 됩니다. 이때 주밸브 피스톤 조립체에 작용하는 힘의 방향을 살펴보면 피스톤 상부 밑면의 면적(A)이 하부 윗면의 면적(B)보다 넓으므로 면적차(A-B)와 유체 공급압력을 곱한 만큼의 힘에 부력이 고려된 피스톤 조립체의 자중 및 스프링의 반력을 차감한 힘이 피스톤을 들어 올리게 되어 밸브는 열리고 유체는 흐르게 됩니다.
CLOSE
저수조의 수위가 고수위에 닿아서 파이롯트 밸브가 닫히게 되면 본체내의 챔버 압력은 인입측의 유체실과 챔버를 연결하는 유로에 의해 인입측의 압력과 동압을 이루게 되고, 부력이 고려된 피스톤 조립체의 무게, 스프링 반력 및 피스톤 조립체에 작용하는 모든 힘의 합에 의해 아래로 서서히 이동하여 디스크가 밸브씨트를 닫게 되므로 출구로 흐르던 유체는 차단되게 됩니다.
유량조절축
피스톤이 움직이는 행정 높이에 의해 통과 유량이 결정되므로 조절축을 사용하여 피스톤의 행정높이를 조절할 수 있어 공급 유량을 현장 조건에 맞게 조절하도록 되어 있습니다

베스콘밸브 ★★★★★
OPEN
저수조의 수위가 낮아져서 전극봉의 저수위 전기적 신호에 의하여 솔레노이드 밸브가 열려 솔레노이드 밸브와 연결된 본체내의 챔버가 대기압 상태가 되며, 같은 압력에 작용하는 힘은 넓이에 비례하므로 피스톤의 하부면적이 디스크의 상부면적보다 넓기 때문에 인입측(INLET)의 수압을 받게 됨에 따라 피스톤 조립체가 위쪽으로 이동하게 되어 피스톤과 연결된 디스크가 열려서 출구쪽으로 유체가 흐르게 됩니다. 만약 정전이나 솔레노이드밸브의 고장으로 전기적 제어가 불가능할 경우 수동선택밸브를 열어 주어 기계식 파이롯트 밸브의 작동에 의해서 개폐가 될 수 있도록 하여야 합니다. 이때 기계식 파이롯트 밸브는 수위가 낮아질 때 열림으로써 밸브가 열리게 됩니다.
CLOSE
저수조의 수위가 높아져서 전극봉의 고수위 전기적 신호에 의하여 솔레노이드 밸브가 닫히게 되면 본체내의 챔버 압력은 인입측의 유체실과 챔버를 연결하는 유로에 의해 인입측의 압력과 동압을 이루게 되고, 부력이 고려된 피스톤 조립체의 무게, 스프링 반력 및 피스톤 조립체에 작용하는 모든 힘의 합에 의해 아래로 서서히 이동하여 디스크가 밸브씨트를 닫게 되므로 출구로 흐르던 유체는 차단되게 됩니다. 만약 솔레노이드의 오작동으로 인해 차단이 되지 않았을 때에는 기계식 파이롯트 밸브가 2차적으로 파이롯트 라인을 차단하게 되므로 주밸브는 안전하게 차단이 됩니다.

피스텍밸브 ★★★
OPEN
저수조의 수위가 낮아지면 저수조 내의 파이롯트 밸브가 열리게 됩니다.
이때 본체내의 챔버는 대기압 상태가 되며, 같은 압력에 작용하는 힘은 넓이에 비례하므로 피스톤의 하부면적이 디스크의 상부면적보다 넓기 때문에 인입측(INLET)의 수압을 받은 피스톤 조립체가 위쪽으로 이동하여 유체는 출구 쪽으로 흐르게 됩니다.
CLOSE
저수조의 수위가 고수위에 닿아서 파이롯트 밸브가 닫히게 되면 본체내의 챔버 압력은 인입측의 유체실과 챔버를 연결하는 유로에 의해 인입측의 압력과 동압을 이루게 되고, 부력이 고려된 피스톤 조립체의 무게, 스프링 반력 및 피스톤 조립체에 작용하는 모든 힘의 합에 의해 아래로 서서히 이동하여 디스크가 밸브씨트를 닫게 되므로 출구로 흐르던 유체는 차단되게 됩니다.
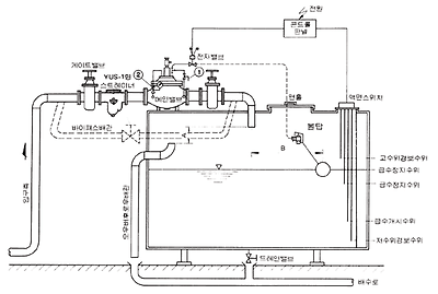
★ 대단지아파트 저수조 급수 자동제어(예) www.geonc.com

1) 시수 인입 메인배관에 정수위조절밸브(CWV, 2Way밸브, 바이패스배관) 설치합니다.
2) 지하저수조에 액면지시조절계(LIC)를 설치합니다.
3) 동작설명
- 수위조절
저수조에 설치된 액면지시조절계(LIC)의 검출신호에 의해 정수위조절밸브(CWV)를
ON/OFF 제어시켜 수조내 수위을 일정하게 유지시킵니다(타임 스케쥴 콘트롤 병행)
- 중앙감시반 관제점
저수조 수위 및 고/저수위 경보감시, 급수(부스타)펌프 이상경보 감시