CAFE

* 근육학 자료방*

[스크랩] 2019 림프 순환 논문...

작성자물치사랑!!|작성시간24.12.04|조회수139 목록 댓글 0

 

 

Annu Rev Fluid Mech

. Author manuscript; available in PMC: 2019 Jan 1.

Published in final edited form as: Annu Rev Fluid Mech. 2018 Jan;50:459–482. doi: 10.1146/annurev-fluid-122316-045259

 

Lymphatic System Flows

 

James E Moore Jr 1, Christopher D Bertram 2

  • Author information
  • Copyright and License information

PMCID: PMC5922450  NIHMSID: NIHMS961073  PMID: 29713107

The publisher's version of this article is available at Annu Rev Fluid Mech

 

Abstract

The supply of oxygen and nutrients to tissues is performed by the blood system, and involves a net leakage of fluid outward at the capillary level. One of the principal functions of the lymphatic system is to gather this fluid and return it to the blood system to maintain overall fluid balance. Fluid in the interstitial spaces is often at subatmospheric pressure, and the return points into the venous system are at pressures of approximately 20 cmH2O. This adverse pressure difference is overcome by the active pumping of collecting lymphatic vessels, which feature closely spaced one-way valves and contractile muscle cells in their walls. Passive vessel squeezing causes further pumping. The dynamics of lymphatic pumping have been investigated experimentally and mathematically, revealing complex behaviours indicating that the system performance is robust against minor perturbations in pressure and flow. More serious disruptions can lead to incurable swelling of tissues called lymphœdema.

 

요약

 

조직에 산소와 영양분을 공급하는 것은 

혈액 시스템에 의해 수행되며 모세혈관 수준에서 

체액이 외부로 순 누출되는 것을 포함합니다. 

 

림프계의 주요 기능 중 하나는 

이 체액을 모아서 혈액계로 돌려보내 전체적인 체액 균형을 유지하는 것입니다. 

 

간질 공간의 체액은 대기압 이하 subatmospheric pressure 인 경우가 많으며 

정맥계로 되돌아가는 지점은 

약 20cmH2O의 압력에 있습니다. 

 

이러한 불리한 압력 차이는 

벽에 밀접한 간격의 일방향 판막과 

수축성 근육 세포가 있는 림프관의 적극적인 펌핑을 통해 극복됩니다. 

 

수동적인 혈관 압박은 더 많은 펌핑을 유발합니다. 

 

림프 펌핑의 역학은 

실험적, 수학적으로 조사되어 

시스템 성능이 압력 및 흐름의 사소한 교란에도 견고하다는 것을 나타내는 

복잡한 동작을 밝혀냈습니다. 

 

더 심각한 장애는 

림프부종이라는 치료 불가능한 조직 부종으로 이어질 수 있습니다.

 

Keywords: Physiology, Oedema, Cancer, Immunology, Lymph

 

1 Anatomy and physiology

1.1 Basic introduction

The lymphatic system as a functional whole includes several organs whose association as a system is not readily apparent. Lymphoid organs include the spleen, thymus and tonsils; in addition, a vital component is the bone marrow where white cells are manufactured; see Figure 1. This review will concentrate on the lymphatic vascular system, which comprises a network of vessels extending to every part of the body except the brain and spinal cord. An alternative clearance system has been hypothesised for these tissues, since lymphatic vessels have been found only in the dura mater.

 

1 해부학 및 생리학

1.1 기본 소개

 

기능적 전체로서의 림프계는

시스템으로서의 연관성이 쉽게 드러나지 않는 여러 기관을 포함합니다.

 

림프 기관에는

비장, 흉선 및 편도선이 포함되며,

백혈구가 생성되는 골수 또한 중요한 구성 요소입니다( 그림 1 참조).

 

spleen, thymus and tonsils

bone marrow

 

이 리뷰에서는

뇌와 척수를 제외한 신체의 모든 부위로 뻗어 있는

혈관 네트워크로 구성된 림프 혈관계에 대해 집중적으로 살펴볼 것입니다.

 

림프관은 경질막에서만 발견되었기 때문에

이러한 조직에 대한 대안적인 제거 시스템이 가설로 제기되어 왔습니다.

 

Figure 1.

Open in a new tab

The organs of the lymphatic system. Major lymph vessels in the trunk and upper limbs are shown in green (Institute).

Functionally, the lymphatic vascular system runs in parallel to the blood venous system, in that both return fluids centrally (see Figure 2). Lymphatic vessels carry lymph, which is largely water gathered from interstitial tissue spaces. Fluid appears in the interstitial spaces because blood capillary walls are somewhat leaky, admitting part of the aqueous component of blood, along with some proteins. The leak passages are glycocalyx-covered intercellular clefts, acting overall as a semi-permeable membrane. As such, the volume filtered per unit time, JV, is described by the Starling equation for fluid filtration (Levick 2010)

 

림프계의 기관.

몸통과 상지의 주요 림프관은 녹색으로 표시되어 있습니다(연구소).

 

기능적으로 림프 혈관계는

정맥 혈관계와 평행하게 움직이며,

둘 다 체액을 중앙으로 되돌려 보낸다는 점에서 유사합니다( 그림 2 참조).

 

림프관은

주로 간질 조직 공간에서 모인 수분인 림프액을 운반합니다.

 

간질 공간에 체액이 나타나는 이유는

모세혈관 벽이 다소 누수되어

일부 단백질과 함께 혈액의 수성 성분의 일부가 유입되기 때문입니다.

 

누출 통로는 글리코칼릭스로 덮인 세포 간 틈새로,

전체적으로 반투과성 막 역할을 합니다.

 

따라서 단위 시간당 여과되는 부피인 JV는 유체 여과에 대한 스탈링 방정식으로 설명할 수 있습니다(Levick 2010).

 

Figure 2.

Open in a new tab

Schematic of the blood circulation and lymphatic vascular system. Some lymph fluid is reabsorbed via the nodal blood circulation under normal conditions, resulting in post-nodal lymph having a higher protein concentration. Based on (Lubopitko).

 

혈액 순환과 림프 혈관계의 모식도. 

 

일부 림프액은 

정상적인 조건에서 결절 혈액 순환을 통해 재흡수되어 

결절 후 림프는 더 높은 단백질 농도를 갖게 됩니다. (루보핏코) 기준.

𝐽V=𝐿p⁢𝑆⁢[(𝑝c−𝑝i)−𝜎⁢(𝜋c−𝜋i)]

where p is hydraulic pressure, π is osmotic pressure, subscripts c and i denote capillary and interstitium, Lp is the hydraulic conductance of the wall, S is the capillary surface area, and σ is the osmotic reflection coefficient for membrane leakiness to solute. The principle here is that the hydraulic pressure difference between capillary blood and interstitial fluid drives plasma-derived fluid out, but is opposed by the oncotic pressure difference resulting from the greater concentration of protein in plasma. Capillary blood pressure is necessarily elevated [some 30 mmHg in skin at heart level (Levick 2010)] because it is responsible for returning blood to the heart via the veins. Fluid leakage out of capillaries has a physiological function, being responsible for tissue hydration and nutrition. In total, several litres per day of water seep into the interstitium.

 

여기서 p는 수압, π는 삼투압, 첨자 c와 i는 모세혈관 및 간질을 나타내고, Lp는 벽의 수압 전도도, S는 모세혈관 표면적, σ는 용질에 대한 막 누출의 삼투 반사 계수입니다.

 

여기서 원리는

모세혈관 혈액과 간질액 사이의 수압 차이가 혈장 유래 유체를 밀어내지만

혈장 내 단백질 농도가 높을수록 발생하는 oncotic pressure 차이에 의해

반대된다는 것입니다.

 

모세혈관 혈압은 정맥을 통해 혈액을 심장으로 되돌려 보내는 역할을 하기 때문에

반드시 상승[심장 수준에서 피부에서 약 30mmHg(Levick 2010)]합니다.

 

모세혈관에서 체액이 누출되는 것은

조직의 수분 공급과 영양 공급을 담당하는 생리적 기능을 합니다.

 

하루에

총 몇 리터의 물이 간질로 스며듭니다.

 

The lymphatic vascular system scavenges this water and protein, ultimately returning it to the venous circulation via junctions with the subclavian veins at shoulder level (Figure 2). The maintenance of the interstitial milieu is one of its vital functions; if fluid is not returned to the blood system at the same rate as it leaves, the painful and debilitating condition of œdema can develop. Also scavenged are particles, viruses and bacteria. All lymph passes through at least one lymph node, where this potentially harmful foreign matter is mechanically sieved and neutralized by dendritic cells, macrophages and the T and B cells of the body’s immune system. There are some 500−600 lymph nodes in the human body. There are also specialized blood vessels inside nodes, across which fluid, proteins, and cells may translate in either direction. Under normal conditions, some of the incoming (afferent) lymph fluid is taken up into blood, but very concentrated afferent lymph can also be diluted (Adair & Guyton 1983Adair & Guyton 1985). Absorption of (mainly) water in this way results in post-nodal lymph usually having higher protein concentration (Hansen et al 2015Knox & Pflug 1983). It is estimated (Renkin 1986) that capillaries lose to the interstitium some 8 L/day of fluid which becomes afferent lymph; after reabsorption at nodes (usually several nodes along a typical lymphatic vessel pathway), the total post-nodal (efferent) flow-rate is about 4 L/day.

 

림프 혈관계는

이 수분과 단백질을 제거하여 궁극적으로

어깨 높이의 쇄골 하 정맥과의 접합부를 통해 정맥 순환으로 되돌려 보냅니다(그림 2).

 

간질 환경의 유지는

간질의 중요한 기능 중 하나이며,

체액이 빠져나가는 속도와 같은 속도로 혈액계로 되돌아가지 않으면

고통스럽고 쇠약해지는 '부종'이 발생할 수 있습니다.

 

또한

입자, 바이러스, 박테리아도 제거됩니다.

 

모든 림프는

적어도 하나의 림프절을 통과하며,

여기서 잠재적으로 해로운 이물질은

수지상 세포, 대식세포, 신체 면역계의 T 및 B 세포에 의해

기계적으로 체로 걸러지고 중화됩니다.

 

인체에는

약 500~600개의 림프절이 있습니다.

 

또한 림프절 내부에는

체액, 단백질, 세포가 어느 방향으로든 이동할 수 있는

특수 혈관이 있습니다.

 

정상적인 조건에서는 들어오는 (구심성) 림프액의 일부가 혈액으로 흡수되지만,

매우 농축된 구심성 림프도 희석될 수 있습니다(Adair & Guyton 1983Adair & Guyton 1985).

 

이러한 방식으로 (주로) 수분을 흡수하면

결절 후 림프는

일반적으로 단백질 농도가 높아집니다(Hansen et al 2015Knox & Pflug 1983).

 

모세혈관은

간질로 하루에 약 8L/일의 체액을 손실하여 구심성 림프가 되고,

노드(일반적으로 일반적인 림프관 경로를 따라 여러 노드)에서 재흡수된 후

총 노드 후(구심성) 유속은

약 4L/일로 추정됩니다(Renkin 1986).

 

While there are wide variations in lymphatic vascular anatomy between organs (Moriondo et al 2010Schmid-Schönbein 1990a), two principal vessel types are distinguished. Initial lymphatics are the vessels which receive interstitial fluid; starting from blind stumps of some 50 μm in diameter (Schmid-Schönbein 1990aZweifach & Prather 1975), they form a converging manifold conveying lymph to the collecting lymphatics. Initial lymphatics have occasional internal one-way valves (Kampmeier 1928Murfee et al 2007) and thin non-muscular walls. They lead to the collecting lymphatics, which are subdivided into short segments called lymphangions by regularly spaced one-way valves, and have muscular walls capable of mounting more or less periodic contractions. The contraction of lymphangions, combined with the valve action, transports lymph by a mechanism (intrinsic pumping) analogous to that occurring in the chambers of the heart. A second transport mechanism (extrinsic pumping) results from intermittent squeezing by the relative motion of or pressure change in surrounding tissues, through skeletal muscle use, breathing (Moriondo et al 2005), cardiac-induced blood vessel pulsation (Causey et al 2012Negrini et al 2004), intestinal peristalsis, external body compression, etc.

 

 

기관마다 림프관 해부학적 구조에 큰 차이가 있지만(Moriondo 외 2010, Schmid-Schönbein 1990a),

두 가지 주요 혈관 유형이 구분됩니다.

 

시작 림프관 Initial lymphatics 은 간질액을 받아들이는 혈관으로,

직경 약 50 μm의 blind stumps 에서 시작하여(Schmid-Schönbein 1990a, Zweifach & Prather 1975)

림프를 수집 림프관으로 운반하는 수렴 매니폴드를 형성합니다.

 

Initial lymphatics are the vessels which receive interstitial fluid; starting from blind stumps of some 50 μm in diameter (Schmid-Schönbein 1990aZweifach & Prather 1975), they form a converging manifold conveying lymph to the collecting lymphatics.

 

시작 림프관에는

때때로 내부 단방향 판막(Kampmeier 1928Murfee 외 2007)과

얇은 비근육 벽이 있습니다.

 

 Initial lymphatics have occasional internal one-way valves (Kampmeier 1928Murfee et al 2007)

and thin non-muscular walls. 

 

 

 

이들은 일정한 간격의 일방향 판막에 의해 림프관이라고 불리는

짧은 세그먼트로 세분화되고

다소 주기적인 수축을 할 수 있는

근육 벽을 가진 수집 림프관으로 이어집니다.

 

림프관의 수축은

판막 작용과 결합하여 심장 방에서 발생하는 것과 유사한 메커니즘(내재적 펌핑)에 의해

림프를 운반합니다.

 

두 번째 운반 메커니즘(외인성 펌핑)은

골격근 사용,

호흡(모리온도 외 2005),

심장 유발 혈관 박동(코시 외 2012, 네그리니 외 2004),

장 연동 운동,

외부 신체 압박 등을 통해

주변 조직의 상대적 움직임 또는 압력 변화에 의한 간헐적 압박으로 인해 발생합니다.

 

A second transport mechanism (extrinsic pumping) results from intermittent squeezing by the relative motion of or pressure change in surrounding tissues, through

skeletal muscle use,

breathing (Moriondo et al 2005),

cardiac-induced blood vessel pulsation (Causey et al 2012Negrini et al 2004),

intestinal peristalsis,

external body compression, etc.

 

 

1.2 Interstitial fluid take-up – primary valves

The primary valves of the lymphatic vascular system are located at the entrance to initial lymphatics, the walls of which consist of a monolayer of endothelial cells and lack a continuous basement membrane (Bazigou & Makinen 2013Bazigou et al 2014Pflicke & Sixt 2009); see Figure 3. Elsewhere, i.e. in collecting lymphatics and adjacent blood vessels, the endothelial cells form a tighter but still permeable barrier by forming continuous zipper-like tight junctions. At the tips of initial lymphatics, the cells have a characteristic oak-leaf shape and form overlapping flaps (Baluk et al 2007Leak 1971) with discontinuous button-like junctions. Furthermore, they are anchored to the surrounding extra-cellular tissue matrix by filaments consisting mainly of the protein fibrillin (Leak & Burke 1968). By pulling outward, these filaments prevent collapse of the initial lymphatic in the presence of elevated tissue pressure (Reddy 1986). In combination, these features (lack of basement membrane, discontinuous junctions, anchoring filaments) allow the initial lymphatic endothelial cells to act as flap valves, allowing interstitial fluid to enter but largely preventing the intra-lymphatic fluid from escaping back to the tissue. The gaps between cells can reach several μm (Baluk et al 2007Trzewik et al 2001), allowing free ingress of protein, water, debris and cells (Ikomi et al 1996).

 

1.2 간질액 흡수 - 일차 판막

 

림프 혈관계의 일차 판막은

초기 림프관의 입구에 위치하며,

그 벽은 내피 세포의 단층으로 구성되어 있고 연속적인 기저막이 없습니다

(Bazigou & Makinen 2013Bazigou 외 2014Pflicke & Sixt 2009); 그림 3 참조) .

 

다른 곳, 즉 림프관과 인접 혈관을 모으는 곳에서는

내피 세포가 지퍼와 같은 연속적인 긴밀한 접합부를 형성하여 더 단단하지만

여전히 투과성이 있는 장벽을 형성합니다.

 

초기 림프관의 끝에서 세포는

특징적인 참나무 잎 모양을 가지며

불연속적인 단추와 같은 접합부가 있는 겹치는 플랩을 형성합니다(Baluk et al 2007Leak 1971).

 

또한,

이들은 주로 단백질 피브릴린으로 구성된 필라멘트에 의해

주변 세포 외 조직 기질에 고정되어 있습니다(Leak & Burke 1968).

 

이러한 필라멘트는

바깥쪽으로 당겨짐으로써 조직 압력이 높아진 상태에서

초기 림프절의 붕괴를 방지합니다(Reddy 1986).

 

이러한 특징(기저막 부족, 불연속 접합부, 고정 필라멘트)을 조합하면

초기 림프 내피 세포가 플랩 밸브 역할을 하여 간질액은 유입되지만

림프 내액이 조직으로 다시 빠져나가는 것을

대부분 방지할 수 있습니다.

 

세포 사이의 간격은

수 μm에 달할 수 있어(Baluk 외 2007Trzewik 외 2001)

단백질, 물, 파편 및 세포의 자유로운 유입을 허용합니다(Ikomi 외 1996).

 

Consequently, there is neither significant osmotic difference between interstitial fluid and this initial lymph, nor a significant steady pressure difference (Aukland & Reed 1993). However, net fluid ingress occurs because of the intermittent compression (when the flap valves close) and subsequent re-expansion (when they open) of initial lymphatics (Guyton et al 1971aSchmid-Schönbein 2003Trzewik et al 2001), taking advantage of the same processes involved in extrinsic pumping by collecting lymphatics. In skeletal muscle undergoing passive stretch then active contraction, it has been demonstrated that the volume change of blood vessels, by both their own active contraction and their passive stretch, also contributes to the filling and emptying of initial lymphatics (Causey et al 2012). The specialised endothelial cells that allow this fluid ingress are not confined to the extreme tips of initial lymphatics, but occur, probably to a diminishing extent, along their length (Baluk et al 2007). Models of primary valves have been proposed (Galie & Spilker 2009Heppell et al 2013Heppell et al 2015Mendoza & Schmid-Schönbein 2003).

 

결과적으로

간질액과 이 초기 림프 사이에는 삼투압 차이가 크지 않으며,

일정한 압력 차이도 없습니다(Aukland & Reed 1993).

 

그러나

순액 유입은

초기 림프액의 간헐적 압박(플랩 밸브가 닫힐 때)과 후속 재팽창(밸브가 열릴 때)으로 인해 발생하며,

림프액을 수집하여 외인성 펌핑과 관련된 동일한 과정을 이용합니다

(Guyton et al 1971a, Schmid-Schönbein 2003, Trzewik et al 2001).

 

골격근이 수동적으로 늘어난 다음 능동적으로 수축하는 경우,

혈관의 부피 변화는 자체의 능동적 수축과 수동적 수축 모두에 의해

초기 림프액의 충전 및 비우기에 기여한다는 것이 입증되었습니다(Causey et al 2012).

 

이러한

체액 유입을 허용하는 특수 내피 세포는

초기 림프관의 끝부분에만 국한되지 않고

길이를 따라 점점 줄어드는 형태로 존재합니다(Baluk et al 2007).

 

일차 판막의 모델이 제안되었습니다(Galie & Spilker 2009, Heppell 외 2013, Heppell 외 2015, Mendoza & Schmid-Schönbein 2003).

 

Figure 3.

Open in a new tab

A small network of initial lymphatics.

Top inset shows endothelial-cell primary valves, consisting of unbonded overlaps between ECs, and anchoring filaments to surrounding fibrous tissue. Lower left inset shows characteristic oak-leaf EC configuration, with discontinuous button junctions. Little is known about where, i.e. how far along the network, such cells give way to ECs with continuous zipper junctions (inset at bottom right). Although not divided into lymphangions, initial lymphatics can also have sparse secondary (intravascular) valves. Based on published material (Baluk et al 2007Galie & Spilker 2009Murfee et al 2007Schmid-Schönbein 1990a).

 

초기 림프관의 작은 네트워크.

 

상단 삽입 그림은 EC 사이의 결합되지 않은 겹침과 주변 섬유 조직에 대한 고정 필라멘트로 구성된 내피 세포 일차 판막을 보여줍니다. 왼쪽 하단 인서트는 불연속적인 버튼 접합부가 있는 특징적인 참나무 잎 EC 구성을 보여줍니다. 이러한 세포가 네트워크를 따라 얼마나 멀리, 즉 연속적인 지퍼 접합부를 가진 EC로 이동하는지에 대해서는 알려진 바가 거의 없습니다(오른쪽 하단 삽입). 림프관으로 구분되지는 않지만 초기 림프관에는 이차(혈관 내) 판막도 드물게 존재할 수 있습니다. 발표된 자료를 기반으로 함(Baluk 외 2007, Galie & Spilker 2009, Murfee 외 2007, Schmid-Schönbein 1990a).

 

1.3 Intrinsic pumping

Utilizing a muscle type that is intermediate between vascular smooth muscle and myocardium (von der Weid & Zawieja 2004), collecting lymphatics can mount variably regular cardiac-like contractions at a repetition rate of some 10 /min (Zawieja et al 1993). In rat mesenteric lymphatics of some 100 μm in diameter, contraction propagates along the wall at a rate of 4−8 mm/s. A given contraction may take 1 s to reduce diameter maximally, and of the same order to decay. Since the lymphangions in these vessels are typically of the order of ten or fewer diameters in length, the above figures mean that contraction is essentially simultaneous all along the length of a given lymphangion. Thus the contraction has the character of an almost completely synchronous reduction of lymphangion diameter everywhere; the lymphangion behaves as a short contractile chamber which reduces its volume, relying on closure of the inlet valve to cause forward flow rather than passage of a peristaltic wave. Further emphasizing that the mechanism of propulsion does not rely on peristalsis, contraction activation propagates along collecting vessels in the opposite direction to flow almost as often as in the same direction (Zawieja et al 1993).

Because the contractions thus embody the same mechanism of pumping as the cardiac chambers, terminology from cardiac physiology is used to describe the performance. Ejection fraction, which describes how much of the initial volume is ejected during a contraction, can reach an impressive 80% (Scallan et al 2012) in isolated segments of rat mesenteric collecting lymphatic vessel.

 

1.3 내재적 펌핑

 

혈관 평활근과 심근의 중간 형태인 근육 유형을 활용하여(von der Weid & Zawieja 2004),

림프관을 채취하면

분당 약 10회의 반복 속도로 심장과 같은

규칙적인 수축을 일으킬 수 있습니다(Zawieja 외 1993).

 

직경 약 100 μm의 쥐 장간막 림프관에서 수축은

4-8 mm/s의 속도로 벽을 따라 전파됩니다.

 

주어진 수축이 최대로 직경이 감소하는 데 1초가 걸릴 수 있으며,

붕괴하는 데도 같은 순서가 적용됩니다.

 

이러한 혈관의 림프관은 일반적으로 직경 10 이하의 길이를 가지므로

위의 수치는 본질적으로 주어진 림프관의 모든 길이에 걸쳐

수축이 동시에 일어난다는 것을 의미합니다.

 

따라서

수축은 모든 곳에서 림프관 직경이 거의 동시에 감소하는 특성을 가지며,

림프관은 연동파의 통과가 아닌 순방향 흐름을 유발하기 위해

입구 밸브의 폐쇄에 의존하여 부피를 줄이는 짧은 수축 챔버로 작동합니다.

 

추진 메커니즘이 연동 운동에 의존하지 않는다는 점을 더욱 강조하면,

수축 활성화는 반대 방향의 수집 혈관을 따라 전파되어 거의 같은 방향으로 흐릅니다(Zawieja 외 1993).

 

따라서

수축은 심실과 동일한 펌프 메커니즘을 구현하기 때문에

심장 생리학의 용어를 사용하여 성능을 설명합니다.

 

수축 중 초기 체적의 배출량을 설명하는 배출 비율은

쥐 장간막 림프관의 분리된 부분에서

80%에 달할 수 있습니다(Scallan et al 2012).

 

Adjacent lymphangions of isolated vessels usually constrict within 0 to 0.5 s of each other, with the most common interval lying between 0 and 0.25 s (Crowe et al 1997). Short intervals and retrograde propagation both suggest that an activation signal is propagated electrically within the lymphatic wall. The initial trigger for a lymphangion to contract may be filling; collecting lymphatics exhibit a myogenic response, with contraction being initiated when tension (rather than stretch) surpasses a threshold (Davis et al 2009a). This contraction may then be propagated along the chain of lymphangions in either direction, even across Y-junctions between vessels (Zawieja et al 1993). It is thus possible to reverse the direction of propagation of a contraction wave in an isolated two-lymphangion segment by manipulation of the pressures applied to the ends (unpublished data of M.J. Davis, analysed by CDB). However the electrically excitable cells in the muscle layer of the vessel wall also exhibit spontaneous pacemaker activity (von der Weid et al 2001). An alternative, purely mechanical mechanism of contraction propagation has long been proposed, whereby ejection from one lymphangion into the next would initiate a contraction there by distension, but this hypothesis does not explain retrograde propagation. The intramural electrical conduction is likely to be via gap functions between muscle cells formed of connexin proteins (Scallan et al 2016) A recent computer model (Baish et al 2016Kunert et al 2015) which included representations of calcium-ion release (initiating contraction) and re-uptake, along with equations describing the evolution from LECs of the short-lived contraction inhibitor nitric oxide (NO), predicted that contraction waves would propagate forward when calcium dynamics dominated, and backward when NO dominated. However, direct evidence for this prediction is lacking so far.

 

고립된 혈관의 인접한 림프관은

일반적으로 서로 0~0.5초 이내에 수축하며,

가장 일반적인 간격은 0~0.25초 사이입니다(Crowe 등 1997).

 

짧은 간격과 역행 전파는

모두 림프벽 내에서 활성화 신호가 전기적으로 전파된다는 것을 시사합니다.

 

림프관이 수축하는 초기 트리거는 충진일 수 있으며,

모이는 림프관은 장력(스트레칭이 아닌)이 임계치를 초과할 때

수축이 시작되는 근성 반응을 보입니다(Davis et al 2009a).

 

이러한 수축은

림프관 사슬을 따라 어느 방향으로든,

심지어 혈관 사이의 Y 접합부를 가로질러 전파될 수 있습니다(Zawieja et al 1993).

 

따라서 말단에 가해지는 압력을 조작하여

고립된 두 림프관 세그먼트에서 수축파의 전파 방향을 역전시킬 수 있습니다(M.J. Davis의 미공개 데이터, CDB에서 분석).

 

그러나

혈관벽의 근육층에 있는 전기적으로 흥분된 세포도

자발적인 심박조율기 활동을 나타냅니다(von der Weid et al 2001).

 

한 림프관에서 다음 림프관으로 배출되면

팽창에 의해 수축이 시작된다는 순전히 기계적 수축 전파 메커니즘이 오랫동안 제안되어 왔지만,

이 가설은 역행 전파를 설명하지 못합니다.

 

근육 내 전기 전도는 코

넥신 단백질로 형성된 근육 세포 사이의 틈새 기능을 통해 이루어질 가능성이 높습니다(Scallan 등 2016)

 

칼슘 이온 방출(수축 시작)과 재흡수,

그리고 단기간 수축 억제제인 산화질소(NO)의 LEC로부터의 진화를 설명하는 방정식을 포함하는

최근 컴퓨터 모델(Baish 등 2016, Kunert 등 2015)은 수축파가 칼슘 역학이 지배적일 때는

앞으로, NO가 지배할 때는 뒤로 전파될 것으로 예측했습니다.

 

그러나 이러한 예측에 대한 직접적인 증거는 아직까지 부족합니다.

 

The myogenic properties lead to contraction frequency being a very sensitive function of both distending pressure and its rate of change (Davis et al 2009bScallan et al 2012), ultimately reaching a plateau above 20 /min at high pressures. Again analogously to heart performance, collecting lymphatics also exhibit both a Starling response, with the extent of contraction increasing with the degree of lymphangion filling (although the degree of muscle shortening declines at transmural pressures above 3 cmH2O) (Gashev et al 2004Scallan et al 2012), and an Anrep effect, i.e. an increase in contraction strength with afterload (defined as aortic pressure for the left ventricle of the heart, and as outlet pressure for a perfused lymphatic segment) (Davis et al 2012). In experiments on perfused single-lymphangion segments of rat mesenteric vessel involving gradually raising the outlet pressure, (Davis et al 2012) found that the pump failed to open the outlet valve when outlet pressure exceeded inlet pressure by an average of 11 cmH2O (range 2−18 cmH2O). The reader is encouraged to view the movies of lymphatic vessel pumping experiments contained in the supplemental material for that publication. For human leg subcutaneous lymphatics in situ, contractions generate pressures of 61 ± 26 cmH2O (range 27−109 cmH2O) in the upright position when outflow is prevented (Olszewski & Engeset 1980); this of course involves the summated efforts of multiple lymphangions in series.

Mention of the upright position demands brief examination of hydrostatic considerations. Ignoring all other factors, we would expect the pressure in blood vessels in the feet to be some 120 cmH2O higher than in those at heart level. However, blood capillary pressure increases somewhat less than that because lower-limb arterioles constrict, in a regulatory response that limits the rise by increasing precapillary resistance to blood flow. Among other factors, this prevents interstitial fluid pressure being considerably greater in the feet than in the lung, say; Noddeland et al. measured ankle subcutaneous interstitial pressure in healthy volunteers as averaging just 0.13 cmH2O (Noddeland et al 1984). This prevents tissue oedema in the feet, but means that there is little upstream pressure to aid lymphatic return. Fortunately, the downstream pressure faced by collecting lymphatics in the feet is also not the simple high hydrostatic-column value. The pressure opposing lymph flow from the foot does not alter greatly between recumbency and standing (Olszewski & Engeset 1980), because the fluid column above is interrupted by many competent valves.

 

수축 빈도는

팽창 압력과 그 변화율에 매우 민감한 함수이며(Davis 등 2009b, Scallan 등 2012),

궁극적으로 고압에서 20/분 이상의 정점에 도달합니다.

 

다시 심장 성능과 유사하게,

수집 림프관도 림프관 충진 정도에 따라 수축 정도가 증가하는 스탈링 반응과

(근육 단축 정도는 3cmH2O 이상의 경막 압력에서 감소하지만)

Anrep 효과 (즉, 수축 강도 증가)를 모두 나타냅니다.

 

즉, 후부하(심장 좌심실의 경우 대동맥 압력으로, 관류 림프절의 경우 출구 압력으로 정의됨)에 따른 수축 강도의 증가(Davis 등 2012). 쥐 장간막 혈관의 관류된 단일 림프관 세그먼트에 대한 실험에서 출구 압력을 점진적으로 높이는 실험에서 (Davis 등 2012) 출구 압력이 입구 압력보다 평균 11cmH2O(범위 2-18cmH2O) 초과하면 펌프가 출구 밸브를 열지 못한다는 것을 발견했습니다. 해당 간행물의 부록 자료에 포함된 림프관 펌핑 실험 동영상을 보시길 권장합니다. 사람의 다리 피하 림프관의 경우, 유출이 차단된 상태에서 직립 자세로 수축하면 61 ± 26 cmH2O(범위 27-109 cmH2O)의 압력이 발생하며(Olszewski & Engeset 1980), 이는 물론 여러 림프관의 노력을 합산한 결과입니다(물론 여러 림프관이 직렬로 연결되어 있습니다).

 

직립 자세에 대한 언급은 정수압적 고려 사항에 대한 간략한 검토를 필요로 합니다. 다른 모든 요인을 무시하면 발의 혈관 압력은 심장 높이의 혈관보다 약 120cmH2O 더 높을 것으로 예상할 수 있습니다. 그러나 혈류에 대한 모세혈관 전 저항을 증가시켜 상승을 제한하는 조절 반응으로 하지 세동맥이 수축하기 때문에 혈액 모세혈관 압력은 이보다 다소 낮게 증가합니다. 노들랜드 등은 건강한 지원자의 발목 피하 간질 압력을 측정한 결과 평균 0.13cmH2O에 불과한 것으로 나타났습니다(노들랜드 등 1984). 이는 발의 조직 부종을 예방하지만 림프 순환을 돕는 상류 압력이 거의 없다는 것을 의미합니다. 다행히도 발에 림프액이 모일 때 직면하는 하류 압력도 단순히 높은 수압 기둥 값이 아닙니다. 발에서 림프 흐름에 반대하는 압력은 누워 있을 때와 서 있을 때 크게 변하지 않는데, 이는 위의 유체 기둥이 많은 유능한 밸브에 의해 차단되기 때문입니다(Olszewski & Engeset 1980).

 

Contrary to the effect of distending pressure, both the frequency and amplitude of lymphatic contractions are reduced by antegrade lymph flow, as was demonstrated in experiments involving equal and opposite changes in inlet and outlet pressure for perfused segments, thus altering the flow-driving pressure gradient while leaving the transmural pressure unchanged (Gashev et al 2004Gashev et al 2002). Contractions also lower the resting tone, thereby increasing the diastolic diameter; both these effects are believed to benefit the total flow-rate by enlarging the conduit and reducing hydraulic resistance. For blood vessels it is well established that endothelial cells respond to raised levels of fluid shear at the glycocalyx by activating endothelial nitric oxide synthase (eNOS), causing release of nitric oxide (NO) which acts on vascular smooth muscle cells to depress tonic constriction. A similar eNOS mechanism exists in lymphatic endothelial cells (LECs). However, as might be expected, given that lymphatics mount both tone and short-lived contractions, the effect of NO release is more complex. The contraction-induced inhibition of tone is caused by NO release (Gasheva et al 2006), whereas, at least in isolated segments, the shear-dependent inhibition of contractions is apparently independent (Kornuta et al 2015) of both NO and histamine, another known lymphatic relaxing factor for which LECs have receptors (Kurtz et al 2014Nizamutdinova et al 2014). Evidence also suggests that NO may increase lymphatic contraction strength by lowering contraction frequency at low concentration, and only depress contraction strength at higher concentrations (Scallan & Davis 2013). Overall, the mechanotransduction of fluid shear by LECs, and the wall-tension-derived triggering of contractions, emphasize that lymphatic vessels actively monitor their immediate fluid-mechanical environment in terms of both pressure and flow, and interact with it through their locally organized contractile and tonic responses.

 

팽창 압력의 효과와는 달리, 관류 세그먼트의 입구 및 출구 압력의 동일 및 반대 변화를 포함하는 실험에서 입증된 바와 같이 림프 수축의 빈도와 진폭은 모두 통합 림프 흐름에 의해 감소하여 경맥압은 변하지 않은 채 흐름 구동 압력 구배를 변경합니다(Gashev 등 2004, Gashev 등 2002). 수축은 또한 휴식기를 낮추어 이완기 직경을 증가시키며, 이 두 가지 효과는 도관을 확대하고 유압 저항을 감소시켜 총 유속을 증가시키는 것으로 여겨집니다. 혈관의 경우 내피 세포는 내피 산화질소 합성효소(eNOS)를 활성화하여 혈관 평활근 세포에 작용하는 산화질소(NO)를 방출하여 혈관 수축을 억제함으로써 글리코칼릭스에서 체액 전단 수준이 높아지면 이에 반응한다는 사실이 잘 알려져 있습니다. 림프 내피 세포(LEC)에서도 유사한 eNOS 메커니즘이 존재합니다. 그러나 예상할 수 있듯이 림프구는 긴장성 수축과 단시간 수축을 모두 일으키기 때문에 NO 방출의 효과는 더 복잡합니다. 수축에 의한 긴장의 억제는 NO 방출에 의해 발생하지만(Gasheva 등 2006), 적어도 분리된 구간에서 전단 의존적 수축 억제는 LEC에 수용체가 있는 또 다른 알려진 림프 이완 인자인 NO와 히스타민 모두에 대해 명백히 독립적입니다(Kornuta 2015). 또한 NO는 낮은 농도에서는 수축 빈도를 낮추어 림프 수축 강도를 증가시키고, 높은 농도에서는 수축 강도만 감소시킨다는 증거도 있습니다(Scallan & Davis 2013). 전반적으로, LEC에 의한 유체 전단의 기계적 전달과 벽 장력에 의한 수축 촉발은 림프관이 압력과 흐름 측면에서 즉각적인 유체-기계적 환경을 적극적으로 모니터링하고 국소적으로 조직된 수축 및 긴장 반응을 통해 상호 작용한다는 점을 강조합니다.

 

1.4 Extrinsic pumping

Mesenteric lymphatics are often the target of investigations of intrinsic pumping not only for their experimental convenience but also because they are among the most active vessels for muscular contraction (Gashev et al 2004). But lymph transport still occurs in vessels which do not contract, thanks to the extrinsic mechanism. The relative importance of extrinsic pumping is not known with any accuracy, and almost certainly varies widely both across the organs of the body and with the nature of physiological activity. It has been known at least since the 1930s that lymph flow can be greatly augmented by passive limb motion (Haynes 1932). In humans, (Engeset et al 1977) found that fast walking increases ankle lymph flow 15× over values measured in recumbent sleep (however the same group later concluded that leg subcutaneous lymph flow was principally the result of intrinsic contractions (Olszewski & Engeset 1980), whether calf muscles were active or not). The older literature documenting the existence of extrinsic pumping through respiration, intestinal peristalsis, passive and active limb movements, external compression and massage, and blood vessel pulsation and vasomotion has been comprehensively reviewed (Aukland & Reed 1993). Schmid-Schönbein (Schmid-Schönbein 1990a) makes the important point that extrinsic pumping can potentially generate sufficiently large intralymphatic pressures to propel fluid effectively regardless of nearby tissue pressure. It may therefore be the only means of generating contractions in the presence of elevated downstream pressures that would limit intrinsic pumping. McGeown et al. (McGeown et al 1987) obtained evidence that intermittent compression applied to initial lymphatics in the sheep hind limb is more effective than that applied to collectors.

 

1.4 외인성 펌핑

 

장간막 림프관은 실험적 편의성뿐만 아니라

근육 수축이 가장 활발한 혈관 중 하나이기 때문에 종종 내재적 펌핑에 대한 연구의 대상이 됩니다(Gashev 등 2004).

 

그러나

림프 수송은

외인성 메커니즘 덕분에 수축하지 않는 혈관에서도

여전히 발생합니다.

 

외인성 펌핑의 상대적 중요성은 정확하게 알려져 있지 않으며

신체 기관과 생리적 활동의 특성에 따라

거의 확실하게 다릅니다.

 

적어도 1930년대부터

림프 흐름이 수동적인 사지 운동에 의해 크게 증가될 수 있다는 사실이 알려졌습니다(Haynes 1932).

 

인간의 경우, (Engeset 등 1977)은 빠르게 걸으면

누운 상태에서 측정한 값보다

발목 림프 흐름이 15배 증가한다는 사실을 발견했습니다

(그러나 같은 그룹은 나중에 종아리 근육의 활동 여부에 관계없이 다리 피하 림프 흐름이 주로 내재적 수축의 결과라고 결론지었습니다(Olszewski & Engeset 1980).

 

호흡,

장 연동 운동,

수동 및 능동 사지 운동,

외부 압박 및 마사지,

혈관 맥동 및 혈관 운동을 통한

외인성 펌핑의 존재를 기록한 오래된 문헌이 종합적으로 검토되었습니다(Aukland & Reed 1993).

 

슈미드-쉔바인(Schmid-Schönbein 1990a)은

외인성 펌핑이 주변 조직 압력에 관계없이

체액을 효과적으로 추진하기에 충분히 큰 림프 내 압력을 잠재적으로 생성할 수 있다는 점을

중요하게 지적합니다.

 

따라서

내재적 펌핑을 제한할 수 있는 높은 하류 압력이 있는 경우

수축을 생성하는 유일한 수단이 될 수 있습니다.

 

(McGeown 등 1987)은

양 뒷다리의 초기 림프에 간헐적으로 압박을 가하는 것이

수집기에 적용하는 것보다 더 효과적이라는 증거를 얻었습니다.

 

1.5 Heterogeneity of lymphatic network topology

The architecture and topology of lymphatic vessel networks is heterogeneous, exhibiting departures from a purely converging vessel network structure shown in Figure 3. This suggests that, unlike blood vessel networks, minimisation of mechanical energy loss in fluid transport is not a dominant ‘design’ criterion. This topic has yet to be systematically explored, but one can readily identify many intriguing examples of lymphatic network structures where other, as yet unidentified, guiding principles are seemingly in control.

 

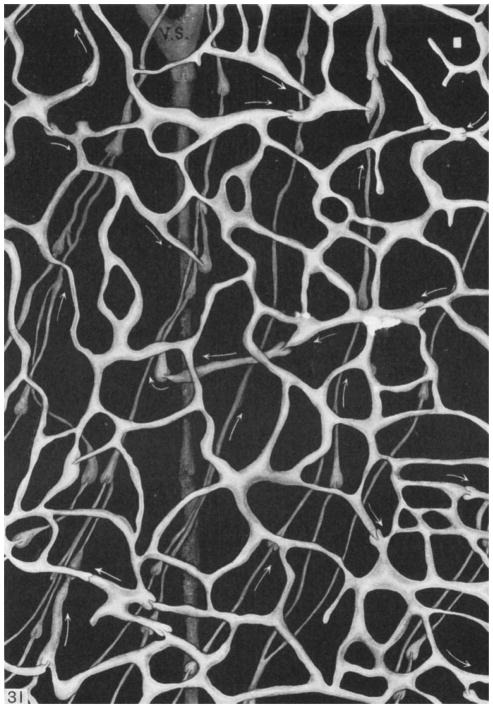
A potent example is the drawn reconstruction of subcutaneous lymph capillaries (initial lymphatics) and deeper-lying collecting lymphatics in the fœtal leg forming Figure 4. The initial lymphatics prominently form re-entrant loops at both the smallest scale (a single vessel splitting and rejoining) and on larger scales (circuits which include junctions with neighbouring vessels). In only a few of these latter circuits is flow direction obviously enforced by one-way valves; the illustration includes arrows indicating what must be the vessel flow direction in some of these cases. More recent work confirm‎s the preval‎ence of such loops in subcutaneous initial lymphatics (Schmid-Schönbein 1990aSoto-Miranda et al 2013). A high preval‎ence of initial lymphatic vascular loops is seen also in the submucosa of the small intestine (Unthank & Bohlen 1988) and the peritoneum of the liver (data of A.V. Borisov). In the diaphragm, which is also characterised by atypical ultra-large initial lymphatics (Moriondo et al 2010), loops occur in collecting vessels (Moriondo et al 2013Negrini & Del Fabbro 1999). A particularly highly organized, regular hexagonal lattice of initial lymphatics occurs in the skin of the mouse tail. These vessels eventually drain into a pair of collecting lymphatics that run the length of the tail. Roose & Swartz have shown that the hexagonal arrangement provides more efficient clearance of fluid for a given network density than square or parallel networks (Roose & Swartz 2012).

 

1.5 림프관 네트워크 토폴로지의 이질성

 

림프관 네트워크의 구조와 토폴로지는 이질적이며, 그림 3 에 표시된 순수하게 수렴하는 혈관 네트워크 구조에서 벗어나는 모습을 보입니다. 이는 혈관 네트워크와 달리 유체 수송에서 기계적 에너지 손실의 최소화가 지배적인 '설계' 기준이 아니라는 것을 시사합니다. 이 주제는 아직 체계적으로 탐구되지 않았지만, 아직 밝혀지지 않은 다른 원리가 지배하는 것처럼 보이는 림프 네트워크 구조의 흥미로운 사례를 쉽게 찾아볼 수 있습니다.

 

강력한 예로, 그림 4 에서 볼 수 있는 피하 림프 모세혈관(초기 림프관)과 말단 다리에서 더 깊숙이 모이는 림프관의 재구성을 들 수 있습니다. 초기 림프관은 가장 작은 규모(단일 혈관이 갈라졌다가 다시 합류하는 형태)와 큰 규모(인접 혈관과의 접합부를 포함하는 회로)에서 모두 재진입 루프를 두드러지게 형성합니다. 이러한 후자의 회로 중 일부에서만 단방향 밸브에 의해 흐름 방향이 명확하게 적용되며, 그림에는 이러한 경우의 용기 흐름 방향을 나타내는 화살표가 포함되어 있습니다. 최근의 연구에서는 피하 초기 림프관에서 이러한 루프의 유병률이 확인되었습니다(Schmid-Schönbein 1990a, Soto-Miranda 외 2013). 초기 림프 혈관 루프의 높은 유병률은 소장의 점막하 (Unthank & Bohlen 1988)와 간 복막 (A.V. Borisov의 데이터)에서도 볼 수 있습니다. 비정형적인 초대형 초기 림프절이 특징 인 횡경막 (Moriondo 외 2010)에서도 수집 혈관에서 루프가 발생합니다 (Moriondo 외 2013, Negrini & Del Fabbro 1999). 특히 고도로 조직화된 규칙적인 육각형의 초기 림프관 격자가 마우스 꼬리 피부에서 발생합니다. 이 혈관은 결국 꼬리 길이를 따라 이어지는 한 쌍의 림프관으로 배수됩니다. Roose & Swartz는 육각형 배열이 정사각형 또는 병렬 네트워크보다 주어진 네트워크 밀도에 대해 더 효율적인 체액 제거를 제공한다는 것을 보여주었습니다(Roose & Swartz 2012).

 

Figure 4.

Open in a new tab

Subcutaneous lymph capillaries and deeper-lying collecting lymphatics in the leg of a 130mm human fœtus. From (Kampmeier 1928). Scale: long edge = 4 mm approx.

 

2 Clinical importance

2.1 Lymphœdema

One consequence of inadequate lymph transport is lymphœdema, in which protein-rich interstitial fluid accumulates in the tissues, leading to distension, inflammation, fatty tissue proliferation and fibrosis (ISL 2013). Lymphœdema usually involves swelling of a limb, but other areas, including the head, neck, breast or genitalia, may also be involved (Tiwari et al 2013). Generally considered an incurable condition, lymphœdema gravely affects quality of life. Because of the important role the lymphatic system plays in immune function, patients are at high risk of soft-tissue infections (Rockson 2013).

Primary lymphœdema arises from congenital disorders, with the most common forms being Milroy disease and distichiasis (which also causes aberrant eye-lashes). Both commonly affect the lower limbs, but Milroy is usually symmetrical and present at birth or soon after, whereas distichiasis lymphœdema appears in late childhood and may be asymmetrical. For people under the age of 20, the preval‎ence of primary lymphœdema is estimated at 1.15 in 100,000. Distichiasis results from pathogenic variants of the FOXC2 gene (Mansour et al 2012); other gene mutations causing lymphœdema are reviewed by Mortimer and Rockson (Mortimer & Rockson 2014).

 

Secondary lymphœdema often results from damage to or removal of lymph nodes, as a result of surgery, radiation, trauma or infection. The most common manifestation in developed countries is breast-cancer-related lymphœdema (BCRL) of the upper limb. Its extent correlates with how many axillary lymph nodes have been removed, and how much the axilla has been irradiated. Lower-limb secondary lymphœdema may result from treatment of melanoma, or of prostate or gynæcological cancers. Incidence rates of post-surgical lymphœdema are difficult to assess due to confounding factors such as deficiencies in patient follow-up and reliable, quantitative diagnostic tools. However, attempts at quantifying preval‎ence generally indicate a substantial problem with incidence rates of up to 77% reported in 2001 [65]. Adaptations in surgical practice to minimise node resection have reduced the risk of lymphœdema. In 2010, it was reported that 16% of patients undergoing a combination of lymph node resection and radiation therapy showed measurable signs of lymphœdema (Bar Ad et al 2010). Because surgical procedures that endanger the lymphatic system are so common, lymphœdema remains a substantial problem, with nearly three million sufferers in the USA alone (Padera et al 2016). Chronic lymphœdema can also result from such conditions as congestive heart failure and end-stage renal disease (Tiwari et al 2013). However in tropical regions of the world, the most common cause, affecting over 120 million people, is a parasitic roundworm which is spread by mosquito bite; the resulting filariasis can result in large-scale tissue swelling (‘elephantiasis’).

 

There is no cure for lymphœdema. Successful management, in the sense of limiting progression, can be achieved with early diagnosis. The current standard of care is Decongestive Lymphatic Therapy, which includes fastidious skin care, the almost constant wearing of compression garments, exercise, and manual lymphatic drainage. The latter consists of careful massaging by specifically trained therapists to encourage subcutaneous lymph flow. Challenges to lymphœdema management include the fact that many cancer surgeons fail to warn their patients about the risk of it developing, general ignorance of the lymphatic system in the medical community, and the psychological impact of the deformities in patients who have already suffered through cancer diagnosis and treatment.

 

2 임상적 중요성

2.1 림프 부종

 

부적절한 림프 수송의 결과 중 하나는

단백질이 풍부한 간질액이 조직에 축적되어

팽창, 염증, 지방 조직 증식 및 섬유증을 유발하는

림프 부종입니다 (ISL 2013).

 

림프 부종은

일반적으로 사지의 부종을 동반하지만

머리, 목, 유방 또는 생식기를 포함한 다른 부위에도 나타날 수 있습니다(Tiwari 외 2013).

 

일반적으로 불치병으로 간주되는

림프 부종은 삶의 질에 심각한 영향을 미칩니다.

 

림프계가 면역 기능에 중요한 역할을 하기 때문에

환자는 연조직 감염의 위험이 높습니다(Rockson 2013).

 

원발성 림프부종은

선천성 질환으로 인해 발생하며,

가장 흔한 형태는 밀로이병과 디스티키아증(비정상적인 눈꺼풀을 유발하기도 함)입니다.

 

 Milroy disease and distichiasis

 

두 질환 모두 일반적으로 하지에서 발생하지만,

밀로이병은 대개 대칭적으로 출생 시 또는 출생 직후에 나타나는 반면,

디스티키아증 림프부종은 아동기 후반에 나타나며 비대칭적으로 나타날 수 있습니다.

 

20세 미만의 경우 원발성 림프부종의 유병률은 10만 명 중 1.15명으로 추정됩니다.

디스티키아증은 FOXC2 유전자의 병원성 변이로 인해 발생합니다(Mansour 외 2012);

림프부종을 유발하는 다른 유전자 변이는 Mortimer와 Rockson에 의해 검토되었습니다(Mortimer & Rockson 2014).

 

이차성 림프부종은

수술, 방사선, 외상 또는 감염으로 인해

림프절이 손상되거나 제거되어 발생하는 경우가 많습니다.

 

선진국에서 가장 흔하게 나타나는 증상은

상지의 유방암 관련 림프부종(BCRL)입니다.

 

그 정도는 얼마나 많은 겨드랑이 림프절이 제거되었는지,

겨드랑이에 얼마나 많은 방사선이 조사되었는지와 관련이 있습니다.

 

하지 이차 림프 부종은

흑색종이나 전립선암 또는 부인과 암 치료로 인해 발생할 수 있습니다.

 

수술 후 림프부종의 발생률은

환자 추적 관찰 및 신뢰할 수 있는 정량적 진단 도구의 부족과 같은 혼란스러운 요인으로 인해

평가하기 어렵습니다.

 

그러나 유병률을 정량화하려는 시도는 일반적으로 2001년에 보고된 최대 77%의 발병률에 상당한 문제가 있음을 나타냅니다[65]. 림프절 절제를 최소화하기 위한 수술 방법의 변화는 림프부종의 위험을 감소시켰습니다.

 

2010년에 림프절 절제술과 방사선 치료를 병행한 환자의 16%가

측정 가능한 림프부종 징후를 보인 것으로 보고되었습니다(Bar Ad 외 2010).

 

림프계를 위험에 빠뜨리는 수술이 매우 흔하기 때문에

림프부종은 미국에서만 약 300만 명의 환자가 발생하는 심각한 문제로 남아 있습니다(Padera 외 2016).

 

만성 림프부종은

울혈성 심부전 및 말기 신장 질환과 같은 질환으로 인해 발생할 수도 있습니다(Tiwari 외 2013).

 

그러나

전 세계 열대 지역에서는 1억 2천만 명 이상의 사람들에게 영향을 미치는 가장 흔한 원인은

모기에 물려 전파되는 기생충 회충이며,

이로 인한 필라리아증은 대규모 조직 부종('코끼리 증')을 초래할 수 있습니다.

 

림프부종에 대한 치료법은 없습니다.

 

조기 진단을 통해 진행을 제한한다는 의미에서

성공적인 관리가 가능합니다.

 

현재 표준 치료법은 울혈성 림프 요법으로,

까다로운 피부 관리, 거의 지속적인 압박복 착용, 운동, 수동 림프 배액 등이 포함됩니다.

 

후자는 피하 림프 흐름을 촉진하기 위해

특별히 훈련된 치료사가 세심하게 마사지하는 것으로 구성됩니다.

 

림프부종 관리의 어려움으로는

많은 암 외과의가 환자에게 림프부종 발병 위험에 대해 경고하지 않는다는 사실,

의료계의 림프계에 대한 일반적인 무지,

이미 암 진단과 치료를 받은 환자의 심리적 영향 등이 있습니다.

 

2.2 Metastases

All of the deadliest forms of cancer spread because metastatic cells separate from the primary tumour and are easily taken into the lymphatic system. The immune system is in fact capable of eliminating these rogue cells, and even in healthy people serves to eliminate occasional genetic mutations. Unfortunately, this defence system can be overwhelmed or subverted, resulting in the establishment of secondary tumours in other parts of the body. It is these secondary tumours that are actually responsible for approximately 90% of cancer deaths.

 

Like most other immune functions, the important actions of identifying and eliminating metastatic cells occur in lymph nodes. The nodes in the axilla (arm pit) are responsible for monitoring the lymph coming from the breast, and so cancer surgeons remove them for histological examination to determine the likelihood of metastatic spread. There are some 30–40 nodes in the axilla, some of which drain the arm, which as mentioned above is at high risk for œdema development. It would therefore be preferable to remove only one ‘sentinel’ node for the tumour tissue, and indeed many surgeons are now mindful of the need to limit node removal. Unfortunately, the complex network organisation of the lymphatic system both reduces confidence in the identification of a sentinel node, and compels the removal of several nodes to satisfy the primary consideration of stopping metastatic spread. The risk of subsequent œdema increases with the number of nodes removed (Warren et al 2014).

 

2.2 전이

 

가장 치명적인 형태의 암은

모두 전이 세포가 원발 종양에서 분리되어

림프계로 쉽게 이동하기 때문에 퍼집니다.

 

사실 면역 체계는

이러한 악성 세포를 제거할 수 있으며,

건강한 사람들도 가끔씩 발생하는 유전적 돌연변이를 제거하는 역할을 합니다.

 

안타깝게도 이 방어 시스템은

압도되거나 파괴되어 신체의 다른 부위에

이차 종양이 생길 수 있습니다.

 

실제로

암으로 인한 사망의 약 90%는

이러한 이차 종양으로 인해 발생합니다.

 

대부분의 다른 면역 기능과 마찬가지로

전이 세포를 식별하고 제거하는 중요한 작용은

림프절에서 발생합니다.

 

겨드랑이(팔 구덩이)에 있는 림프절은

유방에서 나오는 림프를 모니터링하는 역할을 하므로

암 외과의사는 조직 검사를 위해 림프절을 제거하여 전이 가능성을 판단합니다.

 

겨드랑이에는 약 30~40개의 결절이 있으며,

그 중 일부는 팔로 배액되기 때문에 위에서 언급한 것처럼

부종이 발생할 위험이 높습니다.

 

따라서

종양 조직에 대해 하나의 '감시' 노드만 제거하는 것이 바람직하며,

실제로 많은 외과의가 노드 제거를 제한해야 할 필요성을 염두에 두고 있습니다.

 

안타깝게도 림프계의 복잡한 네트워크 조직은

감시 노드 식별에 대한 신뢰도를 떨어뜨리고,

전이 확산을 막는다는 주요 고려 사항을 충족하기 위해

여러 노드를 제거해야 하는 상황을 초래합니다. 제

 

거된 노드의 수에 따라

후속 부종의 위험이 증가합니다(Warren et al 2014).

 

 

2.3 Immune system dysfunction

Without the lymph-flow mediated transport of immune cells and antigens, there could be no adaptive immunity in large animals. Immune cells that have detected antigens find their way efficiently to the nearest lymphatic vessel by following concentration gradients of specific chemokines secreted by lymphatic endothelial cells. These gradients are established and maintained by a combination of diffusion, advection, binding to extracellular matrix, and multimodal scavenging by multiple cell types. Transport along the lymphatic flow stream delivers crucial information to lymph nodes within tens of minutes; much sooner than could be accomplished with active cell movement alone. Inside the node, chemokine gradients are again important in directing cognizant immune cells to distribute the information required to fight the infection (Ulvmar et al 2014).

 

2.3 면역 체계 기능 장애

림프 흐름을 매개로 한

면역 세포와 항원의 이동이 없다면

대형 동물의 적응 면역은 존재할 수 없습니다.

 

항원을 감지한 면역 세포는

림프 내피 세포에서 분비되는 특정 케모카인의 농도 구배를 따라

가장 가까운 림프관으로 효율적으로 이동합니다.

 

이러한 구배는

확산, 전진, 세포 외 기질과의 결합, 여러 세포 유형에 의한

다중 모드 청소의 조합에 의해 확립되고 유지됩니다.

 

림프 흐름 흐름을 따라 이동하면

수십 분 이내에 림프절에 중요한 정보가 전달되며,

이는 세포의 활발한 이동만으로는 달성할 수 있는 것보다 훨씬 빠른 속도입니다.

 

림프절 내부에서 케모카인 구배는

인지 면역 세포가 감염과 싸우는 데 필요한 정보를 배포하도록 지시하는 데

다시 중요한 역할을 합니다(Ulvmar 외 2014).

 

3 Fluid-dynamic characterization

3.1 Lymph properties

Like interstitial fluid, the quantitative composition of lymph varies in different tissues. Pre-nodal lymph is interstitial fluid that has entered initial lymphatics, and so has the same composition of water, salts, plasma proteins (albumins, globulins and fibrinogen) and white blood cells; the plasma-protein concentration is typically < 0.01 gm/ml. The salt ions in aqueous solution include sodium, chloride, calcium, magnesium and bicarbonate; other constituents include sugars, fatty acids, amino acids, signalling molecules and cellular waste products. Water is usually absorbed from lymph into the blood supply of lymph nodes, so that post-nodal lymph has of the order of twice the plasma-protein concentration; post-nodal lymph also has a higher concentration of lymphocytes. Lymph from the intestine and liver is called chyle; it has between 0.02 and 0.06 gm/ml of protein and a sufficient concentration (> 0.01 gm/ml) (Allanson 2005) of triglyceride fat globules (chylomicrons) to give it a milky white colour.

In rat mesenteric lymphatics, (Dixon et al 2006) found a lymphocyte concentration of between 326 and 35,500 cells/μL, with an average of 12,000 ± 5,200 cells/μL. If these be assumed to be spherical leukocytes with a diameter of 6 μm, the average cell volume concentration is then some 0.0014. Thanks to this extremely low concentration, the cells do not significantly affect the bulk properties of the lymph, which to a good approximation is a Newtonian fluid which can be characterized by a single value of viscosity. However, like the plasma from which it is derived, lymph can clot (Burton-Opitz & Nemser 1917) through conversion of fibrinogen to fibrin strands, something which has to be considered in experimental design. In 10 dogs fed 4–6 hours previously, the viscosity of thoracic duct lymph (thus including a chyle component) at 37 °C was measured at 1.23 mPa s (Burton-Opitz & Nemser 1917), with a range of 1.08 to 1.36 mPa s. The density ranged from 1.005 to 1.016 gm/mL, averaging 1.0097 gm/mL.

 

3 유체 역학 특성 분석

3.1 림프 특성

 

간질액과 마찬가지로

림프의 정량적 구성은 조직에 따라 다릅니다.

 

결절 전 림프는 초기 림프관으로 들어간 간질액으로

물, 염분, 혈장 단백질(알부민, 글로불린 및 섬유소원) 및 백혈구의 구성이 동일하며

혈장 단백질 농도는 일반적으로 0.01g/ml 미만입니다.

 

수용액의 염 이온에는

나트륨, 염화물, 칼슘, 마그네슘, 중탄산염이 포함되며

기타 성분으로는 당, 지방산, 아미노산, 신호 분자 및 세포 노폐물이 포함됩니다.

 

수분은 일

반적으로 림프에서 림프절의 혈액 공급으로 흡수되므로

림프절 후 림프는 혈장 단백질 농도의 2배 정도이며

림프절 후 림프에는 림프구 농도도 더 높습니다.

 

장과 간에서 나오는 림프를 킬  chyle 이라고 하며,

0.02~0.06g/ml의 단백질과 유백색을 띠기에 충분한 농도(> 0.01g/ml)의 중성지방 소구(킬로미크론)를

함유하고 있습니다(Allanson 2005).

 

쥐의 장간막 림프구에서 림프구 농도는 326~35,500세포/μL, 평균 12,000±5,200세포/μL로 나타났습니다(Dixon 등 2006). 이를 직경 6μm의 구형 백혈구라고 가정하면 평균 세포 부피 농도는 약 0.0014입니다. 이 극히 낮은 농도 덕분에 세포는 림프의 부피 특성에 큰 영향을 미치지 않으며, 림프는 점도의 단일 값으로 특징 지을 수 있는 뉴턴 유체와 유사합니다. 그러나 림프도 혈장과 마찬가지로 피브리노겐이 피브린 가닥으로 전환되어 응고될 수 있으며, 이는 실험 설계 시 고려해야 할 사항입니다(버튼-오피츠 & 넴서 1917). 4~6시간 전에 먹인 10마리의 개에서 37°C에서 흉관 림프(따라서 키일 성분 포함)의 점도는 1.23mPa s로 측정되었으며(Burton-Opitz & Nemser 1917), 범위는 1.08~1.36mPa s. 밀도는 1.005~1.016 gm/mL, 평균 1.0097 gm/mL로 나타났습니다.

 

3.2 Reynolds number

Initial lymphatics have a diameter of some 50 μm and individually tiny flow-rate, such that they definitely operate in the fully viscous flow regime. The greatest concentration of both experimental and modelling effort has been expended on rat mesenteric collecting lymphatic vessels. In such vessels, (Dixon et al 2006) found an average diameter of 91 μm and average volume flow-rate of 13.95 μL/h; with the same viscosity and density these figures translate to a Reynolds number of 0.045, i.e. viscous flow again. The largest lymphatic vessel in the human body, the thoracic duct, averages 2.2 mm inside diameter (Telinius et al 2010). This vessel is generally regarded as draining three-quarters of the human body’s post-nodal lymph flow of 4 L/day. With the above figures for average viscosity and density, this mean flow implies a Reynolds number of 16. These figures may be greatly exceeded in circumstances of temporarily raised lymphatic flow-rate, as for instance when staving off interstitial œdema (Rahbar et al 2014).

 

Given that lymphatic flow is pulsatile rather than steady, the peak Reynolds number will be higher. (Dixon et al 2006) tabulated the maximum velocity they recorded in each of 7 rats; taking these values as representing the centre-line of a parabolic profile, and using their values of average diameter in each animal, the peak Reynolds number reached 0.4, i.e. a factor of 10 higher than the time-mean value. A similar factor probably applies in the thoracic duct. On this basis, one can conclude with confidence that flow is always viscous in lymphatic vessels of diameter 100 μm or less, and always laminar in the largest vessel, the thoracic duct.

 

3.2 레이놀즈 수

 

초기 림프관은

약 50μm의 직경과 개별적으로 작은 유속을 가지므로

완전한 점성 흐름 영역에서 확실히 작동합니다.

 

실험과 모델링에 가장 많은 노력을 기울인 것은 쥐의 장간막 림프관을 수집하는 림프관에 집중했습니다. 이러한 혈관의 평균 직경은 91μm, 평균 체적 유속은 13.95μL/h로, 동일한 점도와 밀도로 이 수치는 레이놀즈 수 0.045, 즉 점성 흐름으로 다시 해석됩니다(Dixon et al 2006).

 

인체에서 가장 큰 림프관인 흉관은

평균 내경이 2.2mm입니다(Telinius 등 2010).

 

이 혈관은

일반적으로 인체의 림프절 후 림프 흐름의 4분의 3인

4L/일을 배출하는 것으로 간주됩니다.

 

평균 점도와 밀도에 대한 위의 수치를 고려할 때

이 평균 유량은 레이놀즈 수 16을 의미합니다.

 

간질성 부종을 치료할 때와 같이

일시적으로 림프 유속이 증가하는 상황에서는

이 수치가 크게 초과될 수 있습니다(Rahbar 등 2014).

 

림프 흐름이 안정적이지 않고

맥동적이라는 점을 고려하면

최대 레이놀즈 수치는 더 높아질 것입니다.

 

(딕슨 등 2006)은 7마리의 쥐 각각에서 기록한 최대 속도를 표로 만들었는데, 이 값을 포물선 프로파일의 중심선을 나타내는 것으로 간주하고 각 동물의 평균 직경 값을 사용한 결과 최대 레이놀즈 수는 0.4, 즉 시간 평균 값보다 10배 높은 값에 도달했습니다. 흉관에서도 비슷한 요인이 적용될 수 있습니다. 이를 바탕으로 직경 100μm 이하의 림프관에서는 흐름이 항상 점성이 있고, 가장 큰 혈관인 흉관에서는 항상 층류라는 결론을 내릴 수 있습니다.

 

3.3 Womersley number

The contraction of a rat mesenteric lymphangion typically lasts some 2s from inception to end-decay (Dixon et al 2006Zawieja et al 1993), but the period of relaxation between contractions is extremely variable, being controlled by regulatory factors (section 1.3). A 0.5 Hz sinusoid represents the 2s contraction reasonably well; along with the above diameters (Dixon et al 2006) and lymph properties (Burton-Opitz & Nemser 1917), this leads to values of Womersley number up to 0.1, for which quasi-steady flow is a good approximation.

 

(Telinius et al 2010) recorded complex contractions from ring segments of human thoracic duct, consisting of phasic contractions lasting some 60s or more, during which the tension oscillated at higher frequency. They reported spontaneous contractions at 1.39 ± 0.35 /min, increasing to 6.78 ± 1.56 /min under pharmacological activation. From traces they presented, the tension oscillated at 18 /min. If one assumes that such tension oscillations would influence the flow in vivo, this frequency can also be considered as indicating a Womersley number of 1.4.

 

At the level of rat mesenteric collecting vessels, the above values of Reynolds and Womersley number encourage the modelling assumption of Poiseuille flow. (Rahbar & Moore 2011) tested this assumption in an axisymmetric computational fluid-dynamic model of a 100 μm tube with a 450 μm-long segment that varied its diameter in the range 80 to 240 μm according to prescribed time-waveforms. Steady and time-varying aqueous flows were imposed, with some including a backflow component. Flow velocities were matched to measured values (Dixon et al 2006). Although the ratio of radial to axial velocity reached values as high as 1.3, fluid shear stress at the wall always remained within 4% of the Poiseuille-profile value. The largest deviations corresponded with peak radial velocities.

 

There may be larger deviations from the Poiseuille-flow predicted wall shear stress for larger Reynolds numbers such as those found in the human thoracic duct. Although Wo = 1.4 indicates profiles that do not differ greatly from the quasi-steady parabolic form, Re = 16 (steady) and perhaps 160 (pulsatile) indicates important inertial effects. Particularly in the context of valve opening and closure transients, events which have not been considered quantitatively in forming values of Wo, it is likely that flow would depart substantially from quasi-steady.

 

3.3 워머슬리 수

쥐 장간막 림프관의 수축은 일반적으로 수축 시작부터 종료까지 약 2초 동안 지속되지만(Dixon 등 2006, Zawieja 등 1993), 수축 사이의 이완 기간은 조절 인자에 의해 제어되는 매우 가변적입니다(1.3절). 0.5Hz 정현파는 2초 수축을 합리적으로 잘 나타내며, 위의 직경(Dixon 등 2006) 및 림프 특성(Burton-Opitz & Nemser 1917)과 함께 최대 0.1의 워머슬리 수 값으로 이어지며, 이 경우 준안정류가 좋은 근사치입니다.

 

(Telinius 등 2010)은 약 60초 이상 지속되는 단계적 수축으로 구성된 인간 흉관의 링 세그먼트에서 복잡한 수축을 기록했으며, 이 동안 장력이 더 높은 주파수에서 진동했습니다. 연구진은 분당 1.39 ± 0.35회의 자발적 수축을 보고했으며, 약리학적 활성화 시 분당 6.78 ± 1.56회로 증가했습니다. 그들이 제시 한 흔적에서 긴장은 18 / 분으로 진동했습니다. 이러한 장력 진동이 생체 내 흐름에 영향을 미친다고 가정하면 이 주파수는 1.4의 워머슬리 수를 나타내는 것으로 간주할 수도 있습니다.

 

쥐 장간막 수집 혈관 수준에서 위의 레이놀즈 및 워머슬리 수 값은 푸아즈유 흐름의 모델링 가정을 지지합니다. (Rahbar & Moore 2011)는 규정된 시간 파형에 따라 직경이 80~240μm 범위에서 변화하는 450μm 길이의 세그먼트가 있는 100μm 튜브의 축 대칭 전산 유체 역학 모델에서 이 가정을 테스트했습니다. 일정하고 시간에 따라 변화하는 수류가 부과되었으며, 일부는 역류 성분을 포함했습니다. 유속은 측정된 값과 일치했습니다(Dixon 외 2006). 반경 방향 속도와 축 방향 속도의 비율은 1.3의 높은 값에 도달했지만 벽에서의 유체 전단 응력은 항상 포이즈유 프로파일 값의 4% 이내를 유지했습니다. 가장 큰 편차는 최대 반경 방향 속도와 일치했습니다.

 

인간의 흉관에서 발견되는 것과 같이 레이놀즈 수가 큰 경우 포이즈유유 흐름 예측 벽 전단 응력에서 더 큰 편차가 있을 수 있습니다. Wo = 1.4는 준안정 포물선 형태와 크게 다르지 않은 프로파일을 나타내지만, Re = 16(안정)과 160(맥동성)은 중요한 관성 효과를 나타냅니다. 특히 밸브 개폐 과도현상, 즉 Wo 값을 형성할 때 정량적으로 고려되지 않은 이벤트의 맥락에서는 흐름이 준정상에서 크게 벗어날 가능성이 높습니다.

 

3.4 Diameter change

As a dimensionless number, it is conventional in lymphatic research to express diameter change as ejection fraction EF, a concept taken from cardiac mechanics. EF = (Vmax – Vmin)/Vmax, where V = volume. In the context of a lymphatic vessel, where diameter is measured and a lymphangion is assumed to remain cylindrical and of unchanging length during contraction, EF = 1 – (dmin/dmax)2, where d is inside diameter. It should be noted that this number is a measure of contraction amplitude and does not take into account backflow through lymphatic valves before closure, nor the possibility of flow due to a favourable pressure gradient; thus it cannot be directly related to lymph flow-rate. Impressive values of EF have been recorded for rat mesenteric collectors; in isolated segments (Davis et al 2012) measured values ranging up to 0.86 at low outlet pressure. Active contraction therefore seems capable of reducing the vessel diameter below the value that the relaxed vessel would have at zero transmural pressure. If the vessel were obeying the fully relaxed pressure/diameter relation, it would take on a non-circular cross-section in this circumstance, whereas in fact it appears to remain circular (Davis et al 2012).

 

3.4 직경 변화

림프계 연구에서는 직경 변화를 심장 역학에서 유래한 개념인 박출률 EF로 표현하는 것이 일반적입니다. EF = (Vmax - Vmin)/Vmax, 여기서 V는 부피입니다. 직경이 측정되고 림프관이 수축하는 동안 원통형이며 길이가 변하지 않는다고 가정하는 림프관의 맥락에서 EF = 1 - (dmin/dmax)2, 여기서 d는 내경입니다. 이 수치는 수축 진폭의 측정치이며 폐쇄 전 림프판을 통한 역류나 유리한 압력 구배로 인한 흐름 가능성을 고려하지 않으므로 림프 유속과 직접적인 관련이 없다는 점에 유의해야 합니다. 쥐 장간막 수집기에 대해 인상적인 EF 값이 기록되었는데, 고립된 세그먼트에서 (Davis 등 2012) 낮은 출구 압력에서 최대 0.86의 값을 측정했습니다. 따라서 활성 수축은 혈관 직경을 이완된 혈관이 경관압이 0일 때 가질 수 있는 값 이하로 줄일 수 있는 것으로 보입니다. 용기가 완전히 이완된 압력/직경 관계를 따른다면 이 상황에서는 비원형 단면을 가지게 되지만 실제로는 원형으로 유지되는 것으로 보입니다(Davis et al 2012).

 

3.5 Secondary lymphatic valves

Whereas inertial effects in the form of persistent vortices have been shown to play important roles in the operation and behaviour of cardiac valves, secondary (i.e. intravascular) lymphatic valves almost all inhabit a purely viscous flow regime (a characteristic they share with the vast majority of venous valves). Almost all are bileaflet, but tricuspid and monocuspid valves have also been found. The valve (see Fig. 5) has an approximately fusiform sinus, and the leaflets form a tubular structure which tapers to decreasing lumen cross-section going downstream, with the trailing edge of the leaflets providing a flattened orifice which extends across the whole width of the sinus, at close to its widest point (see Fig. 6). The whole valve thus has a circumferential orientation, and successive valves often differ in this orientation by 90° (Gashev 2008). The valve proper thus occupies the upstream half of the sinus, while the downstream half is unobstructed.

 

3.5 이차 림프판막

 

지속적인 와류 형태의 관성 효과가

심장 판막의 작동과 행동에 중요한 역할을 하는 것으로 나타난 반면,

이차(즉, 혈관 내) 림프 판막은

거의 모두 순수한 점성 흐름 체계(대부분의 정맥 판막과 공유하는 특성)에 서식하는 것으로 나타났습니다.

 

거의 대부분이 bileaflet 이지만

삼첨판막과 단첨판막도 발견되었습니다.

 

 

판막( 그림 5 참조)은 대략 방추형 부비동을 가지고 있으며, 리플렛은 하류로 갈수록 내강 단면적이 감소하는 관형 구조를 형성하며, 리플렛의 후미 가장자리는 부비동의 전체 폭에 걸쳐 가장 넓은 지점에 가까운 편평한 오리피스를 제공합니다( 그림 6 참조).

 

따라서

전체 밸브는 원주 방향을 가지며

연속되는 밸브는 종종이 방향이 90 ° 씩 다릅니다 (Gashev 2008).

 

따라서

밸브는 부비동의 상류 절반을 차지하고

하류 절반은 막히지 않습니다.

 

Figure 5.

Open in a new tab

A transverse section of a lymphatic valve from rat mesentery, showing the two leaflets, the sinus, and the lymphatic vessel continuing at each end. Visualisation by fluorescently tagged nitric oxide synthase expressed by the lymphatic endothelial cells. From (Bohlen et al 2009).

 

쥐 장간막에서 나온 림프판의 횡단면으로, 양쪽 끝에서 이어지는 두 개의 전단, 부비동, 림프관을 보여줍니다. 림프 내피 세포에서 발현되는 형광 표지 산화질소 합성 효소를 통한 시각화. (Bohlen 외 2009).

 

Figure 6.

Open in a new tab

Two orientations of a 3D reconstruction of a lymphatic valve from a stack of confocal images. Left, looking downstream, into the narrowing bore of the valve between the leaflets, and at the outside of the vessel wall as it tapers outwards to the middle of the sinus. Right: looking upstream, directly at the free trailing edge of the leaflets and the twin blind fluid sacs formed between the inside wall of the sinus and the outer surface of the leaflets. From (Zawieja 2009).

 

공초점 이미지 더미에서 림프판을 3D로 재구성한 두 가지 방향.

 

왼쪽: 하류에서 리플렛 사이의 좁아지는 판막 구멍과 혈관 벽 바깥쪽에서 부비동 중앙으로 갈수록 가늘어지는 혈관 벽의 바깥쪽을 살펴봅니다.

 

오른쪽: 상류에서 리플렛의 자유 후행 가장자리와 부비동 내벽과 리플렛의 외부 표면 사이에 형성된 쌍둥이 블라인드 유체 주머니를 직접 바라보는 모습. (Zawieja 2009).

 

(Mazzoni et al 1987) have proposed a simple model for the operation of such a valve, based on the observation that only the pressure gradient and viscous terms of the Navier-Stokes equations are non-zero in this Stokes flow. They postulate that axial viscous pressure drop along the valve leaflets ensures that pressure p1 upstream is greater than p2 downstream when the valve is open and there is forward flow. Because there is little or no flow in the sacs behind the leaflets, the pressure there is also p2, and the positive pressure difference p1 – p2 acts to keep the leaflets in the open position. If downstream pressure rises to the point where p2 > p1, a positive pressure difference p2 – p1 then exists to push the valve leaflets inwards, shutting the valve. The model suggests that the essential elements of the ‘design’ are the viscous pressure drop along the elongated tubular space between the leaflets, and sufficient flexibility of the leaflets to respond to the pressure differences thus set up across their thickness.

 

(Mazzoni 등 1987)은 이 스토크스 흐름에서 나비에-스토크스 방정식의 압력 구배와 점성 항만 0이 아니라는 관찰을 바탕으로 이러한 밸브의 작동에 대한 간단한 모델을 제안했습니다. 밸브가 열려 있고 순방향 흐름이 있을 때 밸브 리플렛을 따라 축 방향 점성 압력 강하가 상류의 압력 p1이 하류의 p2보다 크다는 가정을 세웁니다. 리플렛 뒤의 주머니에는 흐름이 거의 없거나 전혀 없기 때문에 그곳의 압력도 p2이며, 양압 차이 p1 - p2는 리플렛을 열린 위치에 유지하는 역할을 합니다. 다운스트림 압력이 p2 > p1이 될 정도로 상승하면 밸브 리플렛을 안쪽으로 밀어내기 위해 양압 차이 p2 - p1이 존재하여 밸브가 닫힙니다. 이 모델은 '설계'의 필수 요소가 리플렛 사이의 길쭉한 관형 공간을 따라 점성 압력 강하와 두께에 따라 설정된 압력 차이에 반응할 수 있는 리플렛의 충분한 유연성이라는 것을 시사합니다.

 

(Davis et al 2011) investigated the specific properties of valves in isolated segments of rat mesenteric collecting vessel. They found that opening and closure both occurred when there was an adverse trans-valvular pressure drop ΔpV, i.e. the valve has a bias to remain open. This bias increased with increasing positive transmural pressure Δptm, i.e. increasing vessel distension, such that at high Δptm, opening occurred while there was still 0.2 cmH2O of adverse ΔpV. The measurements indicated substantial hysteresis, in that the threshold ΔpV for closure was more negative than that for opening, but this finding remains uncertain since the closing data did not account for pressure drop in the cannulating micropipettes. These observations suggest that substantial regurgitant flow back through still-open lymphatic valves when downstream lymphangion contraction starts, as observed by (Dixon et al 2006), is inevitable. The apparent inefficiency is perhaps offset by the advantage of having valves open in advance, minimizing resistance to flow, when the overall flow-driving pressure gradient is in process of changing from negative to positive. Bias also allows adjacent, synchronously contracting lymphangions to operate as one pumping chamber, with minimal internal hindrance to flow (Bertram et al 2016a). The origin of the bias lies in the configuration of the valve, which in its relaxed state is already partially open as shown in Fig. 6. If the design is indeed optimal, and not simply an inevitable result of the shape and structure needed for operation in viscous flow, certainly the optimum is quite different from that exhibited by heart valves, the design of which allows them to close with little or no regurgitation.

 

(Davis 등 2011)은 쥐 장간막 수집 혈관의 분리된 부분에서 판막의 특정 특성을 조사했습니다. 연구진은 판막 경유 압력 강하 ΔpV가 부정적일 때, 즉 판막이 열린 상태를 유지하려는 편향이 있을 때 개폐가 모두 발생한다는 사실을 발견했습니다. 이 편향성은 판막 내 양압 Δptm의 증가, 즉 혈관 팽창이 증가함에 따라 증가하여 높은 Δptm에서는 여전히 0.2cmH2O의 불리한 ΔpV가 있는 동안 개방이 발생했습니다. 측정 결과 폐쇄의 임계값 ΔpV가 개방의 임계값보다 더 음수라는 점에서 상당한 히스테리시스가 나타났지만, 폐쇄 데이터가 캐뉼레이팅 마이크로피펫의 압력 강하를 고려하지 않았기 때문에 이 결과는 여전히 불확실합니다. 이러한 관찰은 하류 림프관 수축이 시작될 때 아직 열려 있는 림프판을 통해 상당한 역류가 역류하는 것이 불가피하다는 것을 시사합니다(Dixon 외 2006). 이러한 명백한 비효율성은 전체 유량 구동 압력 구배가 음에서 양으로 변화하는 과정에서 밸브를 미리 열어 유량에 대한 저항을 최소화하는 이점으로 상쇄될 수 있습니다. 또한 바이어스는 인접하여 동시에 수축하는 림프관이 하나의 펌핑 챔버처럼 작동하도록 하여 흐름에 대한 내부 방해를 최소화할 수 있습니다(Bertram et al 2016a). 편향의 원인은 그림 6 과 같이 이완된 상태에서 이미 부분적으로 열려 있는 밸브의 구성에 있습니다. 점성 흐름에서 작동하는 데 필요한 모양과 구조의 불가피한 결과가 아니라 설계가 실제로 최적이라면, 역류가 거의 또는 전혀 없이 닫힐 수 있도록 설계된 심장 판막에서 나타나는 최적과는 확실히 다릅니다.

 

Lymphatic vessels contain large numbers of secondary valves; for instance the mesentery of the mouse has up to 800 (Sabine et al 2015). The process of valvogenesis, whereby it is determined in the embryo exactly where valves will be located, involves the expression‎ by lymphatic endothelial cells of molecular regulators (transcription factors) such as FOXC2 and CX37. Although the embryonic vessels in which these processes are observed biologically have not been subjected to detailed flow investigation, a widespread belief has arisen that these processes are triggered and localised by characteristics of the flow field. In particular, based partly on comparisons with flow fields that have been investigated in detail in blood vessels, the molecular processes leading to valve formation are believed to co-localise with sites of disturbed flow (Kazenwadel et al 2015Sabine & Petrova 2014), oscillatory wall shear stress (Bazigou & Makinen 2013) or complex flow patterns (Sabine & Petrova 2014).

Direct evidence for this is lacking. The circumstantial evidence consists mainly of the old observation (Kampmeier 1928) that lymphatic valves often develop at vessel junctions (true also for venous valves (Franklin 1927)), and these are asserted to be sites of disturbed flow by analogy with blood vessel branchings such as the carotid bifurcation (Hahn & Schwartz 2009). It will be obvious to a fluid dynamicist that this argument ignores the problem that fluid flow does not scale to microscopic vessels without change. Nor is it evident that Stokes flow through a microscopic junction is necessarily any more disturbed than that in the vessels on either side, since the convective effects that might promote instability are lacking. However, as long as ‘disturbed’ is interpreted as no more than periodic flow reversal, the association may have merit, although it has yet to be properly established either experimentally or numerically.

 

림프관에는

많은 수의 이차 판막이 있으며,

예를 들어 생쥐의 장간막에는 최대 800개의 판막이 있습니다(Sabine 등 2015).

 

배아에서 판막이 위치할 정확한 위치가 결정되는 판막 형성 과정에는 림프 내피 세포가 FOXC2 및 CX37과 같은 분자 조절 인자(전사인자)를 발현하는 것이 포함됩니다. 이러한 과정이 생물학적으로 관찰되는 배아 혈관에 대한 자세한 흐름 조사는 이루어지지 않았지만, 이러한 과정이 흐름 장의 특성에 의해 촉발되고 국소화된다는 믿음이 널리 퍼져 있습니다. 특히 혈관에서 자세히 조사된 흐름장과의 비교를 통해 판막 형성으로 이어지는 분자적 과정은 교란된 흐름(Kazenwadel et al 2015, Sabine & Petrova 2014), 진동 벽 전단 응력(Bazigou & Makinen 2013) 또는 복잡한 흐름 패턴(Sabine & Petrova 2014) 부위와 함께 국한된다고 여겨지고 있습니다.

 

이에 대한 직접적인 증거는 부족합니다. 정황 증거는 주로 림프 판막이 종종 혈관 접합부에서 발생한다는 오래된 관찰(Kampmeier 1928)로 구성되며(정맥 판막(Franklin 1927)도 마찬가지), 경동맥 분기부와 같은 혈관 분기와 유사하게 흐름이 방해받는 부위라고 주장됩니다(Hahn & Schwartz 2009). 유체 역학자에게는 이 주장이 유체 흐름이 변화 없이 미세한 혈관까지 확장되지 않는다는 문제를 무시하는 것임이 분명할 것입니다. 또한 불안정성을 촉진할 수 있는 대류 효과가 없기 때문에 미세한 접합부를 통과하는 스토크스 흐름이 양쪽의 용기보다 반드시 더 교란된다는 것도 분명하지 않습니다. 그러나 '교란'이 주기적인 흐름 반전에 지나지 않는 것으로 해석되는 한, 아직 실험적으로나 수치적으로 제대로 확립되지는 않았지만 이 연관성은 가치가 있을 수 있습니다.

 

Once established, lymphatic valves are themselves instigators of disturbed flow. Details of the flow through such valves are now emerging through numerical modelling (Wilson et al 2015Wilson et al 2013). Of particular interest is the almost stagnant flow in the blind sac behind each leaflet. Because of the three-dimensional geometry, flow does not fully recirculate with closed streamlines, but residence times in some sac locations can be prolonged. As in veins (Bovill & van der Vliet 2011), this introduces some risk of clotting, but perhaps more importantly greatly affects the distribution of lymphatic endothelial cell-derived nitric oxide, a short-lived but potent depressor and thus regulator of lymphatic pumping (Bohlen et al 2011).

In this context it is worth noting that recirculation does not depend on inertial effects; it survives in blind cavities under viscous flow conditions. An example was provided in a recent numerical model of a blind-ended blood capillary sprout, a stage in the formation of new capillary blood vessels (Stapor et al 2011). With an impermeable wall, flow within the sprout was shown to consist of three counter-rotating zones of recirculation, each of course being weaker than the more proximal one. Noting that recirculation zones do not imply closed streamlines in 3D, we see that even in this extreme cavity geometry, and with zero wall permeability, the residence time at the end is finite.

 

림프 판막은 일단 형성되면 그 자체로 흐름 장애를 유발합니다. 이러한 판막을 통과하는 흐름에 대한 자세한 내용은 수치 모델링을 통해 밝혀지고 있습니다(Wilson et al 2015, Wilson et al 2013). 특히 흥미로운 것은 각 전단지 뒤의 블라인드 주머니에서 거의 정체된 흐름입니다. 3차원 기하학적 구조로 인해 흐름이 닫힌 유선형으로 완전히 재순환되지는 않지만 일부 주머니 위치에서 체류 시간이 길어질 수 있습니다. 정맥에서와 마찬가지로(Bovill & van der Vliet 2011), 이는 응고의 위험을 초래하지만 더 중요한 것은 수명이 짧지만 강력한 억제제이자 림프 펌핑의 조절자인 림프 내피 세포 유래 산화질소의 분포에 큰 영향을 미친다는 것입니다(Bohlen et al 2011).

 

이러한 맥락에서 재순환은 관성 효과에 의존하지 않고 점성 흐름 조건에서 블라인드 캐비티에서 생존한다는 점에 주목할 필요가 있습니다. 새로운 모세혈관이 형성되는 단계인 블라인드 엔드 혈액 모세혈관 새싹의 최근 수치 모델에서 그 예가 제시되었습니다(Stapor et al 2011). 불투과성 벽이 있는 경우 새싹 내의 흐름은 세 개의 역회전 재순환 영역으로 구성되는 것으로 나타났으며, 각 영역은 근위 영역보다 약한 것으로 나타났습니다. 재순환 영역이 3D에서 닫힌 유선형을 의미하지 않는다는 점에 주목하면, 이 극단적인 캐비티 형상에서도 벽 투과성이 제로인 경우 끝 부분의 체류 시간이 유한하다는 것을 알 수 있습니다.

 

3.6 Mass transport of vasoactive substances

NO is present in concentrations of 200−400 nM in collecting lymphatic vessels, with the highest concentrations seen at the sinus region surrounding valves. This occurs because of the relatively stagnant flow behind the valve leaflets (Wilson et al 2013). It is not known if there are particular benefits to these higher concentrations, but at least two potential benefits have been hypothesised. The first is that valve function would be impeded by strong contraction of LMCs in the vessel surrounding the valve. The second is that that dendritic cells and other immune cells might be chemotactically drawn into collecting lymphatics in the valve sinus region, where there are fewer LMCs lining the wall, leaving gaps for transmigration.

 

3.6 혈관 활성 물질의 대량 수송

 

NO는 림프관을 수집하는 림프관에서 200-400nm의 농도로 존재하며

판막을 둘러싼 부비동 부위에서 가장 높은 농도를 보입니다.

 

이는 판막 판막 뒤의 흐름이 상대적으로 정체되어 있기 때문에 발생합니다(Wilson 외 2013).

 

이러한 높은 농도에 특별한 이점이 있는지는 알려지지 않았지만 적어도 두 가지 잠재적 이점이 있다는 가설이 제기되었습니다.

 

첫 번째는 판막을 둘러싼 혈관의 LMC가 강하게 수축하여 판막 기능이 방해를 받을 수 있다는 것입니다.

두 번째는 수지상 세포와 다른 면역 세포가 벽을 감싸고 있는 LMC가 적은 판막 부비동 부위의 림프액을 모으기 위해 화학적으로 끌어당겨질 수 있으며, 이로 인해 이동의 틈이 생길 수 있다는 것입니다.

 

4 Lumped-parameter modelling

Computational modelling of the lymphatic vascular system is confronted by a number of challenges. One is obviously the range of scales of the overall system; it is impractical to think of modelling the whole system except via a number of approaches, each addressing a different scale. A second severe difficulty is the paucity of experimental data. The lymphatic system has been little studied relative to the blood circulatory system, and data on quite basic aspects of vessel behaviour are only now becoming available. Lymphatics are small (the most-studied ones are microscopic) with thin transparent walls; they convey a transparent fluid at low velocity and flow-rate. In consequence there are severe measurement difficulties, particularly for non-invasive measurement in humans.

 

At the level of individual lymphatic vessels, one is confronted by the division into individually actively pumping elements (lymphangions), bounded by valves. The valves (see section 3.5) comprise strong nonlinearities which, owing to their hysteresis, bring the further complication of numerical solution discontinuities in time. Another source of strong nonlinearity is the elastic properties of the lymphangion wall, which exhibits much sharper and more dramatic change between its stiffnesses at low and at high distension than comparable arterioles and venules; see Figure 7.

 

4 일괄 매개변수 모델링

림프 혈관계의 전산 모델링은 여러 가지 도전 과제에 직면해 있습니다. 하나는 분명히 전체 시스템의 스케일 범위로, 각각 다른 스케일을 다루는 여러 가지 접근법을 사용하지 않고는 전체 시스템을 모델링하는 것은 비현실적입니다. 두 번째 심각한 어려움은 실험 데이터의 부족입니다. 림프계는 혈액 순환계에 비해 연구가 거의 이루어지지 않았으며, 혈관 행동의 아주 기본적인 측면에 대한 데이터도 이제야 입수되고 있습니다. 림프관은 얇고 투명한 벽을 가진 작은 혈관(가장 많이 연구된 림프관은 미세한 혈관)으로, 낮은 속도와 유속으로 투명한 유체를 운반합니다. 따라서 특히 사람의 비침습적 측정에는 심각한 측정 어려움이 있습니다.

 

개별 림프관 수준에서는 개별적으로 활발하게 펌핑하는 요소(림프관)로 나뉘어져 있고 밸브에 의해 경계가 정해져 있습니다. 밸브(섹션 3.5 참조)는 히스테리시스로 인해 수치 해의 불연속성을 더욱 복잡하게 만드는 강력한 비선형성으로 구성됩니다. 강한 비선형성의 또 다른 원인은 림프관 벽의 탄성 특성으로, 림프관 벽은 비슷한 동맥과 정맥보다 저압과 고압에서 강성이 훨씬 더 급격하고 극적인 변화를 보입니다( 그림 7 참조).

 

 

Figure 7.

Open in a new tab

Comparison of the passive pressure/diameter relation of a lymphatic, a venule and an arteriole, all from the mesentery of the same rat. Diameter is normalised to the maximum value in each case: lymphatic 267 μm, venule 278 μm, and arteriole 135 μm. The non-linearity of elastic stiffness is related to the increase in local slope between (say) Dnorm = 0.8 and Dnorm = 1. The increase at high distending pressure is much more for the venule and lymphatic than the arteriole, and (as shown in the inset) more for the lymphatic than the venule. Redrawn from (Rahbar et al 2012).

 

같은 쥐의 장간막에서 채취한 림프관, 정맥, 세동맥의 수동 압력/직경 관계 비교. 직경은 각 경우의 최대값으로 정규화되었습니다: 림프 267μm, 정맥 278μm, 세동맥 135μm. 탄성 강성의 비선형성은 (예를 들어) Dnorm = 0.8과 Dnorm = 1 사이의 국부 경사 증가와 관련이 있습니다. 높은 팽창 압력에서의 증가는 동맥보다 정맥과 림프에 훨씬 더 많이 나타나며, (삽입된 그림과 같이) 정맥보다 림프에 더 많이 나타납니다. (Rahbar 외 2012)에서 재인용.

 

Both the lack of data to support detailed distributed models and the abundance of strong nonlinearities mean that lumped-parameter modelling finds a useful role, and by number of publications dominates lymphatic vascular modelling thus far. The simplest models amounted to little more than the fitting of experimental observations of mean pressure and flow-rate to a Thévenin equivalent circuit (Drake et al 1986), a concept from electrical engineering which specifies a two-terminal ‘black box’ by (in the hydraulic analogy) its source pressure and source resistance to flow. This idea was taken up and further developed in the first generation of true lumped models (Quick et al 2008Venugopal et al 2007), which relate specified time-variables by ordinary differential equations and thereby encompass temporal events. Quick and co-workers also introduced the idea of modelling lymphatic contraction as a time-varying elastance, a concept adopted from cardiac mechanics (Sagawa et al 1988). An elastance is equivalent in electrical analogy to a capacitance; varying it, e.g. by a motor, requires external energy, which in the cardiac case (Elzinga & Westerhof 1980) is supplied by the oxidation of fats and carbohydrates in muscle. The resulting lymphangion model was incorporated into a network model which predicted a structure that would optimize lymph flow. This model predicted lymphangion lengths increasing in the streamwise direction, at a rate consistent with measurements of postnodal bovine mesenteric lymphatics (Venugopal et al 2009), and an optimal number of vessel confluences.

 

Further lumped-parameter modelling has been closely tied to biological experimental findings, mostly on rat mesenteric lymphatics. Whereas early lymphatic vascular models simulated valve function simply by disallowing reverse flow, the concept of valve resistance varying hysteretically (different opening and closing characteristics) with both the transvalvular and the transmural pressure (Davis et al 2011) is now encompassed (Bertram et al 2014aBertram et al 2014b), and both valve leakage at physiological pressure differences, and prolapse at pathological pressure differences, can be simulated. The highly nonlinear passive pressure-diameter relationship is incorporated, and the influence of wall muscle contraction (Zhang et al 2007) is included via an explicit time-varying active circumferential tension produced through the interaction of an imposed activation waveform with the constraint on tension of the instantaneous muscle length (Bertram et al 2014aBertram et al 2016aBertram et al 2016b). Such models have for instance recently been used (Bertram et al 2016a) to investigate how contraction timing variables (refractory period, inter-lymphangion delay) interact with the complex properties of lymphatic valves (vide infra) to determine what configurations of a multi-lymphangion segment occur, and which produce the greatest pumped flow. These are experiments that it would be impossible to conduct biologically, where the relative timing of contractions cannot be controlled, and the properties of adjacent valves may differ. A recent further extension attempts to incorporate generalized vascular regulatory properties (assumed similar to blood vessels) to simulate active local control of transmural-pressure dependent contraction rate, shear-dependent standing tone and stress-induced structural remodelling (Caulk et al 2016), in work linked to experiments on the mechanical behaviour of the rat thoracic duct (Caulk et al 2015).

 

Lumped-parameter models are in principle well suited to the modelling of extended chains of lymphangions (Bertram et al 2016aJamalian et al 2013) and networks of lymphatic vessels. A very early model (Reddy et al 1977) attempted simulation of the whole-body lymphatic network with one computational cell per lymphangion, but it was later concluded through a replication of the methods used (Macdonald et al 2008) that the results were probably afflicted with numerical artefact. A recent lymphatic vascular network model was more modest, sticking to a three-generation convergence of four inlets to one outlet, with four lymphangions per vessel (Jamalian et al 2016). It was found that for favourable pressure differences, pumping was more efficient with fewer lymphangions. Further progress demands a good model of how lymphangion contractions are partially coordinated over extended networks, largely though local mechanisms (Baish et al 2016).

 

상세한 분산 모델을 뒷받침할 데이터가 부족하고 강력한 비선형성이 많기 때문에 일괄 매개변수 모델이 유용한 역할을 하며, 지금까지 출판된 논문 수 기준으로 림프관 모델링을 지배하고 있습니다. 가장 단순한 모델은 평균 압력과 유량에 대한 실험적 관측치를 테베닌 등가 회로에 맞추는 것에 불과했습니다(Drake 등 1986). 전기 공학에서 유래한 이 개념은 (유압학적 비유로) 소스 압력과 소스 저항으로 두 단자 '블랙박스'를 지정하는 개념입니다. 이 아이디어는 일반 미분 방정식으로 특정 시간 변수를 연관시켜 시간적 이벤트를 포괄하는 1세대 진정한 일괄 모델(Quick 외 2008, Venugopal 외 2007)에서 채택되어 더욱 발전했습니다. 또한 Quick과 동료들은 림프 수축을 심장 역학에서 채택한 개념인 시간 변화 탄성률로 모델링하는 아이디어를 도입했습니다(Sagawa et al 1988). 탄성률은 전기적 비유로 커패시턴스와 동일하며, 예를 들어 모터를 통해 이를 변화시키려면 외부 에너지가 필요한데, 심장의 경우(Elzinga & Westerhof 1980)는 근육의 지방과 탄수화물의 산화에 의해 공급됩니다. 이렇게 만들어진 림프관 모델을 네트워크 모델에 통합하여 림프 흐름을 최적화할 수 있는 구조를 예측했습니다. 이 모델은 결절 후 소 장간막 림프관의 측정치와 일치하는 비율로 림프관의 길이가 흐름 방향으로 증가하고, 최적의 혈관 합류 지점 수를 예측했습니다(Venugopal 외 2009).

 

추가적인 일괄 매개변수 모델링은 주로 쥐 장간막 림프관에 대한 생물학적 실험 결과와 밀접하게 연관되어 있습니다. 초기 림프관 모델은 단순히 역류를 허용하지 않음으로써 판막 기능을 시뮬레이션했지만, 이제는 판막 내압과 판막 경유압에 따라 히스테리시스적으로 변화하는 판막 저항(개폐 특성이 다름)의 개념(Davis et al 2011)이 포함되며(Bertram et al 2014a, Bertram et al 2014b), 생리적 압력 차이에서의 판막 누출과 병리적 압력 차이에서의 탈출을 모두 시뮬레이션할 수 있게 되었습니다. 매우 비선형적인 수동 압력-직경 관계가 통합되고, 벽 근육 수축의 영향(Zhang et al 2007)이 순간 근육 길이의 장력에 대한 제약과 부과된 활성화 파형의 상호 작용을 통해 생성되는 명시적인 시간 변화 활성 원주 장력을 통해 포함됩니다(Bertram et al 2014a, Bertramet al 2016a, Bertram et al 2016b). 예를 들어, 최근에는 이러한 모델을 사용하여 수축 타이밍 변수(내화 기간, 림프관 간 지연)가 림프판의 복잡한 특성과 어떻게 상호작용하는지를 조사하여 다중 림프관 세그먼트의 어떤 구성이 가장 큰 펌프 유량을 생성하는지를 결정했습니다(Bertram et al 2016a). 이러한 실험은 상대적인 수축 타이밍을 제어할 수 없고 인접한 판막의 특성이 다를 수 있는 생물학적으로 수행하기 불가능한 실험입니다. 최근에는 일반화된 혈관 조절 특성(혈관과 유사하다고 가정)을 통합하여 경맥압 의존적 수축률, 전단 의존적 스탠딩 톤 및 스트레스 유발 구조 리모델링의 능동적 국소 제어를 시뮬레이션하기 위해 쥐 흉관의 기계적 거동에 대한 실험과 관련된 연구(Caulk et al 2016)에서 더 확장된 시도가 있었습니다(Caulk et al 2015).

 

덩어리 매개변수 모델은 원칙적으로 림프관의 확장된 사슬(Bertram 외 2016a, Jamalian 외 2013) 및 림프관 네트워크의 모델링에 적합합니다. 초기 모델(Reddy 등 1977)은 림프관당 하나의 계산 셀을 사용하여 전신 림프관 네트워크의 시뮬레이션을 시도했지만, 나중에 사용된 방법의 복제(Macdonald 등 2008)를 통해 결과가 수치적 인공물에 의해 영향을 받는다는 결론을 내렸습니다. 최근의 림프관 네트워크 모델은 혈관당 4개의 림프관이 있는 4개의 입구와 1개의 출구로 이루어진 3세대 수렴을 고수하는 좀 더 겸손한 모델입니다(Jamalian 등 2016). 유리한 압력 차이의 경우 림프관 수가 적을수록 펌핑이 더 효율적이라는 것이 밝혀졌습니다. 더 많은 발전을 위해서는 림프관 수축이 주로 국소 메커니즘을 통해 확장된 네트워크에서 부분적으로 어떻게 조정되는지에 대한 좋은 모델이 필요합니다(Baish et al 2016).

 

 

 

5. Applications of fluid-dynamic analysis to physiology and pathology

In the 1960s, the famed physiologist Arthur Guyton published measurements demonstrating that the pressures in some interstitial tissue beds are subatmospheric (Guyton & Coleman 1968Guyton et al 1971b). While there was considerable resistance and debate on this issue, others eventually confirmed his findings with different measurement techniques. A particularly striking example is the pleural space, where subatmospheric pressures are necessary to inflate the lungs. Maintaining a favourable pressure gradient into the lymphatic vessels of the diaphragm results in pressures of −40 cmH2O in initial lymphatics (Moriondo et al 2010Moriondo et al 2005). Progression of lymph to the subclavian veins means overcoming an adverse pressure gradient of around 60 cmH2O. An interesting physiological question naturally arises about how collecting lymphatics, which can only contract, perform their pumping function in the presence of upstream and internal subatmospheric pressures. Guyton was never able to resolve this question, but proposed that “lymphatic suction” could be responsible.

Recently, (Jamalian et al 2015) used a combination of isolated vessel measurements and lumped parameter modelling to explain the mechanisms behind draining these tissue beds. There is indeed a suction mode involved, in which the intralymphatic pressure transiently drops below the inlet pressure (Figure 8). Importantly, this facilitates the re-filling of the collecting lymphatic following contraction, which provides the opportunity for the next contraction to generate stroke volume. The key to the generation of suction is the existence of either a positive transmural pressure or tethering to external tissues to pull the vessel back open after contraction. This bears a loose similarity to the vis a fronte mechanism that is thought to play a role in filling the right atrium from the low-pressure vena cava.

 

5. 생리학 및 병리학에 유체 역학 해석의 적용

1960년대에 저명한 생리학자 아서 가이튼은 일부 간질 조직 층의 압력이 대기압 이하임을 보여주는 측정 결과를 발표했습니다(가이튼& 콜먼 1968, 가이튼 외 1971b). 이 문제에 대해 상당한 저항과 논쟁이 있었지만, 결국 다른 사람들이 다른 측정 기법을 통해 그의 연구 결과를 확인했습니다. 특히 눈에 띄는 예는 폐를 부풀리기 위해 대기압 이하의 압력이 필요한 흉막 공간입니다. 횡격막의 림프관으로 유리한 압력 구배를 유지하면 초기 림프관에서 -40cmH2O의 압력이 발생합니다(모리온도 외 2010, 모리온도 외 2005). 쇄골하 정맥으로 림프가 이동한다는 것은 약 60cmH2O의 불리한 압력 구배를 극복한다는 것을 의미합니다. 수축만 가능한 림프액이 상류 및 내부 대기압의 존재 하에서 어떻게 펌핑 기능을 수행하는지에 대한 흥미로운 생리적 질문이 자연스럽게 생깁니다. 가이튼은 이 의문을 해결하지 못했지만 '림프 흡입'이 그 원인일 수 있다고 제안했습니다.

 

최근 (Jamalian 등 2015)은 고립된 혈관 측정과 일괄 매개변수 모델링을 조합하여 이러한 조직층 배수의 메커니즘을 설명했습니다. 실제로 림프관 내 압력이 일시적으로 입구 압력 아래로 떨어지는 흡입 모드가 있습니다(그림 8). 중요한 것은 이렇게 하면 수축 후 모인 림프액이 다시 채워져 다음 수축이 뇌졸중 용적을 생성할 수 있는 기회를 제공한다는 점입니다. 흡입 생성의 핵심은 수축 후 혈관을 다시 열어주는 양의 경막외압 또는 외부 조직과의 연결이 존재하는지 여부입니다. 이는 저압 대정맥에서 우심방을 채우는 역할을 하는 것으로 생각되는 전대정맥 메커니즘과 느슨한 유사성을 가지고 있습니다.

 

Figure 8.

Open in a new tab

Lumped-parameter modelling simulations of pumping by a chain of lymphangions contracting synchronously in the presence of positive (left) and negative (right) transmural pressure. D = diameter of the first lymphangion (indicated by star, at top), p = intra-lymphangion pressure, Q = flow-rate through the first valve in the chain, M = contraction activation, Δptm = transmural pressure, t = time. Pumping is initiated as shown in the curve of M(t) by lymphatic muscle activation (red), followed by relaxation (green) and inactivation (yellow). These colours are then used in the other panels to indicate timing. Suction occurs just after 170 seconds, when the pressure inside the lymphangion dips below the inlet pressure pa, after which the flow-rate through the first valve peaks. The loops of Δptm vs. D illustrate the time-course alongside the passive behaviour of the lymphangion (black), with the area of the loop defining the output work, and change in diameter indicating the flow-rate generated. In the presence of a negative transmural pressure (right), the Δptm-D loop is so small as to be barely visible, indicating pumping failure. Animations available in the on-line version.

 

양(왼쪽) 및 음(오른쪽) 경막외압이 있을 때 동시에 수축하는 림프관 사슬에 의한 펌핑의 일괄 파라미터 모델링 시뮬레이션. D = 첫 번째 림프관의 직경(위쪽 별표), p = 림프관 내 압력, Q = 연쇄의 첫 번째 밸브를 통한 유량, M = 수축 활성화, Δptm = 경막외 압력, t = 시간. M(t) 곡선에 표시된 것처럼 림프근 활성화(빨간색)에 의해 펌핑이 시작되고 이완(녹색) 및 비활성화(노란색)가 이어집니다. 이 색상은 다른 패널에서 타이밍을 나타내는 데 사용됩니다. 흡입은 림프관 내부의 압력이 입구 압력 pa 아래로 떨어지는 170초 직후에 발생하며, 그 후 첫 번째 밸브를 통한 유속이 최고조에 이릅니다. Δptm 대 D의 루프는 림프관의 수동적 동작(검은색)과 함께 시간 경과를 나타내며, 루프의 면적은 출력 작업을 정의하고 직경의 변화는 생성된 유속을 나타냅니다. 음의 경막외압(오른쪽)이 있는 경우 Δptm-D 루프는 거의 보이지 않을 정도로 작아 펌핑 실패를 나타냅니다. 온라인 버전에서 애니메이션을 사용할 수 있습니다.

 

Summary Points.

  •  
  •  
  •  
  •  
  •  
  •  
  •  

Acknowledgments

The authors gratefully acknowledge Samira Jamalian and Jacquelyne Moore for help in preparing the figures. JM acknowledges the financial support of The Royal Society, The Royal Academy of Engineering, and The Sir Leon Bagrit Trust. Both authors acknowledge the financial support of the United States National Institutes of Health (NIH) Grant U01-HL-123420.

Terms and DefinitionsBreast Cancer Associated Lymphœdema:

Pathologic swelling of the arm as an eventual result of lymph node removal from the axillary region as part of mastectomy procedures. Lymph nodes are removed as part of the surgery to determine and/or minimise the probability that the cancer has spread to other tissues, this being an important prognostic indicator.

 

 

 

Chemokine

Cytokines (cell signalling proteins) that are specific instigators to immune cell migration in peripheral tissues as well as lymph nodes. There are some 45 chemokines and 20 chemokine receptors identified so far.

 

Collecting Lymphatic

A medium- to large-sized lymphatic vessel having an inner lining of lymphatic endothelial cells, an outer lining of several layers of lymphatic muscle cells, and interspersed elastin (inner layers) and collagen (outer layers). Collecting lymphatic vessels also have bi-leaflet one-way valves at regular, short intervals. These vessels exhibit a highly nonlinear pressure-diameter behaviour (Figure 7).

 

Decongestive Lymphatic Therapy

A combination of medical procedures intended to minimise the further progression of Breast Cancer Associated Lymphœdema. Includes skin care, compression bandaging, exercise and specialised massage (manual lymphatic drainage).

 

Extrinsic Pumping

Results from lymphatic vessel compression due to movement of adjacent tissues.

 

Immune System

A major bodily function spanning several organs and systems that defends against disease. Key cell types are dendritic cells, macrophages, B cells and T cells.

 

Initial Lymphatic

The smallest of the lymphatic vessels, they take in interstitial fluid. Consist of a layer of lymphatic endothelial cells that are tethered to surrounding tissues (Figure 3). Sometimes called “lymphatic capillaries” or “terminal lymphatics.”

 

Interstitium

The spaces between cells and tissue-specific structures such as barrier membranes. Contains fluids, proteins, etc. that are taken up into initial lymphatics.

 

Intrinsic Pumping

Results from active contraction of lymphatic muscle cells in the walls of collecting lymphatic vessels.

 

Lumped-Parameter Modelling

Use of 0D models of fluid flow variables in the equations of motion and constitutive relations. When a lumped-parameter model consists of many segments, it is not essentially different from a finite-difference solution of 1D equations.

 

Lymph

The fluid that flows through lymphatic vessels. Contains mainly water, with suspended proteins and immune cells.

 

Lymph Node

Small (1−2 cm or less), kidney-shaped organs central to immune system function. Lymph from peripheral tissues is pumped into lymph nodes by afferent collecting lymphatic vessels. Pathogens are then filtered and screened by immune cells within the node. Fluid and immune cells move across the walls of specialised blood vessels, which include high endothelial venules. There are some 500−600 lymph nodes in the human body.

 

Nitric Oxide

A powerful vasodilator substance first identified in blood vessels. Also secreted by lymphatic endothelial cells as a trigger for lymphatic muscle cells to dampen contraction.

 

케모카인

사이토카인(세포 신호 단백질)은 림프절뿐만 아니라 말초 조직에서 면역 세포의 이동을 특정하게 유도하는 역할을 합니다. 현재까지 약 45개의 케모카인과 20개의 케모카인 수용체가 확인되었습니다.

 

림프절 채취

림프 내피 세포로 이루어진 내막과 여러 층의 림프 근육 세포로 이루어진 외막, 엘라스틴(내층)과 콜라겐(외층)이 산재되어 있는 중대형 림프관을 말합니다. 또한 림프관을 모으는 림프관에는 규칙적이고 짧은 간격으로 양방향 밸브가 있습니다. 이러한 혈관은 매우 비선형적인 압력-직경 거동을 보입니다(그림 7).

 

울혈 완화 림프 치료

유방암 관련 림프부종의 추가 진행을 최소화하기 위한 의료 절차의 조합입니다. 피부 관리, 압박 붕대, 운동 및 전문 마사지(수동 림프 배액)가 포함됩니다.

 

외인성 펌핑

인접 조직의 움직임으로 인한 림프관 압박으로 인한 결과입니다.

 

면역 체계

질병을 방어하는 여러 기관과 시스템에 걸친 주요 신체 기능입니다. 주요 세포 유형은 수지상 세포, 대식세포, B세포 및 T세포입니다.

 

초기 림프

림프관 중 가장 작은 혈관으로 간질액을 운반합니다. 주변 조직에 묶여 있는 림프 내피 세포 층으로 구성됩니다(그림 3). “림프 모세혈관” 또는 ‘말단 림프관’이라고도 합니다.

 

간질

세포와 장벽막과 같은 조직 고유의 구조물 사이의 공간입니다. 초기 림프관으로 흡수되는 체액, 단백질 등이 포함되어 있습니다.

 

내재적 펌핑

수집 림프관 벽에 있는 림프근 세포의 활발한 수축으로 인한 결과입니다.

 

일괄 매개변수 모델링

운동 방정식 및 구성 관계에서 유체 흐름 변수의 0D 모델을 사용합니다. 일괄 매개변수 모델은 많은 세그먼트로 구성되어 있어 1D 방정식의 유한 차분 해와 본질적으로 다르지 않습니다.

 

림프

림프관을 통해 흐르는 체액입니다. 주로 물과 부유 단백질 및 면역 세포가 포함되어 있습니다.

 

림프절

면역계 기능의 중심이 되는 작은(1-2cm 이하) 신장 모양의 기관. 말초 조직의 림프는 구심성 수집 림프관을 통해 림프절로 펌핑됩니다. 그런 다음 림프절 내의 면역 세포에 의해 병원균이 여과되고 선별됩니다. 체액과 면역 세포는 높은 내피 정맥을 포함하는 특수 혈관 벽을 따라 이동합니다. 인체에는 약 500~600개의 림프절이 있습니다.

 

산화질소

혈관에서 처음 발견된 강력한 혈관 확장 물질입니다. 또한 림프 내피 세포에서 분비되어 림프 근육 세포의 수축을 완화하는 방아쇠 역할을 합니다.

 

Footnotes

Related Resources

www.lymphaticnetwork.org

Literature Cited

  1. Adair TH, Guyton AC. Modification of lymph by lymph nodes. II. Effect of increased lymph node venous blood pressure. American Journal of Physiology (Heart Circ Physiol ) 1983;245:H616–H22. doi: 10.1152/ajpheart.1983.245.4.H616. [DOI] [PubMed] [Google Scholar]
  2. Adair TH, Guyton AC. Modification of lymph by lymph nodes III. Effect of increased lymph hydrostatic pressure. American Journal of Physiology (Heart Circ Physiol ) 1985;249:H777–H82. doi: 10.1152/ajpheart.1985.249.4.H777. [DOI] [PubMed] [Google Scholar]
  3. Allanson JE. Lymphatic System. In: Stevenson RE, Hall JG, editors. Human Malformations and Related Anomalies. 2. New York: Oxford University Press; 2005. pp. 145–82. [Google Scholar]
  4. Aukland K, Reed RK. Interstitial-lymphatic mechanisms in the control of extracellular fluid volume. Physiological Reviews. 1993;73:1–78. doi: 10.1152/physrev.1993.73.1.1. [DOI] [PubMed] [Google Scholar]
  5. Baish JW, Kunert C, Padera TP, Munn LL. Synchronization and random triggering of lymphatic vessel contractions. PLoS Computational Biology. 2016;12:e1005231. doi: 10.1371/journal.pcbi.1005231. [DOI] [PMC free article] [PubMed] [Google Scholar]
  6. Baluk P, Fuxe J, Hashizume H, Romano T, Lashnits E, et al. Functionally specialized junctions between endothelial cells of lymphatic vessels. Journal of Experimental Medicine. 2007;204:2340–62. doi: 10.1084/jem.20062596. [DOI] [PMC free article] [PubMed] [Google Scholar]
다음검색
현재 게시글 추가 기능 열기

댓글

댓글 리스트
맨위로

카페 검색

카페 검색어 입력폼