[학세권 수익성 근린상가]경기 안성시 석정동 267-10 2층건물 한경대학교 미용실 커피숖 애견카페 대지40평 건물49평 경매가3억9천
작성자김동혁작성시간21.02.27조회수268 목록 댓글 0
"일등경매사"는
20년 실무경험을 바탕으로
개인이나 법인이 하기 어려운
입찰전 서류분석,입장조사.
시세,통계,현장정보로
<가격결정,입찰표투찰>
-"낙찰후 건물의 인도"
"토지의 농취증,소유권이전까지
가족처럼 함께 합니다.
"또한"경매에 관심이 있으나
접근이 쉽지않은 분들을 위해
회원가입이 필요없는
"법원경매 무료사이트"를
운영하고 있습니다.
[법원경매무료정보사이트]
http://www.xn--o39a0n093a.com/
★ ★ ★
권리분석 및 상담은
아래 연락처로.
일등경매사 김동혁
010-8792-4589.
본 부동산에 관심이 있으신분은
" 2020 타경 4124호 문의"라고
일등경매사 김동혁
010-8792-4589으로
문자 주시면 정확한
권리분석 후 일등경매사가
바로 상담 드립니다.
[소재지 : 경기 안성시 석정동 267-10]
| 사건번호 | 평택5계 2020 타경 4124 | 용 도 | 점포 |
| 소 재 지 | 경기 안성시 석정동 267-10 가동 [중앙로 324] | ||
| 경매구분 | 임의(기일) | 입찰일자 | 2021년 03월 15일 (10:00) / 진행 |
| 감 정 가 | 398,247,000원 (건물:123,445,000원/토지:269,990,000원/제시외:4,812,000원) | ||
| 최 저 가 | 398,247,000원(100%) | 보 증 금 | 10% (39,824,700) |
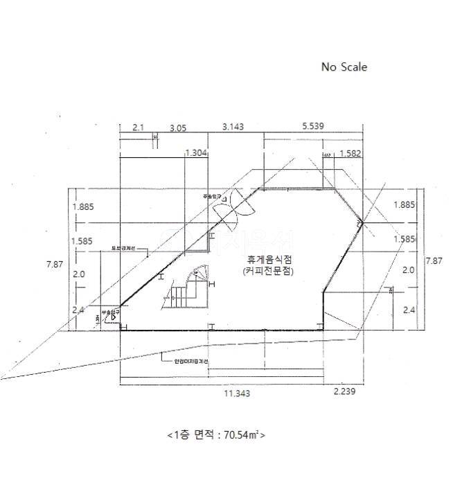
| 토지총면적 | 133 ㎡ (40.23평) | 건물총면적 | 164.68 ㎡ (49.82평) |
| 이해관계 | 등기 5건, 임차1명 | 진행횟수 | 0회 |
| 관할법원 | 평택5계 전화 : (031)650-3154 | 관할 주민센터 | 안성2동주민센터 (대표:031-678-4030 ) |
참고사항
ㆍ유치권
ㆍ 1,2층은 휴게음식점(커피전문점)으로 이용중임
상세 내역
| 경기 안성시 석정동 267-10 가동 *일반철골조철콘평슬래브지붕 *한경대학교남측위치 *주위점포,음식점,카페,위락시설,자동차수리점 ,금융기관,단독주택등혼재지역 *차량접근용이,대중교통사정양호 *인근버스(정)소재 *부정형평탄지 *북동측왕복2차선도로및남동측소로2류접함 *소로2류(8-10m,국지도로)접함 *중로1류(20-25m,경기1976-386,안2016-119)접함 *개별냉난방 *도시지역 *2종일반주거지역 *가축사육제한구역(전부제한) *성장관리권역 *하수처리구역 *절대보호구역(안성교육지원청문의) *표준지가 : 1,170,000 *감정지가 : 2,030,000 | 대지 133(40.23평) 269,990,000원 건물 ㆍ1층휴게음식점(커피전문점)70.54(21.34평) 61,722,500원 ㆍ2층휴게음식점(커피전문점)70.54(21.34평) 61,722,500원 - 총2층 - 보존:2010.09.17 제시외 ㆍ옥탑계단실,창고11(3.33평) 3,300,000원 ㆍ옥탑휴게실12.6(3.81평) 1,512,000원 |
평택 2020-4124 현황조사내역
| 2. 경기도 안성시 중앙로 324 (석정동,가동) |
| 임차인(별지)점유 |
| * 폐문으로 점유자를 만나지 못하여 조사불능. * 평택세무서 등록사항 등의 열람결과 임차인 인 등재되어 있음. 상가건물임대차 현황서 첨부. |
부동산현황
- 본 건 건물은 `탐 엔 탐스 커피솝`임
임차인내역 (권리분석)
| 대항력 | 임차인 | 전입일 (사업등록) | 임차금 월세포함 | 임차배당액 배당총액 | 인수 | 확정일 | 배당 | 형태 |
| 무 | 조희 | 2018-05-24 | 20,000,000 220,000,000 | 0 | 소멸 | 2019-02-26 | 안함 | 영업 |
등기부내역 (권리분석)
| 근저 | JBW제4차유동화전문 | 2010-09-17 | 360,000,000 | 360,000,000 | 말소 | 말소기준등기 |
| 근저 | 안성제일신협 | 2011-01-05 | 130,000,000 | 33,485,494 | 말소 | |
| 근저 | 오정진 | 2017-02-02 | 80,000,000 | 0 | 말소 | |
| 압류 | 안성시 | 2019-10-21 | 0 | 0 | 말소 | |
| 근저 | 최병철 | 2020-01-20 | 200,000,000 | 0 | 말소 | |
| 임의 | JBW제4차유동화전문 | 2020-06-08 | 0 | 0 | 말소 | 경매기입등기 |
공시지가
| 구분 | 2020 | 2019 | 2018 | 2017 |
| 지가(㎡) | 1,137,000.00 ▲2.3% | 1,111,000.00 ▲0.6% | 1,104,000.00 ▲1.8% | 1,084,000.00 - 0.0% |
지역분석
| 환경 | ㆍ안성맞춤먹거리타운(658m) |
| 공공 | ㆍ중앙지구대(107m)ㆍ석정치안센터(232m)ㆍ안성3동주민자치센터(715m)ㆍ안성3동주민센터(718m) |
| 교육 | ㆍ새롬키즈어린이집(86m)ㆍ뿌리 실용음악연기학원(148m)ㆍ위댄스스튜디오 안성(152m)ㆍ동화나라어린이집(166m)ㆍ다사랑어린이집(246m)ㆍ한경대학교(251m)ㆍ바다별어린이집(252m)ㆍ스카이학원(261m)ㆍ더플랜컴퓨터아트회계학원(265m)ㆍ안성엘리트학원(294m) |
| 교통 | ㆍ노상공영주차장(130m)ㆍ이비스모텔 주차장(366m)ㆍ석정동공영주차장(402m)ㆍ당왕동공영주차장(478m)ㆍ아양복개천 공영주차장(491m)ㆍ신시장로 노상공영주차장(532m)ㆍ탑 유료 주차장(551m)ㆍ장기로1구간 노상공영주차장(563m)ㆍ안성맞춤대로2구간 노상주차장(620m)ㆍ주차장(707m) |
| 제1금융권 | ㆍIBK기업은행 안성지점(275m)ㆍIBK기업은행365 안성점365(277m)ㆍ하나은행 안성금융센터(302m)ㆍ신한은행 한경대학교출장소(313m)ㆍ신한은행 안성금융센터(357m)ㆍ우리은행 안성지점(447m)ㆍIBK기업은행365 아카데미사진관앞(548m)ㆍKB국민은행 안성지점(570m)ㆍSC제일은행 365코너 대우경남아파트입구(709m)ㆍNH농협은행 안성시지부(824m) |
| 제2금융권 | ㆍ안성제일신협본점 365코너(394m)ㆍ안성장학새마을금고 아양지점(485m)ㆍ안성새마을금고 본점(598m)ㆍ안성새마을금고 중앙지점(790m)ㆍ안성장학새마을금고 안성지점(802m) |
| 생활 | ㆍ항아리보쌈 한경대점(57m)ㆍ팔팔장어직판장(146m)ㆍ안성돌곱창(154m)ㆍ주공부동산(175m)ㆍ도쿄스테이크 한경대점(184m)ㆍ퍼스트공인중개사사무소(184m)ㆍ1번지 공인중개사사무소(186m)ㆍ신원 공인중개사사무소(214m)ㆍ엘불리(215m)ㆍ안성행운공인중개사사무소(217m) |
| 쇼핑ㆍ음식 | ㆍ세븐일레븐 안성석정제일점(38m)ㆍGS25 안성내혜홀점(88m)ㆍ세븐일레븐 안성석정중앙점(171m)ㆍCU 한경대점(250m)ㆍ세븐일레븐 안성석정점(297m)ㆍ안성농협하나로마트(318m)ㆍGS25 한경대기숙사점(371m)ㆍCU 안성금산점(389m)ㆍGS25 안성타워점(403m)ㆍ이마트24 안성폴리점(416m) |
| 숙박 | ㆍ이비스모텔(378m)ㆍ루비파크(399m)ㆍ그랜드파크(408m)ㆍ대신장여관(423m)ㆍ모텔예스텔(446m)ㆍ테마모텔(452m)ㆍ명보여관(473m)ㆍ음성여인숙(476m)ㆍ올인모텔(506m)ㆍ제주여관(638m) |
| 의료 | ㆍ청수약국(212m)ㆍ유디치과의원 안성점(293m)ㆍ바다약국(335m)ㆍ웰피부비뇨기과의원(433m)ㆍ서울정형외과의원(433m)ㆍ굿모닝약국(433m)ㆍ모아산부인과(434m)ㆍ안성이맞춤치과의원(460m)ㆍ하얀피부과의원(464m)ㆍ정다운약국(465m) |
대출에 어려움이 있으시거나...
뜻하지 않게 거주또는 소유중인
부동산이 경매가 진행되어
어려움 처한 소유자 및 임차인은
연락주시면 법무사,세무사,
변호사등과 제휴하여 신중히
검토 후 안전하고,정확하며,
투명하게 컨설팅 해서
손해를 줄일 수 있도록
도와 드립니다.
일등경매사의 부동산재테크
경매.공매 전문 컨설팅
김 동혁
010-8792-4589.
[법원경매 무료사이트]
http://www.xn--o39a0n093a.com/
♣일등경매사의 부동산 재테크는
전국 지방법원 매각물건
부동산 전문으로
오랜 전통과 경험을 자랑합니다.♣
◈ 정식적으로 입찰의뢰시엔
"수임비용(등록비)"가 입금되야
계약관계가 성립하고 조사가
시작되며... 낙찰시엔 "성공에
따른 수수료"가 소요됩니다.◈