CAFE

수배전설비

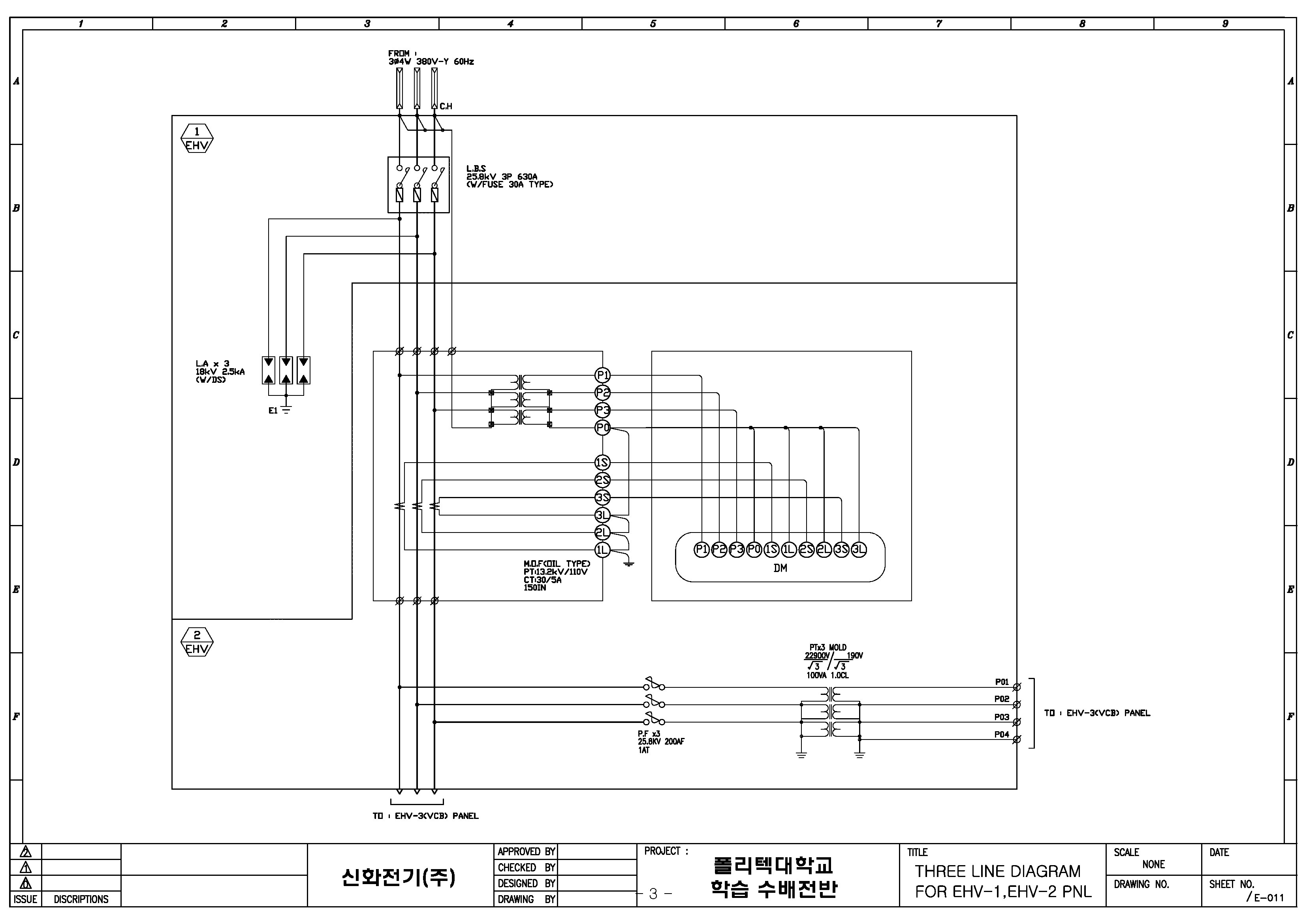
수배전설비 시퀀스회로 이해(MOF PANEL)

작성자수평선|작성시간21.08.31|조회수3,701 목록 댓글 0

1. 도면상에서 MOF(PCT)를 찾아보세요

2. 도면상 MOF에 표시된 P1,P2,P3,P0, 1S,2S,3,S, 3L,2L,1L의 의미는 무엇인가요

3. 도면상에서 DM의 의미는 무엇인가요

4. 도면상에서 DM 표면에 표시된  P1,P2,P3,P0, 1S,2S,3,S, 3L,2L,1L의 의미는 무엇인가요

5. 사진에서 MOF외 DM의 연결부위를 찾아보세요

6. PT 1차측의 PF의 우리말 명칭과 역활을 말해보세요

7. PT 의 우리말 명칭과 역활 그리고 결선방식을 말해보세요

8. PT 우측의 P01,P02,P03,P04의 의미는 무엇을 말하는지 말하시고 사진상에서 그 부분을 찾아보세요

 

1. 전체사진

 

2. 도면2부분(전력수급용 계량기, DM:최대수요전력량계)

 

3. 도면3부분

  전력수급용 변성기 (MOF, PCT) : 전력량을 측정하기 위하여

   고전압과 대전류를 전력량계에 맞는 전압과 전류로 변성함

 

4. 도면4부분

  (전력퓨즈 : PT의 사고가 1차측으로 파급되는 것을 방지)

 

5. 도면5부분

   PT(계기용변압기) : 고전압을 계기에 맞는 저압으로 변성 

다음검색
현재 게시글 추가 기능 열기
  • 북마크
  • 신고 센터로 신고

댓글

댓글 리스트
맨위로

카페 검색

카페 검색어 입력폼