CAFE

수배전설비

수배전설비 시퀀스회로 이해(VCB PANEL)

작성자수평선|작성시간21.09.08|조회수10,875 목록 댓글 0

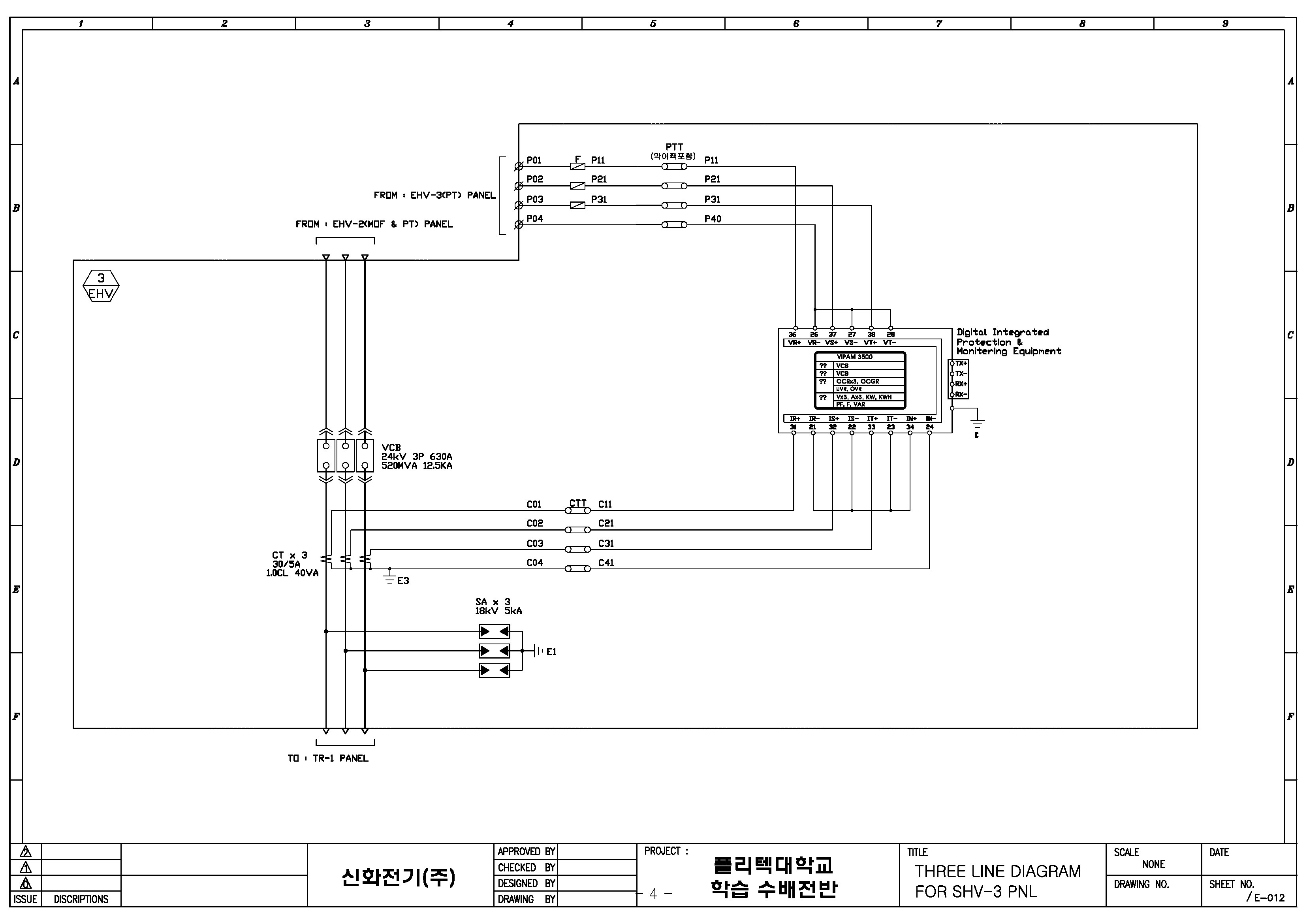
(주회로도 해석)

1. 도면상에서 특고압 기기및 저압기기를 구분하여 찾을 수 있다

   1) 도면에서 다기능 디지털보호계전기를 찾아보고 역활을 말하세요 (실제 제품도 찾습니다)

   2) 도면에서 시험용전류단자, 전압용시험단자를 찾아보고 역활을 말하세요 (실제 제품도 찾습니다)

      시험용전류단자를 이용 1차 2차를 분리시 시험용전류단자의 TEST PLUG 삽입시 유의사함 (사진보여주기)

      시험용전압단자를 이용 1차 2차를 분리시 시험용전압단자의 TEST PLUG 삽입시 유의사함(사진보여주기)      

   3) 도면에서 진공차단기를 찾아보고 역활을 말하세요 (실제 제품도 찾습니다)

   4) 도면에서 계기용변류기를 찾아보고 역활을 말하세요 (실제 제품도 찾습니다)

   5) 도면에서 서지흡수기를 찾아보고 역활을 말하세요 (실제 제품도 찾습니다)

2. 도면상 흑색과 적색 그리고 청색선의 의미를 구분하여  보세요

3. 다기능 디지털보호계전기 표면에 표시된 숫자의 의미는 무엇이며

    청색선에 표시된 기호(ex, C11, C01)의 의미는 무엇인지.

3.  청색선에 표기된 기호중 P...로 시작하는 기호의 의미와 C...로 시작하는 의미를 구분하세요

 

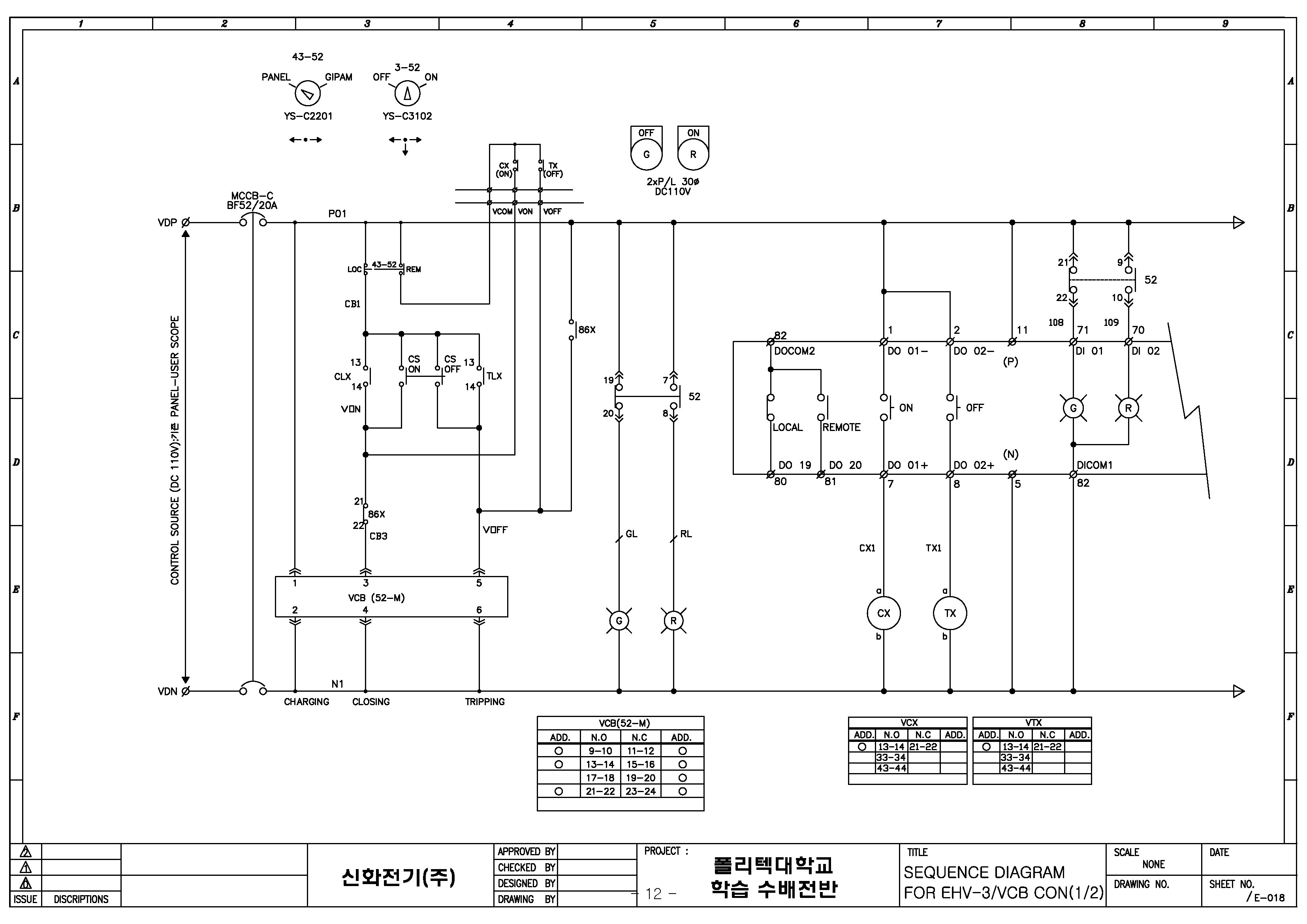
(시퀸스회로도 해석)

1. 점은 색의 심벌  1) 의미

                         2) 기호(테그)의 의미

                         3) 표시된 기호및 숫자의 의미

2. 연결 전선 부위를 형관펜으로 마킹하세요

3. 연결전선에 표시된 숫자와 기호의 의미

4. CX와 CLX를 도면에서 찾고 실제 제품을 찾아보세요

    TX와TLX를 도면에서 찾고 실제 제품을 찾아보세요

5. 로켈 동작을 설명해 보자

   리모터 동작을 설명해 보자

6.86X-b의 역활을 설명하고 어떤 상태에서 동작하는지 설명해 보자

7. VIPAM 3500의 결선상태와 동작을 설명해 보자.

 

다음검색
현재 게시글 추가 기능 열기
  • 북마크
  • 신고 센터로 신고

댓글

댓글 리스트
맨위로

카페 검색

카페 검색어 입력폼