CAFE

수배전설비

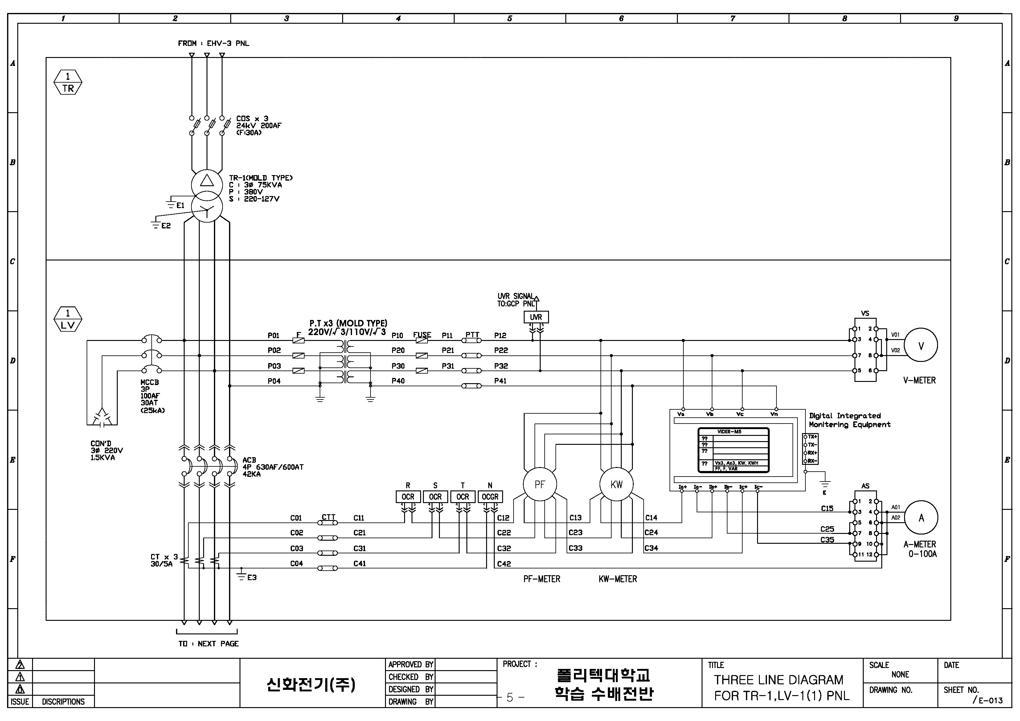
수배전설비 시퀀스회로 이해(TR PANEL)

작성자수평선|작성시간21.09.23|조회수2,941 목록 댓글 0

(주회로도 해석)

1. 도면상에서 변압기와 cos를 찾아보고 그 역활을 말해보자

   1) 도면에서 변압기를 찾아보고 실제 변압기를 찾고

      결선방식과 변압기 타입(유입, 건식, 몰드 중)과 역활을 말해보자

   2) COS의 우리말 명칭을 말하고 역활을 말해보세요    

   3) 변압기 용량이 300[KVA]이상일때는 COS 대신에 무엇을 사용하는지 말하여 보세요

2. 전원의 색상구분: L1,L2.L3, N상과 접지선의 색상을 구분하여 말하여 보자

3. 변압기 TAP 단자의 역활에 대하여 말해보자

4. 도면에 변압기의 델타-와이결선, 델타-델타 결선을 그려보자.

다음검색
현재 게시글 추가 기능 열기
  • 북마크
  • 신고 센터로 신고

댓글

댓글 리스트
맨위로

카페 검색

카페 검색어 입력폼