CAFE

수배전설비

수배전설비 시퀀스회로 이해(ACB PANEL 주회로 이해)

작성자수평선|작성시간21.09.23|조회수3,145 목록 댓글 0

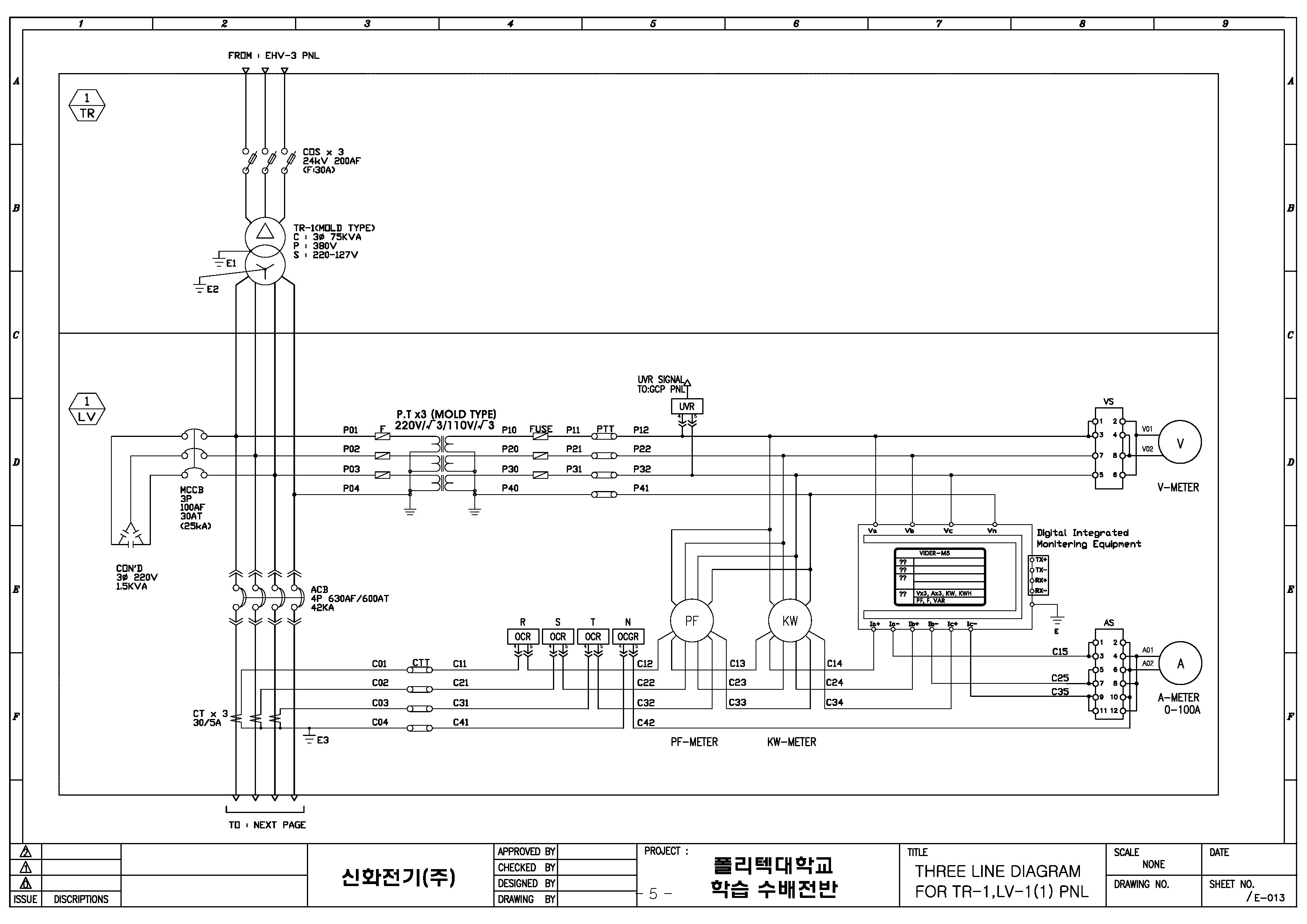
ACB (주회로도 해석)

1. 도면상의 기기를  구분하여 찾을 수 있다

   1) 판넬의 상단의 계기 4가지를 도면상에서 찾고 그 명칭과 역활을 말해보자

   2) 계기 하단의 전압계용 전환스위치 , 전류계용 절환스위치를 도면상에서 찾고 역활을 말해보자

   3) 판넬 하단의 계전기 5가지와 경보기 1가를 도면상에서 찾고 그 명칭과 역활을 말해보자

   4) 판넬 최하단의 전류시험단자와 전압시험단자를 도면상에서 찾고 그 역활을 말해보자

   5) 판넬 내부의 계기용변압기를 도면상에서 찾고 그 역활을 말해보자

   6) 판넬 내부의 ACB를 도면상에서 찾고 그 명칭과 역활을 말해보자.

       630AF/600AT  42KA의 의미를 말해보자

   7) 판넬 뒤면의 CT를 도면상에서 찾고 그 명칭과 역활을 말해보자.

2. E-013회로도에서 OCR에 표시된 4,5 의 의미, AS에 표기된 1~12번 그리고 디지털계기의 Va,Vb의 의미

    를 말해보자

3. E-013회로도에서 P01, P10,P11,P12의 의미, C01, C11,C12의 의미를 말해보자

 

다음검색
현재 게시글 추가 기능 열기
  • 북마크
  • 신고 센터로 신고

댓글

댓글 리스트
맨위로

카페 검색

카페 검색어 입력폼