CAFE

수배전설비

2022년 수배전설비 4교시- VCB판넬 내부 이해하기(4시간)

작성자수평선|작성시간22.05.03|조회수1,171 목록 댓글 0

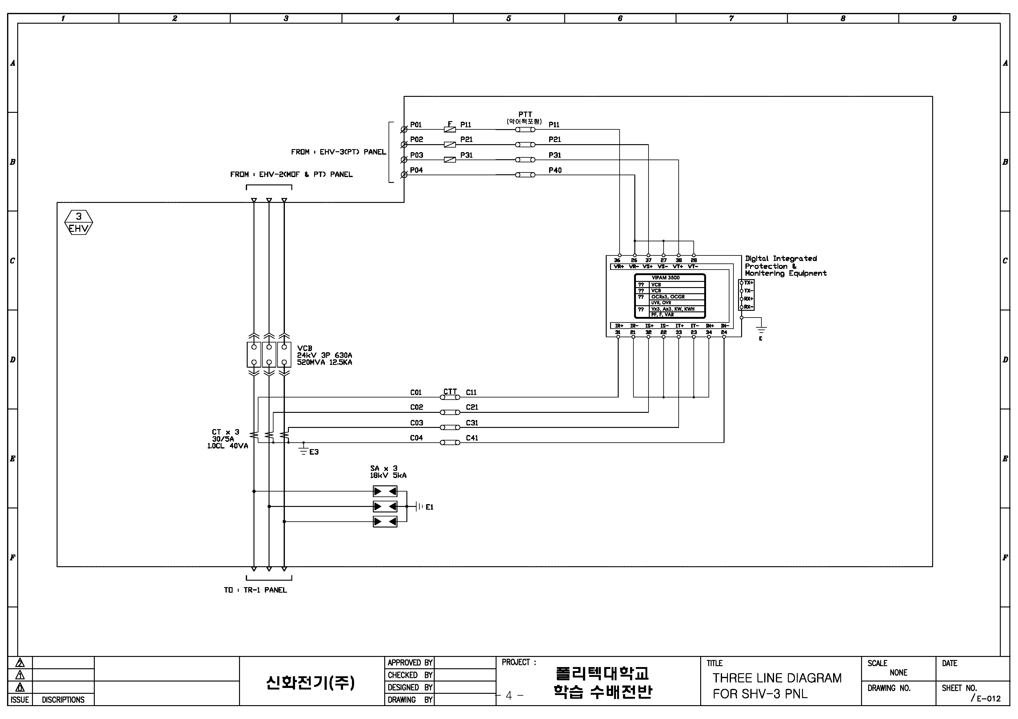
[학습내용] VCB PANEL 주회로 이해하기.

 

1. 도면상에 표기된 심벌(VCB, CT, SA, PTT.CTT, VIPAM 3500) 과 실제 제품을 메칭시키고 그 역활을 이해한다.

2. VCB의 기본동작및 수동동작을 이해한다.

3. VCB의 차단용량을 이해한다.

 

[실습]

1. VCB 판넬의 기본동작및 수동동작을 할수 있다.

2. 인출형 VCB 차단기를 인출할수 있다.

 

[과제]

1. 주회로상의 VCB, CT, SA, PTT.CTT의 우리말 명칭, 심벌, 역활을 기록한다.

2. 과제의 차단기 용량및 단락전류를 계산한다.(제일 하단 사진참고)

 

 

 

 

 

 

 

 

 

 

 

 

 

 

 

 

과제

 

다음검색
현재 게시글 추가 기능 열기
  • 북마크
  • 신고 센터로 신고

댓글

댓글 리스트
맨위로

카페 검색

카페 검색어 입력폼