CAFE

수배전설비

2022년 수배전설비 7교시- 7.2KV VCB 판넬 내부 이해하기(2시간)

작성자수평선|작성시간22.05.26|조회수633 목록 댓글 0

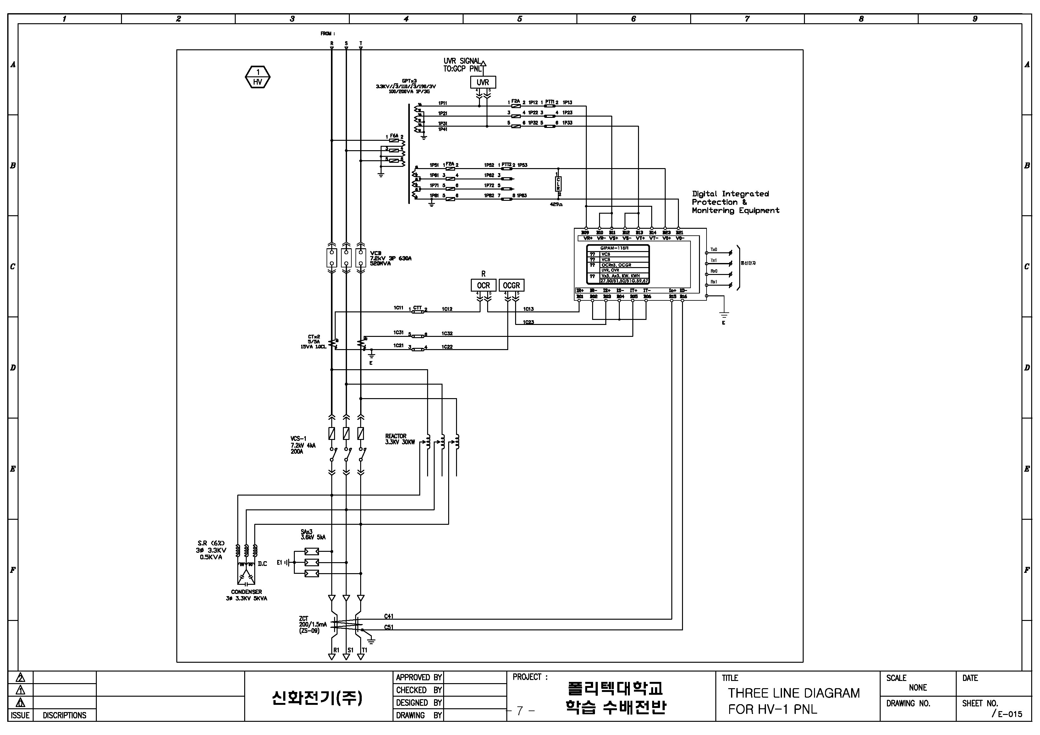
[학습내용] 7.2KV VCB PANEL 주회로 이해하기.

 

1. 도면상에 표기된 심벌(VCB, CT, VS, REACTOR, SA,SR,SC, ZCT, GPT, UVR, CLR,OCR.OCGR. GIPAM ) 과 실제 제품을 메칭시키고 

   그 역활을 이해한다.

2. 7.2KV 리액터 기동방식을 이해한다.

3. 농형유도전동기의 기동방식의 종류를 이해한다.

 

[실습]

1. 도면상에 표기된 심벌(VCB, CT, VS, REACTOR, SA,SR,SC, ZCT, GPT, UVR, CLR,OCR.OCGR. GIPAM ) 과 실제 제품을 메칭

 

 

[과제]

1. 주회로상의 표기된 심벌(VCB, CT, VS, REACTOR, SA,SR,SC, ZCT, GPT, UVR, CLR,OCR.OCGR. GIPAM )의 우리말 명칭, 심벌,

   역활을 기록한다.

2. 전기(산업)기사에 나온 문제를 풀이한다.

 

 

과제

 

다음검색
현재 게시글 추가 기능 열기
  • 북마크
  • 신고 센터로 신고

댓글

댓글 리스트
맨위로

카페 검색

카페 검색어 입력폼