CAFE

수배전설비

2022년 수배전설비 11교시- ATS 판넬 시퀀스 이해하기(3시간)

작성자수평선|작성시간22.08.30|조회수582 목록 댓글 0

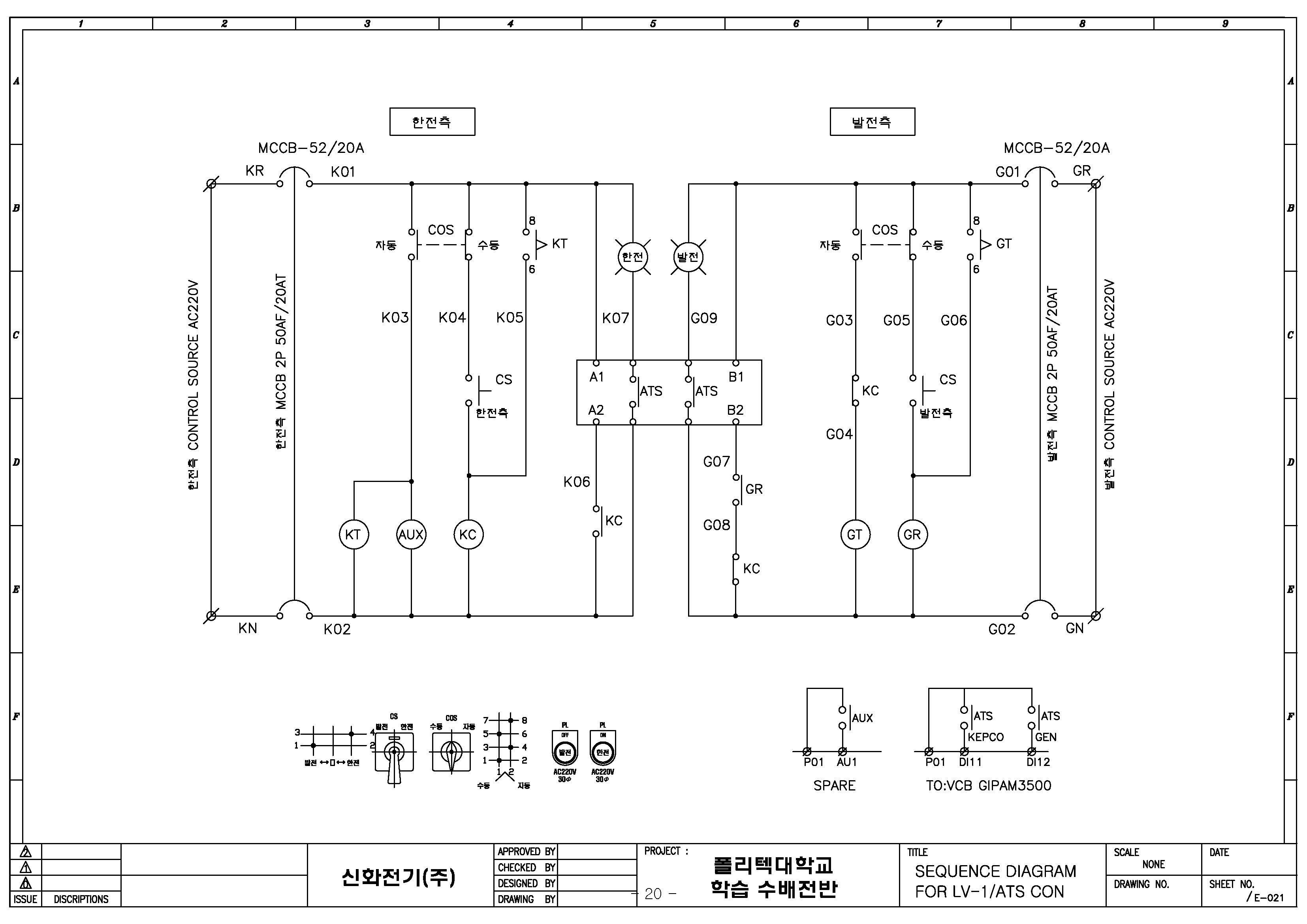
[학습내용] ATS PANEL 시퀀스 이해하기.
1. 도면상에 표기된 심벌과 실제 제품을 메칭시키고 그 역활을 이해한다.
2. 도면에 의하여 실제 제품의 연결상태를 이해한다.(동영상 참조)
   1) 도면에서 흑색 심벌의 의미를 말해보고, 심벌 상하에 기재된 기호나 번호의 의미를 말해보자
      (실제 제품을 의미하며 기재된 기호나 번호는 그 제품에 표시된 기호나 번호를 의미한다.)
   2) 청색의 의미를 말해보고, 청색선에 기재된 기호나 번호의 의미를 말해보자
       (실제 제품을 연결하는 작업선을 의미하며, 기재된 기호나 번호는 작업선에 표시된 작업번호 또는 선 번호를 의미)

3. 동작상태를 이해한다.
    동영상참조

[실습]
1. 도면에 의하여 연결상태를 확인한다. 조별확인
   
[과제]
1. 시퀸스 회로를 그려본다.
2. (3-1,2,3,4) 도면에 의하여 작업하려고 한다. 실제 어느 부위와 결선을 하여야 하는지 개략적으로
    그림으로 표현하세요( 첨부 PDF(2.과제 ATS)  참조)

 

 

다음검색
현재 게시글 추가 기능 열기
  • 북마크
  • 신고 센터로 신고

댓글

댓글 리스트
맨위로

카페 검색

카페 검색어 입력폼