CAFE

수배전설비

2024년 전력계통보호실습 2교시(LBS판넬 내부 이해하기)

작성자수평선|작성시간24.03.11|조회수1,109 목록 댓글 0

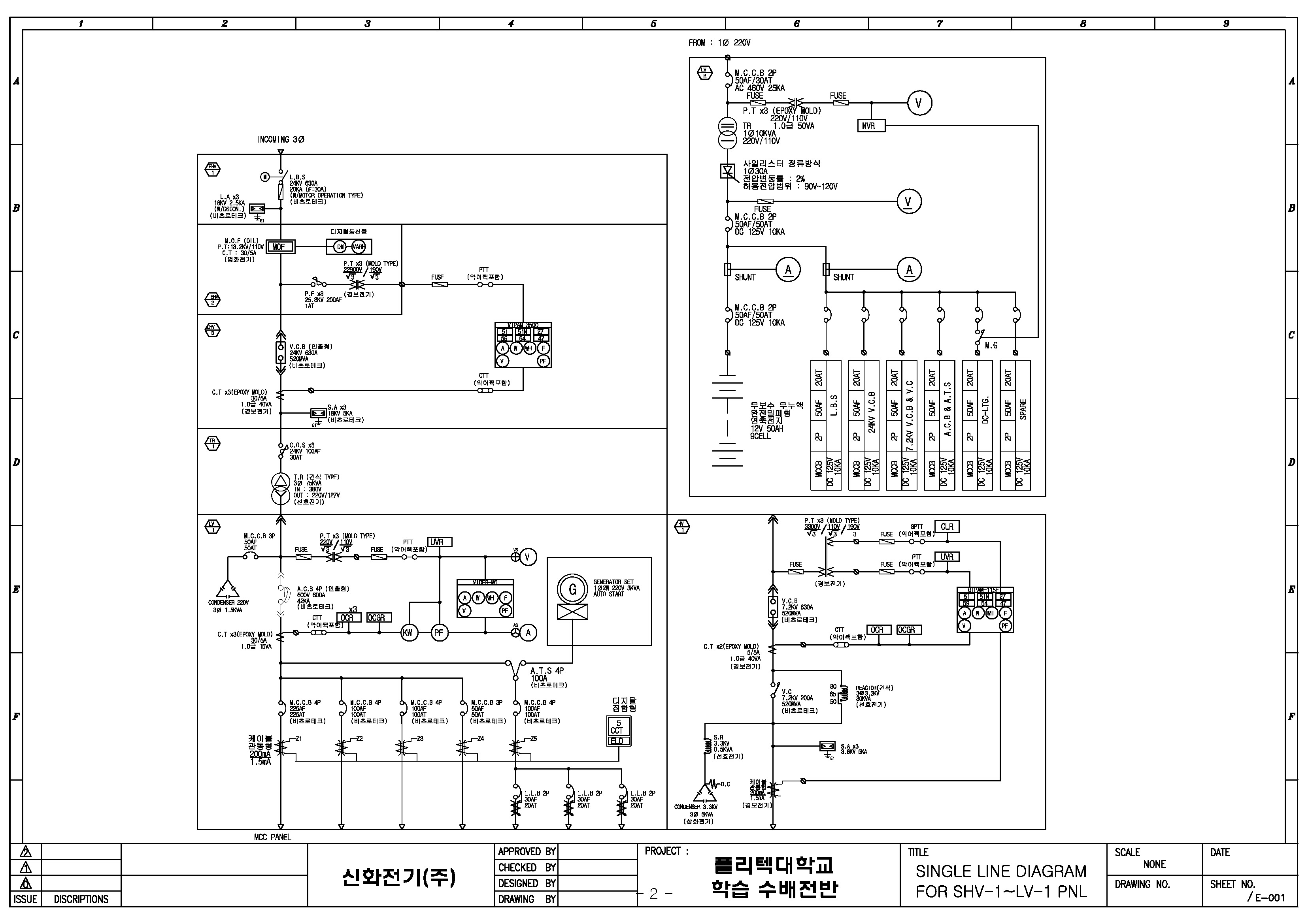
[학습내용] LBS PANEL 주회로 이해하기.

1. 도면상에 표기된 심벌(CH, LBS, LA) 과 실제 제품을 메칭시키고 그 역활을 이해한다.

2. 도면상에 없는 제품 BUS BAR, 애자등의 제품명칭을 이해시키고 그 역활을 이해한다.

3. LBS의 정격용량과 POWER FUSE, LA의 용량을 이해한다.

4. 스위치에 의한 조작과 수동조작을 이해한다.

5. LBS판넬 내부의 점검요령을 이해한다. (LBS, POWER FUSE, LA)

 

[실습]

1. 동영상 청취

    수변전설비 정기검사(한국전기안전공사 실재 검사영상+전기안전관리자 열할)

     https://www.youtube.com/watch?v=bHNtyP-ZkJA

    [수배전] 전기설비 안전검사

    [ 수배전] 수배전 설비 현장실무교육2

    [ 수배전] 특고압 케이블 헤드 처리_외국

    [기술공유]LBS 한류형 파워퓨즈 교체방법(LBS1차 한전전원죽었을때)https://www.youtube.com/watch?v=5gpzHgWlLZg

    [기술공유] 비한류형 파워퓨즈 내부구조 이해 및 교체방법  https://www.youtube.com/watch?v=2KBmyWBcsu4&t=62s

2. POWER FUSE를 교체해 본다.(4명 1개조)

3. 수동으로 개폐기를 작동시켜본다. (4명 1개조)

   

[과제]

1. 주회로상의 CH, LBS, LA 의 우리말 명칭, 심벌, 역활을 기록한다.

    도면상에 없는 제품 BUS BAR, 애자의 역활을 기록한다.

2. 스위치에 의한 LBS판넬의 조작방법을 기술한다.

3. 수동조작에 의한 LBS 판넬의 조작방법을 기술한다.

4.  POWER FUSE의 교체 방법을 기술한다.

5. 첨부파일에 주어진 문제를 푼다.

 

 

 

 

 

 

[과제]

 

 

[참고자료]

 

 

다음검색
현재 게시글 추가 기능 열기
  • 북마크
  • 신고 센터로 신고

댓글

댓글 리스트
맨위로

카페 검색

카페 검색어 입력폼