EMERGENCY TOWING BOOKLET - 비상예인절차

작성자바다사랑|작성시간14.01.03|조회수1,170 목록 댓글 0

 

 

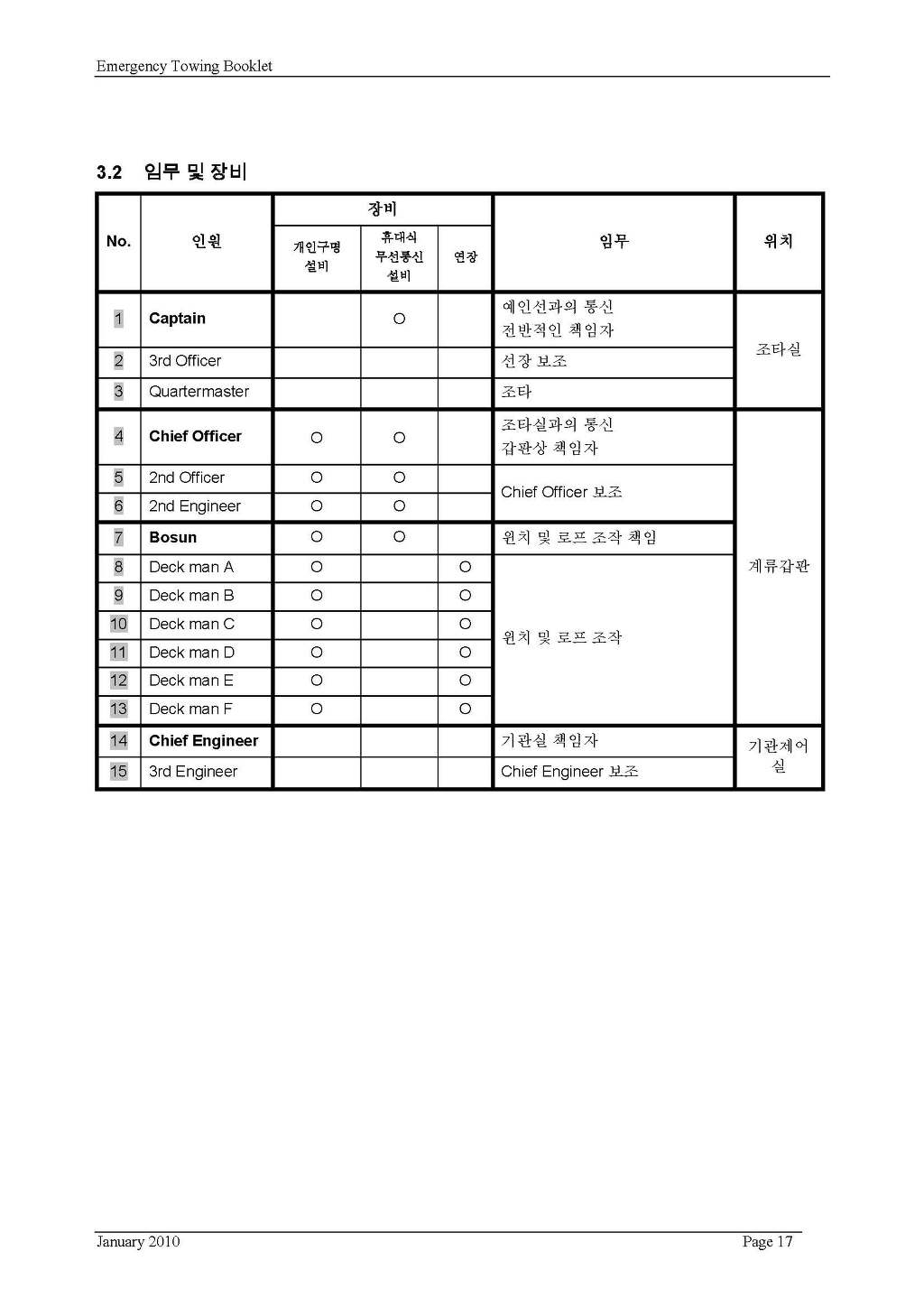
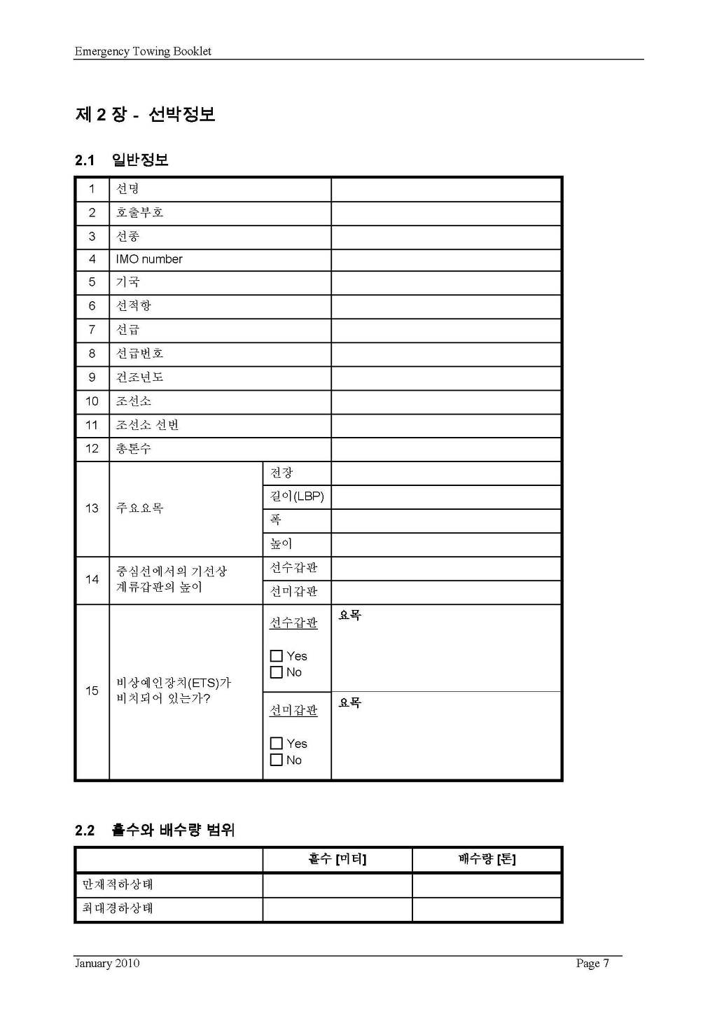
Res.MSC.256(84)에 의하여 2010년 1월 1일 발효된 개정 SOLAS Reg.II-1/3-4에 따라 모든 신선 및 현존여객선은 2010년 1월 1일부터, 현존화물선은 2012년 1월 1일까지 관련지침(MSC.1/Circ.1255)에 따라 작성된 비상예인책자(Emergency Towing Booklet)를 선사 및 선내에 비치하여야 함을 안내해 드린 바 있습니다.

한국선급에서는 국내 관련기관과 주요조선소와의 공동작업을 수행하여 비상예인책자의 국문판 및 영문판 서식 개발을 완료하고, 국내외 관련업계와 개발결과를 공유하고자 하오니 비상예인책자 작성시 참고하시기 바랍니다.

 

 

 

 

 

 

 

 

 

 

 

 

 

 

 

 

 

 

 

 

 

 

 

 

 

 

 

 

 

 

 

 

 

 

 

 

 

 

 

 


 

 

 

 

 

 

 

 

 

 

 

 

 

 

 

 

 

 

 

 

 

 

 

 

 

 

 

 

 

 

 

 

 

 

 

 

 

 

다음검색
현재 게시글 추가 기능 열기

댓글

댓글 리스트
맨위로

카페 검색

카페 검색어 입력폼