CAFE

자유게시판

VERTICAL DIFFUSION FURNACE(수직확산전기로)

작성자이정환|작성시간10.08.03|조회수9,894 목록 댓글 0

 

VERTICAL DIFFUSION FURNACE(수직확산전기로)

 

ꁾ 용    도

반도체 제조 공정에 있어 Si WAFER 표면을 온도를 이용, 확산시키는 장치.

 

ꁾ 동작원리

 

 

WAVES CONTROLLER에 입력된 PROCESS SEQUENCE에 따라 WAFER 는 LOADER부를 통해

 

HEATER 내부로 이송되어지고, N2 GAS의 유입과 온도 상승으로 확산 분위기가 형성된 HEATER 내

 

부에서 WAFER 표면에 원하는 만큼의 확산이 실시된다. 확산이 종료되면 HEATER 내부의 온도는 내

 

려가고 WAFER는 LOADER부를 통해 다시 밖으로 꺼내어지게 되며, PROCESS는 종료된다.

 

 

 

ꁾ 주요구성요소

  ꋮ MAIN BODY : 온도를 올려주는 HEATER부, WAFER를 이동시키는 LOADER부, PROCESS의 모든 조건을 맞추고 CONTROL하는 WAVES CONTROLLER로 구성되어 있으며, 본 설비의 가장 핵심적인 부분이다. 

 

 ꋮ UTILITY BOX : HEATER 내부의 확산 분위기 형성과 안정성을 위해 FLOW 되는 N2 GAS등의 유량을 제어하는 MFC 및 VALVE등으로 구성되어 있다.

 

 ꋮ POWER BOX : 전기 안전 장치 및 누전 차단기가 내장되어 있으며, 설비 전체의 POWER 공급을 제어한다.

 

 ꋮ RAPID COOLING UNIT : HEATER 외부의 열을 식혀주는  FAN(송풍기)와 송풍기를 제어하는 CONTROLLER가 내장되어 있다.

 

 

2. FURNACE의 개요

 

 

ꁾ 개    념

 

ꋮ DIFFUSION 공정의 개요

    

 DIFFUSION(확산)이란 입자의 농도 차에 의해 그 입자의 농도가 높은 쪽에서 농도가 낮은 쪽으로 퍼지는 현상을 말하는데, 반도체 제조 과정 중 필요한 부분에 불순물을 주입시키는 과정에서 확산기술이 이용되고 있다. 불순물을 주입하는 방법으로는 크게 2가지로 구분할 수 있는데, 그 중 하나는 웨이퍼가 적재되어 있는 고온의 전기로에 GAS 상태의 불순물을 흘려 실리콘 웨이퍼의 표면에 DOPANT를 얇게 증착한 후 열처리를(ANNEAL, DRIVEN‐IN)를 함으로써 실리콘 내부로 원하는 깊이만큼 불순물을 확산시키는 방법이다.

     다른 하나는 ION주입기(ION IMPLANTER)를 이용하여 주입하고자 하는 불순물을 이온화하여 고에너지 ION BEAM으로 가속시켜 실리콘 웨이퍼 내부로 주입하는 기술로써 주입하고자 하는 불순물의 양과 주입깊이를 정확하게 제어할 수 있기 때문에 반도체 제조 공정중 없어서는 안될 주요 공정으로 자리잡고 있다.

 

 

 ꋮ FURNACE의 기본 사양 이해

     반도체 제조 과정에서 열 산화막을 형성하는 장치를 FURNACE 장치라고 부른다. 실제로 FURNACE 장치는 성장시키고자 하는 막의 종류에 따라 여러 공정으로 분류될 수 있다. FURNACE 장치에서 진행하는 공정은 PYRO, ANNEAL, WELL 등의 DIFFUSION 공정 이외에 질화막(Nitride), D‐Poly, HLD, HTO 등의 LP‐CVD 공정도 진행한다.

     FURNACE 장치는 로가 수직으로 설치되어 있는지 또는 수평으로 설치되어 있는지에 따라 크게 2가지 형태로 구분한다. 로가 수직으로 설치되어 있는 FURNACE를 수직형 FURNACE (VERTICAL FURNACE)라고 하고, 로가 수평으로 설치되어 있는 FURNACE를 수평형 FURNACE(HORIZONTAL FURNACE)라고 부른다.

     과거에는 HORIZONTAL FURNACE가 많이 사용되었으나, 최근에는 장치의 설치 및 유지관리 (MAINTENANCE)측면에서의 편리성, 장치의 소형화에 따라 최소의 점유 면적으로 동일의 생산성을 얻을 수 있다는 점, 공정(PROCESS)적인 측면에서의 여러가지 장점이 있다는 VERTICAL FURNACE장치의 개발로 대부분의 반도체 제조 업체들이 VERTICAL FURNACE를 선호하고 있는 실정이다.

 

 

ꁾ FURNACE 구조

 

 ꋮ Furnace의 구성  

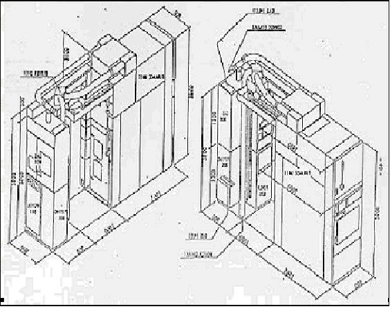
     그림 1‐1에는 전방‐우측에서 바라본 VERTICAL FURNACE의 모습과 후방‐좌측측에서 바라본 모습이 장치의 대략적인 크기와 함께 잘 나타나 있다. 또한 그림 1‐2에서는 여러 댓 수의 VERTICAL FURNACE를 설치했을 때의 장치의 배열을 보여 주고 있다.

     그림에서 알 수 있듯이 통상 VERTICAL FURNACE의 배열은 일렬로 나란히 배치하는데 이때 주의하지 않으면 안되는 것은 상호오염(Cross‐ Contamination)의 가능성이 있는 공정끼리는 같이 배열하지 않는 것이 좋다. 왜냐하면, 장치간 격리는 물론 되어 있다할지라도 FAB내의 공조 때문에 기류를 타고 오염원이 다른 장치 내로 유입될 가능성이 있기 때문이다.

     장치의 구성은 크게 2부분의 BODY로 나뉘어져 있다. 하나는 실제로 모든 작업이 이루어지는 FURNACE UNIT와 다른 하나는 전원, GAS, COOLING WATER등의 UTILITY를 공급해 주는 UTILITY UNIT이다. 이들 FURNACE UNIT와 UTILITY UNIT간에는 서로의 정보를 주고받고 제어할 수 있도록 CONTROLLER간에 전선과 UNIT간에 배관이 연결(CABLING)되어 있다.

 

 

ꋮ FURNACE UNIT

 

 

<그림 1‐2> VERTICAL FURNACE 배열

 

FURNACE UNIT에는 다음과 같이 6가지의 부분으로 구성되어 있다.

 

 

 ① LOADER/UNLOADER부는 장치에서 공정을 진행하기 위하여 웨이퍼가 적재되어 있는 CASSETTE를 장치에 넣거나, 공정 완료 후 CASSETTE를 빼내는 부분으로 CASSETTE STAGE라고도 부른다. 그림 1‐3에 앞에서 바라본 장치의 정면도를 나타냈다.

공정중 작업의 시작과 종료가 되는 부분이고, 통상 도입전에 웨이퍼의 FLAT ZONE을 맞출 수 있는 기능을 갖추어 놓고 있다. 도입된 CASSETTE는 장치 내부에 있는 CASSETTE 보관장소로 CASSETTE TRANSFER라고 하는 구동부(ROBOT)에 의해 옮겨진다. FURNACE 장치에서는 공정을 진행할 때 50~100매의 제품 웨이퍼를 한번에 LOADING하는 BATCH PROCESS를 일반적으로 사용한다. 그 이유로는 공정시간이 매우 길기 때문에(보통 4~6) 시간/공정)생산성측면에서 요구되어지기 때문이다.  

    

  

 ② CASSETTE TRANSFER부는 웨이퍼가 적재되어 있는 CASSETTE를 필요한 곳으로 이동시켜주는 구동부이다. LOADER/UNLOADER부에 도입된 CASSETTE를 장치내로(CASSETTE RACK) 반입시키고 공정이 완료된 CASSETTE를 LOADER/UNLOADER부로 반출하는 것을 담당한다.

  

 ③ WAFER TRANSFER부는 장치내로 반입된 웨이퍼가 담겨져 있는 CASSETTE로부터 웨이퍼를 꺼내어 BOAT실에 놓여있는 BOAT로 웨이퍼를 적재하거나 반대로 공정이 완료된 웨이퍼를 BOAT에서 CASSETTE로 반송시켜주는 구동부이다. 웨이퍼를 반송하는 TWEEZER의 재질은 고순도의 석영이나 알루미나를 사용하는데, 웨이퍼에 직접 접촉하는 물질이니 만큼 재질의 선정에 신중해야 하고, 오염을 방지하기 위하여 정기적인 세정이 필요하다.

       TWEEZER로 웨이퍼를 잡는 방식에는 2가지가 있는데(진공 흡착식과 FORK식)각각의 장단점이 있다. 또한 WAFER TRANSFER에는 TWEEZER의 간격을 가변할 수 있는 기능을 추가할 수 있는데 공정의 필요성에 따라 이 기능을 사용하여 BOAT에 웨이퍼를 적재할 때 웨이퍼간 간격(PITCH)을 조정할 수 있다.

 

 

 

<그림1‐3>VERTICAL FURNACE 장치의 정면도

 

④ BOAT 실에 놓여 있는 BOAT는 통상 고순도의 석영 재질로 만드는데, 1050 ℃이상의 고온공정에서는 공정 진행 중 석영 BOAT의 변형이 문제되므로 고순도 SIC 재질의 BOAT를 사용하기도 한다. 공정을 진행할 1BATCH의 WAFER들이 BOAT에 모두 적재되면, 실제 산화 및 확산공정이 진행될 고온의 반응로 내로 BOAT를 일정한 속도로 이동시켜 준다. 역시 반대로 공정이 완료되면 BOAT를 고온의 반응로로부터 BOAT실로 이동시켜 뜨거운 상태의 웨이퍼와 BOAT를 약 10 ~ 20분 동안 식혀준다.

      일정시간 경과 후 앞에서 설명한 WAFER TRANSFER와 CASSETTE TRANSFER에 의해 웨이퍼가 적재되어 있는 CASSETTE를 LOADER/ UNLOADER부로 반출시키면서 작업이 종료된다.

      한편, 실제로 산화막을 성장시키거나 불순물을 확산시키는 공정은 항상 고온으로 유지되고 있는 로내에서 이루어진다.

  

 

 ⑤ 고온로는 전기로인데 COIL에 의해 감겨져 있는 HEATER에 일정한 전압을 가함으로써 온도를 제어하게 된다. 고온로 내부에는 통상 BOAT와 같이 고순도의 석영재질의 TUBE가 장착되어 있다. 이 TUBE내로 WAFER가 적재된 BOAT가 LOADING되면 이미 입력된 일련의 절차에 의해 진행 하고자 하는 공정이 진행된다. 그림 1‐4에는 BOAT가 로내로 LOADING된 상태에서의 고온로를 보여주고 있다. 앞에서 설명하였듯이 통상 공정 진행은 이 고온로 내에서 50 ~ 150매의 제품 웨이퍼를 동시에 진행하기 때문에 온도의 안정된 제어가 필수적이다.

      최근의 장치는 온도 기술이 매우 발달되어 700 ~ 800 mm의 넓은 영역대에서 ±0.5 ℃의 오차범위로 온도를 정밀히 제어할 수 있게 되었으나, 웨이퍼의 대구경화에 따라 온도제어의 어려움은 여전히 있다.

 

 

  ⑥ 조작부는 LOADER/UNLOADER부를 통해 웨이퍼를 장치내로 반입(LOADING)하여 공정 완료후 다시 LOADER/UNLOADER부로 반출(UNLOAD)하기까지의 모든 구동부의 제어 조건과 공정 조건등 작업절차의 순서를 편집하거나 결과를 MONITOR하는 부분으로 장치내의 각 제어기와 정보를 주고 받으면서 전반적인 FURNACE 장치의 제어를 담당한다.

 

 

 

<그림 1‐4> VERTICAL FURNACE 장치의 고온로 내부 구조

 

    

   FURNACE UNIT에서 는 CASSETTE, WAFER및 BOAT를 반송시키기 위한 구동부가 많이 있고, 이들 여러 종류의 ROBOT들이 움직임이 있으니 만큼, 진동에 의한 PARTICLE의 발생이나 이동중 오염이 우려된다. 따라서 구동에 의한 분진의 발생을 최소화하기 위해서는 PARTICLE의 발생을 억제할 수 있는 각 구동부의 적절한 속도를 알아내어 관리, 유지하는 것이 필요하다.

      또한 장치 내부에 PARTICLE이 발생하였다 할지라도 이를 장치 외부로 흘려 내보낼 수 있도록, 장치 내부의 기류 제어를 위한 구성이 필수적이다. 이를 위해서는 우선 장치 내부에 기류가 정체되는 부분이 없도록 시스템 구성을 하여야 하고 구조에 알맞는 기류의 풍속과 풍량등을 찾아내어 제어 할 수 있어야 한다.

      고온에서 진행되는 열공정이므로 장치 내부를 구성하는 재료나 구동부에 사용되는 오일류등의 선택에 있어서도 세심한 주의가 요구되어 진다. 그림1‐5에는 FURNACE UNIT 내부에서의 기류 흐름의 예를 보여주고 있다.  

 

 

 

<그림 1‐5> FURNACE UNIT 내부기류의 흐름

  ꋮ UTILITY UNIT

     UTILITY UNIT에는 다음과 같은 요소들로 구성되어 있다.

 

 

① 전원부(POWER BOX)는 장치에 전원을 공급 해주는 부분으로, 고온로로 공급되는 고전압의 전원(200 ~ 220V)과 CONTROLLER로 공급되는 전원(100 ~ 120 VOLT)으로 나뉘어져 공급되는데, 안정된 전압을 전달하기 위하여 통상 TRANSFORMER를 통해 장치에 공급된다. CONTROLLER 전원은 순간 정전시에도 DATA의 보존을 위해 UPS(UNDROPPED POWER SUPPLY) 라고 하는 시스템을 통하여 공급된다.FURNACE 장치는 정밀한 온도 제어가 필요로 하기 때문에 전력 손실을 최소화하면서도 안정된 전원 공급이 필요하다.

  

 

 ② GAS 공급실(GAS BOX)은 공정에서 사용되는 GAS, 구동부를 동작시키거나 각종 밸브(VALVE)의 ON/OFF를 위한 AIR및 PROCESS VACUUM 등을 공급시켜 주는 부분이다.

       GAS관련의 모든 UTILITY들은 우선 이 GAS 공급실을 통해서 FURNACE 장치내의 각 필요한 곳에 연결 된 배관을 통해 GAS를 공급하는데, 안전을 위하여 항상 강제 배기가 되도록 되어 있고 GAS의 유량을 제어할 수 있는 MFC(MASS FLOW CONTROLLER)및 MFM (MASS FLOWMETER), 공급 GAS의 PARTICLE을 최종 걸러주는 필터(FILTER), GAS의 공급과 차단을 하기 위한 밸브(VALVE) GAS의 공급압을 조절할 수 있는 REGULATOR 등이 부착되어 있다. 공정용 GAS는 배관을 통해 고온로에 공급되는데, 이때 배관 또는 배관에 부착되어 있는 부품 등의 내부면이 거칠면 GAS가 흘러갈 때 PARTICLE을 발생시킬 수 있으므로 내부에 특수한 처리(EP처리 또는 UC처리)가 필요하다. 그림 1‐6에는 열산화 FURNACE 장치의 GAS 계통도를 보여 주고 있다.

  

 

 ③ 배관부(PIPING BOX)는 장치에 공급되는 COOLING WATER의 PIPE관이 설치되어 있는 부분으로 각 UNIT간 AIR나 VACUUM LINE의 연결은 이곳을 통하여 지나간다. COOLING WATER는 고온로에서 발산되는 열로부터 장치 및 부품을 보호하기 위해 이곳으로부터 필요한 곳에 공급된다.

 

 

 

<그림1‐6> FURNACE 장치의 GAS 계통도

 

ꋮ 압력 제어부

     압력 제어는 주제어부에서 REMOTE되어 제어된 디지털 연산제어식 압력계에 의해 MONOMETER 또는 PIRANI GAUGE의 실제 측정한 압력치와 주제어측에서 설정된 압력치와의 편차를 PID 연산에 의해서 MASS FLOW CONTROLLER을 직접 제어하는 DDC(DIRECT DIGITAL CONTROLLER)을  사용하고 있다. 각 GAS LINE은 독립적이고, 제어 방식은 그림1‐7과 같다.

  ꋮ 반송부

 

 

<그림 1‐7> FURNACE 압력제어

 

                                Lift ‐ Type                                           Chuck ‐ Type

 

                               

WAFER CASSETTE와 BOAT에서 PITCH가 다를 경우에는 WAFER CHUCK의 PITCH 가변 기구를 사용해서 조정할 수 가 있다. 또는, 낱장으로 동작할 경우에는 WAFER CHUCK의 회전 기구에 의해 5장의 WAFER CHUCK중에 4장을 회전시켜 1장만 동작시킬 수 도 있다.

  ꋮ 공정부      

 

 

 

     

DIFFUSION

      웨이퍼에 이온을 주입하면, 그 이온들은 웨이퍼 표면에 얕게 분포되어 있는데, 이것을 표면으로부터 깊숙하게 들어가게 해주는 process로서, 웨이퍼 표면의 이온들(dopant)에 장시간에 걸쳐서 고온의 열에너지를 공급함으로서 이온들은 활성화되어, 표면으로부터 깊숙히 확산되어 들어가게 된다.

     

 

OXIDATION

      Oxidation process란 wafer를 고온의 전기로를 통하여 열에너지를 공급받는 reactor에 넣은 후 O2를 reactor로 주입시켜서,wafer의 주성분인 표면의 Si(Silicon)과 O2(Oxygen)가 결합반응을 일으켜 SiO2 (Silicon Oxide)film으로 변화되게 하는 process 이다.

      wafer의 Si는 Si 원자들이 강하게 결합된 고체결정이므로 O2와 결합반응이 일어나려면 기체인 O2가 고정된 고체 Si에 다가가서 반응하게 된다. 이러한 산화반응에 의하여 SiO2 film이 wafer 표면으로부터 성장하여 두꺼워지려면 O2가 결합 반응하여 이미 생성되어 있는 SiO2 film layer를 뚫고 지나가야 하는데, 이때 분자크기가 작고 가벼울수록 통과하기가 용이해져 그만큼 성장속도가 빨라진다. 이러한 이유로 SiO2 film의 성장속도를 증가시키기 위하여 O2보다 분자크기가 작고 가벼운 H2O hume을 반응 gas로서 많이 사용하고 있다.

      H2O hume은 gas inlet 부분에 위치한 pyrogenic torch에 H2와 O2를 주입하여 연소시킴으로서 발생하는 것이며, 이 장치의 outlet을 reactor의 inlet에 연결시켜 반응용 gas로 들어가도록 구성되어 있다.

      O2를 사용하는 것은 DRY Oxidation process라고 하고,H2O를 사용하는 것은 PYRO or WET Oxidation process라고 한다.

    

사용가스

공정온도

Process의 목적

N2

800~

1200℃

고온의 열어네지로서 Wafer 표면에 주입된 이온을 확산운동시켜, Wafer 깊숙히 들어가게 함

O2

    

  N2 ANNEALING

     이온주입에 의한 표면의 결정이 손상된 웨이퍼나 불완전 결정으로 산화막/금속막이 증착된 웨이퍼 등을 반응로에 넣은 후 비반응성 가스인 N2를 넣어 반응실의 분위기를 N2 상태로 만든 후 적절한 열에너지를 공급하면, 손상된 결정이나 불완전 결정들이 매끄럽고 균질한 막으로 재 결정화된다.이와같이 열에너지를 공급하여 wafer 표면층을 재결정화 시키는 것을 N2 Annealing process라고 한다.

 

사용가스

공정온도

Process의 목적

Film 용도

N2

800~

1100℃

Wafer의 Si과 O2를 반응시켜 Wafer의 표면을 SiO2 film으로 growing시킴

절연체

유전체

O2, H2

H2 ANNEALING

     SPUTTERING으로 wafer에 만들어진 Al(Aluminium)film은 결정의 형태가 아닌 미세한 Al조각이 물리적으로 wafer 표면에 덧붙여진 형태로서 결정화 process가 필요하다. 이렇게 만들어진 Al film을 재결정화 하기 위하여 300 ~ 400℃의 온도가 유지되는 reactor 속으로 wafer를 넣은 후 H2를 채워주고 일정시간을 경과시키면, Al film이 결정화되고, 아울러 Al 원소간 불완전결합이 있는 곳에 H2가 결합원소로 들어가서 완전결합이 되게 함으로서 안정된 결정으로 만들어 준다.

    

사용가스

공정온도

Process의 목적

N2

150~

500℃

SPUTTERING 한 AL FILM을 H2와 열에너지로서 재결정화 완전 결합화시킴

H2

    

Si3N4 DEPOSITION

     reactor 속으로 SiH2Cl2와 NH3 GAS를 함께 주입시키면, 두 기체들은 열에너지를 받아 각각의 성분 원자들로 열 분해 됨과 동시에, Si원자와 N원자는 reactor 내부에 위치한 wafer 표면이나 반응관 내면의 표면 등 반응관 내부에 위치한 모든 고형물의 표면에서 결합반응을 일으키면서 달라붙는, 즉 증착 반응으로 Si3N4 (Silicon Nitride) deposition film을 입혀주는 reaction이 일어난다. 이 때 미처 열분해 되지 못한 gas나 열분해 된 후 결합반응을 하지 못한 gas 등의 잔류 gas는 진공배기펌프를 통하여 배기 된다.

     Si3N4 film은 유전체와 절연체 그리고 부분적인 ion implant나 oxidation을 하고자 할 때의 mask로 사용되고 있다.

사용가스

공정온도

Process의 목적

N2

300~

1100℃

결점이 있는 wafer 표면에 열에너지를 공급하여 결점이 소멸되도록 재결정화 시킴

O2

   

SiO2 DEPOSITION

     SiO2(Silicon oxide)film은 ‘1‐2‐2 OXIDATION’에서와 같이 wafer의 주성분인 Si를 Oxidation하여 만들 수도 있지만 이 경우 Si가 반드시 있어야 하므로 제한이 따른다. 즉 wafer를 반도체 chip으로 가공하는 FAB process가 진행되어 가면 wafer 위에 회로가 형성되어  얹혀지면서 wafer 본래의 성분인 Si이 덮혀지므로 OXIDATION으로 필요한 SiO2 film을 제작할 수 없는 상황이 된다. 이러한 경우 Si and O(oxigen)원소를 포함한 원료 gas를 사용한 deposition process로서 필요한 SiO2 film을 만들게 된다. SiO2 deposition에는 HTO(High Temperature Oxidation)process와 HLD(High temperature Low pressure Deposition)process가 주로 사용되어지고 있다.

     HTO process는 Si2H6,SiH4,SiH2Cl2 등의 gas중 한가지와 N2O gas를 원료 gas로 사용하여 SiO2 film을 deposition 하는 것이며, HLD는 TEOS [Si(C2H5O)4 : Tetra Eth Oxy Silan] 이라는 chemical을 85 ℃로 가열하여 기화된 gas를 reactor로 주입하여 deposition이 일어나게 하는 것으로서, LG반도체의 경우 HLD process를 주로 사용하고 있다.

     HLD process에서는 O2 gas도 주입시켜 주는데, 이 gas는 TEOS에서 분해된 C(carbon)를 산화시켜 gas인 CO2로 만들어 줌으로서, C가 검은 powder로서 reactor에 쌓이는 것을 예방하여 준다.

     이상의 설명에서와 같이, SiO2 deposition은 NITRIDE deposition과 비교할 때, 사용하는 원료 gas만 차이날 뿐 reaction 원리는 동일하다.

   

사용가스

공정온도

Process의 목적

Film 용도

N2

600~

4800℃

Si and O(oxigen) 원소를 포함한 원료 Gas를 사용하여, Wafer 표면에 SiO2(Silicon Oxide) film을 deposition process로서 입혀줌

절연체

유전체

Si(C2H5)

O2

  

ꋮ 전기로의 개념

 

 

 

① 저항로 : 저항로에는 철크롬선니크롬선 등의 전열선을 노(爐) 안에 시설하고, 이것에 전기를 흐르게 하여 피가열물을 가열하는 간접로, 탄소를 흑연으로 만드는 노와 같이 피가열물 자체에 전기를 흐르게 한 직접로가 있다. 간접로의 경우 노내 온도가 1,000℃ 이상 되는 노에서는 발열체(發熱體)로 탄화규소캔탈(코발트알루미늄크롬의 합금)선을 사용한다. 전원(電源)에는 3상 200V 또는 단상(單相) 100V가 사용되며, 소형인 것에서는 변압기로 20 ~ 40V로 낮추어서 급전(給電)하는 경우도 있다. 사용하는 전력은 수 kw ~ 100kw 이상의 것도 있다. 사용목적에는 용해가열소결(燒結)어닐링(annealing)담금질, 도자기 등의 소성(燒成) 등 여러 가지가 있다. 노안을 진공으로 하고 텅스텐을 발열체로 사용하여 3,000℃ 이상의 고온으로 할 수 있는 진공저항로도 있다.

  

 

② 아크로 : 제강용(製鋼用)으로 많이 사용되는 노이다. 노안에 놓인 피용융재와 3개의 전극사이에 아크의 형태로 전류를 흘려서 가열하는 것으로서, 전원은 3상교류, 용량은 수백 ~ 수천 kw에 이르는 대형의 것도 있다. 아크전류는 피용융재의 상황에 따라 변동하므로 전극의 위치를 항상 조정하여 아크전류를 가능한 일정한 값으로 유지하는 제어가 필요하다. 그렇게 해도 전류의 대폭적인 변동이 생겨서 같은 전원에 연결된 수용가(需用家)에서 전압변동이 일어난다. 이것을 플리커 현상이라고 하는데, 이를 줄이기 위한 대책이 문제가 된다.

  

 

 ③ 유도로 : 피가열물에 교류자기장을 가하여, 이 자기장에 의해서 피가열물 속으로 전류가 흘러 용융하는 것으로, 금속을 정제하는 데 사용되는 노이다. 따라서 유도로에는 이것을 둘러싼 코일이 있다. 이 코일에 보내는 교류의 주파수가 50 ~ 60Hz인 것을 저주파 유도로, l만 Hz 이상의 것을 고주파 유도로, l만 Hz 이하를 중간주파 유도로라고 한다. 중간 및 고주파로의 전원은 10khz까지는 고주파 발전기, 주파수가 그 이상인 것은 불꽃발진기진공관발진기 등에 의한다. 발전기의 용량은 수kw에서 큰 것은 2,000kw급의 것도 있다.

     ※ 전열(電熱, Electric heat)이란?

         전류를 통함으로써 열을 발생하게 하는 방법은 여러 가지가 있다. 전열선에 전류를 통하게 하거나, 아크가 발생하면서 전류를 흐르게 하든가, 금속과 같은 양도체에 전자유도작용으로 전류를 흐르게 하든가, 또는 절연체에 고주파전계를 인가할 때 발생하는 유전체손(誘電體損)을 이용하는 방법 등이 있으며, 이와 같이 전기에너지를 열에너지로 변환시켰을 때 발생하는 열을 통칭하여 전열이라 한다.

         전기에 의한 가열은 석탄이나 석유와 같은 화석연료를 사용할 때와 비교하여 보면 많은 이점이 있음을 알 수 있다. 첫째로, 손쉽게 더 높은 온도를 얻을 수 있으며 온도제어도 더 용이하다. 다음으로, 밀폐된 장소나 진공으로 된 장소 안에 있는 물체도 가열할 수 있으며, 연기도 나지 않고 재도 남지 않게 할 수 있다.

         전기에 의한 가열방법은 일반적으로 앞에서 말한 바와 같이 저항가열아크가열유도가열유전가열로 구분된다. 저항가열은 공업용영업용가정용차량용 등으로 많이 이용되고 있는 가열법이다. 아크가열은 피가열체 부근에 아크를 발생시켜 아크에 의한 열로써 가열하는 방법이며, 피가열체 자체를 한쪽의 전극으로 사용하는 직접 아크가열법과 그렇지 않은 간접 아크 가열법으로 구분된다. 아크가열은 제강(製鋼) 등 금속의 정제용으로 많이 이용되므로 대규모의 장치로 되며, 전원도 단상 또는 3상교류가 사용된다.

         유도가열은 피가열체 중에 일어난 전자유도작용에 의해 생기는 전류로 발열시키는 것이며, 전원으로서는 원리상 교류에 한정된다. 그 주파수로는 50 ~ 60 Hz의 상용주파수(商用周波數)를 사용하는 경우, 1만 Hz 정도의 중간주파수를 사용하는 경우, 또는 1만 Hz 이상의 고주파를 사용하는 경우가 있다. 용도로는 모두가 금속의 정제(精製)나 다른 공업용으로 사용되므로 사용하는 전력도 수천 kw 정도의 대규모가 된다.

         유전가열은 양도체가 아닌 피가열물체를 고주파전기장에 놓았을 때 발생하는 유전체손을 이용하여 가열하는 것이며, 목재플라스틱약품유리 등의 가열 등 적절히 이용하면 다른 가열방법으로는 얻을 수 없는 편리한 방법이 되며, 또 좋은 가열효과도 얻을 수 있다. 전자레인지 원리는 2,500 Hz 정도의 고주파전기장 안에 요리할 음식을 넣어 두는 것이며, 유전가열의 한 예에 속한다.

         이 외에 도료의 속성건조에 적외선을 조사하는 방법이 있다. 이것을 적외선가열이라고 하나, 넓은 의미에서 전열이용 분야에 속한다. 이 가열방법에는 주로 1 ~ 4 μm의 적외선을 내는 전구를 많이 장치해 둔 적외선로가 사용된다. 전열선에 의한 가열은 농업축산의 분야에도 많이 이용되고 있다. 예를 들면 벼의 모기르기, 벼의 건조, 양송이의 재배, 부화기(孵化器)에의 이용 등을 들 수 있다. 또 한랭지대에서 겨울에 도로면운동장주차장육교 등의 동결을 방지하기 위하여 노면 밑에 미리 전열선을 매립하여 시공한 후 필요에 따라 전기 가열하는 이용 방법도 점차로 보급되고 있다.

 

 

3. 분류이유

ꋮ 본건 물품은 확산공정에 사용되는 Furnace(노(爐))로서 확산(Diffusion)이란 입자의 농도차이에 의해 입자의 농도가 높은 쪽에서 낮은 쪽으로 퍼지는 현상을 말하는데 반도체 제조공정 중 필요한 부분에 불순물을 주입시키는 과정에서 확산기술이 이용되고 있으며 확산방법으로는

  

 ① 웨이퍼가 적재되어 있는 고온의 전기로에 GAS상태의 불순물을 흘려 실리콘 웨이퍼의 표면에 Dopant를 얇게 증착한 후 열처리 (Anneal, Drive‐IN)를 함으로써 실리콘 내부로 원하는 깊이 만큼 불순물을 확산시키는 방법.

 

 ② ION주입기(ION Implanter)를 이용하여 주입하고자 하는 불순물을 이온화하여 고에너지 이온빔으로 가속시켜 실리콘웨이퍼 내부로 주입하는 기술로서 주입하고자 하는 불순물의 양과 주입깊이를 정확하게 제어하는 방법이 있다.

 

ꋮ ITA(Information Technology Agreement : 정보기술협정) Attachment  A Section 2에 게기된 노와 오븐 및 가열기의 분류 유형을 보면

 

  ① 반도체 웨이퍼상의 반도체 소자 제조용의 저항가열식 노와 오븐(Resistance heated furnaces and ovens for the manufacture of semiconductor devices on semiconductor wafers)은 HSK 8514.10‐9011호에, 기타 반도체 제조용의 저항가열식 노와 오븐은  HSK8514.10‐9019호에 분류되며

 

  ② 반도체 웨이퍼상의 반도체 소자 제조용의 전자 유도식 또는 유전식의 노와 오븐(Inductance or dielectric furnaces and oven for the manufacture of semiconductor devices on semiconductor wafers)은 HSK8514.20‐9010호에 분류되고

  

  ③ 기타 방식의 노와 오븐 형태의 반도체 웨이퍼 급속가열기(Apparatus for rapid heating of semiconductor wafers)는 HSK8514.30‐1010호에 전자유도식 또는 유전식의 가열기(급속가열기포함)는 HSK8514.40‐1000호에 분류되며

  

  ④ 웨이퍼 급속가열기외에 저항가열식, 전자 유도식 및 유전식이 아닌 기타 방식의 노와 오븐은 HSK8514.30‐1090호에 분류됨.

ꋮ 본건 물품은 전기 고온로로서 Coil에 의해 감겨져 있는 Heater에 일정한 전압을 가함으로써 온도를 제어하는 장치로서 저항가열방식의 Furnace로서 반도체 웨이퍼상의 반도체 소자 제조용이므로 HSK8514.10‐9011호에 분류함.

    ⇒ 다만 진공시스템(pump system)을 부가하여 LP‐CVD공정의 막질형성용으로 사용되는 것은 HSK8479.89‐2020호에 분류함(본건물품은 진공시스템이 없음)

다음검색
현재 게시글 추가 기능 열기

댓글

댓글 리스트
맨위로

카페 검색

카페 검색어 입력폼