CAFE

전자공학/회로

질문있어요!

작성자댜댜댜|작성시간26.03.16|조회수30 목록 댓글 1

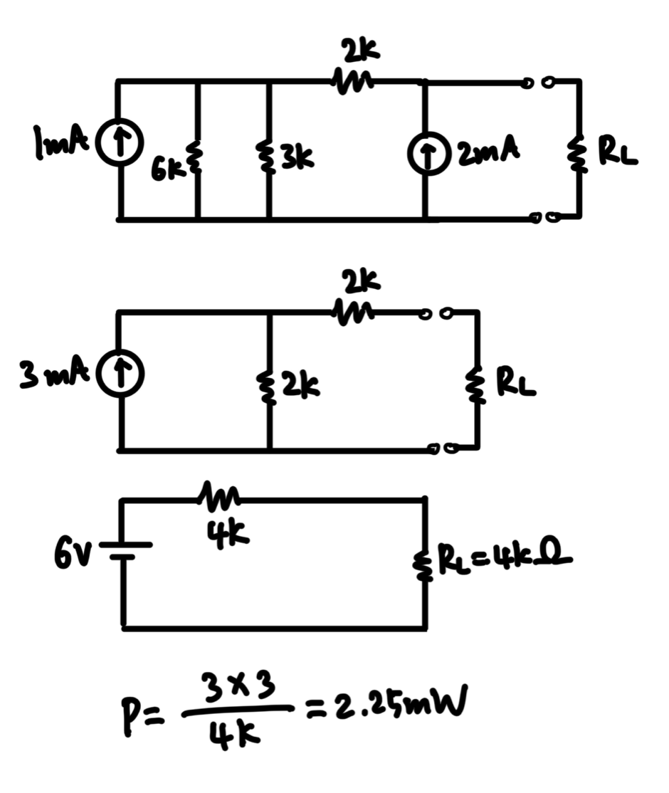
6V, 6k,3k저항으로 테부난 먼저 하고 풀면 답이 나오는데

6V, 6k 저항으로 노튼 먼저 하면 답이 왜 안나올까요ㅠㅠ

다음검색
현재 게시글 추가 기능 열기

댓글

댓글 리스트
  • 작성자최우영 | 작성시간 26.03.16 첫번째 그림에서 2번째 그림으로 변경시....
    전류원 1+2 =3이라고 풀이를 한 것이 잘못된 것입니다.

    이 회로에 위쪽 직렬로 연결된 2k 저항이 없을때는 가능한 풀이인데...
    그 저항이 있으면, 그냥 더하면 안됩니다.

    앞쪽부터, 차근히 전원변환을 해가시면 같은 결론이 나올 것입니다. ^^

    확인해보시고 안되면 다시 글 주세요...
댓글 전체보기
맨위로

카페 검색

카페 검색어 입력폼