
|
Number |
AN |
Remarks |
||||||||||
|
Thread |
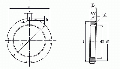
Dimensions(mm) |
Sleeve Number |
Washer |
Shaft |
||||||||
|
d2 |
d1 |
g |
b |
h |
d3 |
B |
r(最大) |
|||||
|
AN 02 |
M 15×1 |
25 |
21 |
21 |
4 |
2 |
15.5 |
5 |
0.4 |
- |
AW 02 |
15 |
|
AN 03 |
M 17×1 |
28 |
24 |
24 |
4 |
2 |
17.5 |
5 |
0.4 |
- |
AW 03 |
17 |
|
AN 04 |
M 20×1 |
32 |
26 |
28 |
4 |
2 |
20.5 |
6 |
0.4 |
04 |
AW 04 |
20 |
|
AN 05 |
M 25×1.5 |
38 |
32 |
34 |
5 |
2 |
25.8 |
7 |
0.4 |
05 |
AW 05 |
25 |
|
AN 06 |
M 30×1.5 |
45 |
38 |
41 |
5 |
2 |
30.8 |
7 |
0.4 |
06 |
AW 06 |
30 |
|
AN 07 |
M 35×1.5 |
52 |
44 |
48 |
5 |
2 |
35.8 |
8 |
0.4 |
07 |
AW 07 |
35 |
|
AN 08 |
M 40×1.5 |
58 |
50 |
53 |
6 |
2.5 |
40.8 |
9 |
0.5 |
08 |
AW 08 |
40 |
|
AN 09 |
M 45×1.5 |
65 |
56 |
60 |
6 |
2.5 |
45.8 |
10 |
0.5 |
09 |
AW 09 |
45 |
|
AN 10 |
M 50×1.5 |
70 |
61 |
65 |
6 |
2.5 |
50.8 |
11 |
0.5 |
10 |
AW 10 |
50 |
|
AN 11 |
M 55×2 |
75 |
67 |
69 |
7 |
3 |
56 |
11 |
0.5 |
11 |
AW 11 |
55 |
|
AN 12 |
M 60×2 |
80 |
73 |
74 |
7 |
3 |
61 |
11 |
0.5 |
12 |
AW 12 |
60 |
|
AN 13 |
M 65×2 |
85 |
79 |
79 |
7 |
3 |
66 |
12 |
0.5 |
13 |
AW 13 |
65 |
|
AN 14 |
M 70×2 |
92 |
85 |
85 |
8 |
3.5 |
71 |
12 |
0.5 |
14 |
AW 14 |
70 |
|
AN 15 |
M 75×2 |
98 |
90 |
91 |
8 |
3.5 |
76 |
13 |
0.5 |
15 |
AW 15 |
75 |
|
AN 16 |
M 80×2 |
105 |
95 |
98 |
8 |
3.5 |
81 |
15 |
0.6 |
16 |
AW 16 |
80 |
|
AN 17 |
M 85×2 |
110 |
102 |
103 |
8 |
3.5 |
86 |
16 |
0.6 |
17 |
AW 17 |
85 |
|
AN 18 |
M 90×2 |
120 |
108 |
112 |
10 |
4 |
91 |
16 |
0.6 |
18 |
AW 18 |
90 |
|
AN 19 |
M 95×2 |
125 |
113 |
117 |
10 |
4 |
96 |
17 |
0.6 |
19 |
AW 19 |
95 |
|
AN 20 |
M 100×2 |
130 |
120 |
122 |
10 |
4 |
101 |
18 |
0.6 |
20 |
AW 20 |
100 |
|
AN 21 |
M 105×2 |
140 |
126 |
130 |
12 |
5 |
106 |
18 |
0.7 |
21 |
AW 21 |
105 |
|
AN 22 |
M 110×2 |
145 |
133 |
135 |
12 |
5 |
111 |
19 |
0.7 |
22 |
AW 22 |
110 |
|
AN 23 |
M 115×2 |
150 |
137 |
140 |
12 |
5 |
116 |
19 |
0.7 |
- |
AW 23 |
115 |
|
AN 24 |
M 120×2 |
155 |
138 |
145 |
12 |
5 |
121 |
20 |
0.7 |
24 |
AW 24 |
120 |
|
AN 25 |
M 125×2 |
160 |
148 |
150 |
12 |
5 |
126 |
21 |
0.7 |
- |
AW 25 |
125 |
|
AN 26 |
M 130×2 |
165 |
149 |
155 |
12 |
5 |
131 |
21 |
0.7 |
26 |
AW26 |
130 |
|
AN 27 |
M 135×2 |
175 |
160 |
163 |
14 |
6 |
136 |
22 |
0.7 |
- |
AW27 |
135 |
|
AN 28 |
M 140×2 |
180 |
160 |
168 |
14 |
6 |
141 |
22 |
0.7 |
28 |
AW28 |
140 |
|
AN 29 |
M 145×2 |
190 |
172 |
178 |
14 |
6 |
146 |
24 |
0.7 |
- |
AW29 |
145 |
|
AN 30 |
M 150×2 |
195 |
171 |
183 |
14 |
6 |
151 |
24 |
0.7 |
30 |
AW30 |
150 |
|
AN 31 |
M 155×3 |
200 |
182 |
186 |
16 |
7 |
156.5 |
25 |
0.7 |
- |
- |
- |
|
AN 32 |
M 160×3 |
210 |
182 |
196 |
16 |
7 |
161.5 |
25 |
0.7 |
32 |
AW32 |
160 |
|
AN 33 |
M 165×3 |
210 |
193 |
196 |
16 |
7 |
166.5 |
26 |
0.7 |
- |
- |
- |
|
AN 34 |
M 170×3 |
220 |
193 |
206 |
16 |
7 |
171.5 |
26 |
0.7 |
34 |
AW34 |
170 |
|
AN 36 |
M 180×3 |
230 |
203 |
214 |
18 |
8 |
181.5 |
27 |
0.7 |
36 |
AW36 |
180 |
|
AN 38 |
M 190×3 |
240 |
214 |
224 |
18 |
8 |
191.5 |
28 |
0.7 |
38 |
AW38 |
190 |
|
AN 40 |
M 200×3 |
250 |
226 |
234 |
18 |
8 |
201.5 |
29 |
0.7 |
40 |
AW40 |
200 |
체결부와 피치를 잘못적어 재제작하는 일이 없도록 설계자가 신경을 많이 써야합니다.
애국(^^)하는 길이죠. 제가 잦은 실수를 해서리.ㅋㅋ