CAFE

[실기] 시험 준비

시퀀스도 궁금한 점 있습니다.

작성자20200426|작성시간20.09.08|조회수168 목록 댓글 5

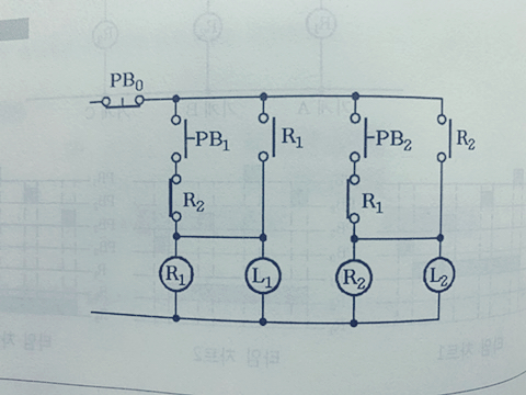
위에가 답안이고 아래가 제가 생각한 시퀀스도인데 병렬우선회로라고 해서 그렸습니다. 제가 보기엔 같은 회로인 것 같은데 혹시나 하는 마음에 여쭤봅니다.

다음검색
현재 게시글 추가 기능 열기

댓글

댓글 리스트
  • 작성자왕초보전기 | 작성시간 20.09.08 상관없지 않을까요?
  • 답댓글 작성자20200426 작성자 본인 여부 작성자 | 작성시간 20.09.08 그런가요? 감사합니다
  • 작성자육각형 | 작성시간 20.09.08 저도 이부분이 궁금했어요.
    저도 개인적으로 님과 같은 생각을 했거든요
  • 작성자요산요수 | 작성시간 20.09.10 둘 다 선입력 우선회로 입니다
  • 답댓글 작성자20200426 작성자 본인 여부 작성자 | 작성시간 20.09.10 감사합니다^^
댓글 전체보기
맨위로

카페 검색

카페 검색어 입력폼