CAFE

[실기] 타교재 질문

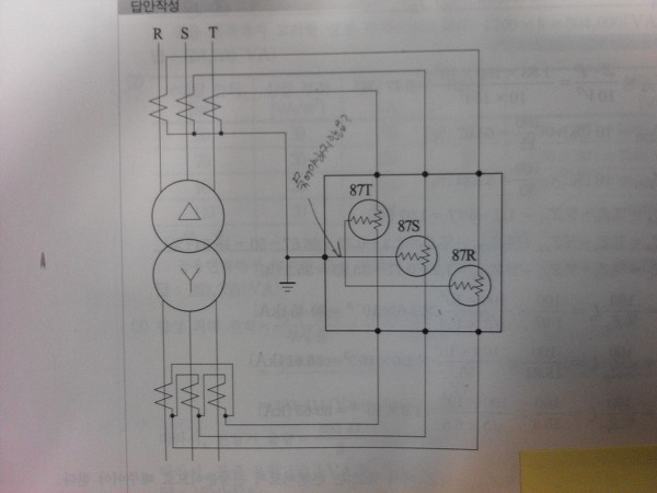
비율차동계전기 결선

작성자-화니-|작성시간14.04.10|조회수566 목록 댓글 3

 

 

 

문제는 델타와이결선인데 Y델타결선시에 그냥 그대로 위치만 바꿔서 위에처럼 그려도 돼는거죠?

 

그리구 저기 표시부분 묶어줘야맞는거죠??

다음검색
현재 게시글 추가 기능 열기

댓글

댓글 리스트
  • 작성자qweaax | 작성시간 14.04.10 기사는 난이도가 높나보네요..
  • 답댓글 작성자-화니- 작성자 본인 여부 작성자 | 작성시간 14.04.10 아무래도 산업기사보다는 ㅠㅠ
  • 작성자사시랑이 | 작성시간 14.04.11 네...맞습니다.
댓글 전체보기
맨위로

카페 검색

카페 검색어 입력폼