CAFE

[실기] 타교재 질문

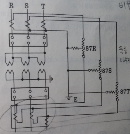
비율차동기결선 접지 도와주세요 ㅠㅠ

작성자부스러기|작성시간16.08.24|조회수443 목록 댓글 1

 

------------------------------------------------------------------------------------------------------------------

 

 

답안

 

 

질문입니다.

 

비율차동계전기 결선할때 접지부분이 궁금해서요 그냥 저렇게 표현하는 건지...

 

아니면 저게 오타난건지 공부잘하시는분들 도와주세요....

다음검색
현재 게시글 추가 기능 열기

댓글

댓글 리스트
  • 작성자사시랑이 | 작성시간 16.08.24 안녕하세요..

    교재처럼 접지를 그려주시면 됩니다.
댓글 전체보기
맨위로

카페 검색

카페 검색어 입력폼