CAFE

[스크랩] 각종계전기 내부결선도 및 접점 이해

작성자오리스타|작성시간15.02.07|조회수8,623 목록 댓글 14

시퀀스제어

▲ 시퀀스 제어란 ? 
  
    - 미리 정해진 순서나 시간 지연 등을 통해서 각 단계별로 순차적인 제어동작

      으로 전체 시스템을 제어하는 방법.
       () 승강기 제어, 모터 On-Off 제어, 세탁기 제어   

 

    - 미리 정해 놓은 동작 순서에 따라 각 순서대로 동작하는 전기회로를 말한다.
      (예) ① 문이 열리고 -> ② 물건이 들어가고 -> ③ 다시 문이 닫히는 동작
      이런 동작을 위해서 시퀀스 회로는 
     ① 번이 우선 실행하고 -> ② 번 실행 -> ③ 번 실행 등의 순서로 동작해야
         한다. 
 
■ 무접점과 유접점 기본 회로
 
가. AND gate   (  ⓧ = A?B  )
       두 개의 접점 A, B 가 모두 동작해야 출력되는 회로를 말한다.

나. OR gate  (  = AB  )
       두 개의 접점 중 하나만 동작해도 출력되는 회로를 말한다.

다. NAND gate
    - NAND gate는 AND gate 에 NOT를 취한 것으로 AND의 부정이다.
    - NAND gate는 AND gate를 암기하면 쉽게 해결된다. 

라. N0R gate
    - NOR gate는 OR gate에 NOT를 취한 것으로 OR의 부정이다.
    - NOR gate는 OR gate를 암기하면 쉽게 해결된다. 

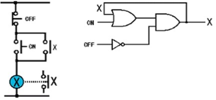
마. 자기유지회로
    수동 조작하여 접점을 ON하면 자동복귀 되지만 접점 X가 ON 되어 계전기
   ⓧ가  스위치를 off할 때까지 계속 작동한다. 반드시 알아두어야 한다.

 

 

 

▲ 시퀀스 제어기기의 종류

 

     가. 입력기구 : 수동 스위치 , 검출 스위치 및 센서

          (1) 스위치(Switch) ; 회로의 개폐, 또는 접속 변경 등의 작업 수행
            - 복귀형 수동 스위치
             ⇒ 조작중에만 접점 상태가 변하고 조작을 중지하면 원래상태로
                 복귀하는 스위치
                ( push-button switch(PBS<PB<BS)와 foot switch )
           -  유지형 수동 스위치
             ⇒ 조작하면 접점의 개폐 상태가 그대로 유지되는 마이크로 스위치,
                 텀블러 스위치, 셀렉터 스위치 등
           - 검출 스위치
             제어 대상의 상태, 또는 변화를 검출하는 리밋 스위치, 센서가 
                 있고  위치, 압력, 힘, 빛, 온도, 수위, 속도, 전압, 전류 등의 물리
                 량의 검출과 고장,제품 수리등의 검출에 사용
                 ( Limit s/w, Photo s/w, Proximity s/w 등 )
         (2) 전자 계전기 ( Magnetic Relay ) ; 전자력에 의하여 접점을
                                                                 개폐하는 제어 장치
           - 보조 릴레이, 전자 개폐기(MC)
 
     나. 출력기구 : 전자 개폐기(MC), 전자 밸브(SV), 솔래노이드(Sol)
                             표시 램프 (Pilot Lamp), 경보기구 (Buzzer, Bell)
 
     다. 보조기구
          - 보조 릴레이, 논리소자, 타이머 소자, 입출력 소자, PLC 장치
 
  

   1. 푸시 버튼 스위치  

        - 푸시 버튼 스위치(PBS : Push Button Switch)는 수동으로 보턴을 누르면
          접점 기구부가 개폐동작을 행하여 전로(電路)를 개로 또는 폐로

 

  

2. 릴레이(Relay)

        - 전자계전기라고도 불리며, 전자석에 의한 철편의 흡입력을 이용해서
          접점을 개폐하는 기능을 가진 제어기기

 

 

 

   3. 타이머 (Timer)

 

 

3.1. 타이머 (Timer) 동작형식에 따른 분류

 
       가. 동작시간이 늦은 한시 동작 타이머 (ON Delay Timer)
           - (On delay timer, 시한 동작 순시 복구형)
           - 타이머 코일에 전기를 공급(여자됨->동작하지 않음)
           - 정해진 시간(t)가 지나면 타이머가 동작 : 시한동작
           - 전기를 끊으면 복구
 
      나. 복귀시간이 늦은 한시 복귀 타이머 (OFF Delay Timer)
           - (Off delay timer, 순시 동작 시한 복구형)
           - 타이머 코일에 전기를 공급(동작함)
           - 전기를 끊으면 순간 복구하지 않고
           - 정해진 시간(t)가 지나면 타이머가 복구 : 시한복구
 
      다. 동작과 복귀가 모두 늦은 순한시 타이머 (ON OFF Delay Timer)
           - (On Off delay timer, 시한 동작 시한 복구형)
           - 타이머 코일에 전기를 공급(여자함->동작하지 않음)  
           - 전기를 넣으면 바로 동작하지 않고 t초 후에 동작하고,  
           - 전기를 끊으면 순간 복구하지 않고 t초 후에 타이머가 복구
 
     
1.         1) 한시 동작 타이머 :
              - 온 딜레이(ON Delay) 타이머  => 시한 동작 순시 복구형
             전압을 인가하면 일정시간이 경과하여 접점이 닫히고
             (또는 열리고), 전압이 제거되면 순시에 접점이 열리는
             (또는 닫히는) 동작  

 

- 타이머 코일에 전기를 공급 ( 여자됨 -> 동작하지 않음 )

                 정해진 시간(t)가 지나면 타이머가 동작  : 시한동작, 전기를 끊으면 복귀
  
            2) 한시 복귀 타이머 :
            오프 딜레이(OFF Delay) 타이머  - 순시 동작 시한 복구형
            전압을 인가하면 순시에 접점이 닫히고(또는 열리고), 전압이
            제거된 후 일정시간이 경과하여 접점이 열리는(또는 닫히는)동작 

 

 -  타이머 코일에 전기를 공급(동작함) 전기를 끊으면 순간 복구

                 하지 않고, 정해진 시간(t)가 지나면 타이머가 복구 : 시한복구
  
            3) 순한시 타이머 : 온오프 딜레이(ON-OFF Delay) 타이머 
             - 시한 동작 시한복귀형 : 전압을 인가하면 일정시간이
               경과하여 접점이 닫히고(또는 열리고), 전압이 제거되면 일정

               시간이 경과하여 접점이 열리는(또는 닫히는) 동작

 

 

타이머 코일에 전기를 공급 ( 여자함->동작하지 않음 )  

                 전기를 넣으면 바로 동작하지 않고 t초 후에 동작하고,  
                 전기를 끊으면 순간 복구하지 않고, 정해진 시간(t)가 지나면
                 타이머가 복구
 
 
 
    4. 전자 개폐기
 
        가. 전자개폐기 = 전자접촉기 (MC) + 열동형과부하계전기(THR)을

                          조합한 것 (MS : Magnetic Switch)

  

 

     나. 전자 개폐기  접점 (1)

 

 

   다. 전자 개폐기  접점 (2)

 

5. 전자 접촉기

 
        - 전자접촉기의 전자코일(MC)에 전류가 흐르면 고정 철심이 전자석
        으로 되어 가동철심을 흡인하여 가동 철심에 부착된 주접점과

        보조접점을 폐로하고, 전자코일에 전류가 흐르지 않으면 개로한다.

 

 

 

 

 6. 열동형 과부하계전기, 서멀 릴레이 (THR)    

       (Thermal Overload Relay)
        -  주회로에 삽입된 히터에 과전류(모터 등의 과부하 전류) 흐르면 바이
           메탈이 열을 받아서 굽어져 접점이 동작한다.  

 

 

 

다음검색
현재 게시글 추가 기능 열기

댓글

댓글 리스트
  • 작성자빠루 | 작성시간 15.06.03 감사합니다.
  • 작성자흑풍 | 작성시간 15.12.09 좋은 정보 감사합니다
  • 작성자이번이마지막사람 | 작성시간 16.05.12 좋은정보 감사합니다!
  • 작성자실무에충실 | 작성시간 16.05.30 좋은자료네요 ㅋ
  • 작성자천애 | 작성시간 16.10.12 감사합니다. 좋은자료네요
댓글 전체보기

카페 검색

카페 검색어 입력폼