제1장 지중선 일반
1. 지중선로 적용기준 (설계기준 5001-5)
지중선로는 주요지역의 미관확보와 가공선로 시설이 불가능하고 유지보수가 곤란한 지역 등에 시설함을 원칙으로 적용개소는 다음과 같다.
ㅇ 전기설비기술기준, 기타관계 법규(도로법, 도시계획법, 건축법, 하천법, 공원법, 소방법 등에 의해 제한을 받아 가공선로를 시설할 수 없는 개소
ㅇ 지중공급지역, 지중배전 공급예정지역, 지중화 확정지역에서 배전선로를 시설하는 경우
ㅇ 행정관서 또는 고객의 요청으로 지중선로로 공급하는 것이 타당하다고 인정되는 개소
ㅇ 발변전소 인출구 등 회선수가 많아 가공전선로로 시설하기가 곤란한 개소
ㅇ 장경간으로 가공선로 시설이 곤란한 개소
ㅇ 기타 시설방법, 보안상 및 기술적으로 지중선로로 시설함이 타당하다고 인정되는 개소
2. 지중선로 현황
가. 지중화 추진 배경
우리나라의 가공배전선지중화는 1973년 효자동에서 광화문구간까지 복잡하게 시설되어 있는 배전선을 전선정비측면에서 간선도로변의 전주를 뒷골목에 이설, 저압케이블을 사용 주상변압기로부터 인근 수용가를 공급함으로써 시작되었으며, 그 이후 다음과 같이 계획되어 확장되고 있다.
ㅇ '75. 9 : 서울 4대문안 주요간선도로변 지중화지시 (대통령)
ㅇ '82. 1 : '86 아시안게임 및 '88 올림픽경기 대비 지중화계획 수립
ㅇ '85. 4 : 지중화 계획보고 (1986 ∼2001) (한전 → 동자부)
ㅇ '85. 6 : 지중화계획 추진지시 (동자부 → 한전)
ㅇ '86∼ : 서울중심부, 6대도시 등 지중화 필요지역 선정 시행
나. 지중화 사업
(1) 가공배전선 지중화
1975년 9월 서울시내 4대문안 주요간선도로변에 복잡하게 시설되어 있는 가공선(전화, 전력선 등)을 정비토록 됨에 따라 서울시 주관으로 관련부서간 실무자회의를 통해 지중화 사업계획(1977 - 1981, 32km)을 수립.
ㅇ 1977년도 서울역에서 시청간의 지중화설계시 접속자재는 외자를 사용하였으며 개폐기 대신에 분기접속재를 사용 계통을 구성함.
ㅇ 1978년 남대문에서 안국동, 종로, 청계천의 지중화 계시는 지상변압기, 개폐기(6.6kV O.S를 철재함에 내장) 설계 시공함.
이후 도시미관 개선에 대한 지중화사업의 필요성을 인식하여 가공선 지중화사업이 계속되고 있으나 지상기기 공간확보 문제점 등에 의해 사업추진이 어려운 상황임.
(2) 지중배전 계획사업
가공선로 구성이 기술적으로 불가능하고 유지보수가 곤란한 지역으로 변전소 건설시나 기존변전소 주변압기 증설시 다회선의 배전선을 인출하기 위해 전력구 또는 배전지중 대비관로를 시설하여 장차 부하증가에 대비한 배전선을 지중화함
ㅇ 가공선이 집중되어 있는 변전소 인출 부근
ㅇ 고가도로, 고속도로, 철도 등을 횡단하는 장소
ㅇ 부하밀도가 높고 고층빌딩으로서 공급여력을 확보하는데 다회선 구성이 기술적으로 곤란한 개소
ㅇ 사업비지원, 지역주민 및 행정관서와 업무협조가 원활한 지역등
(3) 신규개발단지 조성에 따른 지중화
도시계획권자가 도시환경 미화, 도로중복 굴착으로 인한 교통체증, 시민생활 불편 및 예산 절감을 위해 처음부터 개발단지내에 공동구를 건설, 전력선을 지중으로 건설토록 도시계획함에 따라 행정부처와 협의하여 추진하는 사업으로 예를 들면, 여의도, 목동지역, 중문관광단지, 보문단지, 상계, 중계, 구미, 평촌, 산본, 시흥 지구 등이 적용되고 있다.
다. 지중선 설비
ㅇ 설비 현황
|
구 분 |
케이블 (C- km) |
변압기
(대) |
개폐기
(대) |
맨 홀 핸드홀 (개) |
관 로
(km) |
|
'97. 12 |
13,382 |
18,449 |
14,442 |
24,707 |
3,615 |
|
'98. 12 |
14,600 |
19,504 |
16,054 |
26,542 |
4,382 |
|
증가율(%) |
9.1 |
5.7 |
11.2 |
7.4 |
21.2 |
* 가공전선 전년대비 증가율 : 4.5%
ㅇ 연도별 지중화율
|
년 도 별 |
'93 |
'94 |
'95 |
'96 |
'97 |
'98 |
'99 예상 |
|
지중화율 (%) |
6.0 |
6.6 |
7.3 |
7.9 |
8.4 |
8.9 |
9.4 |
* 최근 5년 평균증가율 : 0.3%
ㅇ 주요도시별 지중화율('98.12)
|
도 시 명 |
서 울 |
인 천 |
대 전 |
대 구 |
광 주 |
부 산 |
|
지중화율 (%) |
45.34 |
28.11 |
23.04 |
13.26 |
20.2 |
21.88 |
* 외국 주요도시 지중화율('96)
런던(100%), 파리(100%), 동경(40.4%)
3. 지중전선로 공사방식
가. 종류 및 적용 기준
(1) 직매식
전력케이블을 직접 지중에 매설하는 방식으로, 일반적으로 케이블보호재로서 트러프(trough)를 사용하여 케이블을 보호하며, 모래를 충진한 뒤 뚜껑을 덮고 되메우기 한다. 그러나 이 방식은 케이블 교체시에 도로굴착이 수반되어 현재는 거의 사용되지 않고 있다.
ㅇ 케이블 회선수가 2 회선 이하
ㅇ 장래 회선증설이 예상되지 않는 경우
ㅇ 추후 굴착이 용이한 경우
ㅇ 기타 여건상 부득이한 경우

<그림 1-1> 직매식 단면도
(2) 관 로 식
합성수지관, 강관, 흄관 등 관재(pipes)를 사용하여 관로를 구성한 후 케이블을 부설(敷設)하는 방식으로써, 일정 거리의 관로 양끝에는 맨홀을 설치하여 케이블을 설치하고 접속한다. 유지보수의 편이성으로 현재는 주로 이 방식이 사용되고 있다.
ㅇ 케이블 회선수가 3회선 이상 9회선 미만
ㅇ 장래 회선증설이 예상되는 경우
ㅇ 도로예정지역으로 도로포장계획이 있는 경우
ㅇ 직매식이 불리한 경우
<그림 1-2> 관로식 단면도
(3) 전 력 구 식
터널(tunnel)과 같은 상부가 막힌 형태의 지하구조물로써 내부 벽측에 케이블을 부설하고 유지 보수작업을 위한 작업원의 통행이 가능한 크기로 건설비가 많이 소요되고 케이블 화재시에 큰 피해가 예상되는 방식으로 보통 다음과 같은 경우에 적용한다.
ㅇ 케이블 회선수 9회선 이상
ㅇ 도로양측에 관로의 분할시공(8공 이하)이 불가능할 경우
ㅇ 발·변전소의 케이블 다회선 인출개소
ㅇ 직매식, 관로식이 곤란한 경우

<그림 1-3> 전력구 단면도
【참고】
o 덕트식 : 발변전소의 구내 등에서 관로나 전력구로 시설하기가 곤란하고 중량물의 영향을 받을 우려가 없는 경우에 설치하며 상부전체가 개폐가능한 형태의 지하구조물
o 공동구 : 도시계획법에 의거 동일구조물내에 소유주가 다른 2이상의 시설물을 설치하여 공동으로 사용하는 지하구조물
나. 공사방식별 장단점
|
구 분 |
장 점 |
단 점 |
|
직매식 |
- 공사비 저렴 |
- 외상사고 발생우려 |
|
관로식 |
- 증설, 철거 용이 |
- 회선량 많을수록 송전용량 감소 |
|
전력구식 |
- 다회선 포설 용이 |
- 공사비 고가 |
4. 지중선로 특징
|
구 분 |
지 중 전 선 로 |
가 공 전 선 로 |
|
공급능력 |
- 동일 루트(route)에 다회선 가능하여 도심지역에 적합 |
- 동일 루트(route)에 4 회선이상 전력공급 곤란 |
|
외부영향 |
- 외부 기상여건 등의 영향 거의 없음 |
- 전력선 접촉이나 기상조건에 정전빈도 높음 |
|
유지보수 |
- 설비의 단순고도화로 보수 업무 비교적 적음 |
- 설비의 지상노출로 보수업무 많은 편임 |
|
환경미화 |
- 쾌적한 도심환경 조성 |
- 도심환경 저해요인 |
|
건설비 |
- 건설비용 고가 |
- 지중설비에 비해 저렴 |
|
건설기간 |
- 장기간 소요 |
- 단기간 |
|
고장복구 |
- 고장점 발견이 어렵고 복구 어려움 |
- 고장점 발견과 복구 용이 |
|
송전용량 |
- 발생열의 구조적 냉각장해로 전선에 비해 낮음 |
- 발생열의 냉각이 수월해 송전용량이 높은 편임 |
|
고장형태 |
- 외상사고, 접속개소 시공 불량에 의한 영구사고 발생 |
- 수목접촉 등 순간 및 영구 사고 발생 |
5. 계통구성 방식
가. 검토 사항
(1) 수용가의 공급신뢰도 유지 수준(고장시 정전범위와 시간)
(2) 지역의 특성과 동향(상가·주택지역, 도로정비상황, 장래 지역동향)
(3) 수요의 특성과 동향(부하밀도, 부하 구성상태, 장래 수요동향)
(4) 설비 운영과 보수의 용이성
(5) 타계통과의 연계
나. 특고압 지중배전계통
(1) 방사상(防射狀, radial system) 방식

ㅇ 특 징
- 전원변전소로 부터 1 회선 인출 수용가 공급
- 경제적 공급방식
- 신규부하 증설 용이
- 케이블 고장, 공사, 설비점검시 모든 수용가 정전
- 지중선 계통 부적합
(2) 상용예비선 전환방식(spare line transfer system)

ㅇ 특 징
- 일반적으로 서로 다른 변전소나 뱅크(bank)에서 본선과 예비선 인출
- 상시 본선으로 공급하고 본선로 고장이나 공사시 예비선으로 전환 공급
- 예비선 전환시 순간정전 내지 단시간 정전 수반
- 개폐기 전환방식
. 자동전환 (ALTS) 방식
. 원격조작 (remote control) 방식
. 수동조작 방식
(3) 환상 공급방식

ㅇ 특 징
- 순수 환상방식(loop system)
. 동일 변전소 동일 뱅크(bank) 에서 2 회선으로 상시 공급
. 선로고장시 고장구간 양측의 계전기 통해 차단기를 동작
. 건전선로에 의한 수용가 무정전 공급 가능
. 보호 및 차단장치 등으로 설비구성 고가
- 개방 환상방식(open loop system)
. 동일 변전소 동일 뱅크 또는 변전소나 뱅크를 달리하여 양계통을 연계하고 선로 부하중심을 상시 개방 운전
. 선로고장시 고장점 탐색 및 개폐기 조작방식에 따라 정전시간 좌우
. 설비의 경제적 이점 등으로 실제 지중계통에 많이 적용
(4) 스포트 네트워크 방식(spot-network system)

ㅇ 특 징
- 일반적으로 동일 뱅크(bank)에서 보통 3회선을 인출하여 필요 개소에서 각각 분기하고 차단기나 단로기를 거친 후 변압기와 연결
- 변압기 2차측에 퓨즈(fuse)와 차단기로 구성된 네트워크 프로텍타(network protector)를 통해 2차측 모선이 서로 연결되어 각 변압기 병렬운전
- 변압기 1차측 1선로 고장시 나머지 2회선으로 2차측 병렬 모선을 통해 부하측에 무정전 전력공급할 수 있으나 공사비 고가
- 선진외국의 경우 대형빌딩 단위로 본 공급방식이 보편화
- 우리나라의 경우 아직 한군데도 적용되어 있지 않음
|
- 부하 적응성 : 500 ~ 10,000㎾ 범위 부하공급 |
(5) 혼합 방식

다. 저압 지중배전계통
(1) 방사상 인입방식

ㅇ 특 징
- 변압기에서 수용가에 단독으로 인입
- 변압기 주변 케이블 매설량 과다
- 공급신뢰도 양호하나 비경제적
(2) π 형 인입방식

ㅇ 특 징
- 고압계통의 환상방식(loop system)처럼 수용가를 π 형상으로 연결하고 말단에서 타변압기와 연결
- 케이블의 용량은 모든 부하에 의해 결정되어 케이블이 굵어짐
- 케이블고장시 부하절체 가능
- 공급신뢰도가 특히 요구되는 수용이나 지역 적용
(3) Τ 형 인입방식

ㅇ 특 징
- 저압 간선케이블에서 인입케이블을 Τ분기하는 방식
- 간선케이블 고장시 모든 수용 정전
- 부하변동에 따른 전압변동 발생
- 공급신뢰도나 전압변동률이 타공급방식에 비해 떨어짐
(4) 혼합 방식

ㅇ 특 징
- 방사상과 Τ형 혼합방식
- 우리나라에서 적용
(5) 레귤라 네트워크(regular network) 방식
ㅇ 특 징
- 고압계통의 스포트네트워크 방식과 같이 보통 3회선의 1차선로에서 Τ분기하여 단로기를 거쳐 변압기와 연결
- 변압기 2차측은 네트워크 프로텍타(network protector)를 통해 그리드(grid) 케이블로써 각 변압기가 상시 병렬운전
- 그리드(grid) 케이블은 한류(限流)퓨즈(limiter fuse)와 접속
- 스포트네트워크 방식은 변압기 2차측이 단일모선이나, 레귤라 네트워크 방식은 그리드케이블로써 환상(loop) 형태
- 스포트네트워크와 같은 무정전 공급방식으로 공급신뢰도 우수
- 전압변동률이 작으나 설치비 고가
(6) 저압 뱅킹(banking) 방식

ㅇ 특 징
- 1회선의 동일선로에 여러대의 변압기를 접속
- 변압기 2차측을 상호 접속하여 변압기 병렬운전
- 2차측 모선을 통해 부하 전력공급
- 공급신뢰도 높은 편임
- 전압강하, 전력손실 작음
- 신규 부하증설 용이
- 캐스케이딩(cascading) 현상(고장 보호협조 불량시 건전변압기 과부하 등에 의한 광범위 정전초래) 발생 가능
제2장 전력 케이블공사
1. 전력케이블의 종류
전력케이블은 절연체 재료로 구분하여 다음과 같이 대별된다.

☞ 케이블 구성 형태 : 사용목적이나 용도에 따라 케이블 외장재료와 구성이 달라짐
2. 배전용 CNCV 케이블
CV 케이블은 폴리에틸렌을 가교하고, 분자를 입체망 구조로 해서 폴리에틸렌의 결점인 열연화성을 대폭적으로 개선한 것으로 차폐층이 동테이프로 된 CV-CU케이블(통상 CV 케이블로 불린다)과 동선으로 된 CNCV
케이블로 구분된다.
가. 구 조

나. 구성요소별 특성
ㅇ 도 체
- 종류 : 구리(Cu), 알루미늄(Al)
- 규격 : 상시, 단시간, 단락시 허용전류 고려 결정
- 수밀도체 : 수밀 콤파운드(carbon black 포함) 사용
- 구 조 ┬ 단 선 : 원 형
│ 부채꼴형
└ 연 선 : 원 형
압 축(성 형, 분 할(보통 1,000㎣ 이상), 성형)
성 형
ㅇ 내부 반도전층
- 도체면의 전하분포를 고르게 하여 절연체의 절연내력 향상 :
주로 6.6㎸ 이상 적용
- 도체와 절연체간의 간극형성 방지 : 코로나방전 방지,이온화
(오존 O3 발생) 방지
- 케이블제조시 절연물의 도체내 침투 방지
- 절연체 및 외부반도전층과 동시 성형압출
ㅇ 절 연 체
- 구비조건 : 파괴전압 높고, 절연성능 장기간 안정, 유전손실 적고, 내트링(treeing), 내코로나, 내열성, 내오존성
- 가교폴리에틸렌 절연체(반복임펄스특성 열등) 사용
- 연속사용온도 : 90℃ (단시간 : 105℃ , 단락시 온도 : 230℃ )
☞ 가교폴리에틸렌 케이블(CV : cross-linked polyethylene insulated
polyvinyl chloride sheathed cable, 600V 이상)
- 특성
· 유전손실, 절연저항 등 전기적 특성 양호
· OF나 EP 고무 등에 비해 내코로나, 반복임펄스 특성 열등
· EV에 비해 내열성, 온도특성, 기계적 성능(내균열성, 내마모성, 인장강도등) 및 내유(耐油), 내약품성 등 화학적 특성 개선
· 분자구조의 입체망상화 (立體網狀化)

<그림 2-1 EV와 CV의 분자 구조 비교 >
ㅇ 외부 반도전층
- 전기력선 분포 개선 : 절연체의 절연내력 향상
(3.3㎸에서 적용하는 경우 있음)
ㅇ 차 폐 층
- 정전 차폐
- 절연체의 내전압치 향상(3.3㎸ 이상 적용)
- 중성선 역할 겸비(22.9㎸ 다중접지 방식) : 고장전류 귀로
- 고장시 단락용량 고려 size 결정
- 선로측정시 이용
ㅇ 중성선 수밀층
- 발포성 차수테이프 (부풀음테이프)
- 수분과 접촉시 수분흡수하여 부풀음
- 중성선 안쪽은 반도전성
ㅇ 외 피
- PVC 사용 : 난연성 우수 (내한성 약함)
- 난연케이블 : 흑색 할로겐프리 폴리올레핀 사용
- 내후성, 내화학약품성, 기계적 강도 고려
* PE : 내한성, 내수성 우수 (가연성)
3. 전력 케이블 시공기준
가. 종류 및 규격
(1) 특고압
ㅇ 종 류
- 일반형(차수형) : 22.9㎸ CNCV 케이블 (중성선층만 수밀처리)
(동심중성선 가교폴리에틸렌절연 비닐시스 케이블)
- 수밀형 : 22.9㎸ CNCV-W 케이블 (중성선 및 도체부분 수밀처리)
(수밀형
동심중성선 가교폴리에틸렌절연 비닐시스 케이블)
- 난연성 : 22.9㎸ FR CNCO-W 케이블(외피 재질의 무독,난연처리)
(동심중성선 가교폴리에틸렌절연 폴리올레핀시스 난연케이블)
ㅇ 도체 규격 : 60, 200, 325, 600㎣
(2) 저 압
ㅇ 종 류 : 600v CV 케이블
ㅇ 규 격 : 22, 38, 60, 100, 200, 325 ㎟
나. 적 용 [판단배(지)851.01-394]
(1) 특고압 및 고압 지중전선로
ㅇ 케이블 종류
- 22.9㎸ CNCV 케이블 (차수용) : CNCV-W 및 FR CNCO-W
케이블 적용기준 이외의 일반적인 경우
- 22.9㎸ CNCV-W 케이블 : 중요지역 또는 중요수용 공급선로의 케이블입상 종단부(케이블헤드)에서 첫번째 맨홀 또는 첫번째 기기의 접속점, 수분침투가 우려되는 접속부분 개소
- 22.9㎸ FR CNCO-W 케이블 : 변전소 케이블 처리실, 전력구,
공동구 등에 설치되는 개소
ㅇ 케이블 선정 : 부하증가 및 계통운영 (허용전류, 전압강하 등)고려
|
구 분 |
변압기선로 |
분기선로 |
간선선로 |
대용량선로 |
|
도체 굵기 |
60㎟ |
60, 200㎟ |
(200), 325㎟ |
600㎟ |
(주) 간선선로로서 케이블 회선수가 2회선 이하인 경우는 ( ) 적용
(2) 저압선 (인입선)
저압 지중계통 구성방식, 부하전류 및 전압강하를 고려 선정
다. 케이블 허용 곡률반경
케이블 표준 외경의 10배 이상으로 한다.
라. 케이블 허용장력
ㅇ 풀링아이(pulling eye) 사용시 : 7 ㎏/㎟ (Al : 4㎏/㎟)
- 케이블 조수별 장력계산 범위 : 3조는 2적용, 4조이상은 60%

<그림 2-2 풀링아이>
ㅇ 풀링그립(pulling grip) 사용할 때 : 500 ㎏/m (PVC 외피 경우)

<그림2-3 풀링그립>
ㅇ 케이블 측압
- PVC 외피 : 250 ㎏/m
- 클로로프렌 외피 : 300 ∼ 500 ㎏/m
마. 케이블 이격거리(전기설비기술기준 제 156, 157조)

<보기> ● 특고압전력케이블 ◎ 지중약전류전선
T 전화케이블 G 가연성,유독성관
단, 이격거리가 미달시에는 시설물사이에 내화격벽설치
4. 케이블공사
가. 작업전 준비사항
ㅇ 선로경과지 확인
공사도면을 기초로하여 현장조사를 하고 공사구간, 케이블 드럼위치 및 교통대책을 확인한다.
ㅇ 장비 및 공구 확인
윈치, 장력계, 풀링아이, 풀링그립, 로라 및 케이블 도통시험봉 등 공사용 장비와 공구가 현장작업에 적합한지 확인한다.
ㅇ 작업장 안전관리
- 공사안내판, 안전시설물(안전칸막이, 라바콘 등), 교통표지판
- 작업장 청결(잔토, 잔자재 정리)
- 배수 조치
* 안전칸막이 설치기준(서울시 기준)
. 바탕색 : 노란색
. 글씨, 빗금 : 청색
. 배치순서 : 안전제일, 공사명, 시행청, 도급업체, (공사기간), 반복
ㅇ 작업자 안전장구
ㅇ 작업 자재준비
ㅇ 주민 홍보 등

<그림2-4 교통표지판 설치레>
나. 케이블 취급 요령
ㅇ 케이블은 드럼상태로 운반 및 저장한다.
ㅇ 케이블에 외상이나 충격이 가지 않도록 주의한다.
ㅇ 케이블을 구부릴 경우는 허용곡률반경을 유지해야 한다
(케이블 표준 외경의 10배 이상)
ㅇ 케이블 취급시에는 절대로 물이 들어가지 않도록 해야 하며 절단하고 바로 접속하지 않을 경우에는 케이블 끝에서 약200mm를 접착성 폴리에틸렌 테이프를 감고 PVC캡을 씌운 후 다시 접착성 폴리에틸렌 테이프로 방수처리 한다.
다. 관로내 케이블 설치
(1) 관로 상태 확인
o 도면에 의한 확인 (평면도, 관로도 및 맨홀도 등)
- 맨홀 위치, 관로 경간
- 관로 경과지
o 현장 조사
- 맨홀내 금구류 종류, 수량 및 상태
- 맨홀 방수상태
- 관로 상태 (관로 청소 및 도통시험)
- 기설 케이블 위치 및 상태 확인
o 맨홀내 관로구 배열에 따른 케이블 설치
관로의 사용순서는 향후 작업의 편리성을 위해 아래에서 위로 하고 같은 열에서는 외측에서 내측으로 다음과 같이 한다.

<그림2-5 맨홀내 3단3열 관로의 케이블 배치 순서>
(2) 케이블 포설
o 케이블 인입시 검토사항
케이블 인입장력 및 굴곡부 측압은 기준이내여야 한다.
- 케이블 인입장력 < 케이블 최대포설장력
- 케이블 측압 < 케이블 허용측압
o 케이블 인입시 확인사항
- 관로내 케이블 인입용 비닐 피복철선 유무 확인
비닐피복철선이 없을 경우는 가는 PVC파이프를 이용한다.
- 케이블 인입용 윈치 및 와이어로프 상태확인
o 케이블 인입방향
- 지표의 고저차가 있는 경우에는 높은쪽에서 낮은쪽으로 인입한다.
- 포설구간에 굴곡이 있을 경우는 굴곡이 있는 곳으로부터 인입한다.
- 맨홀내의 케이블 진입은 맨홀길이가 짧은 쪽에서 긴쪽으로 인입한다.
o 포설작업시 유의사항
- 포설전 : 맨홀의 환기 배수 및 청소, 연락체계 확인
로라 활차등의 고정상태 확인 및 외상방지대책강구
- 포설시 : 맨홀입구의 케이블보호용 파이프설치, 인입속도 확인(10m/분 이하 유지), 접속여유장 및 옵셋트 확인
- 포설후 : 케이블 외피상태 확인, 지상 노출부 보호조치, 케이블종단부 방수조치, 각종 표시찰 부착확인 등
(3) 케이블 포설순서
케이블드럼 및 윈치 설치 인입장력계 포함
↓
연 선 용 철 선 인 입 관로내 피복철선 이용
↓
관 로 도 통 시 험 관로도통시험봉 사용
↓
인 입 용 철 선 인 입 시험봉에 연결된 피복철선 이용
↓
케 이 블 인 출 3 드럼 동시 작업
↓
풀 링 아 이 연 결 풀링아이 없을 경우 풀링그립 사용
↓
맨 홀 내 활 차 설 치 지정 인입관로에 곡률유지
↓
케 이 블 포 설 포설속도 일정 유지, 장력 확인
↓
삽 입 형 관 로 구 설 치 맨홀내 유입방지
↓
맨 홀 내 금 구 류 설 치 설치기준 준수
↓
맨 홀 내 케 이 블 정 리 케이블절단시 여유장,단말방수
↓
작 업 장 정 리
다. 맨홀내 케이블 설치
o 케이블은 지지대에 행거를 설치한 후 케이블받침대(크리트)로 지지하여 설치한다.
o 맨홀내의 케이블은 꼬이지 않도록 배열한다.
o 관로구 방수 : 물이 유입되지 않는 관로는 삽입형 관로구 미설치
o 옵셋(off-set) 고려, 맨홀 양벽측으로 3각 배열
ㅇ 맨홀내 케이블 배치

<그림 2-6> 맨홀(A6형)내 케이블
o 맨홀내 부속자재
|
구 분 |
종 류 |
규 격 |
비 고 |
|
지지대 |
앵글형 |
1,500㎜ (전력구 1,800) |
벽체고정 |
|
강관형 |
1,800 ∼ 2,000㎜ |
곡률반경유지 | |
|
행 거 |
구 분 |
260, 300, 370, 460, 590㎜ |
(CN/CV 3조) |
|
가변형 |
경사지게 시설된 케이블 지지개소 | ||
|
ㄱ형 |
고정형 케이블받침대 적용개소 | ||
|
I 형 |
받침용 케이블받침대 적용개소 | ||
|
케이블 받침대 (클리트) |
받침용 |
CL-1 : CN/CV 60㎟ |
고정형 |
|
CL-2 : CN/CV 200㎟ | |||
|
CL-3 : CN/CV 325㎟ | |||
|
CL-4 : CN/CV 600㎟ | |||
|
고정형 |
CL-A : CN/CV 60㎟ |
-경사, 곡선 | |
|
CL-B : CN/CV 200㎟ | |||
|
CL-C : CN/CV 325㎟ | |||
|
CL-D : CN/CV 600㎟ |
라. 전력구내 케이블 설치
(1) 케이블 포설
ㅇ 작업순서(기계포설의 경우)
케이블드럼 및 윈치설치 인입장력계 포함
↓
전 력 구 로 라 설 치 로라 간격 2 ∼3 m
↓
연 선 용 철 선 인 입
↓
케 이 블 인 출 3드럼 동시 작업
↓
풀 링 아 이 연 결 풀링아이 없을 경우 풀링그립 사용
↓
인 입 구 활 차 설 치 케이블 곡률유지
↓
케 이 블 포 설 포설속도 일정 유지, 장력 확인
↓
삽 입 형 관 로 구 설 치 분기 관로구
↓
전 력 구 금 구 류 설 치 설치기준 준수
↓
전 력 구 케 이 블 정 리 케이블 절단시 여유장, 단말방수
↓
작 업 장 정 리
(2) 防災 시공
ㅇ 防災 적용 대상
- 변전소 구내, 전력구(공동구), 맨홀내 多回線 케이블 시설개소
ㅇ 防災시설 적용장소
- 옥내변전소의 케이블 처리실
- 전력구(공동구)내 케이블
- 옥외변전소 duct내 케이블
- 防火壁 貫通부분
- 맨홀의 케이블 밀집개소
- 기타 중요설비 및 화재 취약개소
ㅇ 防災 종류
|
종 류 |
용 도 |
적 용 개 소 |
|
난연 도료 |
연소확산 방지 |
다회선의 케이블 및 접속재 |
|
난연 테이프 |
내화 및 아크방지 |
독립된 케이블 및 접속재, 상습 침수맨홀내 |
|
난연seal(putty) |
관통부 밀폐 |
바닥, 벽, 천정, 전선관 내부 |
|
난연 board |
관통부 차단 |
관통부위가 넓은 경우 |
|
난연 레진 |
관통부 충진 |
난연 seal(putty)로 시공이 곤란 한 경우 |
|
난연mat(sheet) |
연소확산 방지 |
밀집시설된 케이블 및 접속재 |

<그림 2-7> 난연재 사용 방법
ㅇ 防災 방법
|
구 분 |
시공방법 및 범위 |
|
케이블 처리실 |
ㅇ 전구간 난연처리(방화벽 등 관통부 포함) |
|
전력구(공동구) |
ㅇ 수평길이 20m(중심간)마다 3m씩 난연처리 |
|
옥외변전소 duct |
ㅇ 전구간 난연처리 |
|
관 통 부 분 |
ㅇ 벽 관통부 밀폐시키고, 케이블 양측 3m씩 난연재 적용 |
|
맨 홀 |
ㅇ 배전선로 4회선이상 시설된 맨홀내 접속개소 |
|
기 타 |
ㅇ 화재 취약지역(송전케이블 유조, 연료저장고)은 전량 난연처리 |
ㅇ 難燃材 점검
- 설치후 1년 경과시 외관점검, 이후에는 3년마다 외관점검
· 난연재 부분의 갈라짐, 부풀음, 벗겨짐 등 상태변화
· 난연도료의 변색여부
· 난연재 부분의 기밀상태
(3) 준공표지판 : 판단배(지)853.06-2468(94.12.12)
ㅇ 대상 : 배전용 전력구
ㅇ 규격 및 재질 : 300×230×0.8㎜(가로×세로×두께), 스텐레스
ㅇ 방법 : 음각으로 부식 인쇄
ㅇ 위치 : 출입구 구조물 벽면 1개소, 높이 1.8m 부근, 콘크리트 타정
ㅇ 내용

<그림 2-8> 준공 표지판
(4) 케이블 설비 : 판단배(지)853.01-6..3(95.6.12)의 "전력구 운영지침"
ㅇ 케이블 위치 : 전압등급별로 최상위 전압 최하단
ㅇ 케이블 접속 금지 : 케이블 처리실내, 전력구 시점 150m내, 분기구 전후 25m내, 동일장소에 2개소 이상
<그림 2-9> 접속재 위치
ㅇ 케이블 지지대 : 1,800㎜ (1.5m 간격)
ㅇ 케이블 지지(고정형 케이블받침대) : 송전 2경간, 배전 4경간
마. 케이블 입상
(1) 고압 케이블
ㅇ 전주 1본 : 1회선 입상 원칙
ㅇ 변압기주, 복잡장주 입상 기피
ㅇ 케이블입상 인접주에 개폐기 취부
ㅇ 케이블 헤드 지지금구
ㅇ 입상용 케이블 보호관 사용
- 전주용 입상관 : Φ130㎜ × 2.0㎜ × 2m ⇒ 3개
- 조립식 반할관 : Φ130㎜ × 3.2㎜ × 333㎜ × 3개 ⇒ 1조
- 케이블 지지용 강벨트 : 6개(강벨트2개/입상관1개)

<그림 2-10> 케이블 1회선 입상
ㅇ 케이블헤드 연결선 절연화
- 종 류 : 수밀형 가교폴리에틸렌절연 동전선(OC-W 전선)
- 규 격 : 케이블 60㎟ ⇒ OC-W 전선 60㎟
200, 325㎟ ⇒ OC-W 전선 100㎟
- 입상부 절연 : 분기슬리브 카바 (가공선 접속부 : 분기슬리브)
케이블헤드 카바 (케이블헤드 접속부)
(2) 저압 케이블(600V CV 케이블)
ㅇ 변압기 저압측 단자연결 : 동관단자에 케이블 압축시공 볼트조임
ㅇ 저압 케이블 접속재
|
구 분 |
접 속 재 |
비 고 |
|
600V CV 케이블 |
종단접속재(22∼325㎟) |
1수용 입상, 기존 저압 C/H 使用可能 |
|
600V CV 케이블 |
종단장치(2.6㎜∼325㎟) |
2수용(2회선 종단부) |
|
분기장치(22∼325㎟) |
3수용내 연접또는 분기 | |
|
회선장치(22∼325㎟) |
ㅇ 저압 케이블 입상 : 1회선 원칙 (입상부 1.8 ∼ 2.0m 입상관설치)
5. 배전케이블 접속
가. 케이블 접속의 필요성
ㅇ 케이블 운반 및 포설 용이
ㅇ 케이블 고장 복구
ㅇ 케이블 단말의 전계완화
ㅇ 케이블 단말 방수
<그림 2-11> 케이블의 전기력선 분포
나. 전기적 스트레스(electrical stress) 완화방법
|
종 류 |
Stress relief corn |
Tape, Tube |
|
원 리 |
절연층 보강 |
유전체 경계조건 |
|
형 태 |
Mold 형 |
반도전성 테이프, |
|
방 법 |
내부 반도전층과 중첩시키고 접지 |
내부 반도전층과 중첩 |

<그림 2-12> 스트레스 콘 사용효과
다. 접속방식별 접속재 종류
|
접속 방식 |
접속재 종류 |
제 작 사 |
비 고 |
|
직 선 접 속 |
테이프레진형 |
3 M |
거의 사용안함 |
|
열 수축형 |
Raychem |
사용 안함 | |
|
조 립 형 |
평일산업 |
주로 사용 | |
|
분 기 접 속 |
조 립 형 |
Elastimold, RTE |
사용 안함 |
|
종 단 접 속 |
자기 수축형 |
3 M |
거의 사용안함 |
|
열 수축형 |
Raychem |
사용 안함 | |
|
조 립 형 |
평일산업 |
주로 사용 | |
|
엘 보 접 속 |
조 립 형 |
Elastimold, RTE |
Elastimod 사용 |
제3장 지중선 공사
1. 관로공사
가. 일반사항
(1) 도로공사 관련규정
(가) 도로법
ㅇ 도로의 점용(제40조)
- 도로점용자는 관리청 허가
ㅇ 점용료의 징수(제43조)
- 도로점용자에게 점용료 징수할 수 있음
ㅇ 손괴자 부담금(제67조)
- 도로손괴 행위자에게 도로수선 유지에 필요한 비용부담할 수 있음
ㅇ 점용허가의 신청(시행령 제24조)
- 허가받고자 하는 자는 관리청에 신청서 제출
ㅇ 점용에 관한 사업계획서 등(시행령 제24조 4)
- 점용사업계획서를 매년 1·4·7·10월중 관리청에 제출(천재지변, 돌발사고, 긴급복구공사시 제외)
- 관리청은 도로굴착관련 사업조정위원회 조정후 통보
- 신설, 개축 포장도로 3년(보도 1년)이내 도로굴착 점용 불허(천재지변, 전신·수도관·가스관 긴급복구공사, 군사상·농어촌 새마을 사업 지원 전기·통신·가스·수도시설공사 제외)
- 도로굴착관련 공사후 2년(보도 1년)이내 도로굴착 점용 불허(상기공사 포함, 전기·통신·수도·가스·난방위한 길이 10m, 너비 3m 이하 공사 제외)
ㅇ 도로굴착관련 사업조정위원회 설치 등(시행령 제24조 5)
- 도로굴착관련 사업조정 위해 시·군에 조정위원회 설치
ㅇ 점용공사 완료, 원상회복시의 검사(시행령 제25조)
- 점용공사 완료, 원상회복후 관리청 검사
(나) 도로교통법
ㅇ 도로공사 신고(제64조)
- 도로공사자는 5일전에 공사구간·기간·일시·방법 경찰서장에 신고 (긴급공사시 안전조치후 착공사실 즉시 신고)
(2) 도로굴착 및 점용허가 절차

(3) 매설 깊이
케이블보호재 최상단 상부에서 지표면까지의 높이
ㅇ 차도 및 중량물의 압력을 받을 우려가 있는 장소 : 1.2m 이상
ㅇ 기타의 장소 (보도 등) : 0.6m 이상
ㅇ 부득이한 경우는 특별한 보강대책을 강구하여 매설깊이 감소

<그림 3-1 케이블 매설 깊이>
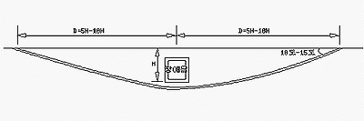
(4) 관로의 표준경간
관로는 직선구간의 경우 250m를 표준으로 하고 다음 장소에는 맨홀을 설치한다.
o 도로의 분기 또는 관로의 허용곡률반경 이상 굴곡
o 급경사 언덕 길의 상,하
o 긴 교량의 전,후
o 케이블의 접속, 분기개소
(5) 관로의 배열

(6) 관로 시공
(가) 굴착
o 관로중심선에 따라 지표면에 스프레이 등으로 굴착예정선 표시한다.
o 포장도로(아스팔트,콘크리트) 경우는 굴착예정선을 따라 절단기로 절단한 후 포장구간을 굴착한다.
o 구배굴착이 곤란한 지역(연약지반,지하매설물, 교통장애 및 협소한 장소 등)에서는 흙막이 공사를 하되 1.5m이상을 인력으로 줄파기를 하여 지하매설물을 확인한 후 시공한다.
(나) 관포설
o 관포설을 위해 굴착 저면에 돌기부가 없도록 고르기를 한 후 모래를 5cm정도 깐다
o 관배열시 관이 가급적 직선이 되도록 포설하고 관간격은 서로 10cm정도 이격해야 한다.
o 관내부로 유입된 물이 흘러나갈수 있도록 구배를 주어 시설하며 평탄지역에서는 1/5000 이상의 구배를 유지해야한다.
(다) 관로 청소 및 도통시험
o 관로 시공시 되메우기 전.후에 도통시험을 2회 하여 관로 시공 및 접속부 의 이상유무를 확인한다.
o 도통시험봉의 길이는 400mm를 표준으로 하며, 직경은 관로의 내경보다 10mm 적은 것을 사용한다.
(라) 관로공사 흐름도

나. 관로공사
(1) 굴착 및 콘크리트 공사
ㅇ 굴착 구배
- 토사류 암반 ⇒ 1 : 0.1 ∼ 0.5
- 깊이 1m 미만 : 수직 굴착
ㅇ 굴착 여유폭
- 굴착 구배 및 흙막이 사용시 (깊이 2m 미만 경우)
· 직매, 관로 : 30 ㎝
· 핸 드 홀 : 40 ㎝
· 맨홀 공사 : 100 ㎝
ㅇ 되메우기 및 다짐
- 토사 : 도로관리기관의 조례 및 지시 따름
- 다짐 : 토질에 따라 두께 15∼30㎝ 기준(compactor, rammer)
(2) 관로
(가) 관재 종류 및 선정
ㅇ 합성수지 파형관(PE)
- 규 격 : Φ100×60, 125×50, 150×40, 175×30, 200×30m
- 관접속
·Φ100 ~ 150 : 이음관, 실링 + 발코 + 비닐테이프 사용
·Φ175 ~ 200 : 조립식 이음관
- 적 용 : 지중배전용으로 파형관 사용을 원칙으로 하고, 굴곡개소가 많고 연약지반 등으로 부등침하 우려가 있는 지역
ㅇ 합성수지 직관(PVC)
- 규 격 : Φ100·175·200 × 6m
- 관접속 : 고무링, 이음관 사용
- 시 공 : 스페이서(spacer) 사용(바닥용 A형과 중간받침용 B형)
- 적 용 : 교량첨가 등 특수개소, 지하공간이 협소하여 파형관 시공이 곤란한 개소
ㅇ 지중케이블 강관(아스팔트 또는 콜탈에나멜 피복)
- 규 격 : Φ100·125·150·175·200·250·300 × 6m
- 관접속 : 강관접속용 슬리브(도복장용 아스팔트 포함)
- 적 용 : 주요도로 및 철도횡단 개소, 압입공법 적용개소, 도로 굴착이 잦아 관의 손상이 우려되는 지역, 매설깊이가 부족한 개소로서 B형 관로 적용이 곤란한 개소
ㅇ 흄 관(콘크리트제) : 사용빈도 거의 없음
- 규 격 : Φ200 × 1m, Φ200 × 2.5m
- 관접속 : 접속개소 콘크리트 타설
(나) 관내경 선정
ㅇ 1 공 1 조 : 1.3 d ≤ D, d + 30 ㎜ ≤ D
ㅇ 1 공 3 조 : 2.16d + 30 ㎜ ≤ D ≤ 2.85 d, 3.15d ≤ D
▶ 관경 표준화
- 케이블 규격(60, 200, 325, 600㎟)에 따라 관경이 100, 125, 150, 175, 200㎜ 등으로 다양하게 되나, 자재의 적정 재고유지, 공사의 원활화를 위해 관경을 통신용100㎜, 전력케이블용 175㎜로 표준화하고 있다. 그러나 부하증설 전망이 없는 신규수용은 케이블 규격에 맞는 125, 150㎜ 관을 선택 사용
|
구 분 |
케이블 규격 |
적 정 관 경 |
비 고 |
|
저 압 |
60 ㎟ |
100㎜ |
1공 3∼4 조 기준 |
|
특 고 압 |
6 |
150(175)1 |
幹線系統構成管路 : 175㎜ |
( )1 : 향후 부하증가가 커서 상위규격으로 교체 예상되는 경우
( )2 : 대용량 관로로서 관로의 굴곡이나 고저차가 심한 경우
☞ 근거 : 판단배(지)851.01-1349(94.2.7) 합성수지관 규격적용 알림

<그림 3-2> 합성수지파형관 이음요령

<그림 3-3> 합성수지 직관 이음요령
(다) 시공 기준
|
표 준 경 간 |
- 250 m |
|
곡 률 반 경 |
- 파형관 : 관외경 10배 이상 |
|
관 배 열 |
- 장방형, 정방형 |
|
평탄지관로구배 |
- 1/5,000 이상 |
|
모 래 채 움 |
- 굴착면 위 : 5 ㎝ |
|
관 이 음 공 법 |
- 파형관 : 이음관, 실링 + 발코 + 비닐테이프 |
|
맨 홀 접 속 |
- 파형관 : 어답터 (합성수지파형관) 사용 |
|
관로도통시험 |
- 관로시공 매설전, 시공 완료후 |

<그림 3-4> 맨홀접속부 단면도

<그림 3-5> 관로도통 시험 및 청소
(라) 케이블 외상 보호
(1) 케이블 표지시트
o 규 격
|
폭(㎜) |
두께(㎜) |
1Roll의 길이(m) |
중첩부의 길이(㎜) |
|
330 |
0.15 |
50 |
50 |
o 특 징
- 재질 : 폴리에틸렌수지, 폴리프로필렌수지 등의 재질로 직조
- 구조 : 10㎝마다 5㎝씩 중첩하여 열접착 방식으로 고정
o 시공방법
- 겹침구조로 제조되므로 현장에서 별도 겹침시공 불요
- 구조물 또는 관로와 30㎝ 이상 이격하여 설치하되
· 보도인 경우 지표면하 20∼30㎝ 위치에,
· 차도인 경우 포장층 하부 10∼20㎝ 위치에 설치

< 케이블 표지시트 설치 예시도>
- 시트간 설치간격은 20㎝이하로 하며 구조물 또는 관로로부터 5㎝ 이상 바깥까지 설치

<케이블표지시트 설치간격>

(2) 지중선로 표지기
- 규 격 : Φ100(t=7㎜) × L140(d=15㎜)
- 장 소 : 아스팔트, 콘크리트 및 보도블럭으로 포장된 차도 및 보도 표지면
- 기 준 : 시작점, 굴곡점, 종점, 직선구간 10m 간격, 접속점
- 종 류 : 직선방향, 양방향(직각개소), 3 방향(T 분기),
4 방향, 접속점(케이블 접속점 매몰개소)
접속점(케이블 접속점 매몰개소)
<그림3-6> 지중선로 표지기
(3) 지중선로 표지주(신설) 설치
- 규 격 : 150 × 150 × 700㎜
- 장 소 : 비포장도로(사리도), 잔디밭 등의 지표면
- 기 준 : 지방지역 50m, 도시지역 20m, 곡선부위 5 ~ 10 m
간격을 원칙으로하고 주변지형 여건 등에 따라 적절 조정
☞참 조 : 판단배(지)853.01-1164(97.10.1) 규격 제정
<그림3-7> 지중선로 표지주
2. 구조물 공사
가. 도로굴착 승인 점용허가 절차

나. 맨홀 공사
(1) 표준 맨홀
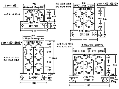
ㅇ 종 류 : A, B, C, D, E
ㅇ 공 수 : 4 ∼ 6 공 표준

<그림 3-8> 맨홀 종류
o 종류별 적용
- A 형 : 직선구간에 적용
- B 형 : 90° 굴곡구간에 적용
- C 형 : 굴곡구간에 적용
- D 형 : 1방향 분기지점에 적용
· 1D : 분기선로가 장긍장인 경우
· 2D : 분기선로가 단긍장인 경우
- E 형
· 1E : T형 분기지점에 적용
· 2E : 4방 분기지점에 적용
(2) 설치 구분
ㅇ 조립식 : 원칙 사용
ㅇ 현장 타설식
ㅇ 콘크리트 및 레미콘
- 인력 비비기 : 용적 배합(시멘트 + 모래 + 자갈 + 물)
- 레미콘 규격 : 판단배(지)855.01-239(96.1.9)
· 굵은골재 최대치수(㎜) - 설계기준강도(㎏/㎠) - 슬럼프(㎝)
· 맨 홀 : 25 - 210 - 8
· 전력구 : 25 - 210 - 12
· 터널 유사 구조물 : 25 - 210 - 15
** 타설공법 : 인력타설보다는 경제적인 기계타설 시행
- 타설 높이 : 1.5 m 이내
- 다 지 기 : 진동기(vibrator) 사용 원칙
- 양생기간 : 28일(조강 3일, 일반 7일간 습윤상태 유지)
(3) 맨홀시공 부속자재
|
맨 홀 뚜 껑 |
- 직경 : 750/900㎜, 설치높이 : GL + 0∼10㎜ |
|
발 판 볼 트 |
- Φ16㎜ 이상, 하중 170㎏, 간격 : 400㎜ |
|
사 다 리 |
- 바닥과 80° 이내 |
|
후 크 (hook) |
- Φ32㎜, 인장하중 : 28ton 기준(7t 이하 사용) |
|
합성수지관로구 |
- Φ100·125·150·175·200㎜ × 600㎜ |
|
접지연결 동봉 |
- Φ24 × 510/730㎜ (벽체두께 40/60㎝) |
|
지지대앵카볼트 |
- Φ19 × 150㎜, 간격 : 30㎝ |
|
물 받 이 |
- Φ180 × (120 + 90) × 10㎜(내경×길이×두께) |
(4) 맨홀 방수
ㅇ 외벽 방수 : 고무아스팔트 에멀젼 방수
- 주재료 : 고무아스팔트 에멀젼(고무상의 탄성 도막방수층 형성)
· 수용성 합성고무(SBR latex) + 스트레이트 아스팔트
- 방수층 보호
·방수층 보호재(벽체 및 상부슬라브) : 폴리에틸렌 폼(t=20㎜) ·방수층 보호몰탈(바닥 및 기초벽체) : 시멘트 + 모래(t=30㎜)

<그림 3-9> 고무아스팔트 에멀젼 방수
ㅇ 내벽 방수 : 水溶性 에폭시 방수
- 수용성 에폭시 : 주제 + 경화제 혼합 사용
- 신설 구조물의 불가피한 경우 내벽방수 적용
- 기존 구조물의 방수보수공사시 내벽방수 적용
. 급결재(급결재 + 시멘트) : 방수작업전 누수장소 사용
. 쇠흙손 바르기용(에폭시 + 시멘트) : 2차 방수(미세한 누수현상)
. 수지몰탈방수(에폭시+시멘트+모래) : 2차 방수(심한 누수개소)
☞ 참 조 : 판단배(지)850-2067(93.2.22) 방수보수공사 품셈조정 알림,
첨부 ⇒ 기존 지중배전구조물 방수보수 공사 시공방법

<그림 3-10> 수용성 에폭시몰탈 방수
다. 전 력 구
(1) 규 모
|
크 기 (폭 × 높이) |
회 선 수 |
비 고 |
|
1.5 × 2.1 m |
12 회선 이하 |
편측 2 회선 시설 |
|
폭 |
통 로 |
행 거 |
지 지 대 |
|
최소폭 1.5m |
양측 배열 : 0.8m |
1회선용 : 260㎜ |
앵글폭 0.1m |
(2) 단면 기준
ㅇ 최소 높이 : 2,100㎜이상
ㅇ 폭 : 154㎸수용 ⇒ 2,100㎜, 345㎸수용 ⇒ 2,300㎜, 통로 ⇒ 800㎜
ㅇ 상하간 행가설치 간격(㎜)
- 550(345㎸), 400(154㎸), 300(66㎸), 250(기타)
- 바닥과 최하단 행가 : 400(345㎸), 300(154㎸ 이하)
(3) 부속 설비
ㅇ 출입구 : 맨홀뚜껑 및 자연 환기구 이용, 별도 출입구 시설
- 전력구내 사다리, 계단, 난간 등 각종 철물류 : 스테인레스 사용
ㅇ 환기구 : 자연 및 강제 환기구
- 송전용량 증대, 온도·습도 적정유지, 유해가스 배출
ㅇ 분기구 : 케이블 분기
ㅇ 집수정
- 배수설비 개소 : 최소화
ㅇ 전원 설비 : 조명, 환기, 배수

<그림 3-11> 선로명 표시찰
ㅇ 접 지
- 접지공사 : 제1종 접지공사
- 접지저항 : 합성 5Ω/㎞ 이하, 단위개소당 16Ω(250m 간격기준)
. - 접지선 : 나경동연선 100㎟
(5) 전력구 방수
ㅇ 시트(sheet) 방수 : 2.4㎜ × 100㎝ × 10m (두께 × 폭 × 길이)
ㅇ 고무화 아스팔트계 접착용 프라이머(0.25ℓ/㎡)
라. 조립식 구조물
☞ 참 조 : 판단배(지)판단배(지)853.01-960(97.8.13)
조립식 맨홀 및 기초대 개정
(1) 종류와 규격
|
규격번호 |
기 호 |
규격(외부치수: mm) |
비 고 | |
|
117-695 |
HS-2 |
1800×2100×2300 |
핸드홀 (직선방향 케이블 인입, 인출) | |
|
117-696 |
HS-2W |
1800×2100×2300 |
핸드홀 (4방향 케이블 인입, 인출) | |
|
117-697 |
MS-4 |
2100×2380×3500 |
맨홀 4회선 규모 | |
|
117-699 |
MS-6 |
2100×2380×4000 |
맨홀 6회선 규모 | |
|
117-700 |
HS-CA |
1300×1500×1800 |
통신용 핸드홀 | |
|
117-703 |
D-0 |
1100×1120×1700 |
데드형 |
개폐기 |
|
117-704 |
S-0 |
1300×1120×1700 |
스틱형 | |
|
117-711 |
T-1B |
1100×1120×1100 |
30~100kVA |
단상변압기 |
|
117-713 |
T-1H |
1500×1120×1100 |
150~200kVA | |
|
117-715 |
T-3L |
1100×1120×1600 |
75~200kVA |
삼상변압기 |
|
117-717 |
T-3U |
1350×1120×1600 |
300kVA | |
(2) 기초 시공 ( )안은 지상기기 경우
|
구 분 |
연 약 지 반 |
견고토사지역 |
암 반 지 역 |
|
기 초 잡 석 |
15(10)㎝ |
15(10)㎝ |
× |
|
기초 콘크리트 |
10㎝ |
× |
× |
|
수 평 조 정 |
마른몰탈 2㎝ |
모래 5㎝ |
모래 10㎝ |

<그림 3-12> 기 초 시 공
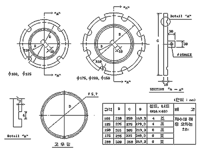
(3) 조립식 맨홀뚜껑 및 관로구 설치
ㅇ 맨홀 뚜껑
- 맨홀 상부에 2㎝의 몰탈을 바른후 조정용 부재(맨홀 목부분)를 고정볼트 구멍에 맞게 설치하고,
- 그 위에 몰탈 2㎝를 도포하고 맨홀뚜껑 올려 너트로 볼트조임 후,
- 맨홀뚜껑 프렌지 부분부터 맨홀 상부까지 경사지게 몰탈처리
▶ 맨홀뚜껑 높이 조정
- 도로상 맨홀 유지관리에 관한 도로관리청과 맨홀 관리기관간의 협정서(1989.3.20)[한전외 3기관과 건설부간 협정]에 따라 도로관리청에 조정작업 요청 ⇒시공→도로관리청, 비용부담→ 맨홀 관리 기관

<그림 3-13> 조립식 맨홀뚜껑 설치
ㅇ 관로구 방수장치
- 맨홀의 관로홈을 파쇄한 후 관로구 방수장치를 설치하고
- 벽체와 관로구의 공간을 몰탈로 충진
<그림 3-14> 조립식 맨홀 관로구 설치
(5) 지상기기 기초대
ㅇ 기초대는 지표면에서 15㎝ 노출
ㅇ 기기는 기초대 외측 5㎝의 여유두고 설치
ㅇ 기기설치후 세트앵카 고정
ㅇ 조립식 기초대 사용이 불가능할 경우 현장타설(규격 준용)
라. 특수 공법
(1) 교량 첨가식
교량첨가용 관재는 일반적으로 가볍고 강도가 높은 PVC 직관, 강관 등을 사용하며, 받침 앵글과 관재와의 고정은 U-Bolt 및 방진고무를 이용하고 케이블을 직접 포설할 경우에는 케이블 트레이(tray)를 설치한다.
- 방진고무 (5종) : ø100, ø125, ø150, ø175, ø200 호칭경
(2) 압입 공법
일반적으로 철도 및 고속도로 횡단개소 등 개착이 곤란한 장소에 적용하고 주로 흄관 또는 강관 등을 사용한다. 작업방법에 따라 推進工法과 削進工法으로 구분한다.
ㅇ推進工法 : 압입기점에 추진용 유압 Jack을 설치하고 관재를 Jack으로 압입, 관 속의 토사를 인력으로 굴착 제거하는 방법으로 대형 관로 추진에 적용
ㅇ削進工法 : 소형관로의 추진에 적용하는 pipe pushing 공법
|
구 분 |
대형관로 추진공법 |
소형관로 추진공법 |
|
관 경 |
ø800 ~ 2,000㎜ |
ø800㎜ 미만 |
|
관 재 |
흄관, 강관 등 |
흄관, 강관 등 |
|
시공 길이 |
50 ~ 70 m |
30 ~ 100 m |
|
추진 속도 |
4 ~ 5 m/일 |
5 ~ 15 m/일 |
|
추진 공법 |
유 압 식 |
타격식, 유압식, 수력굴삭 |
|
토사 제거 |
인력 굴착 |
Water jet, 수평 Auger 등 |
|
활용 방법 |
Casing관로, 전력구 |
관로, Casing 관로 |
▶ Casing 관로
ㅇ 추진관 내부에 전선용 관을 삽입하고 관주변을 모래나 몰탈로 채운 후(그라우팅 장비), 전선용 관에 전력케이블포설
ㅇ Casing 관로(9회선이하 수용) : ø400 1,500mm 강관이나 흄관
ㅇ 전선용 관재 : 직관, 파형관(관재간 10㎝ 유지)
ㅇ 공법 : 유압식, 타격식
▶ 전력구식
ㅇ 추진관 내부에 사람이 통행할 수 있는 다회선 수용 구조물
ㅇ 전력구식 관로(9회선이상 수용) : ø1,500㎜ 이상 강관이나 흄관
ㅇ 공법 : 유압식(추진관을 유압 Jack으로 압입) → 점토,
▶ 관로식
ㅇ 추진관내에 직접 케이블 포설
ㅇ 관로식 관로(1회선 수용) : ø200 ~ 300mm 강관, 합성수지관
ㅇ 공법 : 타격식(추진관을 ram hammer로 타격)→ 점토,실트질에 적용
☞ 적용품셈 : 정부 표준품셈 없어 철도청 시공업체 제시품 등 검토 적용
3. 접지 공사
가. 지중선의 피복 금속체의 접지(전기설비 기술기준 제17조)
ㅇ 지중전선을 넣은 방호장치의 금속제 부분, 금속제의 전선접속함 및 지중전선의 피복으로 사용하는 금속체에는 제 3 종 접지공사
ㅇ 맨홀내 접지

ㅇ 맨홀접지는 제1종접지공사를 시행하되 접지저항치는 16Ω(합성저항 5Ω/km이하)로 하고 접지선은 나연동연선 38㎟이상으로 한다.
ㅇ 접지공사는 맨홀시공시 2개소에 접지동봉을 타설하고 리드선은 구조물매설용 접지연결동봉과 연결한다.
ㅇ 양접지개소의 리드선은 나연동연선 38㎟이상으로 맨홀벽체 외부에서 상호 연결한다.
나. 지중용 기기접지
ㅇ 외함 접지는 제1종 접지공사로서 10Ω이하를 유지해야 하며
접지단자는 나연동연선 38㎟이상으로 접지동대에 연결하고 접지동대는 나연동연선 38㎟이상으로 접지한다.
ㅇ 케이블중성선은 나연동연선 38㎟이상으로 접속하여 접지연결선 또는 접지단자에 연결한다.
ㅇ 접속재의 표면접지구멍은 2.0mm이상의 나연동연선으로 각상의 접지선에 연결한다.
ㅇ 변압기 2차측접지는 나연동연선 38㎟이상으로 접지단자를 거쳐 접지연결선에 연결한다.
ㅇ 개폐기 절연캡의 표면접지구멍은 3.5㎟이상의 나연동연선으로 각 상의 접지선에 연결한다.

다. 케이블헤드 접지
ㅇ 접지동봉 : 2본을 표준으로 지하 75㎝ 이상에서 타설
ㅇ 접지공용 : 동일개소 2종류 이상 접지시 낮은측 접지로 겸용
ㅇ 입상케이블 및 완금접지 : 가공선로 접지와 공용
ㅇ 피뢰기 접지 : 단독 접지
ㅇ 접지용 전선 : 600V 38㎟ 비닐절연전선
ㅇ 케이블중성선 연결선 : 케이블 굵기에 따라 22, 60, 100㎟
4. 기기공사
가. 지상설치형 변압기
(1) 설치장소 및 고려사항
ㅇ 전기공급규정에 의한 공급설비의 공간확보
- 지중공급 연면적 500㎡ 이상 건축물
- 지중공급 공압이상 수용
- 아파트 등 공동주택 수용
ㅇ 녹지대, 지하도 뒷벽, 육교 아래
ㅇ 관련 기관과 협의된 보도
- 가각, 소화전, 횡단보도에서 5m이상 떨어진 곳
- 버스정류장 등 상시 다수의 사람이 모이는 곳은 가급적 피함.
ㅇ 기설 기기 옆에 기기 신설시 기설기기와 외형 조화
ㅇ 동일장소 지상기기는 가급적 외형크기나 도장색 통일
(2) 특 징
ㅇ 1차측 2부싱(bushing)
ㅇ 2퓨즈 보호 : 한류퓨즈(限流, current limiting) + 이중소자퓨즈
- 한류 퓨즈(限流, current limiting) : 1 차측 보호
- 이중소자 퓨즈(dual element fuse, Bay-O-net fuse) : 2차측 보호
ㅇ 외부조작 무부하 탭(tab) 절환
ㅇ 권선 및 절연유 온도상승 한도 : 각각 65℃
ㅇ 외함 도장
- 녹지대 설치용 : 녹색 계통(Munsell No. 7.5 GY 3.5/2)
- 보차도 설치용 : 회색 계통(Munsell No. 5 Y 7/1)
ㅇ 절연 기준전압 : BIL 125㎸
ㅇ 자동압력 방출밸브 : 0.7 ± 0.14㎏/㎠ (10 ± 2PSI)
(3) 종 류
|
구 분 |
6.6 ㎸ |
22.9 ㎸ |
|
단 상 |
30, 50, 75, 100, 150, 200 |
30, 50, 75, 100, 150, 200 |
|
3 상(등동공용) |
100+30, 150+50, 200+75 |
- |
|
3 상 |
75, 100, 150, 200, 300 |
75, 100, 150, 200, 300, 500 |
|
1 차 탭 전 압 |
57-, 60-, 63-, 66-, 69- |
11.4∼13.8, 19.9∼23.9 |
|
2 차 전 압 |
1Φ:230/115 3Φ:400/230, 230/115 |
1Φ : 230/115, 460/230 3Φ : 400/230 |
(4) 구 조
<그림 3-15> 지상설치형 변압기 내부구조
(5) 운 영
ㅇ 변압기 선로 : 22.9 ㎸ CN/CV 60㎟ 케이블 사용
ㅇ 개폐기 설치 : 간선과 변압기 선로의 분기점
ㅇ 엘보접속재 접지선(2.0㎜ 연동선) 연결
ㅇ 변압기 운반고리 하향 조정
ㅇ 표시찰 취부 : 상, 선로명, 접속시공자
ㅇ 접속시공자 명찰 : 스텐레스 재질로 중앙 케이블 중성선에 취부
ㅇ 변압기 출고시 별도청구 부속재
- 엘보접속재(274LR, 방수 및 절연테이프 포함) : 케이블 조수
- 절연 캡(270DGR) : 엘보접속재 없는 부싱 수량, 작업 필요 수량
- 절연 부싱(271SOP) : 엘보접속재 절연 필요시
(6) 부 품
ㅇ Stand-off insulator : 엘보접속재 절연시 사용
ㅇ Insulated protective cap : 변압기 부싱절연시 사용
ㅇ Feed thru : 변압기 선로 바이패스용
ㅇ Grounding elbow : 변압기 부싱이용 선로 접지
ㅇ Elbow arrester(M.O.V.E gapless arrester) : 변압기 부싱에 설치
(7) 이중소자휴즈 용량
|
용 량(kVA) |
22.9kV-y | |
|
단 상 |
삼 상 | |
|
30 |
5 |
- |
|
50 |
6 |
- |
|
75 |
8 |
5 |
|
100 |
12 |
5 |
|
150 |
15 |
6 |
|
200 |
25 |
8 |
|
300 |
- |
12 |
(8) 퓨즈 교환
|
☞ 주의 : 이중소자 퓨즈나 변압기 엘보 조작시 安全을 위해 반드시 無電壓狀態에서 조작 |
ㅇ 조작에 필요한 장비
- Hot-stick : 길이 8″(203㎜) 이상
- 안전 보호구 : 안전모, 절연 보호장갑 등
ㅇ 조작 순서
- 자동방출 안전밸브를 당겨 변압기 내부압력과 외부압력 일치
- 퓨즈홀더 고리를 제쳐 잠금상태 풀고, 90°회전시켜 밀봉 분리
- 퓨즈홀더를 3″(75㎜) 정도 당겨 절연유 빠진후 완전히 뺌
- 퓨즈홀더 표면닦고, 퓨즈통(fuse cartridge) 분리
- 퓨즈통의 나사풀고 fuse link 교환
나. 지중선로용 개폐기
(1) 종 류

(2) 적용기준
지상설치형 개폐기는 스틱조작형 사용을 원칙으로 하고, 공간이 협소한 곳에 한하여 데드브레이크형을 사용할 수 있다.
ㅇ 4회로 4스위치
4회로 선로를 구성하거나 향후 부하증가로 인한 예비단자 사용이 예상되는 3회로선로에 적용하며 고객 인입개폐장치 등에 사용함.
ㅇ 4회로 2스위치
이중전원 공급고객의 인입개폐장치로 사용
ㅇ 3회로 3스위치
3회로 선로구성 또는 고객 인입개폐장치 등에 사용
(3) 특 징
ㅇ 절연 매체 : SF6 가스
ㅇ 정 격 : 25.8 ㎸, 600 A
ㅇ 개폐 수명 : 전기적 1,000회 (600A 전류시), 기계적 5,000회
(4) 설치 형태
ㅇ 지중 설치형
- 접속재 : 데드브레이크식 사용
- 설치장소 : 맨 홀
ㅇ 지상 설치형
- 접속재 : 스틱 조작식 사용(공간협소시 데드브레이크식 사용)
- 설치장소 : 지상기기 기초대 가. 형 식
ㅇ 데드 브레이크식(dead break type) : 지중 설치형
ㅇ 스틱 조작식(stick operable type) : 지상 설치형
(5) 접속재 연결
(가) 데드 브레이크식(dead break type)
<그림 3-16> 데드브레이크식 접속재
|
번호 |
접 속 재 명 칭 |
규 격 | ||
|
125㎸ BIL |
150㎸ BIL | |||
|
1 |
엘보 콘넥타(elbow connector) |
K650BLR |
750BLR | |
|
2 |
절연 플러그(deadend plug) |
K600DP |
750DP | |
|
3 |
부싱익스텐더(bushing extender) |
K600BE |
750BE | |
|
4 |
접속 플러그(connection plug) |
K600CP |
750CP | |
|
5 |
도체 콘넥타 (crimp connector) |
325㎟ |
650LRC-650 |
650LRC-650 |
|
200㎟ |
650LRC-400 |
650LRC-400 | ||
|
60㎟ |
650LRC-20 |
650LRC-20 | ||
|
6 |
케이블 아답터 (cable adapter) |
325㎟ |
650CA-KA |
750CA-KA |
|
200㎟ |
650CA-JAB |
750CA-JAB | ||
|
60㎟ |
650CA-HA |
750CA-HA | ||
▶ 방수 및 절연테이프(grounding kit) : Bisop No. 125
(2) 스틱조작식(stick operable type)
<그림 3-17> 스틱조작식 접속재
|
번호 |
접 속 재 명 칭 |
규 격 | ||
|
125㎸ BIL |
150㎸ BIL | |||
|
1 |
엘보 콘넥타(elbow connector) |
K650BLR |
750BLR | |
|
2 |
접속 플러그 |
K650ETP |
750ETP | |
|
3 |
절연 캡(insulating receptacle) |
270DRG |
370DRG | |
|
4 |
스틱형 접속단자 (connector contact) |
325㎟ |
3700 - 360 | |
|
200㎟ |
3700 - 310 | |||
|
60㎟ |
3700 - 250 | |||
|
5 |
케이블 아답터 (cable adapter) |
325㎟ |
650CA-KA |
750CA-KA |
|
200㎟ |
650CA-JAB |
750CA-JAB | ||
|
60㎟ |
650CA-HA |
750CA-HA | ||
▶ 방수 및 절연테이프(grounding kit) : Bisop No. 125
▷ 스틱조작식 접속재(LRTP) 내부구조

o 접속플러그 변경 : LRTPA2 → ETP(판단배(지)851.01-536, '98.5.8)
평일산업, Elastimold [CPS(RTE) 제품은 변함 없음]
o 접속단자 : 나사산 있음 → 없음 (데드형 공용)
평일산업, Elastimold [CPS(RTE) 제품은 변함 없음]
(6) 운 영
ㅇ 간선 선로, 신규수용 인입개폐장치 : 4W - 4SW 사용 원칙
ㅇ 양전원 공급수용 및 ALTS 수용가의 재산 한계점 : 4W - 2SW
ㅇ 개폐기 조작 : 절연 스틱(hot -stick) 사용
ㅇ 가스 압력
- 표준 압력 : 5PSI 이상(압력계 녹색 범위)
- 조작 금지 : 2PSI 이하(압력계 붉은색 범위)
- 가스재충진 : 제작업체에 연락, 전압 인가상태에서 충진 가능
ㅇ 조작후 개폐상태표시기 위치 확인
ㅇ 개폐조작 완료후 오조작 방지위해 시건장치
ㅇ 접속케이블 지지금구에 완전히 고정
ㅇ 접지선(2.0㎜ 연동선), 표시찰 취부
ㅇ 개폐기 운반고리 하향조정
ㅇ 단자번호별 선로명 표시
ㅇ 미사용 부싱 : 절연 캡으로 절연
|
데드브레이크식(deadbreak type) |
스틱조작식 (loadbreak type) | ||
|
BIL 125 ㎸ |
BIL 150 ㎸ |
BIL 125 ㎸ |
BIL 150 ㎸ |
|
절연캡(데드형) (K600 DRTP) |
부싱익스텐더(750 BE) + 절연 플러그 (DP) |
부싱익스텐더(K 600 BE) + 접속재(K650LRTP) + 절연캡(270DRG) |
부싱익스텐더(750 BE) + 접속재(750LRTP) + 절연캡(370DEG) |
* 절연 캡(DRTP, DRG) : insulating receptacle
* 접속재(LRTP) : load break reducing tap plug
제4장 지중선로 유지보수
1. 지중배전 공사 검사
가. 대 상
o 관로(맨홀포함), 전력구, 케이블 공사
나. 종 류
o 필수확인점(holding point) 검사 : 불합격시 다음공정 진행 불가
o 입회점(witness point) 검사 : 검사자 입회가 없더라도 다음공정 진행
o 중간검사 : 기준 공정 진행시 검사항목과 판정기준에 따라 검사
o 준공검사 : 시공상태의 계약도서와 일치여부 확인
다. 검사 시기 및 횟수
|
공 종 |
필수확인점 및 입회점 검사 |
중간 검사 |
|
관로 공사 |
긍장 1㎞이하마다 1회, 매㎞당 1회 추가 |
공정 50%마다 |
|
맨홀 공사 |
4개소 이하 1회, 이상 4개소마다 추가 |
" |
|
전력구공사 |
긍장 200m이하 1회, 이상 200m마다 추가 |
공정 30%마다 |
|
케이블공사 |
긍장 1㎞이하 1회, 매 ㎞당 1회 추가 |
공정 50%마다 |
라. 검사항목 및 판정기준
(1) 인입식 관로공사
※ 검사구분 : ○ 입회점 검사, ● 필수확인점 검사,
◎ 인수부서 입회 필수확인점 검사
|
공종 |
세부공정 |
판정기준 |
검 사 방 법 |
부적합 |
검사 |
|
굴 착 |
·저면 굴착폭
·굴착구배 ·모래 되메우기 ·토사 되메우기 |
·합성수지 관로 시공 방법 " ·설계서 및 시방서 " |
·외관검사 및 사진 유지 " " " |
재시공
" " " |
● ○ |
|
관 포설 |
·포설된 관의 배열 및 이격 상태 ·관 곡률반경 유지 |
"
·케이블 곡률반경 이상 |
"
" |
"
" |
○
○
|
|
관접속 |
·동종관 접속
·이종관 접속 |
·합성수지 관로 시공 방법 " |
"
" |
"
" |
○
|
|
관 로 도 통 시 험 |
·케이블 포설을 위한 도통시험 ·내장 철선유무 및 처리상태 |
"
" |
·현지시험 및 사진기록유지 ·외관검사 및 사진 유지 |
별도대책 강구 " |
◎
◎
|
(2) 맨홀공사
※ 검사구분 : ○ 입회점 검사, ● 필수확인점 검사,
◎ 인수부서 입회 필수확인점 검사
|
공 종 |
세부공정 |
판정기준 (적합,부적합) |
검 사 방 법 |
부적합 사 항 |
검사 종류 |
|
맨홀
시공 |
·굴 착
·Lean 콘크리트 타설, 방수공사 ·지수판 설치 ·바닥콘크리트 타설 ·상부 콘크리트 타설 ·벽체 및 슬라브 방수공사 |
·설계서 및 시방서
"
" "
"
"
|
·현지측정 및 사진 유지 " " "
"
" ·외관검사 및 사 진 유지 |
재시공
" " "
"
" "
|
○
○
●
● |
|
맨홀
부대
설비 |
·관로구 배치 및 취부 ·관로구와 관로 연결부 처리 |
"
" |
"
" |
"
" |
○
|
|
부 속 설 비 |
·맨홀 뚜껑 ·발판볼트 ,훅크 ·사다리, 물받이 |
" " " |
" " " |
" " " |
|
|
접 지 |
·접지선 굵기 및 접지동봉 설치 ·청동볼트와 접지선 연결 ·접지저항치
|
"
"
"
|
"
"
·현지 측정 및 기록 유지 |
별도대책 강구 "
"
|
◎ |
(3) 개착식 전력구공사
※ 검사구분 : ○ 입회점 검사, ● 필수확인점 검사,
◎ 인수부서 입회 필수확인점 검사
|
공 종 |
세부공정 |
판정기준 (적합,부적합) |
검 사 방 법 |
부적합 사 항 |
검사 종류 |
|
토공 및 가시설 공사 |
·줄파기 및 지장물 확인 ·굴착 ·H-Pile 가시설 ·되메우기 |
·설계서 및 시방서 " " " |
·외관검사 및 사진 유지 " " " |
재시공
" " " |
○
○ |
|
구조물 공 사 |
·지수판 설치 ·바닥콘크리트 타설 ·상부 콘크리트 타설 |
" "
"
|
" ·현지 측정 및 기록 사진유지 "
|
" "
"
|
○
●
|
|
방 수 공 사 |
·Lean 콘크리트 타설, 방수공사 ·벽체 및 슬라브 방수공사 ·방수보호재시공 |
"
"
" |
"
·외관검사 및 사진 유지 " |
"
"
" |
○
●
○ |
|
접 지 공 사 |
·접지선 굵기 및 접지동봉 설치 ·청동볼트와 접 지선 연결 ·접지저항치
|
"
"
"
|
"
"
·현지 측정 및 기록 유지 |
별도대책 강구 "
"
|
◎ |
(4) CNCV 케이블공사
※ 검사구분 : ○ 입회점 검사, ● 필수확인점 검사,
◎ 인수부서 입회 필수확인점 검사
|
공 종 |
세부공정 |
판정기준 (적합,부적합) |
검 사 방 법 |
부적합 사 항 |
검사 종류 |
|
케이 블 포설 준비 작업 |
·케이블 보관 상태 ·로울러 설치 ·케이블 인입 금구 연결 |
·배전공사 현장 관리 지중선로 공사 " " |
·외관검사 및 사진 유지 " " |
재시공
" "
|
○
|
|
케이블 포설 |
·포설 장력
·케이블 손상
|
·케이블 규격별 허용장력 이내 ·외피손상 없을것
|
" ·현지 측정 및 기록 사진 유지 |
"
"
|
○
○
|
|
접 속 공 사 |
·케이블 제단
·도체 접속 ·접속재 조립 ·방수테이프처리 |
·케이블 규격별 제단 길이 ·6회 ·접속 설명서 ·테이프 전량 사용 |
" " ·외관검사, 사진유지 " |
"
" " " |
●
● ● ● |
|
접 지 공 사 |
·중성선 연결
·접지선 연결 |
·스리브 사용 및 접속
" |
"
" |
별도 대책 강구 " |
○
○ |
2. 지중설비 관리
가. 지중설비 순시
(1) 순시별 조사항목
|
구분 순시별 |
대 상 설 비 |
조 사 항 목 |
|
안전순시 |
고압이상의 가공설비
○시가, 인가지역 ○농경지정리사업지구 ○도시계획 사업지구 ○건조물 신증축 예상 지역 |
○선로주변의 인의적인 환경변화에 의한 사고발생 우려 여부 - 건조물 신증축 - 외물 접촉 (수목,안테나,연통,비닐테이프등 ) - 토지구획정리, 농경지정리 등 으로 인한 토지의 형질변경 - 지형, 지반변경에 의한 지지물 의 경사, 도괴우려등 |
|
정기순시 |
설비전반 |
○ 설비전반에 관한사항 단, 년차적으로 시정하여야 하는 운영계획사업 대상분은 제외 ○ 현장에서 조치 가능한 사항은 순시시 조사시정 |
|
특별순시 |
○ 사고발생 구간 ○ 필요개소 |
○ 사고복구에 요하는 사항 ○ 상사의 명으로 특별히 지시받은 사항 |
|
간부순시 |
관할설비 |
○ 타시설물 횡단개소의 안전도 - 도로, 철도 - 약전선 ○ 위해개소의 시정상태 ○ 개폐기류의 운전실태 ○ 인가지역 경과선로의 안전도 ○ 계통운전상 필요한 사항 - 루트 변경 - 선로간 연결 - 선로 부하분리 ○ 유휴설비의 방치여부 |
(2) 지중배전선로 순시일지 작성
|
구 분 |
점 검 사 항 |
장 소 |
내 용 |
비 고 |
|
케이블접속재 |
-과열개소 |
|
|
|
|
맨홀 및 핸드홀 |
-뚜껑요철 유무 |
|
|
|
|
분 전 함 |
-접지상태 |
|
|
|
|
기 타 |
|
|
|
|
o 순시결과보고서
- "직영분"과 "설계대상분" 구분
- 위해도에 따라 "즉", "급", "완"으로 구분
- 시정계획대 실적을 매월 사업소장에게 보고
o 조치결과 실태점검
- 주관 : 기획관리실장(기획관리과장)
- 분기 1회이상 점검
나. 해저 CABLE의 점검지침
|
점검항목 |
표준회수 |
내 용 |
|
모니터(MO -NITOR) |
- |
○ 배 (지) 990-14578(′80. 9. 5)의 “ 해저 |
|
순시점검 |
1 회 / 月 |
1. CABLE 입상전주 2. 육표 및 부표 3. 육상부분 CABLE 4. 해저부분 CABLE |
|
잠수점검 |
1 회 / 년 |
매년 태풍후등을 점검시기로 선정하여 잠수부에 의해 수심 약 40m까지 CABLE 및 CABLE 방호관의 상황 등을 점검 실시( 점검결과에 따라 보수가 필요한 경우는 보수계획 수립하여 시행하고, 하자보증 기간 만료 이전에는 하자처리) |
다. 보수용자재 보유기준
|
품 명 |
규 격 |
단위 |
지 사 |
지 점 |
설 비 기 준 | ||
|
1차 |
2차 | ||||||
|
지상 변압기 |
22.9kV용 |
1ψ |
대 |
2 |
1 |
- |
변압기 50대이상 보유사업소 |
|
3ψ |
2 |
2 |
- | ||||
|
가스 절연 부하개폐기 |
25.8kV, 4Way |
대 |
2 |
1 |
- |
개폐기 50대이상 보유사업소 | |
|
케이블 |
22.9kV CN-CV |
60㎟ |
m |
250 |
250 |
- |
60㎟ 케이블 10 C-Xm 이상 보유사업소 (필요시 200㎟확보) |
|
325㎟ |
m |
250×3 드럼 |
250 |
- |
325㎟ 케이블 10 C-Xm이상 보유사업소 (필요시200㎟확보) | ||
|
600V CV 케이블 |
m |
200 |
200 |
- |
저압케이블 5㎞이상 보유사업소(규격별합계) | ||
|
직선 접속재 |
23kV 용 (60∼325㎟) |
개 |
12 |
12 |
12 |
접속개소 500개미만 보유사업소 | |
|
24 |
24 |
24 |
접속개소 500개이상 보유사업소 | ||||
|
종단 접속재 |
23kV 용 (60∼325㎟) |
개 |
6 |
6 |
6 |
접속개소 300개미만 보유사업소 | |
|
9 |
9 |
9 |
접속개소 300개이상 보유사업소 | ||||
|
엘보 접속재 |
개폐기용 |
set |
24 |
12 |
6 |
개폐기 50대이상 보유사업소 | |
|
변압기용 |
set |
12 |
12 |
6 |
변압기 50대이상 보유사업소 | ||
|
맨홀 뚜껑 |
ψ750 |
개 |
1 |
1 |
1 |
맨홀 100개이상 보유사업소 | |
|
Bay-O-Net Fuse |
각종 |
계 |
10 |
10 |
10 |
변압기 50대 미만 보유사업소 | |
|
20 |
20 |
20 |
변압기 50대 이상 보유사업소 | ||||
라. 기기설치 및 운용시 유의사항
〔판단배(지)853.06-571('94. 1. 17) 중 배전기기 관리교재 참조〕
지중배전기기의 설치시 도시미관에 저해가 되지않도록 도색,
기기간의 간격 및 배열상태에 유의할 것
|
항 목 |
가스개폐기 |
지상변압기 |
비 고 |
|
조 상 고 리 |
돌출되지 않도록 할것 |
※ 안전 및 미관고려 | |
|
계 기 확 인 |
가스누설점검 |
누유점검 |
※ 이상시 즉시 조치 |
|
붓 싱 취 급 |
절대 힘을 가하지 말것 |
※ 가스누설 원인 | |
|
상 시 개 방 점 |
붓싱절연처리철저(절연캡시공) |
※ 안전사고 예방 | |
|
엘 보 시 공 |
완전접속 및 접지시공 철저 |
※ 안전사고 예방 | |
|
케 이 블 지 지 |
흔들림이 없도록 완전지지 |
※엘보접속재사고원인 | |
|
곡율반경유지 |
충분한 곡율반경 유지 |
※엘보접속재사고원인 | |
|
엘 보 조 작 |
반드시 조작봉 사용 |
※ 안전사고 예방 | |
|
안전잠금장치 |
개폐후 Lock |
- |
※ 안전사고 예방 |
|
방 수 테 이 프 |
방수테이프 완전시공 |
※ 안전사고 예방 | |
|
개 폐 운 영 |
고장시조작금지 |
- |
※ 안전사고 예방 |
|
엘 보 및 휴 즈 |
- |
무전압시 조작 |
※ 안전사고 예방 |
|
시 설 장 소 |
지상원칙 |
지상 |
※ 고장예방 |
|
휴 즈 |
- |
정격확인 |
※ 고장예방 |
|
접 지 |
휴전 작업시 : 접지엘보 적용 |
※ 안전사고 예방 | |
|
운전시 : 중성선 및 시스접지 | |||
마. 유지보수 Check List
|
설 비 |
점 검 사 항 |
조 치 내 용 |
조 치 시 기 |
|
케이블
접속재
|
○ 접속재 시설상태 - 써포트 미지수 여부 - 맨홀바닥에 접속재 방치 - 허공에 매달린 상태 - 접속재 굴곡현상 |
○실린더 써포트 및 행거 를 사용하여 보수공사 실시
|
즉 시
|
|
○맨홀 누수로 물에 잠겨 있는지 여부
|
○배수작업 수시실시 ○누수맨홀 내벽방수 보수공사 실시 |
즉 시 (년도별보수 계획수립) | |
|
○접속재 과열발생 여부
|
○동일선로 접속재별 표면온도를 비교하여 큰 차이를 나타낸 접속재 점검 |
즉 시
| |
|
○접속개소 접지 - 접속함 접지여부 - 중성선과 맨홀 접지선과의 접속 여부 - 접지선 이상유무 ○케이블중성선과 가공 중성선연결 |
○접지시공요령에 의거 접지 보완
○(케이블중성선과 동일굵기) |
즉 시
| |
|
지 상
개폐기
|
○선로표시 ○엘보접지 ○엘보에 케이블 장력 발생 여부(케이블고정여부) ○엘보과열 발생여부 ○가스압력 (5PSI이상) |
○표시찰 부착 ○접지기준에 의거 보수 ○케이블 고정
○접속재 점검 ○가스보충 |
○자재확보후 즉시 보수 |
|
설 비 |
점 검 사 항 |
조 치 내 용 |
조 치 시 기 |
|
지 상
개폐기
|
○맨홀내 개폐기의 케이블 고정유무(장력발생) ○외함접지(제1종 10Ω 이하) ○M/N내 지중용개폐기 관리상태 - 지상에서 기기조작 가능 여부 - 맨홀누수여부 - 접속케이블 장력발생 유무 ○지상기기 운반용 조상고리 |
○실린더 써포트 및 고정용크리트 사용 케이블 고정 - 조작가능토록 개폐기 이동 - 방수공사 우선시행 -실린더 써포트 설치 및 고정용 크리트로 케이블 고정
○조상고리가 돌출되지 않도록 조치 |
○자재확보후 즉시 보수
○ 지중개폐기 맨홀보수 즉시 시행 |
|
지 상 변압기
|
○엘보접지 상태 ○외함접지(제1종 10Ω 이하) ○부하 불평형 ○과부하 여부 - 80%이상 부하시 부하증가추이 관찰 ○유면계 표시선 이상 ○절연유 누유여부 ○외함기초대 파손유무 ○온도계 확인 ○운휴붓싱 절연캡 설치 여부 |
○접지시공 ○접지시공 ○불평형 시정공사 시행 - 부하분리 - 상간 부하안배 ○과부하 변압기 교체 조기 시행 ○ OT 보충 ○ 기초대 보수 ○과부하 상태 또는 누전 여부 확인 ○절연캡 설치 |
즉 시 ″ ○하기부하전 시정 조치 ″
″ 즉 시 ″
|
|
설 비 |
점 검 사 항 |
조 치 내 용 |
조 치 시 기 |
|
지 상 변압기
|
○지상기기 운반용 조상고리 - 관로구 뚜껑 설치여부 - 벽체 누수 (균열 등) - 삽입형 방수장치 설치 여부 (규격사용 여부) |
○조상고리가돌출되지 않도록 조치 - 관로구 방수처리 * 관련공문 :판단배(지) 990.20-5095('91. 4. 1)
|
즉 시
|
|
케이블 입상주
|
○입상케이블지지(2개소)
○지지금구 이상유무 ○D/L 및 상표시찰 ○피뢰기 설치유무
○구분개폐기 설치유무 ( 입상주 다음 전주 ) ○굴곡부분 보호관설치 여부 |
○설계기준에 의거 입상케이블 지지
○설치 ○피뢰기 설치
○구분개폐기 설치
○반할강관 설치
|
○보수계획 수립 시행 ○볼트조임 ○즉시 ○설치계획 수립 시행 ○단계별 설치 ″
|
|
케이블 헷 드 |
○매연 및 먼지오염 여부 ○동관단자 볼트이완여부
○절연카바내 물고임여부
○터미널부근 방수테이핑 상태 |
○헷드 청소 ○볼트 조임 Ω ○절연카바내 물고임 현상 제거 ○방수테이핑 재처리
|
○점검시 보 수 가능분은 병행 시행 ○보수연차 계획수립시행
|
|
설 비 |
점 검 사 항 |
조 치 내 용 |
조 치 시 기 |
|
케이블 헷 드 |
○접지선 시설여부 ○맨홀 접지저항치 측정 ( 16Ω 이하 : 개정 ) - 접지봉식 저항계 또는 신형 후크온메타 측정기 사용 |
○접지선 시공 ○저항치 기준 미달 개소는 접지보강 공사 시행 (접지선 연장하여 맨홀 외부에 접지시공, 접지 저감재사용 ) |
○단계별 보강계획수립하여 개수
|
|
맨홀내 케이블 |
○관로 인입부분 굴곡개 소의케이블 미지지 여부 ○케이블바닥에 방치여부 ○허용곡율반경 유지여부 |
○실린더 써포트 및 행거 설치 ○허용곡율 유지를 위하여 고정용 크리트 설치 |
○자재확보율 즉시 보강
|
|
케이블 누 설 전 류 측 정 |
○측정대상 - 1순위 : 설치후 10년 이상 경과된 케이블 - 2순위 : 설치후 7년 이상 경과된 케이블 |
○연간 측정계획 수립하여 단계적 측정 ○케이블 접속개소 또는 케이블 절연체 열화여부 판 단 |
○년간 수시
|
|
누 수 구조물
|
○지하구조물 (전력구, 맨홀,핸드홀) 누수상태 파악 ○누수개소 파악 |
○누수구조물 일제 파악, 누수보강공사 년차계획 수립 - 내벽 방수 |
○단계별 보수
|
※ 관련공문 : 판단배 (지) 990.28-20801 ( ′91. 12. 28 )
바. 지중배전선로 인수시 점검사항
|
구 분 |
점 검 항 목 |
점 검 결 과 |
비 고 | |||
|
양 호 |
불 량 |
보수요 | ||||
|
케 이 블 |
포 설 |
전력구,관로,수용가구내설치상태 |
|
|
|
|
|
인 입 |
수용가구내,관로구방수장치 및 방수상태 |
|
|
|
| |
|
케이블헤드 |
이격거리 크리트 취부상태 |
|
|
|
| |
|
접 속 |
접속개소 보호 및 설치상태 |
|
|
|
| |
|
접 지 |
접속개소 접지상태 |
|
|
|
| |
|
맨 홀 |
방 수 |
맨홀내 방수 및 누수상태 |
|
|
|
|
|
뚜 껑 |
뚜껑 높낮이 및 시건상태 |
|
|
|
| |
|
금구류 |
써포트지지 및 금구류설치상태 |
|
|
|
| |
|
개 폐 기 |
접 속 |
접속상태(과열 및 시공상태) |
|
|
|
|
|
가스압 |
적정여부 |
|
|
|
| |
|
접 지 |
접속재 및 기기 외함 접지시공상태 |
|
| |||
|
금구류 |
설치상태 |
|
| |||
|
기타사항 |
|
|
| |||
아. 2차사업소의 지중업무 처리기준
|
업 무 내 용 |
2차사업소 |
1차사업소 |
비 고 |
|
지중배전설비의 신증설공사 |
○ |
준공 절연내력시험 지원 |
|
|
가공선 지중화공사 |
- |
설계 및 준공시험 지원 |
|
|
지중배전설비의 관리 및 유지보수 - 순시,점검,보수공사 - 고장점색출 및 복구 - 지상기기 고장복구 - 케이블 내압시험 및 열화측정 |
○ ○ ○ ○
|
고장점색출 및 복구지원 비상자재 지원 인력부족 및 측정기 미보유시 지원 |
|
|
지중업무 OJT교육 (송배전원,지중전기원) |
- |
2차사업소 순회교육 지원 |
|
|
특수공법 적용 (케이블 방재시설 등) |
- |
○ |
|
|
지중예산 집행 |
○ |
예산배분 및 실적분석 |
|
3. 배전선로 순시 및 정비
가. 근거 : 송배전선로 순시 및 정비지침
나. 목 적
선로사고를 미연에 방지하고 양질의 전력을 공급하기 위하여 송배전선로의 운전 유지 및 보수에 관한 사항을 규정함을 목적으로 한다.
다. 적용범위
송 배전설비의 보수는 전기사업관계법령, 계량법 및 전기보안 규정에 따른 이외에는 이 규정에 정한 바에 따르며, 공사업자가 시공하는 신 증설공사도 포함한다.
라. 용어의 정의
o 배전선로 : 공칭전압 22,900V-y 11,400V-y 6,600V 5,700V 3,300V 380V 220V 110V급의 전선로(인입선 및 첨가 전화선 포함) 및 부대전기공작물.
o 선로보수 : 선로의 유지 및 사고예방을 위하여 시행하는 측정 및 보수업무와 사고의 복구작업을 말한다.
마. 일반보수
(1) 보수원의 편성
배전선로보수원은 2인 이상으로 편성하여 작업하되 그 중 1명은 작업상 위험여부를 감시하여야 한다.
(2) 순시
(가) 목 적
지중배전선로의 운전사항을 사전에 파악하여 예고치 못한 사태에 적절하게 대처하기 위해 사고발생(유발)개소 및 보수필요 개소를 사전에 발견하여 예방하기 위함.
(나) 순시의 종류
① 정기순시
1개조 2인 이상으로 편성한 순시조가 담당구간을 보행으로 정기순시하며 배전선로의 이상유무 및 사고방지에 필요한 사항을 조사하여 현장에서 조치가 가능한 사항을 처리한다.
다만, 출장소 주재소 등과 같이 조편성이 곤란한 경우에는 1인이 순시할 수 있다.
② 특별순시
배전선로의 사고발생 또는 발생우려가 있거나 기타 순시가 필요한 경우 상사의 지시에 따라 불량구간을 순시하며, 사고 발생장소를 발견하였거나 예측한 경우에는 즉시 조사하여 그 결과를 가장 신속한 방법으로 보고함과 동시에 적절한 조치를 취한다.
③ 간부직원 순시
지사 및 지점의 배전보수담당 간부직원은 보수실태의 파악을 위하여 관내를 순시하여야 하며 특히 철도 인가 및 약전선 횡단 개소의 공작물 상태에 유의하여야 한다.
④ 안전순시
배전선로 주변의 환견변화에 대한 안전을 확보하기 위하여 고압이상의 가공선로를 정기적으로 순시하며, 사고의 방지에 필요한 사항을 조사 조치한다.
(다) 순시 기준
|
구 분 |
기 준 |
비 고 | |
|
정 기 |
가 공 |
고압이상 1회이상/분기 |
|
|
저압 1회이상/반기 | |||
|
지중 1회이상/월 |
차 량 순 시 가 능 | ||
|
특 별 |
수 시 |
| |
|
간부직원 |
2회이상/년 |
| |
|
안 전 |
2회이상/월 |
차 량 순 시 가 능 | |
(3) 전선로 점검
(가) 적용범위
배전선로 순시로 충분히 조사하기 어려운 선로의 상태 기기 및 보안장치등을 자세히 조사하기 위하여 다음의 기준 또는 기타 필요시에 전선로의 점검 및 청소를 실시하며 경미한 사항의 보수공사를 시행한다.
(나) 점검내용 기록
전선로의 점검후에는 점검내용을 이력카드에 기록 관리
(다) 정기점검 기준
|
항 목 |
기 준 회 수 |
비 고 |
|
1. 지상설치형변압기, 저압분전함 등의 점검 2. 접지장치점검 및 보수 3. 주의표 등 기타표지 4. 지상설치형 개폐기 등 개폐기류 5. 케이블헤드점검 및청소 6. 관로점검 7. 맨홀, 통도내부점검 8. 케이블전용교, 첨가교량의 케이블 피로점검 9. 맨홀,통도내 배수 및 청소 |
1회/1년
수 시 " 1회/년 1회/년 수 시 2회/년 수 시
" |
|
(4) 측 정
측정업무는 정격전압의 유지 배전선로상의 기기 및 보안장치의 정상상태유지 등을 위하여 다음의 기준에 따라 실시하여야 한다.
o 측정기준
|
항 목 |
기준횟수 |
비 고 |
|
1. 선로전압 및 전류 측정 2. 배전변압기 부하측정 3. 접지선 접지저항 측정 및 누설전류측정 4. 수용가 인입점 전압측정 5. 케이블 열화 측정 |
1회/2년 수 시
1회/2년 수 시 1회/5년 |
최대부하시 "
|
바. 사고처리 및 복구
(1) 책임자 선정
(가) 지사 및 지점(Ⅰ) : 보선사령 또는 수리반 책임자
(나) 지점(Ⅱ, Ⅲ) 및 출장소(Ⅰ) : 수리반 책임자
(다) 출장소(Ⅰ, Ⅱ) : 출장소장
(2) 지휘 및 지시
사고처리책임자는 배전선로의 사고처리를 지휘하고 전력공급 및
안전작업에 차질이 없도록 세심한 주의를 기울여야 한다.
(가) 지령계통
o 본사 소관부서장→지사장 또는 지점장(Ⅰ)→소관부장→보선담당과장 (보선사령)→수리반책임자
o 본사 소관부서장→지점장(Ⅱ, Ⅲ)→공무담당부장→수리반책임자→출장 소 수리반책임자
(나) 사고처리절차
o 수리반은 배전선로 및 옥내의 사고발생 등 그 일체를 사고처리 책임자에게 보고하여 지시를 받아 처리한다.
o 수리반은 사고의 미연방지 또는 사고처리에 대한 지시를 받은 때에는 신속히 처리하고 그 결과를 사고처리 책임자에게 보고
(다) 송 휴전의 요청
사고처리 책임자는 사고확대를 방지하기 위하여 배전사령 또는 변전소책임자에게 송 휴전을 요구할 수 있다.
(라) 고장전선로 조작
o 전원 및 변전소 기계사로를 제외한 전선로사고는 사고처리 책임자의 지휘에 따라 처리한다.
o 전원 및 변전소사고로 송 배전선로에 공급이 중단된 경우 배전사령 또는 변전소책임자는 사고처리 책임자와 긴밀한 연락을 취하여야 한다.
o 기타 원인불명의 사고처리는 사고처리 책임자와 배전사령 또는 변전소 당직책임자가 긴밀히 연락하여 처리한다.
(마) 응급조치 및 관계 사업소협의
사고처리 책임자는 사고에 대하여 항상 냉정 침착하게 상황을 판단하고 면밀히 고려하여 응급조치를 취한 후 즉시 다음에 따라 관계사업소와 협의한다.
o 불량개소에 대하여 구간의 보수담당자에게 통보하여 수리 또 특별순시를 의뢰한다.
o 사고로 인하여 정전되어도 송전결과가 이상이 없는 경우에는 그 상황을 보수담당자에게 통지한다.
o 사고로 인하여 정전된 기계 전선로 등의 복구예정에 관하여는 조사 후 신속히 관계 사업소에 통지한다.
(바) 기기조작
o 사고처리 책임자는 사고가 발생하였을 때 그 사고를 처리하기 위하여 필요한 변전소의 차단기(O.C.B등)의 차단을 배전사령 또는 변전소책임자에게 요구할 수 있다.
o 선로구분 개폐기의 조작은 반드시 사고처리 책임자의 지시에 따른다. 다만, 사고처리 책임자는 이 취지를 배전사령 또는 변전소 당직책임자에게 미리 통지한다.
(사) 복구작업의 착수
선로보수원은 사고발생시 다음에 따라 그 상황을 조사하여 즉시
상사에게 보고하고 그 지휘를 받아 복구작업에 착수한다.
o 사고장소가 명확할 때에는 즉시 복구공사에 착수하되 발 변전소와 정전 및 송전에 관한 책임이 있는 자와 협의한 후에 하여야 한다.
o 사고장소가 불명확할 때에는 구분 시험하여 색출한 후에 복구공사에 착수한다.
o 특별순시에 있어서 담당순시원만으로는 시간이 지연될 우려가 있을 때에는 관계 책임자는 응원순시원을 파견하여 복구시간의 단축을 기한다.
(아) 구분개폐기 조작
구분개폐기 조작은 공사책임자의 명의로 행하되 다음에 따른다.
o 지령자 및 수령자의 성명을 확실히 한다.
o 1명령 2조작을 원칙으로 하고 반드시 복창한다.
o 조사시에는 사전에 전후 계통에 대하여 숙고 검토한다.
4. 지중설비 고장복구
가. 지중배전선로의 고장복구시 착안사항
(1) 현장출동전 확인할 사항
o 동작계전기 확인(OCR,OCGR)
o 고장선로의 구분개폐기 위치확인
o 고장선로의 취약개소 파악
(2) 장비 및 자재 확인
o 장비 : 검전기,메가, 후크온메타,개인안전장구,교통통제기구
o 자재 : 간단한 보수자재
(3) 고장구간 검출
o 선로의 중간지점에 위치한 개폐기를 개방하여 고장구간판별
o 단계별로 압축하여 고장구간 확인
- 평소 위약개소 우선 확인
- 지상기기 개방확인
- 지중구조물 뚜껑개방 내부이상여부 확인
- 선로구간 노면확인
o 고장구간이 확인되면 건전구간 절체공급
(4) 고장복구
o 고장복구에 필요한 장비,자재를 판단하여 운반
- 장비 : 펌프,경과지탐지기,내전압시험기,가스측정기,고장탐지기
- 자재 : 직선접속재,엘보,종단접속재 등
o 고장점이 노출되면 고장원인파악
o 정전구간이 있으면 가복구하고 본복구방안 검토
o 정전구역이 없으면 천천히 완벽한 복구
(5) 고장복구후 조치
o 정전구역의 신속한 송전
o 계통원상복구(절체)에 순간정전이 수반되면 부하를 검토하여 심야경 부하시 절체
o 정전이 수반 되지 않으면 고장복구후 즉시 계통원상회복
나. 지중선로사고 원인분석

다. 지상변압기 절연유 분출고장 해석
(1) 변압기 구조 (Padmounted Transformer, 유입자냉식)
① 각부의 명칭
○ 권선
- 1차권선(전원에 접속되는 권선)과 2차권선(부하에 접속되는 권선)
으로 구성되어 있으며, 철심에 코일상태로 감겨져 있음.
- 철심과 권선의 절연용이를 위해 저압측(2차권선)을 내측(內側)에 배치.
○ 철심
자로(磁路)를 형성시키기 위한 것으로서, 자기특성이 좋은 두께
0.3mm정도의 규소강판을 성층(成層)시킨 것.
○ 혼촉방지판
고압권선과 저압권선에 설치하며, 절연파괴 방지를 위해 고저압의 절연물사이에 도체를 감아서 접지를 함.
○ 철심과 권선의 배치
- 내철형은 철심이 내측에 있으며 외철형은 권선이 내측에 있고 철심이 주위를 둘러싸고 있는 것.
- 철심구조로는 적철심형은 규소강판을 모양에 맞게 절단한 것을 쌓아서 압착한 것이며, 권철심형은 방향성 규소강대를 용수철 모양으로 감은 것.
- 코일의 권선상호간, 권선과 철심의 사이는 성층절연물이나 프레스보드를 사용하여 절연.
② 절연재료
○ 절연재료(A종)
허용최고온도가 105℃이며, 목면, 견사, 크라프트지 또는 유사한 유기질 재료 구성되어 니스류로 함침하거나 유중(油中) 안에 잠겨 있도록 한 것으로 표준 유입변압기에는 이 절연방식을 사용.
○ 절연유
유입변압기의 냉각과 절연에 사용되며, 고체로 되어있는 절연조직의 틈 사이에 침투해 들어가서 절연파괴의 원인이 되는 보이드를 없애는 역할을 하며, 천연광유 또는 합성유(실리콘유) 등이 있음.
③ 냉각방식
기름의 대류작용에 의해 발생열은 외함 및 방열기에 전달되어 대기중으로 방산
(2) 변압기 관리
① 온도상승
○ 변압기의 온도상승 : 변압기를 운전하면 무부하손, 부하손에 의하여 철심과 권선이 발열하며, 이 열은 절연유를 매개체로 방사(放射), 대류 등에 의해서 외부로 방열되고 이때의 외부온도와 변압기 온도의 차이를 변압기의 온도상승이라고 말한다.
☞ 당사 지상설치형 변압기의 권선 및 절연유 온도상승 한도 : 65 ℃
※ 변압기의 정격용량 : 30년정도의 수명기대치와 절연물에 허용되는 최고온도에 의해서 결정
② 과부하 운전지침
○ 전류치의 제한 : 부하전류는 정격전류의 1.5배 이하
○ 권선 최고점 온도의 제한 : 150℃ 이하
○ 최고 유온의 제한 : 100℃ 이하
○ 절연물 열화의 법칙 : 절연물의 수명은 6℃상승할 때마다 수명이 반감
③ 열 화
○ 열화 대상
주로 권선을 구성하는 도체피복이나 코일간의 스페이서(spacer) 등의 절연물
○ 열화의 원인
- 열에 의한 열화 : 온도가 높으면 높을수록 수명은 지수 함수적으로 감소
- 흡습(吸濕)에 의한 열화
- 산소의 흡수에 의한 열화
- 부분방전에 의한 열화 : 변압기 내부의 절연적인 결함에 의한 손상
- 기계적인 응력에 의한 열화
외부단락, 과전류 등에 의한 전자기계력이나 전자적 진동 등에 의하여 발생하는 절연물의 기계적 파괴
(3) 절연유 분출고장 해석
(가) 변압기 절연유 분출과정
( 저압측 단락, 부하급변 또는 붓싱파손 )
( 1차권선 또는 리드선 지락발생 )
( 2,000 ~ 5,000 ℃ )
( 가스발생 : 수소, 탄화수소 등)
( 순간압력 상승 )
※ 수 Cycle 내 탱크압 3.5kg/㎠ 까지 상승
(나) 지상변압기 보호장치의 특성
○ 보호협조
- 방출형 휴즈(Bay-O-Net Fuse)
2차측(부하측) 단락이나 과부하같은 작은 고장전류를 차단
- 한류휴즈 (Current Limitting Fuse)
1차측(전원측) 단락과 같은 대전류 영역을 차단
(다) 절연유 분출 Mechanism
○ 고장 모드(Mode)
- 절연유 덩어리가 탱크의 상부표면에 올라가는 현상 ♣
- 절연유 표면 가까이에서 아크차단으로 가스분출현상
- 기층과 아크에 의한 거품체적 사이에서 절연유가 진동하는 현상
- 짧고 낮은 에너지의 아크가 긴시간 동안 천천히 가스를 생성
☞ ♣의 현상이 지상변압기 절연유 분출고장 원인으로 추정
(라) 고장발생 종합적 분석
2차측 고장이나 부하변동에 의해 권선이 기계적 힘을 받아 손상되면서 아크 및 가스를 발생하여 기름의 대류에 따라 상승하면서 고압 붓싱단자에서 지락을 발생, 또다른 고온 고압의 가스를 생성하면서 이 가스가 절연유를 상부로 밀어 탱크를 파괴함.
그림. 지상변압기 고장발생 추측개념도
(4) 보수점검
(가) 점검 항목
|
점검개소 |
점검 항목 |
요 점 |
이상의 원인 |
|
변압기 본 체 |
유온 |
주위온도와 부하량 및 온도계의 지침을 기록, 비교 |
변압기의 내부이상 온도계지시 불량 |
|
이상음 진동 |
일상시와 다른음, 진동, 단속(斷續)음의 발생장소 |
과여자, 내부 또는 외부의 조임이완, 유중방전 | |
|
누유 |
분말가루로 표시후 관찰 |
패킹의 열화, 이완 용접부의 핀홀 | |
|
부싱단자 |
누유 |
애자의 변색, 부싱부조의 누유 |
패킹의 열화, 이완 |
|
과열,균열 오손 |
진애, 염분의 부착, 코로나음 |
조임개소의 이완, 과부하, 외부 및 내부원인의 파손 | |
|
방압장치 |
누유 방압판의 균열 |
방압변의 균열 및 이완 |
방압판의 열화 패킹의 열화 |
(나) 고장 점검
○ 고장 유형
- 2차측 고장
ㆍ 저압케이블 외상에 의한 지락 및 단락
ㆍ 저압접속부 과열, 인입 연결점 및 고객 구내 불량 등
- 변압기 내부고장
ㆍ 권선 절연불량, 리드선 탈락 등 변압기 내부결함에 의한 고장
ㆍ 장기간 사용에 따른 절연유 열화 등
- 외부 고장
ㆍ 엘보 접속재 불량
ㆍ 변압기 외상 (차량충돌 등)
○ 고장원인 분석
- 외관 점검
ㆍ저압케이블 순시 및 점검 : 케이블외상,고객 구내고장 파급 여부
ㆍ 변압기 점검
* Bay-O-Net 휴즈 및 1차붓싱 부위의 누유 여부
* 외함 부풀음 및 변형여부, 절연유 연소냄새 여부
* 방압변 동작여부(미동작시 방압변을 조작하여 내부가스 배출)
- 절연저항 측정
ㆍ Bay-O-Net 휴즈를 분리한 상태에서 1차붓싱과 접지단자간
저항 : 0 Ω
☞ CL휴즈 리드선 이탈로 외함접촉 예상
ㆍ Bay-O-Net 휴즈를 투입한 상태에서 1차붓싱과 접지단자간
저항 : ∞ Ω
☞ CL휴즈 동작 또는 1차권선 단선, 리드선 이탈
ㆍ 1차붓싱과 2차단자간 저항 : 0 Ω
☞ 1,2차권선 혼촉
ㆍ 2차단자간 저항 : ∞ Ω
☞ 2차권선 단선 또는 리드선 이탈
- 기 타
ㆍ Bay-O-Net 휴즈가 상위용량인 상태에서 용단된 경우
: 과부하 또는 내부이상
(다) 측 정
○ 항목
부하측정, 온도측정, 접지저항 측정, 수용가 인입점 전압측정
○ 절연유 시험
- 항목 : 절연유 절연내력 시험 , 절연유 가스 분석
- 측정기기 : 절연유 절연내력시험기, 휴대용 가스분석기
- 측정방법
ㆍ 시료채취 : 운전중인 변압기의 배유밸브에서 시료 채취
ㆍ 측정가스 : 수소, 이산화탄소, 메탄, 아세틸렌, 에틸렌 등
ㆍ 이상진단 : 절연유 및 절연지 과열, 아크방전, 절연내력 저하 등
라. CV케이블의 수트리 현상 해석
(1) 수트리현상
폴리에틸렌과 같은 절연재료(고분자)가 장시간에 걸쳐서, 물이 공존하는 상태에서 전계에 노출되었을 때 발생하는 현상.
(2) 수트리의 종류
|
구 분 |
발생 기점 |
비 고 |
|
벤티드(vented) 트리 |
반도전층(외부,내부) |
케이블수명에 영향 |
|
보우타이(bow-tie) 트리 |
이물,보이드 |
|
(3) 수트리의 특성
o 수트리는 물과 전계가 존재하는 곳에서 발생한다.
o 수트리는 절연재료 내의 오염물(이온)이나, 보이드, 또는 절연층과 반도전층 계면의 돌기 등과 같은 결함에 의해 발생한다.
o 수트리는 비교적 낮은 전계(6kv/mm 이하)에서 발생한다.
o 수트리는 수분이 없어지면 사라지고 수분이 있으면 다시 보인다.
o 수트리는 전기적 트리 발생을 유도한다.
o 수트리는 직류에서는 발생하기 어렵고 교류에서 발생하기 쉽다. 또한 고주파에서 촉진된다.
o 수트리는 측정 가능한 부분방전 없이도 성장 가능하다.
o 수트리 발생부는 기계적인 왜형(고분자사슬의 풀림)이 생긴다.
(4) 수분의 형성경로
전력케이블의 주요 열화요인으로 알려져 있는 수트리는 절연층내로 수분이 유입되는 그 자체가 수트리의 시작이라고 할 수 있을 정도로 수분과 밀접히 관련되어 있다.
전력케이블 내에 수분이 형성되는 경로를 살펴보면 다음과 같다.
첫째, 전력케이블의 절연층은 반도전층 및 외피로 감싸져 있다. 일반적으로 외피는 PVC에 다량의 가소제(plasticizer)가 들어 있는데, 이들 각 성분들도 극성을 띠고 있어 수분과의 친화력이 매우 높아 수분흡수율이 좋고 또한 반도전층은 에틸렌계 고분자에 전도성 카본블랙이 들어 있는 컴파운드로서 기본수지 자체가 극성을 띠고 있으며 카본블랙 또한 흡수성이 매우 높은 충전제이므로 반도전층은 수분흡수율이 매우 높다고 할 수 있다. 따라서 전력케이블 주변에 수분이 존재하는 한 외피와 반도전층을 통하여 절연층으로 유입될 가능성이 매우 높다.
둘째, 전력케이블은 제조공법상 가교과정이 있는데, 종래에는 스팀가교 방식을 사용하였다. 스팀가교시 약 1000ppm정도의 수분이 절연층으로 침투되는 것으로 알려져 있으나 최근에는 고압 질소가스를 이용한 건식가교 방식을 채택하고 있으므로 가교방식에 의하여 수분이 형성되는 것은 어느 정도 억제되었다고 할 수 있다.

- 전력케이블에서의 금속성 불순물의 영향
(5) 폴리에틸렌(절연체)의 특성
전력케이블의 절연체 재료인 폴리에틸렌은 질긴 플라스틱고체 성질을 지닌 것으로 사슬의 탄소수(유기화합물: 탄소와 다른원소의 화합물)는 약 1,000 ~ 3,000개로 녹는점(Tm)은 분자량에 따라 다소 의존하지만 대부분의 선형 폴리에틸렌은 140℃ 근처의 녹는 점을 가진다.
우리회사 배전계통에 사용되고 있는 전력케이블 절연체는 가교 폴리에틸렌 (CN-CV cable)이라 하는데, 가교화(Cross-Link)란 일반적으로 고분자는 선형 고분자로 용매에 녹지만 가교 또는 망상고분자와 같이 같은 사슬들끼리 화학결합을 이루면 용매에 녹아 들어가서 팽윤(膨潤,swelling)은 하나 녹지는 않는다.
가교되는 정도에 따라 팽윤하는 정도로 달라지는데, 가교밀도가 클수록 점점 단단해 진다. 가교화에 의해 사슬은 망상체(network)를 만들게 되고 이렇게된 물질은 가열에 의해 흐르지 않기 때문에 열경화성(熱硬化性)수지라고 부른다.
5. 지중자재 내역
가. 공정별 지중자재 목차
|
공정 |
규격번호 |
명칭 |
규격 |
|
관로 |
ES 106-275~285 |
트러프 |
저압, 직매 1~2회선 |
|
PS 233-70~92 |
흄관 |
| |
|
PS 233-620~627 |
스페이서 |
| |
|
PS 233-646~655 |
합성수지 직관 |
| |
|
PS 233-050~057 |
합성수지 파형관 |
| |
|
PS 233-060~067 |
이음관 |
| |
|
PS 250-572~588 |
지중케이블 강관 |
| |
|
PS 255-950~956 |
강관접속용 스리브 |
| |
|
PS 117-095~099 |
어댑터 |
| |
|
PS 117-96~99 |
어댑터 |
| |
|
117-051~055 |
방진고무 |
| |
|
116-060 |
케이블 표지시트 |
| |
|
106-126 |
지중선로표지주 |
| |
|
116-991~995 |
지중선로표지기 |
| |
|
입상개소 |
PS 117-686 |
입상케이블용 보호관 |
전주용 입상관 |
|
117-550~555 |
지지용 강벨트 |
| |
|
117-565~568 |
지지용 강새들 |
| |
|
117-980 |
케이블헤드 지지금구 |
| |
|
120-301~305 |
특고압 수밀형 가교 폴리에틸렌 절연동전선(OC-W) |
| |
|
전선 |
ES 126-640~645 |
22.9kV 동심중성선 전력케이블 |
CNCV 60㎟ ~ 325㎟ |
|
126-650~657 |
22.9kV CN/CV-W 케이블 |
| |
|
230-800 |
배전케이블 연소방지제 |
| |
|
접속재 |
|
600V CV케이블 |
|
|
PS 117-810~813 |
23kV케이블 종단접속재 및 직선접속재 |
종단접속재 | |
|
117-795~801 |
케이블종단접속재(600V용) |
| |
|
PS 117-740~745 |
600V CV케이블 접속장치 |
분기접속 (2, 3조) | |
|
보호장치 |
PS 147-050~166 |
지상설치형 변압기 |
|
|
PS 147-221~229 |
케이블 엘보접속재 |
| |
|
PS 151-051~052 |
25.8kV 자동부하 전환개폐기(지중선용) |
| |
|
PS 151-161~179 |
25.8kV 가스절연 전환개폐기(지중용) |
| |
|
151-056 |
지중선로 고장차단기 |
| |
|
158-600 |
저압분전함 |
| |
|
구조물 |
117-695~696 |
조립식 맨홀 및 기기 기초대 |
핸드홀 |
|
PS 117-01~15 |
앵글형 지지대 |
| |
|
PS 117-218~235 |
강관형 지지대 |
| |
|
PS 117-40~49 |
"I"형 행가 |
| |
|
PS 117-50~59 |
"ㄱ"형 행가 |
| |
|
117-250~254 |
"ㄱ"형 행가(가변형) |
| |
|
117-900~910 |
케이블지지대(크리트) |
| |
|
PS 117-775~790 |
맨홀 뚜껑 |
맨홀 ψ750~900 | |
|
PS 117-80 |
훅크(맨홀용) |
| |
|
PS 117-85 |
발판볼트(맨홀용) |
| |
|
PS 117-87 |
물받이 |
| |
|
PS 117-70~77 |
맨홀용 사다리 |
| |
|
PS 117-081~090 |
합성수지 관로구 |
| |
|
117-158~170 |
삽입형 케이블 지지대 |
| |
|
117-181~184 |
삽입형 케이블 행가 |
| |
|
117-007~009 |
배전관로구 방수재 |
| |
|
117-030~032 |
관로구 삽입형 방수장치 |
| |
|
117-726~735 |
배전관로구 튜브식 방수장치 |
| |
|
117-675, 678 |
구조물 매설용 |
| |
|
117-045 |
방수시트 |
|
22.9KV동심중성선 전력케이블
(22.9KV Concentric Neutral Type cross-linked
polyethylene insulated vinyl sheathed power cables)
○ 사용개소
22.9Kv-Y 다중접지 계통의 지중 배전선로용 전선으로 사용한다.
○ 종류 및 규격
|
규 격 번 호 |
종 류 |
규격 ( ㎟ ) |
|
ES 126-640 |
CN/CV 케이블 |
60 |
○ 형상


22.9KV CN/CV - W 수밀형 케이블
○ 적용개소
22.9Kv-Y 다중접지 계통의 지중 배전선로용으로 중요지역(중요수용) 공급선로의 케이블 입상 종단부에서 첫 번째 맨홀 또는 첫 번째기기의 접속점에 사용한다.
○ 종류 및 규격
|
규 격 번 호 |
종 류 |
규격 ( ㎟ ) |
|
126-650 |
CN/CV-W 케이블 |
60 |
○ 형상

|
NO |
항 목 |
재 료 |
|
1 |
도 체 |
수밀 컴파운드 충진 원형압축 연동연선 |
|
2 |
내부 반도전층 |
반도전성 컴파운드 |
|
3 |
절 연 층 |
가교폴리에틸렌 컴파운드 |
|
4 |
외부 반도전층 |
반도전성 컴파운드 |
|
5 |
중성선 수밀층 |
반도전성 부풀음 테이프 |
|
6 |
중 성 선 |
연 돈 선 |
|
7 |
중성선 수밀층 |
부풀음 테이프 |
|
8 |
시 스 |
흑색 비닐 |
3특고압 수밀형 가교폴리에틸렌절연 동전선(OC-W전선)
○ 사용개소
지중케이블 입상부에서 가공전선과 지중케이블 종단접속재의 연결선(lead)에 사용한다.
○ 종류 및 규격
|
규격번호 |
121-301~305 | |||
|
공칭단면적 ㎟ |
38 |
60 |
100 | |
|
도체 |
소선수 |
7/2.6 |
19/2.0 |
19/2.6 |
|
외경 |
7.8 |
10.0 |
13.0 | |
|
절연체의두께 |
3.0 |
3.5 |
3.5 | |
|
완성품의외경 |
13.8 |
17.0 |
20.0 | |
|
최대도체저항(20℃) |
0.502 |
0.313 |
0.185 | |
|
시험전압 |
25 |
25 |
25 | |
|
밀착도 시험 하중 |
300 |
500 |
800 | |
|
도체인장하중 |
1.480 |
2.410 |
4.010 | |
|
개산중량 |
444 |
701 |
1.119 | |
|
최소절연저항 |
1.500 |
1.500 |
1.500 | |
|
1조의 표준길이 |
600 |
600 |
600 | |
|
포장방법 |
드럼 |
드럼 |
드럼 | |
23KV 케이블 종단접속재 및 직선접속재
○ 적용개소
23KV 지중배전선로의 CN-CV 케이블의 단말 및 직선 접속처리에 사용한다.
○ 종류 및 규격
|
규격 번호 |
명 칭 |
용 도 |
종 류 |
비 고 |
|
PS-117-810 PS-117-811 PS-117-812 PS-117-813 |
종 단 접속재 |
23KV CN-CV CABLE 60㎟ 단심용 23KV CN-CV CABLE 200㎟ 단심용 23KV CN-CV CABLE 325㎟ 단심용 23KV CN-CV CABLE 600㎟ 단심용 |
조립형 열수축형 자기수축형
|
특수장소 시설시 형별지정
|
|
PS-117-862 PS-117-864 PS-117-866 PS-117-868 |
직 선 접속재 |
23KV CN-CV CABLE 60㎟ 단심용 23KV CN-CV CABLE 200㎟ 단심용 23KV CN-CV CABLE 325㎟ 단심용 23KV CN-CV CABLE 600㎟ 단심용 |
조립형 열수축형 테이프 레진절연형 |
○ 형상
케이블 연소방지제
○ 적용개소
23KV 이하 지중배전케이블 및 접속재의 연소방지를 위해 사용한다.
○ 종류 및 규격
|
규격 번호 |
기 호 |
종 류 |
적 용 개 소 |
|
230-235 |
FR-T |
난연 테이프 |
케이블 및 접속재 |
|
FR-C |
난연 도료 |
케이블 및 접속재 | |
|
FR-S |
난연 SEAL |
바닥, 벽, 천정, 전선관 등의 관통부 | |
|
FR-R |
난연 레진 |
바닥, 벽, 천정, 전선관 등의 관통부 | |
|
FR-B |
난연 보드 |
관통부의 보조방재 필요시 |
○ 형상
지 상 설 치 형 변 압 기
○ 적용개소
6.6Kv 및 22.9Kv-Y 지중 배전선로에서 지상에 설치된다.
○ 종류 및 규격
|
시방번호 |
상 별 |
용량(KVA) |
1차정격전압 (V) |
2차전격전압 (V) |
1차텝전압(V) |
비 고 |
|
PS 147-050 PS 147-051 PS 147-052 PS 147-053 PS 147-054 PS 147-055 |
6.6Kv 단상 |
30 50 75 100 150 200 |
6.300 |
230/115 |
6.900 6.600 6.000 5.700 |
|
|
PS 147-060
PS 147-062
PS 147-064
|
6.6Kv 3상 (동등 공용) |
130 (1ψ30+1ψ100) 200 (1ψ50+1ψ150) 275 1ψ75+1ψ200)
|
6.300 |
230/115 |
6.900 6.600 6.000 5.700 |
1. 대형변압기측은 115V 탭인출 2. 극성또는각변위 : 0° 3. 결선 1차 V결선 2차 V결선 |
|
PS 147-070 PS 147-072 PS 147-074 PS 147-076 PS 147-078 |
6.6Kv 3상 |
75 100 150 200 300 |
6,300 |
400/230 |
6.900 6.600 6.000 5.700 |
|
|
PS 147-090 PS 147-092 PS 147-094 PS 147-096 PS 147-097 PS 147-098 |
22.9㎸ 단상 |
30 50 75 100 150 200 |
12.600 |
230/115 |
13,800 13,200 12,000 11,400 |
|
|
시방번호 |
상 별 |
용량(KVA) |
1차정격 |
2차전격 |
1차텝 |
비 고 |
|
PS 147-140 PS 147-141 PS 147-142 PS 147-143 PS 147-144 PS 147-145 |
22.9Kv 단상 |
30(LF) 50(LF) 75(LF) 100(LF) 150(LF) 200(LF) |
12.600 |
230/115 |
13,800 13,200 12,000 11,400 |
|
|
PS 147-110 PS 147-111 PS 147-112 PS 147-113 PS 147-114 PS 147-115 |
22.9㎸ - y 단상 |
30 50 75 100 150 200 |
12,600 |
460/230 |
13,800 13,200 12,000 11,400 |
|
|
PS 147-150 PS 147-151 PS 147-152 PS 147-153 PS 147-154 PS 147-155 |
22.9Kv 단상 |
30(LF) 50(LF) 75(LF) 100(LF) 150(LF) 200(LF) |
12.600 |
460/230 |
13,800 13,200 12,000 11,400 |
|
|
PS 147-100 PS 147-102 PS 147-104 PS 147-106 PS 147-108 PS 147-109 |
22.9㎸ - y 3상 |
75 100 150 200 300 500 |
21.900 |
400/230 |
23,900 22,900 20,900 19,900 |
|
|
PS 147-162 PS 147-163 PS 147-164 PS 147-165 PS 147-166 PS 147-167 |
22.9㎸ - y 3상 |
75(LF) 100(LF) 150(LF) 200(LF) 300(LF) 500(LF) |
21,900 |
400/230 |
23,900 22,900 20,900 19,900 |
|
(주) LF 표시는 난연성 절연유를 사용한 난연유입 변압기(Transformer filled up with less flam-mable transformer insulating fluid)를 의미함
○ 형상

|
|

|
|
케이블엘보접속재(변압기용)
(Separable Insulated Connector For CN-CV Cable)
○ 적용개소
22.9Kv-Y 다중접지 계통 지중배전선로의 케이블과 변압기의 접속처리에 사용한다.
○ 종류 및 규격
|
시 방 번 호 |
종 류 |
시 방 |
용 도 |
|
147-221 |
엘보접속재 |
200A |
지상설치용 변압기 접속용 |
○ 형상
25.8Kv 자동부하전환개폐기(지중선용)
(Automatic Load TransferSwitches For Underground Line)
○ 사용개소
22.9Kv-Y 접지계통 지중배전선로에 설치하여 주선로와 예비선로의 자동전환에 사용하는 3상 일괄조작 방식
○ 종류 및 규격
|
시 방 번 호 |
정 격 |
절 연 방식 |
소 호 매 질 |
회 로 수 |
용 도 |
|
PS 151-051 |
25.8KV 600A |
SF6 가스절연 |
SF6 가스, 진공 |
3회로 2스윗치 |
옥외용 |
|
PS 151-052 |
″ |
″ |
″ |
″ |
옥내용 |
○ 형상
케 이 블 표 지 시 트
○ 사용개소
본 규격은 지하에 매설된 전선로가 굴착작업으로 인하여 손상되는 것을 방지하기 위하여 사용되는 케이블 표지시트에 적용한다.
○ 종류 및 규격 ( 116-060 )
|
호칭두께 |
폭 |
길이 |
중첩부의 |
표면처리 |
폭 및 길이의 |
|
0.15 |
330이상 |
50 |
50±2 |
0.07±0.01 |
0 ∼ +4 |
○ 형상

지중선로 표지기
○ 사용개소
지중배전선로의 경과지 아스팔트, 콘크리트 및 보도불럭으로 포장된 차도 및 보도 또는 지표면에 사용한다.
○ 종류 및 규격
|
규격번호 |
기 호 |
종 류 |
표시기직경×두께 |
핀길이×직경 |
|
116-991 |
UM-1 |
직선방향 |
100×7 |
140×15 |
○ 형상


지중선로 표지주
○사용개소
비포장도로(사리도), 잔디밭 등의 지표면에 사용하며 지방지역 50m, 도시지역 20m, 곡선부위 5∼10m간격을 원칙으로 하고 주변지형 여건 등에 따라 적절히 조정하여 사용한다.
○종류 및 규격
○형상

○ 색상 : 지반선 이상 노출부분은 노란색 페인트로 칠한다.
○ 글씨 : 매설물의 종류, 관리관, 거리표기중 “내”글씨와 전화기호 및 번호 (123)는 음각을하고 검정색 페인트를 칠하며거리숫자표시만 검정색 페인트로 표기한다.
○ “한전”글씨체는 한국전력공사를 상징하는 문자로 한다.
합 성 수 지 파 형 관
○ 사용개소
지중선로용 관로에 사용한다.
○ 종류 및 규격
|
규 격 번 호 |
호 칭 경 (㎜) |
길 이 (㎜) |
비 고 |
|
PS 237-050 |
100 |
60 |
|
○ 형상

(단위 : ㎜)
|
호 칭 경 |
내경 (Di) |
외경 (Do) |
최소두께(t) |
피 치 (P) |
|
1 0 0 |
1 0 0이상 |
130 |
2.0 |
30 |
|
1 7 5 |
1 7 5이상 |
230 |
3.5 |
55 |
|
2 0 0 |
2 0 0이상 |
260 |
4.0 |
60 |
* 외경 및 피치의 허용오차범위는 ±2% 이내로 한다.
이음관( 합성수지파형관용 )
○ 사용개소
지중선로용 합성수지 파형관의 접속에 사용한다.
○ 종류 및 규격
|
규 격 번 호 |
호 칭 경 (㎜) |
길 이 (㎜) |
비 고 |
|
PS 237-060 |
100 |
180 이상 |
|
○ 형상

(단위 : ㎜)
|
규격번호 |
호 칭 경 |
내경 (Di) |
외경 (Do) |
최소두께(t) |
길 이 (L) |
|
|
100 |
100이상 |
130 |
2.0 |
180이상 |
|
175 |
175이상 |
230 |
3.5 |
330이상 | |
|
200 |
200이상 |
260 |
4.0 |
360이상 |
* 이음관의 형상 및 치수는 합성수지파형관의 이음에 적합하여야 하며, 내경 및 외경의 허용오차범위는 ±2% 이내로 한다.
어댑터( 합성수지파형관용 )
○ 사용개소
지중전선로용 관로에 사용하는 합성수지파형관과 관로구 또는 합성수지직관을 접속하기 위하여 사용한다.
○ 종류 및 규격
|
규 격 번 호 |
호 칭 경 (㎜) |
길 이 (㎜) |
비 고 |
|
PS 117-095 |
100 |
300 이상 |
|
○ 형상

( 단위: ㎜ )
|
호칭경 |
합성수지파형관측 |
관로구, 직관측 |
전체 | |||||||
|
내경 |
외경 |
최소 |
길이 |
피치 |
내경 |
외경 |
최소 |
길이 | ||
|
100㎜ |
115 |
140 |
2.5 |
150 |
30 |
124 |
130 |
3 |
150 |
300이상 |
|
175㎜ |
200 |
245 |
4.0 |
200 |
55 |
198 |
207 |
4.5 |
200 |
400이상 |
|
200㎜ |
230 |
280 |
4.5 |
230 |
60 |
230 |
240 |
5 |
230 |
460이상 |
합 성 수 지 직 관
○ 사용개소
지중선로용 관로에 사용한다.
○ 종류 및 규격
|
시 방 |
호칭경 |
본 당 길 이 (㎜) | |||||
|
직 관 부 분 |
접 속 부 분 |
계 | |||||
|
PS 233-646 PS 233-652 PS 233-655 |
100 175 200 |
6,000 6,000 6,000 |
+30 +30 +30 |
115 145 155 |
+30 +30 +30 |
6.115 6.145 6.155 |
+30 +30 +30 |
○ 형상

(단위 : mm)
|
호 칭 경 |
외 경 (D) |
무 게 (t) |
내 경 (d2) |
접합부내경(d1) |
|
100 |
112±0.65 |
5.3±0.4 |
100 이상 |
113.6±0.65 |
스페이서 ( 합성수지직관 )
○ 사용개소
지중선로용 합성수지직관 의 상호간격 유지를 위해 사용한다.
○ 종류 및 규격
|
시 방 번 호 |
구 분 |
용 도 |
|
PS 233-620 PS 233-622 PS 233-624 PS 233-625 PS 233-627 |
ψ175 A ψ175 B ψ200 A ψ200 A - 1 ψ288 B |
ψ175 ㎜ 바닥관로 받침 ψ175 ㎜ 중간관로 받침 ψ200 ㎜ 바닥관로 받침 ψ200 ㎜ 상부 덮개 ψ200 ㎜ 중간관로 받침 |
○ 형상

(단위 : mm)
|
기 호 |
A |
B |
C |
C′ |
D |
E |
F |
G | |
|
치 수 |
ψ175 |
310 |
157 |
50 |
70 |
262 |
214 |
55 |
46 |
|
ψ200 |
340 |
172 |
50 |
70 |
292 |
244 |
55 |
46 | |
|
허 용 오 차 |
±3.00 |
±2.0 |
최 소 치 수 |
±1.0 |
±2,0 |
±1,0 |
±1.0 | ||
지 중 케 이 블 강 관
( Steel Pipes for Underground Power Cable )
○ 사용개소
지중케이블 매설에 사용한다.
○ 종류 및 규격
|
규 격 번 호 |
호 칭 지 름 (㎜) |
단 위 길 이 (m) |
비 고 |
|
PS 250-572 |
100 |
6.0 |
|
○ 형상

|
호칭지름(㎜) |
t′(㎜) |
L (㎜) |
t (㎜) |
|
100 |
2.5±0.5 |
80±5 |
4.5 |
강 관 접 속 용 스 리 브
( Sleeves for Connecting Steel Pipes )
○ 사용개소
지중케이블용 강관을 용접하는 방법으로 접속하는데 사용한다.
○ 종류 및 규격
|
규격번호 |
호칭지름 |
안지름(D) |
안지름 허 |
두께(t) |
길이(L) |
아스팔트 |
|
PS 255-950 |
100 |
117 |
±3 |
4.5 |
100 |
324 |
|
PS 255-955 |
125 |
143 |
±3 |
4.85 |
100 |
386 |
|
PS 255-951 |
150 |
168 |
±3 |
4.85 |
100 |
448 |
|
PS 255-956 |
175 |
195 |
±3 |
5.3 |
150 |
580 |
|
PS 255-953 |
200 |
220 |
±3 |
5.85 |
150 |
731 |
|
PS 255-953 |
250 |
270 |
±3 |
6.4 |
150 |
886 |
|
PS 255-954 |
300 |
322 |
±3 |
7.0 |
150 |
1,057 |
○ 형상

트 로 프 ( Troughs )
○ 사용개소
지중케이블 의 매설에 사용된다.
○ 종류 및 규격
|
규 격 번 호 |
기 호 |
형 종 |
주 용 도 |
|
ESB 106 - 280 |
A - 1 |
U 형 |
직매식 1회선용 |
○ 형상



흄 관
( Hume Pipes for Underground Power Cable )
○ 사용개소
지중 케이블을 수용하기 위하여 관로에 사용된다.
○ 종류 및 규격
|
시 방 번 호 |
기 호 |
형 종 |
주 용 도 |
|
PS 233 - 70 |
150 |
26 |
1,000 |
|
PS 233 - 75 |
200 |
28 |
1,000 |
|
PS 233 - 80 |
250 |
28 |
1,000 |
|
PS 233 - 85 |
300 |
30 |
1,000 |
|
PS 233 - 90 |
350 |
32 |
1,000 |
○ 형상

|
종류 |
치 수 및 허 용 치 | |||||||||||
|
안지름 D |
관두깨 T |
관 의 길 이 L |
외경
D0 |
소케트 |
D2 |
D3 |
D4 |
L1 |
L2 |
소케트 |
L4 | |
|
150 200 250 300 350 |
150 200 250 300 350 |
26 27 28 30 32 |
1,000 및 2,500 ″ ″ ″ ″ |
202 254 306 360 414 |
216 268 320 374 428 |
220 272 324 378 432 |
240 292 344 398 452 |
272 330 386 444 502 |
115 115 120 120 120 |
45 45 60 60 60 |
90 90 90 90 90 |
65 65 65 65 65 |
|
허용차 |
+ 6 - 0 |
+ 2 - 3 |
+ 10 - 5 |
+ 2 - 1 |
+ 2 - 1 |
+ 2 - 1 |
+ 4 - 2 |
+ 6 - 4 |
+ 30 - 10 |
+ 30 - 10 |
+ 4 - 2 |
+ 4 - 4 |
스페이서 ( 흄관관로용 )
○ 사용개소
지중배전공사의 ψ200 ㎜ 흄관의 관상호 간격유지를 위해 사용한다.
○ 종류 및 규격
|
규 격 번 호 |
기 호 |
용 도 |
|
106-331-5 |
SP-H200A |
흄관 바닥용 |
○ 형상

합 성 수 지 관 로 구
○ 사용개소
구조물 (맨홀, 핸드홀, 전력구등)에 지중배전선로를 인입 및 인출 처리를 하기위하여 사용한다.
○ 종류 및 규격
|
규 격 번 호 |
구 분 |
호칭경 (㎜) |
단위길이(㎜) |
비 고 |
|
PS 117-081 |
몸 체 |
100 |
600 |
덮개는 부속자재 (볼트너트 및 오 -링 )를 포함한다.
|
|
PS 117-082 |
덮 개 | |||
|
PS 117-083 |
몸 체 |
125 |
600 | |
|
PS 117-084 |
덮 개 | |||
|
PS 117-085 |
몸 체 |
150 |
600 | |
|
PS 117-086 |
덮 개 | |||
|
PS 117-087 |
몸 체 |
175 |
600 | |
|
PS 117-088 |
덮 개 | |||
|
PS 117-089 |
몸 체 |
200 |
600 | |
|
PS 117-090 |
덮 개 |
○ 형상


배전관로구 튜브식 방수장치
○ 사용개소
지중전선로 의 구조물(맨홀, 핸드홀, 전력구등)에 연결된 관로구내에 케이블이 설치된 상태에서 관로측으로 부터 물이 침투 또는 유입되는 것을 방지하기 위해 사용한다.
○ 종류 및 규격
|
규 격 번 호 |
기 호 |
용 도 |
|
117 - 726 |
D 125 - 60 |
관로구 125mm, CN - CV 케이블 60°에 사용 |
|
117 - 727 |
D 150 - 60 |
관로구 150mm, CN - CV ″ 60° ″ |
|
117 - 728 |
D 150 - 200 |
관로구 150mm, CN - CV ″ 200° ″ |
|
117 - 730 |
D 175 - 60 |
관로구 175mm, CN - CV ″ 60° ″ |
|
117 - 731 |
D 175 - 200 |
관로구 175mm, CN - CV ″ 200° ″ |
|
117 - 732 |
D 175 - 325 |
관로구 175mm, CN - CV ″ 325° ″ |
|
117 - 733 |
D 200 - 60 |
관로구 200mm, CN - CV ″ 60° ″ |
|
117 - 734 |
D 200 - 200 |
관로구 200mm, CN - CV ″ 200° ″ |
|
117 - 735 |
D 200 - 325 |
관로구 200mm, CN - CV ″ 325° ″ |
○ 형상


관로구 삽입형 방수장치
○ 사용개소
- 튜브식 과 동일
○ 종류 및 규격
|
규격번호 |
기 호 |
용 도 |
|
117-032 |
SGI 175-CN/CV60 |
관내경 175 ㎜ CN - CV케이블 60°에 사용 |
|
117-035 |
SGI 175-CN/CV200 |
″ ″ CN - CV케이블 200°에 사용 |
|
117-036 |
SGI 175-CN/CV325 |
″ ″ CN - CV케이블 325°에 사용 |
|
117-037 |
SGI 200-CN/CV60 |
″ 200 ㎜ CN - CV케이블 60°에 사용 |
|
117-038 |
SGI 200-CN/CV200 |
″ ″ CN - CV케이블 200°에 사용 |
|
117-039 |
SGI 200-CN/CV325 |
″ ″ CN - CV케이블 325°에 사용 |
○ 형상



배전관로구 방수재
○ 사용개소
- 튜브식과 동일
○ 종류 및 규격
|
규격번호 |
기 호 |
적용관로구 (직경㎜) |
비 고 |
|
117-007 |
C - 100 |
100 |
케이블이 수용된 관로 구에 한해 사용함. |
○ 형상

앵 글 형 지 지 대 ( Angle Type Supporter )
○ 사용개소
케이블 또는 케이블접속재 지지를 위해 사용한다.
○ 종류 및 규격
|
시 방 번 호 |
기 호 |
완금의 규격 및 길이(L) |
비 고 |
|
PS 117∼01 |
AS- 600 |
75×75×9× 600㎜ |
|
○ 형상

강 관 형 지 지 대 (Steel Pipe Type Supporter)
○ 사용개소
맨홀 및 전력구 등의 구조물 내에서 벽체와 이격되어 바닥과 천정에 고정해서 케이블 또는 케이블접속재를 지지하는데 사용한다.
○ 종류 및 규격
|
시 방 번 호 |
관 의 길 이 (m) |
주로 사용하는 높이 (m) | |
|
최소 |
최대 | ||
|
PS 117 - 218 |
1,600 |
1,670 |
1,870 |
○ 형상

삽입형 케이블지지대
○ 사용개소
전력구 벽면에 붙여서 케이블을 지지하기 위하여 사용한다.
○ 종류 및 규격
|
식별번호 |
기 호 |
규 격 및 길 이 (L) |
비 고 |
소 요 |
|
115-158-5 |
삽입형 - 800 |
ㄷ 100 × 50 × 5 × 800
|
삽입형 케이블 받침 3단 설치 |
2 |
|
117-161-5 |
삽입형 - 1100 |
ㄷ 100 × 50 × 5 × 1100
|
″ 4단 설치 |
2 |
|
117-164-5 |
삽입형 - 1400 |
ㄷ 100 × 50 × 5 × 1400
|
″ 5단 설치 |
3 |
|
117-167-5 |
삽입형 - 1700 |
ㄷ 100 × 50 × 5 × 1700
|
″ 6단 설치 |
4 |
|
117-170-5 |
삽입형 - 2000 |
ㄷ 100 × 50 × 5 × 2000
|
″ 7단 설치 |
4 |
○ 형상

|
5 |
HEX. NUT |
1 |
Φ 12 ㎜ |
|
4 |
SPRING LOCK WASHER |
1 |
″ |
|
3 |
ROUND WASHER |
1 |
″ |
|
2 |
EXPANSION SLEEVE |
1 |
Φ17㎜ |
|
1 |
TAPER VOLT |
1 |
Φ12×120 ㎜ |

삽입형 케이블 행가
○ 사용개소
맨홀 및 전력구 등에서 삽입형 케이블 지지대와 도합하여 케이블과 케이블 접속재를 지지하기 위하여 사용한다.
○ 종류 및 규격
|
규격번호 |
기호 |
길이 L (㎜) |
폭 (㎜) |
용 도 |
|
117-181 |
Ⅰ- 370 |
370 |
65 |
배전케이블 2회선 |
|
117-182 |
“┐”- 370 |
370 |
65 |
″ 고정용 |
|
117-183 |
Ⅰ- 590 |
590 |
65 |
배전케이블 3회선 |
|
117-184 |
“┐”- 500 |
590 |
65 |
″ 고정용 |
○ 형상
부도1. 삽입형 케이블행가 (I)형

“I” 형 행 가 ( “I” Type Hanger )
○ 사용개소
맨홀 또는 전력구등에서 지지대와 조합되어 케이블 및 케이블접속재를 지지하기 위하여 사용한다.
○ 종류 및 규격
|
시방번호 |
기호 |
길이 L |
폭 W |
부속볼트 |
적용지지대 |
|
PS 117-40 |
AS용 - 260 |
260 ㎜ |
40 ㎜ |
3 조 |
앵글지지대 |
○ 형상

“ ㄱ ” 형 행 가 (“ㄱ” Type Hanger )
○ 사용개소
맨홀 또는 전력구 등에서 지지대와 조합되어 케이블 또는 케이블접속재를 지지하기 위하여 사용한다.
○ 종류 및 규격
|
시 방 번 호 |
기 호 |
길이 |
폭 |
부속볼트 |
적용지지대 |
|
PS 117 - 50 |
AS용 - 260 |
260 |
40 |
3 조 |
앵글지지대 |
○ 형상

Cable 지지대(CLEAT)
○ 사용개소
지중 구조물 (전력구, 맨홀, 핸드홀 등)내에서 행거에 취부하여 케이블을 받치는데 사용한다.
○ 종류 및 규격
|
규 격 번 호 |
종 류 |
|
117-900∼910 |
합성수지 |
○ 형상

|
기호 |
A |
B |
C |
H |
H1 |
H2 |
R1 |
|
R 30 |
80 |
60 |
10 |
70 |
30 |
30 |
30 |
R=5 A R=5 H1 H2 H R=5 R=5 R U30 C B
맨 홀 뚜 껑 ( Manhole Covers )
○ 사용개소
지중 송배전선로를 시설하기 위한 맨홀에 사람이 출입하기 위하여 사용한다.
○ 종류 및 규격
|
시방 번 호 |
형 태 |
뚜껑시방 (㎜) |
용 도 |
비 고 |
|
PS 117 - 775 PS 117 - 790 PS 117 - 792 |
원 형 원 형 각 형 |
ψ 750 ψ 900 880 × 360 |
송 배 전 용 송 배 전 용 배 전 용 |
일 반 도 로 ″ 보 도 |
○ 형상

맨 홀 용 사 다 리 ( Ladder for Manhole )
○ 사용개소
맨홀 또는 전력구내에서 사람이 출입하기 위해 사용한다.
○ 종류 및 규격
|
시 방 번 호 |
기 호 |
길 이 L (㎜) |
|
PS 117 - 70 |
M L - 1.7 |
1.700 |
○ 형상

훅 크 ( 맨 홀 용 ) ( Hook )
○ 사용개소
맨홀 또는 전력구내에 설치하여지중 케이블 인입시에 사용한다.
○ 종류 및 규격
|
PS 117 - 80 |
KSD3503(일반구조용 압연강재)의 제2종 또는 동등이상의 재료를 사용 |
○ 형상

구조물매설용 접지연결동봉
○ 사용개소
지중 구조물 (전력구, 맨홀, 핸드홀 등)안과 바깥자의 접지선을 서로 연결하는데 사용한다.
○ 종류 및 규격
|
규 격 번 호 |
종 류 |
주 요 치 수 (㎜) |
비 고 |
|
117 - 678 |
소 형 |
ψ 24 × 510 |
본체 콘크리트 두께 |
|
117 - 675 |
대 형 |
ψ 24 × 730 |
본체 콘크리트 두께 |
○ 형상
부도1. 구조물매설용 접지연결 동봉의 형상 및 치수
가. 형상

나. 치수
단위 : ㎜
|
종 류 |
치 수 |
A |
L |
|
소 형 |
ψ 24 × 510 |
240 |
510 |
|
대 형 |
ψ 24 × 730 |
460 |
730 |
● 동봉치수의 허용오차 범위는 ±3% 이내로한다.
발판볼트 ( 맨홀용 ) ( Step Bolt )
○ 사용개소
지중 송배전선로 맨홀내에서 사람 출입
○ 종류 및 규격
|
PS 117 - 85 |
KSD3503(일반구조용 압연강재)의 제2종 |
○ 형상

물 받 이 ( Drain Pit )
○ 사용개소
지중 송배전선로용 맨홀내에 설치하여 집수하는데 사용한다.
○ 종류 및 규격
|
PS 117 - 87 |
KSD4301(회주철품)의 제2종 |
○ 형상

조립식 맨홀 및 기기기초대
○ 사용개소
지중배전선로 공사에 사용하는 맨홀 및 기기기초대(이하 기초대라함)를 공장에서 제작하여 공사현장에서 조립 설치한다.
○ 첨부물
가) 맨홀 1조당 다음 물품이 첨부되어야 한다.
|
종 별 |
규 격 |
단위 |
HS-2 |
HS-CA |
MS-4 |
MS-6 |
비 고 |
|
접 합 부 |
수팽창고무 |
m |
8 |
5.6 |
11 |
12 |
|
|
HOOK |
Φ 22 |
개 |
8 |
8 |
10 |
10 |
|
|
맨홀뚜껑 |
M20×650 |
조 |
3 |
3 |
6 |
6 |
와샤포함 |
|
M20×300 |
조 |
(3) |
(3) |
(6) |
(6) |
( )는 추가로 | |
|
맨홀뚜껑 |
Φ 750×350 |
개 |
1 |
1 |
2 |
2 |
|
|
Φ 750×100 |
개 |
(1) |
(1) |
(2) |
(2) |
( )는 추가로 | |
|
운반용 |
Φ 22 |
개 |
8 |
8 |
8 |
8 |
|
|
발판볼트 |
Φ 16 |
개 |
1 |
1 |
2 |
2 |
|
|
접지연결동봉 |
|
조 |
2 |
2 |
2 |
2 |
|
|
관로구 |
Φ194×150mm |
조 |
12(20) |
16 |
16 |
22 |
( )는 HS-2W |
나) 기초대 1조당 다음 물품이 첨부 되어야 한다.
|
종 별 |
규 격 |
단위 |
변 압 기 |
개 폐 기 |
비고 | ||||
|
단상 |
단상 |
삼상 |
삼상 |
데드형 |
스틱형 |
| |||
|
접 합 부 |
수팽창고무 |
m |
4 |
4.8 |
5 |
5.6 |
5.3 |
5.7 |
|
|
운반걸이 |
Φ 19 |
개 |
8 |
8 |
8 |
8 |
8 |
8 |
|
|
접지연결 |
|
조 |
1 |
1 |
1 |
1 |
1 |
1 |
|
|
규격번호 |
기 호 |
규격(외부치수 : ㎜) |
비 고 | |
|
177-695 |
HS - 2 |
1,800×2,100×2,300 |
핸드홀 (직선방향 케이블 인입,인출) | |
|
117-696 |
HS - 2W |
1,800×2,100×2,300 |
핸드홀 (4방향 케이블 인입,인출) | |
|
117-697 |
MS - 4 |
2,100×2,380×3,500 |
맨홀 4회선 규모 | |
|
117-699 |
MS - 6 |
2,100×2,380×4,000 |
맨홀 6회선 규모 | |
|
117-700 |
HS - CA |
1,300×1,500×1,800 |
통신용 핸드홀 | |
|
117-703 |
D - 0 |
1,100×1,120×1,700 |
데드형 |
개폐기 |
|
117-704 |
S - 0 |
1,300×1,120×1,700 |
스틱형 | |
|
117-711 |
T - 1B |
1,100×1,120×1,110 |
30∼100kVA |
단상변압기 |
|
117-713 |
T - 1H |
1,500×1,120×1,110 |
150∼200kVA | |
|
117-715 |
T - 3L |
1,100×1,120×1,600 |
75∼200kVA |
삼상변압기 |
|
117-717 |
T - 3U |
1,350×1,120×1,600 |
300kVA | |
조립식 맨홀용 훅크( Hook )
○ 사용개소
조립식 맨홀에서 케이블 포설을 위해 사용한다.
○ 종류 및 규격
|
117 - |
재질은 KSD3503(일반구조용 압연강재)의 제2종 또는 동등이상의 것 |
○ 형상

조립식 맨홀용 발판볼트
○ 사용개소
조립식 맨홀내에서 사람의 출입을 위해 발 디딤용으로 사용한다.
○ 종류 및 규격
|
117 - |
재질은 KSD 3503(일반구조용 압연강재)의 제2종 또는 동등 이상의 것 |
○ 형상

접지용 청동볼트 (조립식 구조물)
○ 사용개소
조립식 맨홀 및 기초대 벽체에 설치하여 벽체 내외간의 접지선을 연결하는 데 사용한다.
○ 종류 및 규격
○ 형상

|
6 |
PLASTIC CAP |
2 |
ψ22×10㎜ |
|
5 |
RUBBER PACKING |
2 |
ψ22㎜ |
|
4 |
ROUND WASHER |
2 |
″ |
|
3 |
HEX. NUT |
2 |
″ |
|
2 |
STUD BOLT |
2 |
ψ22×210㎜ |
|
1 |
BODY |
1 |
L=165㎜ |
|
NO |
NAMES |
QTY |
REMARK |


지중케이블 입상부분 지지용 강벨트
○ 사용개소
지중케이블 입상부분의 지지고정에 사용한다.
○ 종류 및 규격
|
규격번호 |
기 호 |
길 이 |
폭 |
사용 CP 주의 지름 |
|
117 - 550 |
2 B - 900 |
900 |
40 |
260 m/m 미만 |
○ 형상

단위 : ㎜
|
Saction별 |
ⓓ | ||||||||
|
|
치수약호 |
b |
T |
H |
I |
L |
| ||
|
품명약호 |
| ||||||||
|
b - 40 |
40 |
2.0 |
44 |
130 |
900 |
1,200 |
| ||
|
b - 30 |
30 |
1.6 |
37 |
113 |
|
|
| ||
|
b - 25 |
25 |
1.2 |
37 |
113 |
|
|
| ||




지중케이블 입상부분 지지용 강새들
○ 사용개소
지중케이블 의 전주입상부분에 지지고정을 위해 지지용 강벨트에 끼워서 사용한다.
○ 종류 및 규격
|
규격번호 |
기 호 |
용 도 |
|
117 - 565 |
SS - 1 |
ψ65 m/m까지의 케이블 광관지에 사용 |
○ 형상

|
종 별 |
h1 |
h2 |
w1 |
비 고 |
|
1 형 |
57 |
13 |
23 |
|
입상케이블보호관
( Protection Pipes Rising Cable )
○ 사용개소
지중배전선로에서 입상케이블를 보호하기 위하여 사용
○ 종류 및 규격
|
시방번호 |
종 류 |
시 방 |
단 위 |
비 고 |
|
PS 117-686 |
전주용 입상관 |
ψ130 ㎜×2.0 ㎜×2 m |
개 |
|
|
PS 117-687 |
조립식 반할관 |
ψ130 ㎜×3.2 ㎜×333 ㎜×3개 |
조 |
333 ㎜×3개 |
○ 형상

케이블헤드 지지금구
○ 사용개소
가공배전선로와 지중케이블 연결부분의 케이블 헤드를 전주에 부착하는데 사용한다.
○ 종류 및 규격
|
규격번호 |
종 류 |
규 격 |
적 용 전 주 외 경 |
|
117 - 980 |
상부용 지지금구 |
ψ220 |
ψ200 - ψ250 |
○ 형상


600V CV 케이블 접속장치
○ 사용개소
지중선로에 사용하는 600V CV 케이블용 저압 직선, 분기 및 종단장치에 사용한다.
○ 종류 및 규격
|
시 방 번 호 |
기 호 |
종 류 |
시 방 |
접 속 케 이 블 |
|
PS - 117 - 740 |
2TS |
2조 분기접속 |
소 형 |
-인입부 600V CV 전 력 케이블 22 ㎟∼100 ㎟:소형 22 ㎟∼325 ㎟:대형
|
|
PS - 117 - 741 |
3TS |
3조 분기접속 |
소 형 | |
|
PS - 117 - 742 |
3TL |
대 형 | ||
|
PS - 117 - 744 |
4TS |
4조 분기접속 |
소 형 | |
|
PS - 117 - 745 |
4TL |
대 형 | ||
|
PS - 117 - 750 |
2HS |
2조 종단접속 |
소 형 | |
|
PS - 117 - 751 |
3HS |
3조 종단접속 |
소 형 | |
|
PS - 117 - 752 |
3HL |
대 형 | ||
|
PS - 117 - 754 |
4HS |
4조 종단접속 |
소 형 | |
|
PS - 117 - 755 |
4HL |
대 형 | ||
|
PS - 117 - 760 |
3HW |
1회선종단접속 |
3 조 |
- 600V CV 전력케이블 100 ㎟ 이하
|
|
PS - 117 - 761 |
4HW |
4 조 | ||
|
PS - 117 - 764 |
3SW |
1회선직선접속속 |
3 조 | |
|
PS - 117 - 765 |
4SW |
4 조 |
○ 형상

|
No |
DESCRIPTION |
Q′TY |
|
1 |
접 속 재 |
4 |
|
2 |
접 속 탭 |
12 |
|
3 |
캡 |
12 |
|
4 |
고 정 장 치 |
1 |
|
5 |
지 지 대 |
1 |

|
No |
DESCRIPTION |
Q′TY |
|
1 |
접 속 재 |
4 |
|
2 |
접 속 탭 |
12 |
|
3 |
캡 |
12 |
|
4 |
고 정 장 치 |
1 |
|
5 |
지 지 대 |
1 |
600V 전력케이블용 옥내외 종단접속 재료
○ 사용개소
저압 지중케이블의 입상부분에 사용한다.
○ 종류 및 규격
|
규격 번호 |
도체의 공칭 단면적 |
선 심 수 |
비 고 |
|
117 - 795 ∼ 801 |
325 |
단심용 |
|
○ 형상

다. 참고칫수
|
도체단면적 |
DIMEMSION ( MM ) | |||||||
|
A |
B |
C |
D |
E |
F |
G |
H | |
|
325 |
46 |
7 |
114 |
25 |
90 |
17 |
16 |
45 |
|
200 |
38 |
6 |
101 |
20 |
78 |
17 |
16 |
25 |
|
100 |
27 |
4 |
74 |
14 |
63 |
12 |
10 |
19 |
|
60 |
20 |
2.8 |
63 |
11 |
55 |
9 |
8 |
16 |
|
38 |
17 |
2.8 |
51 |
9.2 |
43 |
7 |
6 |
16 |
|
22 |
14 |
2.8 |
48 |
7.2 |
41 |
7 |
6 |
16 |

나. 참고칫수
|
도체단면적 |
DIMEMSION ( MM ) | |||||
|
A |
B |
C |
D |
E |
F | |
|
325 |
46 |
7 |
114 |
25 |
90 |
11 |
|
200 |
38 |
6 |
101 |
20 |
78 |
11 |
|
100 |
27 |
4 |
74 |
14 |
63 |
11 |
|
60 |
20 |
2.8 |
63 |
11 |
55 |
11 |
|
38 |
17 |
2.8 |
51 |
9.2 |
43 |
11 |
|
22 |
14 |
2.8 |
48 |
7.2 |
41 |
11 |
제5장 측 정
1. 측정 개요
가. 종 류
ㅇ 절연 저항
- 케이블의 기본적인 절연상태를 파악하고자 절연 저항계로 케이블의 절연 저항값을 측정한다.
ㅇ 내전압 시험
- 고압용 케이블의 절연내력을 파악하고자 내전압 시험기로 절연내력을 측정한다.
ㅇ 누설 전류
- 케이블의 절연 열화정도를 파악하고자 절연내력 시험기(내전압 시험기)로 누설전류를 측정한다.
ㅇ 상 측정
- 케이블 및 개폐기 접속 또는 단말처리시 케이블의 회선별이나 상(相)을 구분하기 위해 상측정기를 사용한다.
ㅇ 위치 측정
- 케이블의 매설위치나 고장점 위치를 찾기 위해 해당 측정기를 사용하여 위치를 찾는다.
나. 선로 고장점 측정
ㅇ 절연 저항 측정
- 절연저항값의 크기(0, ∞Ω)로 건전선로와 고장선로를 구분한다.
ㅇ 지락고장점 거리 측정
- 케이블 선로의 1선 지락고장이 발생할 경우 머레이 루프(Murray loop) 테스터를 이용하여 고장점까지의 거리를 판단한다.
ㅇ 지락고장점 위치 측정
- 케이블 고장탐지기의 정전방전(임펄스 방출) 음(音)의 크기로 고장점의 위치를 정확하게 찾는다.
ㅇ 단선고장점 위치 측정
- 케이블에 단선고장이 발생할 경우 펄스 레이다(pulse rader)법을 이용하여 고장점의 위치를 찾는다.
다. 측정용도별 구분
ㅇ 케이블 절연성능 측정
- 절연 저항계(Megohm meter)
- 절연내력 시험기 (내전압 및 누설전류 측정)
ㅇ 고장점 위치 측정
- 머레이루프 테스트(Murray loop tester)
- 케이블 고장탐지기(capacitor discharge fault locator)
- 펄스 레이다(pulse rader)
- 매설물 탐지기(cable and sheath fault locator)
ㅇ 기 타
- 23㎸급 검전기
- 용량성 검전기(capacitive voltage indicator)
- 상 측정기(phase tracer)
- 가스 탐지기(combustible gas & oxygen monitor)
- 접지저항 측정기(earth tester)
- 적외선 온도측정기(infrared thermometer)
2. 고장측정 흐름도
1
3. 측정기 취급
가. 검전기
(1) 23㎸급 검전기
ㅇ 개 요
고압 및 특고압의 나선 및 절연전선에서 선로의 충전여부를 확인하기 위하여 사용하며 경보범위는 다음과 같다.
|
전 압 별 |
나 선 |
절 연 전 선 |
동 작 거 리 |
|
고 압 특 고 압 |
1,000V 이상 1,700V 이상 |
1,700V 이상 5,000V 이상 |
10㎜ 이내 50㎜ 이내 |
ㅇ 구조 및 명칭
① 검지자 ② 절환장치 ③ 잠금장치
④ 절연봉 ⑤ 안전한계선 ⑥ 접지단자
⑦ 음향구 ⑧ 손잡이 ⑨ 고무갓
ㅇ 취급요령
① 스틱조작식 개폐기의 스틱형접속재(LRTP)에 절연봉(hot stick)을 이용하여 검전핀(370TR)을 삽입한 후,
② 23㎸ 검전기(CDV-5)의 선단 잠금장치를 풀고 절연봉 4단을 연장하여 1.25m가 되도록 조정하고서,
③ 전압절환장치의 절환표시선을 "시험"위치에서 음향(50 phon)을 확인하고 검전하고자 하는 전압에 따라 절환장치를 고압 또는 특고압에 고정하고,
④ 검지자를 검침핀(370TR)에 접촉하여 음향과 光의 발생여부로써 死活을 결정한다.
⑤ 우천시 또는 다습장소에서 사용할 때는 접지금구에 접지선을 연결하고 고압방전 고무장구를 착용하고 검전하여야 한다.
(2) 용량성 검전기(capacitive voltage indicator)
ㅇ 개 요
3∼35㎸ 범위의 전압이 인가된 선로에서 엘보접속재의 검전점 (voltage test point)을 이용하여 케이블의 死活을 판정하는데 사용한다.
ㅇ 구조 및 명칭

① 손잡이 ② 유리 섬유봉
③ 표시등(적색, 녹색) ④ 적색자동버튼
⑤ 건전지 ⑥ 시험전극
ㅇ 취급 방법
① 적색, 녹색 표시등 사이에 적색 동작버튼(④번)을 누른다. 이때 녹색램프가 3∼5초 동안 켜져 있다가 꺼지면서 적색램프가 점멸되고 난 후 녹색램프가 1∼2분간 점등되는 동안에 검전을 해야 한다.
② 검전하려는 선로의 엘보접속재 검전점(voltage test pont)의 덮개를 벗기고 그 곳에 용량성 검전기의 시험전극(⑥번)을 갖다 댄다. 이때 녹색 표시등이 꺼지고 적색표시등이 켜지면 충전상태이며, 녹색표시등이 계속 켜져 있으면 방전상태인 바 1∼2분후 녹색표시등이 꺼진후 검전기의 동작여부를 확인하고 다시한번 반복하여 검전한다.
|
♣ 주 의 - 케이블헤드 등 충전부위에 직접 검전할 수 없으며, 녹색표시등이 꺼진 상태에서는 검전이 불가능 함. |
나. 상 측정기(phase tracer)
ㅇ 개 요
발신기에서 사선 케이블 A, B상에 각기 다른 주기의 파장을 실어 보내고 C상으로 회귀시켜 상을 파악할 장소에서 수신기(TCD-2)와 감지코일(pick up coil)을 이용하여 수신되는 파장의 형태로써 상을 구분하며, 파장이 수신되지 않을 경우는 측정하고자 하는 A, B, C상이 아닌 다른 선로로 판정하게 된다.
ㅇ 구조 및 명칭

① 출력조절기(CURRENT) ② 전류계(D,C AMP METER)
③ 전원표시등 ④ 전원 스위치
⑤ 선택스위치(CONT, INT) ⑥ ⑦ ⑧ 출력접속단자
⑨ 감지계기 ⑩ 탐지코일(pick up coil) 접속단자
⑪ SENSE S/W
ㅇ 취급 방법
① 측정하고자 하는 케이블의 맞은편 종단을 3상 일괄 단락하고 접지한다.
② 발신기를 수평하게 놓고 기기외함을 3종접지하고 ⑥⑦⑧을 순서에 따라 A, B, C상에 연결한다.
③ 케이블의 길이에 따라 선택스위치(⑤번)을 케이블 긍장이 짧으면 "CONT"를 선택, 길면"INT"를 선택한다(일반적으로 CONT선택)
④ 출력조정기(CURRENT ①번)을 "0" 으로 조정한다.
⑤ 전원스위치(④번)을 "ON"하면 신호등(③번)이 점등된다.
⑥ 출력조정기(①번)을 천천히 올리면서 전류계의 눈금을 주시하여 케이블 임피던스가 1[Ω]이하인 경우는 30amps를 초과하지 않도록 한다.
⑦ 수신기(TCD-2)에 감지코일을 연결하여 수신기의 쎈서(⑪번)을 "ON"하고 수신감도에 따라 조정한다.
⑧ 상을 구분할 위치에서 감지코일을 케이블 위에 얹어 놓으면 감지 계기(⑨번)가 동작한다.
ㅇ 상구별 방법
① 선택스위치(⑤번)를 CONT(연속형)에 위치할 경우
· A 상 : 5초 간격으로 1분에 12회의 신호를 보낸다.
· B 상 : 1.6초 중복신호를 1분에 12회 보낸다.
· C 상 : A상과 B상으로 보내어진 신호가 C상으로 회귀하므로 1.6초간의 신호가 1분에 36회 감지된다.

② 선택스위치(⑤번)을 INT(단속형)에 위치한 경우
· A상 : 5초 간격으로 1분간 신호를 보내고, 1분간은 신호를 보내지 않는다
· B상 : 1.6초 중복신호를 A상 신호가 나가지 않는 1분동안 내보낸다.
· C상 : A상과 B상으로 보내어진 신호가 C상으로 회귀하므로 1분동안은 5초 간격의 신호가 감지되고 다음 1분동안은 1.6초의 중복신호가 감지된다.
다. 절연내력 시험기(DC insulation tester)
ㅇ 개 요
케이블 절연체의 내전압 시험을 통하여 절연내력을 측정하는 기기로써 직류(DC)전압을 발생시키는 일종의 전압 변환기이다. 케이블 내압시험은 물론 절연체에 흐르는 누설전류를 측정하여 케이블의 절연열화 시험을 할 수 있는 휴대용 정밀급 계기이다.

① 전압계
② RETURN 단자
③ GROUND 단자
④ GUARD 단자
⑤ INTER LOOK 단자 (LOOK장치)
⑥ 고압휴즈 (HV FUSE)
⑦ 전류계 (CURRENT METER)
⑧ 영점조절나사
⑨ 전류범위선택단자 (CURRENT RANGE)
⑩ 적색누름버튼 (OFF : 고압차단)
⑪ 적색표시등 (고압출력표시됨)
⑫ 흑색누름버튼 (ON : 고압출력)
⑬ 출력전압조절단자 (RAISE VOLTAGE : 고압전압조절)
⑭ 휴즈
⑮ 표시등 (입력전압표시등)
16 전원스위치
17 출력전압선택단자 (VOLTAGE RANGE)
LOW : 0∼20㎸, MED : 0∼40㎸, HIGH : 0∼80㎸
ㅇ 취급방법
① 외함을 흑색(Ground ③번)단자와 3종접지한다
② 적색(Return ②번)단자와 흑색(Ground ③번)단자에 점퍼선(jumper link)을 연결하고 중성선(접지선)에 연결한다.
③ 고압출력 리드선을 측정하고자 하는 선로의 심선에 접속한다.
④ 전류범위 선택단자(Current Range ⑨번)을 × 1K에 위치, 출력 전압 선택단자(Voltage Range 17번)을 Low에 위치시킨다.
⑤ 인터록(INTLK ⑤번)단자를 꼽는다.
⑥ 전원스위치(16번)을 "ON"하고 백색표시등이 점등됨을 확인한다.
⑦ 흑색버튼(High Voltage⑫번)을 눌러 적색 표시등(⑪번)이 점등됨을 확인한다.
⑧ 출력전압 조절단자(Raise Voltage⑬번)을 필요한 전압에 이를 때까지 천천히 증가시키면서 전압계, 전류계, 시험선로 등을 주의깊게 관찰한다.
⑨ 원하는 전압과 시간으로 내압시험을 하고, 원하는 전압에서 필요한 시간대의 누설전류값을 측정한다.
⑩ 측정을 마친뒤 출력전압 조절단자(⑬번)을 "0"으로 서서히 돌리고 전압계에 표시되는 전압이 0∼3,000V에 이를 때까지 기다려야 한다.
⑪ 적색 누름버튼(High Voltage Off ⑩번)을 누르고 적색 표시등(⑪번)이 꺼짐을 확인한다.
⑫ 전원스위치(16번)을 "OFF" 하고 백색표시등(⑮번)이 꺼지는 것을 확인한다.
|
♣ 주 의 1 |
|
♣ 주 의 2 |
|
♣ 주 의 3 |
|
☞ 요 점 1 |
|
☞ 요 점 2 - 공칭전압 : 22.9㎸ - 최대사용전압 : 25 ㎸ |
|
☞ 요 점 3 - 공칭전압 : 22.9㎸ - 인가전압 30 ㎸ |
|
☞ 요 점 4 I1 |

|
☞ 요 점 5 선간 불평형율 값이 200% 이상이면 불량 |
라. 절연저항 측정기 (Megohm tester)
ㅇ 개 요
저항값을 측정하는 기기로써, 케이블 고장시 절연체의 저항값을 측정하여 고장상과 건전상을 구분하며, 밧데리식과 수동 발전식으로 나뉜다. 발생전압에 따라 DC 500·1,000·2,000·2,500V 등이 있으나 우리회사에서 많이 사용하는 DC 2,000V 밧데리식의 사용법을 기술한다.
ㅇ 취급 방법
① 밧데리를 체크(check)한다
② 적색(POS)단자에 케이블의 심선을 연결하고,
③ 흑색 (Ground)단자에 그 케이블의 차폐선(중성선)을 연결하며,
④ 누름버튼을 눌러 지시되는 값을 읽는다
|
♣ 주 의 |
마. 케이블 고장탐지기(capacitor discharge fault locator)
ㅇ 개 요
- 지중케이블에 고장이 발생하였을 때 정확한 고장점 위치를 발견하기 위하여 사용하는 측정기로써, 머레이루프 테스터를 사용하여 케이블 고장점 거리를 찾고, 케이블 고장탐지기로 고장발생 지점을 탐지하게 된다. 또 지중배전선로의 케이블 고장에서 많이 나타나는 불완전 접지에 의한 지락사고시에 접지저항을 낮추기 위한 케이블 버닝(burning)설비를 갖추고 있다.
- 고장케이블에 일정량의 전하를 일정주기로 충전과 방전을 반복 할 수 있는 방전장치(capacitor discharge)를 내장하고 있어, 음향탐지기(acoustic ditector, FD-202C)와 병행운용함으로써 고장점의 위치를 찾게 된다.
ㅇ 구조 및 명칭
① 전압계
② 전류계
③ 타이머(0∼15초까지 조정가능)
④ 출력전압 조절단자(Raise Voltage)
⑤ 전류범위 선택단자(Current Range) : 0∼1, 0∼10, 0∼100㎃
⑥ 표시등(Ground) : Mode Selector(18번)를 GRD단자에 위치했을 때 불이 켜짐
⑦ 표시등(CAP discharge) : Mode Selector(18번)를 C/D 단자에 위치하였을 때 불이 켜짐
⑧ 표시등(Hipot/Burn) : Mode Selector (18번)를 H/B단자에 위치했을 때 불이 켜짐

⑨ 표시등 (전원표시등)
⑩ ⑪ 전원스위치
⑫ 적색누름버튼 (고압출력을 차단)
⑬ 흑색누름버튼 (고압출력을 발생)
⑭ 적색 표시등 (고압발생 및 차단을 표시)
⑮ C/D 단자 : 타이머를 동작시키고 H/V출력 Cable이 콘데사 방전 에너지 이동스위치와 연결되며 일정시간마다 방전하게 된다.
16 GRD 단자 : HV 출력 CABLE이 접지와 연결된다.
17 Mode Selector S.W : H/B, C/D, GRD와 연결하게 된다.
18 H/V 단자 : H/V 출력 Cable이 70㎸, 100㎃ 출력단자에 연결하게 된다
19 Station Ground 단자 : 외함 접지단자
20 Input 단자 : 입력전원 단자
21 EXT INTLK : 인터록 장치
22 HV Output : 고압출력 단자
23 HV Return : 고압귀로 단자
ㅇ 취급 방법
- Hipot/Burn 조작 : 고장점 저항감소
① 뒷편의 접지(Station Ground 20번)단자를 기기에 접지한다.
② 뒷편의 출력리드선(H/V Output 23번)을 고장상 케이블의 심선에 연결한다.
③ 뒷편의 회귀리드선(H/V Return 24번)을 고장상 케이블의 중성선에 연결한다.
④ 뒷편의 인터록(Intlock 22번) 단자를 꼽는다.
⑤ 전원 스위치(⑩ ⑪ 번)를 " ON " 하고 표시등을 확인한다.
⑥ 조작선택스위치(Mode Selector 18번)를 H/V (19번)에 위치하고 운전표시등(Hipot/Burn ⑧번)이 점등됨을 확인한다.
⑦ 고압흑색버튼(High Voltage ⑬번)을 " ON "하고 적색표시등(⑭번)이 점등됨을 확인한다.
⑧ 출력전압 조절단자(Raise Voltage ④번)를 천천히 올리면서 전압계, 전류계 및 시험선로 등을 주의깊게 살핀다.
|
♣ 주 의 |
⑨ 시험후 출력전압 조절단자(④번)를 "0"으로 돌려 놓고 전압계에 표시되는 전압이 0∼3,000V에 이를 때까지 기다린다.
|
♣ 주 의 |
⑩ 고압 적색버튼(High Voltage ⑫번)을 " OFF "시키고 적색표시등(⑭번)의 꺼짐을 확인한다.
⑪ 조작선택스위치(Mode Selector 18번)을 접지(GRD 17번)에 위치한다.
⑫ AC 전원스위치(⑩ ⑪번)을 " OFF "한다.
나) 정전방전기 조작 : 고장위치 검출
① 뒷편의 접지(Station Ground 20번) 단자에 기기를 접지한다.
② 뒷편의 출력리드선(H/V Output 23번)을 고장상 케이블의 심선에 연결한다.
③ 뒷편의 회귀리드선(H/V Return 24번)을 고장상 케이블의 중성선에 연결한다.
④ 뒷편의 인터록(Intlock 22번) 단지를 꼽는다.
⑤ 전원 스위치(⑩ ⑪ 번)를 "ON"하고 표시등(⑨번)이 점등됨을 확인한다.
⑥ 조작선택스위치(Mode Selector 18번)를 C/D (16번)에 위치하고 운전표시등(Capacitor Discharge ⑦번)이 점등됨을 확인한다.
⑦ 우측 상단의 타이머(Cap Discharge REP Rate ③번)를 필요한 시간(약 3초)으로 맞춘다.
⑧ 고압 흑색버튼(High Voltage ⑬번)을 "ON"하고 적색 표시등(⑭번)이 점등됨을 확인한다.
⑨ 출력전압 조절단자(Raise Voltage ④번)를 필요한 전압에 도달할 때까지 올린다.
|
♣ 주 의 |
⑩ 일정주기로 송신한 신호를 케이블이 위치한 지상에서 음향탐지기의 진동 감지기로 검출한 후 수신기로 증폭시켜 감지되는 신호의 강약을 이용하여 고장점을 탐지하게 될 때까지 계속적으로 신호(PULSE)를 보낸다.
⑪ 고장 케이블에 반복되는 층, 방전에 의한 국부적인 지진 교란의 음파를 감지하여 감지된 음파를 증폭하므로써 고장점 위치를 찾게 된다. 또 케이블 주위에 유기된 전자자계를 감지하여 증폭기를 거쳐 표시계기를 동작시킴으로써 고장점 위치를 찾는다.
⑫ 시험후 출력전압 조절단자(④번)를 "0"으로 돌려 놓고 전압계에 표시되는 전압이 0 ∼ 3,000V에 이를 때까지 기다린다.
|
♣ 주 위 |
⑬ 고압 적색버튼(High Voltage ⑫번)을 " OFF " 시키고 적색표시등(④번)의 꺼짐을 확인한다
⑭ 조작선택 스위치(Mode Selector 18번)을 접지 (GRD 17번)에 위치한다
⑮ AC 전원스위치(⑩, ⑪)을 " OFF " 한다
바. 머레이루프테스터(Murray loop tester, High resitance fault locator)
ㅇ 개 요
지중케이블에 고장발생시 고장점의 위치를 거리로 환산하여 찾는 방법으로써 휘스톤 브리지(Wheatstone Bridge)원리를 적용한 케이블의 선로 임피던스를 이용하여 위치를 찾아내는 것이다. 측정오차를 줄이기 위해서는 고장점의 접지저항을 낮출 필요가 있으며 휘스톤 브리지 회로를 이루기 위해서는 선로에 건전상 한 상이 필요하게 된다. 따라서 3상단락이나 3상지락 고장의 경우에는 이 방법을 적용할 수 없다. 특히 단선사고의 경우에도 브리지회로 구성이 되지 않으므로 별도의 펄스레이더 (pulse rader)를 사용해야 한다.
ㅇ 구조와 명칭
① 검류계 ② "0" 점 다이알
③ 밧데리 Check 스위치 ④ Main Dial
⑤ Conductor "-" 단자 : 건전상 도체에 연결
⑥ Conductor "+" 단자 : 고장상 도체에 연결
⑦ Guard 단자 ⑧ Ground 단자
⑨ Sheath 단자 : 고장상 Sheath(중성선)
ㅇ 측정 방법
① 고장선로를 절연저항계(Megger)로 건전상과 고장상을 먼저 구분한다.
② 측정기를 수평하게 놓고, C/Batt(③번)을 ON 하여 내부 밧데리 상태를 점검한다(8.5V 이상).
③ 접지단자(Ground ⑧번)에 접지선을 연결하여 측정기를 접지한다.
④ Sheath(⑨번) 단자에 고장상의 중성선을 접속한다.
⑤ Conductor "-"(⑤번) 단자에 건전상 심선을 접속한다.
⑥ Conductor "+"(⑥번) 단자에 고장상의 심선을 접속한다.
⑦ DC 12V 건전지의 '-" 극을 Conductor "-"(⑤ 번)에 접속하고 검류계의 바늘이 "0" 이 되도록 Zero 다이얼(②번)을 조정하여 영점을 맞춘다.
⑧ DC 12 건전지의 "+"극을 Conductor "+"(⑥번)에 접속하면 검류계 바늘이 움직인다.
⑨ Main 다이얼(④번)을 조절하여 검류계 바늘이 영점(중심)에 오도록 조정하면 카운터에 나타나는 값이 측정값(a)에 해당한다.
⑩ Conductor "+ -" 단자에 물린 도체를 상호 바꾸어 접속하게 되면 측정값은 ⑨항에서 측정한 (a)값의 1,000에 대한 보수로써 나타난다.
⑪ 측정이 끝나면 DC 12V 건전지를 분리하여 보관한다.
(1) 고장점 거리 계산방법
ab = bc
a × (2L - X) = bx
2aL - aX = bX X : 구하는 거리, a : 측정값
2aL L : cable 긍장, a + b : 일정값
X = ------
a + b
|
☞ 요 점 |
"예 1"
. 선로긍장 (L) : 750 m, 측정값 (a) :342 경우
2 x 342 x750
X = -------------- = 513 m
1,000
"예 2" 같은조건에서 ⑤ 번과 ⑥ 번을 바꾸면
측정값 (b) 는 ( a - b ) - 342 = 658 이 되며
2 x 568 x 750
X = ----------------- = 987 - 750 = 237 m
1,000
. 이상에서 본 바와 같이 측정지점에서 513m 지점이 고장점이므로 결선을 반대로 하면 237m 지점임을 알 수 있다.
|
<문제 1> 케이블선로의 준공시점에서 시행하는 측정의 종류와 사용하는 측정기는? |
|
<문제 2> 일반검전기와 용량성 검전기의 용도 차이는? |
|
<문제 3> 케이블의 절연성능을 판정하는 측정기의 종류와 그 기준치는? |
|
<문제 4> 케이블의 고장위치를 측정하는 기기로써 주로 사용되고 있는 것은? |
|
<문제 5> 케이블 긍장이 1.5㎞인 선로에서 고장이 발생하여 머레이루프 테스터로 측정한 결과 측정값(a)이 14.5 였다면 실제 고장점까지의 거리는? |
|
<문제 6> 케이블 긍장이 450m인 선로에서 고장이 발생하여 머레이루프 테스터로 측정한 결과 측정값 (b)이 85인 이 선로의 구성은 60㎟ 50m이고, 325㎟ 400m로 구성되어 있으며, 측정지점은 60㎟ 종단부분이다. 고장점까지의 거리는? |
사. 비접촉 적외선 온도측정기
ㅇ 개 요
지중 케이블의 直線, 端末處理, 엘보, 中性線등 온도를 갖는 모든 부위에서 방출하고 있는 열에너지의 量을 赤外線으로 감지하여 온도의 값을 수치로 나타내며 이 수치를 비교하여 열화의 진행여부를 측정할 수 있는 계측기이다
ㅇ 측정 대상
① 케이블
② 케이블의 접속부분 (직선, 분기, 종단, 엘보)
③ Pad 변압기의 2차단자
④ 저압케이블 접속점
⑤ 중성선
ㅇ 기능 설명
① MAX : 측정되는 동안 가장 높은 온도값
② MIN : 측정되는 동안 가장 낮은 온도값
③ DIF : MAX 값과 MIN 값의 차
④ AVG : 측정되는 값의 평균값
⑤ HAL : 상한온도 설정값
⑥ LAL : 하한온도 설정값
⑦ TAM : 주변온도 설정값
ㅇ 측정 요령
① 측정 방법
Mode를 이용하여 MAX에 위치시키고 방아쇠를 당기면 피측정부위의 온도가 화면에 나타난다.
② 측정거리와 측정부위
측정하고자 하는 목표물까지의 거리와 측정부위와의 비는 30 : 1
의 비율로 증가한다.
"예 1" 5m 의 거리에서 측정을 한다면
500 ㎝ : X = 30 : 1 이 되어 X = 17 ㎝
즉 레이져빔의 중심에서 직경이 17㎝ 인 면적에 온도를 측정하게 되므로 케이블의 굵기를 초과하여 뒤면에 있는 물체의 온도까지 측정하게 되어 오차가 발생한다.
"예 2" 1.5m 의 거리에서 측정을 한다면
150 ㎝ : X = 30 : 1 이 되어 X = 5 ㎝
즉 레이져빔의 중심에서 직경이 5㎝ 의 부위에 온도를 측정하게 된다. ③ 방사율(MAX, MIN, AVG)
온도를 갖는 모든 물체는 적외선 에너지를 방출하지만 재질에 따라 반사하는 경우도 있다.
즉 어둡거나 거친 표면에 비하여 광택이 있거나 반짝이는 표면은 반사를 많이 하게 되어 서로 다른 방사율을 적용하게 된다.
매끄러운 전기동의 방사율 e = 0.02
녹 슬지 않은 철의 " e = 0.2
아연도금 철의 " e = 0.2
콘크리트 " e = 0.95
프라스틱 " e = 0.95
고 무 " e = 0.95
④ 경보 온도설정(HAL, LAL)
Mode를 바꾸어 HAL 에 위치시키고 바아쇠를 당긴 상태에서 온도 수치를 원하는 값에 놓고 Lock를 누르고 화면상에 HAL과 원하는 온도 수치를 확인한후 MAX에서 측정한다.
해체시에는 Mode를 HAL로 바꾸어서 Lock를 눌러 준다.
⑤ 주변온도 보상
피특정물의 주변온도와 측정기의 주변온도가 현저하게 다를 때, 또는 방사율의 낮은 매질일 때 사용한다.
1) 방사율 1.0 에서 측정대상의 주변온도의 평균을 찾아낸다.
2) TAM 에서 이 값을 입력시키고 Lock 시킨다.
3) MAX 에서 피측정체의 방사율로 바꾸어서 측정하면 주변온도를 보정한 값이 나타난다.
4) 해제시에는 Mode를 TAM로 바꾸어서 Look를 눌러준다.
⑥ 주의사항
레이져를 신체부위 특히 눈동자등에 방사시키지 않도록 한다.
ㅇ 표면온도 비교측정
① 동일 D/L에서 케이블과 접속재의 온도비교
② 동일 D/L에서 접속부위 A, B, C상간의 표면온도 비교
③ 동일 D/L 동일접속재의 부하전류에 따른 측정비교 (열화 진전상태 예상)
④ 인접 맨홀내에서 동일 D/L 접속재의 표면온도 비교
ㅇ 측정개소
① 케이블 접속재 : 중앙부분 (스리브부분)과 양쪽 끝 부분
② 케이블 표면 : 접속재로부터 약 50㎝ 떨어진 지점
③ 엘보접속재 : 볼트 연결점
④ 케이블 헤드 : 스트레스부분, 동관단자 접속점(방사율선택에주의)
⑤ 각종 설비의 접지선 접속점
ㅇ 열화판정 상태
표면온도 비교측정 결과와 제반 운전조건(부하, 선로특성, 접속재 종류, 맨홀 내부온도, 선로위치 등)과 현장 경험을 종합 검토하여 신중한 판단이 요구된다.
아. 지하매설물 탐지기 (Cable and Sheath Fault Locator)
(1) Dynatel 573A
ㅇ 개 요
송신기에서 특정한 신호를 발생시켜 지하 매설물(케이블등)을 이용
하여 전달된 신호를 찾아 케이블이 매설된 경로와 깊이 그리고 고장점을 찾는 계측기이다.
① 송신기
가) 탐지 미터계(Fault Meter) : 절연저항의 정도에 따라 고장상과 건전상을 구분한다.
나) 송신강도선택 S/W(Output Level) : 선로의 상태(누설의 정도, 긍장)에 따라 강도를 선택한다.
다) Route 측정반(Cable Locate) : 케이블의 매설된 루우트와 깊이를 측정한다.
라) 고장점 측정반(Fault Locate) : 탐지미터계를 작동시켜 고장상과 건전상을 구분한다.
② 수신기
가) 수신선택 S/W(Reciver Mode) : 최대법(peak), 최소법(null), 깊이(set), 고장점(fault)을 구분 운영한다.
나) 수신감도 조절다이얼 : 수신되는 신호의 大, 小를 조절하여 루우트 측정 및 깊이를 측정한다.
다) 고장탐지단자(Fault Jack) : 고장점을 탐지하기 위하여 탐지틀 코드선을 삽입 연결한다.
ㅇ 취급방법
① 송신기 설치
가) 직접연결법 : 사선인 경우 가능하며 #9012 케이블의 코드를 송신기에 꽂고, 적색 코드를 측정하려는 케이블의 심선에 연결하고 흑색코드는 케이블 반대편에 접지시킨다.
나) 다이나 카플러법 : 송전중인 선로에 이용 가능하며 수갑형태의 카플러를 측정하려는 케이블위에 수갑형태로 채운다.
② 수신기 운영
가) 최대법 : 수신선택 S/W를 peak에 놓고 송신기에서 케이블을 통하여 보내온 신호를 탐지하게 되는데, 가장 크게 포착되는 부분이 케이블 매설지점이 된다.
나) 최소법 : 수신선택 S/W를 null에 놓고 송신기에서 케이블을 통하여 보내온 신호를 탐지하게 되는데, 가장 적게 포착되는 부분이 케이블 매설지점이 된다.
다) 깊이측정 : 수신기를 케이블의 위치한 지면에 놓고 수신선택 S/W를 set에 고정시키고, 수신감도 조절다이얼을 이용하여 수신미터계의 바늘이 set에 오도록 조정하고 수신선택 S/W를 peak에 고정한다.
수신기를 천천히 지상으로 들어 올리면서 수신미터계의 바늘이 Set에 도달하면 이때의 지표면과 수신기와의 거리가 지표에서 케이블과의 거리가 된다.
라) 고장점 탐지 : 고장탐지단자(Fault Jack)에 탐지틀을 접속시키고 수신선택 S/W를 fault에 놓는다.
탐지틀의 녹색방향이 고장점을 향하여 전진하면서 탐측한다. 수신미터계의 바늘이 적색으로 바뀌는 지점이 고장점이 된다.
(2) RD433HCTX-2
ㅇ 개 요
- 정밀한 지시점
수신기에는 2개의 탐지 안테나가 있다. 두 개의 수평 안테나에 의해 목표선상의 최고점 반응(Peak Response)의 위치는 수직안테나의 영점반응(Null Response)으로 확신이 가능하다.
이 반응에 대응하는 지점이 정확한 지시점이 되며, 이 지점에서 깊이 측정키를 눌러서 나타나는 깊이를 읽고, 목표선 까지의 정확한 깊이 측정이 이루어지는 장비이다.
- 송신기의 선택
RD400은 여러 종류의 송신기를 선택할 수 있다.
RD433HCTX-2 휴대용 송신기는 장거라망상에서 사용되는데, 가볍고 건전지 밧데리와 같은 12V로도 작동된다. 여러 상황에서 최대의 추적거리와 최대의 위치탐지의 정확도를 얻기위해 저주파신호는 목표라인에 직접 연결할 필요가 있다.
- 범용성 : 그밖의 탐지모드
목표라인의 위치탐지와 그것을 명확히 확인하는 특수한 기능외에 RD400은 범용 탐지기로도 사용할 수 있다. 8 ㎑의 탐지모드는 모든 종류의 매설된 금속관로와 케이블의 위치탐지에 이상적인 모드이다. 송신기 신호는 어떤라인에 크램프, 유도, 직접접속 연결할 수도 있다. 또한 송신탐침(SONDE)을 비금속 관로에 삽입하여 그 탐침을 탐지하므로서 비금속제의 닥트나 배수관을 추적 가능하다.
이에 대하여 수신기에는 매설 전력선이나 다른 라인상의 50/60㎐ 에너지를 찾아내는 P탐색모드가 있고, 그 자신의 에너지를 방출하지 않는 장거리라인을 찾아내는 R모드가 있다. R모드는 통신망 선을 탐지하기 위해 특별히 유용하다.
- 계기판 표시와 기능
수신기는 계기 판으로 반응도, 게인(Gain), 매설깊이, 밧데리 상태 등을 나타낸다
조정키 패드로 사용자는 모드와 기능을 선택하게 하고 감도조절기로 신호에 맞게 감도를 조절할 수 있다.
ㅇ 구조 및 명칭
(가) 송신기
⊙ 송신 주파수에 대하여
- Lf : 저항이 적은 장거리 통신 케이블에 쓰인다.(유도법사용불)
- 8㎑ : 대체적으로 많이 쓰이며, 33㎑ 보다는 신호를 멀리 송신한다.
- 33㎑ : 8㎑보다는 신호가 멀리가지 않으나, 신생관로나 가스관같은 저항이 높은 파이프 탐사 시에는 장점이 있다.
- 65㎑ : 저항이 아주 강한 도관이나, 유도법 사용시 탁월한 효과가 있다.
**송신기의 주파수와 수신기의 주파수가 항상 일치해야 탐사가 가능하다.

송신기 명칭 및 용도
1). 키페드
① 전원 스위치
② 조명 스위치
③ A.V.O키 - 누룰때마다 각모드로 이동됨
V: 직접법 사용시 라인의 전압을 검사한다.
110V 이하만 사용한다.
Ω: 직접법 사용시 라인의 전압을 검사한다.
A: 직접코드 사용시 송신전류를 검사한다. 체크시 라인키로조정
④ 모드키: 각주파수를 설정한다. 직접범용 코드를 사용전에는 8K,33K,65K만 선택된다.
⑤ 증가(Up)키 : 출력을 4단계로 증가시킨다.
⑥ 감소(Down)키
⑦ 선택키 - 모드키로 이동된 커서를 선택한다. 커서가 정지됨
⑧ 라인키: A.V.O 체크시
⑨ 스피커키: 스피커음을 조절
2) L C D (동작화면)
ⓐ CD: CD 신호를 발신한다.
RD432PDL2 수신기에서만 사용됨
ⓑ Lf: Lf(512㎐) 신호를 발신한다.
ⓒ 8K: 8㎑ 신호를 발신한다.
ⓓ 33K: 33㎑ 신호를 발신한다.
ⓔ 65K: 65㎑ 신호를 발신한다.
ⓕ User ㎐: 사용자 임의의 신호를 발신한다. 주파수 선택은 UP, DOWN키로 조정
ⓖ FF Normal: 보통의 결함탐지용
ⓗ FF Boost: 강한 결함 탐지용 주파수 발신
ⓘ Multi: 한 라인에다 동시에 2가지 이상의 주파수를 발신한다.
ⓙ Connect 24V: 24V로 직접 접속 상태
ⓚ Connect 50V: 50V로 직접 접속상태, 강한도체에만 사용
**ⓒⓓⓔ만 유도법/직접법 모두 가능하다. 따라서 나머지는 직접 범용 소켓을 사용해야 기능이 선택된다.
**만약에 전선에 55V 이상의 전압이 있으면 아람이 울린다.
**User ㎐는 153㎐/531㎐/577㎐/8.5㎑/9.82㎑/83㎑/200㎑ 중에서 하나를 선택할 수 있는 기능이다. 이것은 현재 쓰고 있는 수신기가 비록 RD사社 제품이 아니더라도 쓸 수 있게 하는 기능이다. 또한, fa, fb 기능은 RD400PDL2에 있는 기능으로 다른 회사의 송신기를 쓸 때 임의 주파수를 사용할 수 있는 기능이다.
(나) 수 신 기
수신기 명칭 및 용도
1) 키 패드
① 전원 스윗치
전원이 On되는 동시에 수초간 수신기 자체의 Test가 이어진다. 또한 전원이 Off되는 동시에 Galn과 모든 Mode는 그대로 저장된다.
② 모드(Mode) 스윗치
스 윗치를 누를때마다 지시계 맨윗쪽에 있는 모드 화살표가 한 번씩 오른쪽으로 이동하게되고 각기능이 설정된다.
③ 라인/탐침 스윗치
일반금속 파이프와 케이블 탐사시에는
을 선택하고, 공관로 탐사목적인 탐침(SONDE)를 사용할 때에는
을 선택한다.
④ 송신전류 측정
송신기로부터 발신되는 송신전류를 수신기로 측정한다. 이동거리 만큼 송신전류는 점차 감소하게 된다.
⑤ Gain 조절키
수신기의 수신감도를 조절한다.수신감도가 너무 적을 경우는 △ 키를 눌러 Gain지시계(11)를 증가시킨다. 이때 수신감도가 너무 클 경우(99.9) ▽ 키를 눌러서 Gain지시계(11)를 감소시킨다. 이때 Gain 지시계 “--”가 상하로 이동하면 적당한 상태로 자동 조정된다.
⑥ 테스트(Test) 키
수신기 자체를 테스트한다. ↑ (쉬프트키)를 누른상태에서 ∨를 누른다. “tSt”이란 표시후 정상이면 “PAS”불량이면 “FAL”이라고 표시된다.
⑦ 스피커 소리음을 조절한다. ↑ 키를 누른상태에서 ☏ 키를 동시에 누른다.
⑧ Peak/Null키
탐사방법중 Peak(최대법), Null(최소법)중 하나를 선택한다.
⑨ 조명계
야간탐사용 조명등
⑩ 깊이측정 스윗치
송신기 신호를 측정하여 깊이를 ㎝/m단위로 나타낸다. 따라서,
모드(전력선 탐사모드)나 Å모드(통신선 탐사모드) 에서는 매설위치는 탐사할수 있어도 깊이는 체크할수 없다. 단 45도법 등의 간접방식으로 가능하다.
**반응값이 너무 적거나(0-10) 99.9를 넘어가면 깊이측정이 안된다.
⑪ 쉬프트 (Shift)키
스피커 소리조절이나 Test버튼 사용할 때 사용한다.
2) 동작화면 (Liquid Crystai Display)
① Mode키(f)에 대한 각 기능의 설명
↕ - CD 기능 설정모드 (RD432PDL2)
Lf - 512㎐ 의 탐사모드,
8 - 8㎑의 탐사모드,
33 - 33㎑의 탐사모드,
65 - 65㎑의 탐사모드,
- 전력케이블 탐사모드 (P모드)
Å - 통신 케이블 탐사모드, (R모드)
② fa, fb : 다른 송신기와 사용할 때 임의 주파수
⑥ 매설물 방향키
Null키에서만 사용이 가능하며, 화살표로 매설물 위치를 가르킨다.
⑧ 배터리 상태를 표시한다. 위에서 한칸씩 없어진다.
⑪ Gain지시계
수신기의 감도설정을 나타내며, 깊이나 송신전류 측정시 에러(Error)가 날 경우에 에러 메시지를 보낸다.
Err#11 : 대상물이 없는 곳에서 측정했거나 결과값이 불확실하다.
Err#9 : 송신신호가 너무 적거나 많다.
Err#21 : 목표물이 너무 깊이 있다. (4.5M)이상
⑬ 반응값
수신신호를 숫자 및 그래프로 표시한다. 피크점에서 80정도 표시하게 게인(Gain)을 조절한다.
ㅇ 사용법
**능동신호(Active signal)
수도관, 가스관같이 전류가 흐르지 않는 물체에 임의적으로 신호를 주는 것을 말함, 따라서 배관자체에 송신기로 8㎑, 33㎑ 등과같이 임의적으로 신호를 가해서 수신기의 8K, 33K 모드로 탐지한다.
**수동신호(Passive signal)
전력선, 통신선과같이 이미 자체적으로 전류가 흐르는 것을 말함 따라서 송신기가 필요없이 수신기의 Power(
)모드로는 전력선을 버튼으로는 깊이측정이 불가능하다.
1) 송신기 사용법
(1) 직접법 송신
방법 : 도전성을 좋게 하기 위하여 접속부위의 이물질을 제거한다. 접지선을 접지소켓에 끼우면 단절음이 연속음으로 바뀐다. 빨간집계는 접지봉을 땅속깊이 박고 물린다. 이때 접지가 잘되었으면 연속음이 다시 단절음읋 바뀐다.
★ 장점: 찾고자 하는 물체를 쉽게 알아낼 수 있다. 연속적으로 이어진 수도관, 가스관 등에 사용된다.
☆ 단점: 신생관로나 부식된 밸브 등의 배관에 적용하기 어렵고, 전기배선인 경우 안전하지 못하다.
(2) 클램프법 송신
방법 : 송신기의 출력부에 클램프를 접속하고 배선주위에 클램프가 완전히 물리도록 연결한 후 전원을 공급한다. 전류가 많이 흐를 경우 클램프에서 소리가 나거나 진동을 일으킬수 있으나 이것은 정상적인 경우이며 장비에 손상을 주지 않는다. 클램프를 사용하면 배선과 송신기가 하나의 회로를 구성하게 되므로 직접 연결법보다 유리하다.
★ 장점: 사용법이 매우 간단하며 혼선 없이 뚜렷한 신호를 보낼 수 있다.
☆ 단점: 직접 접속한 경우보다 신호가 멀리 가지 못하며 찾고자 하는 배선의 양끝이 반드시 접지가 되어 있어야 한다.
◆ 통신공사나 한전에 관계되는 작업은 필수적이다. 또한 케이블이 활선/사선 상관없다.
(3) 유도법
◆ 간접법이라고도 한다. 이 방법은 보통 2m이내의 깊이에 물체가 있을 때 사용하며 그 이상의 깊이에서는 효율이 떨어진다.
방법: 송신기를 켜고 송신기를 탐색하고저 하는 물체의 방향으로 올려 놓는다. 수신기 감도를 크게 놓고 송신기로부터 20걸음이상 떨어진 곳으로부터 탐색을 시작한다.
★ 장점: 물체에 직접 접근하지 않고도 신호를 발생시킬 수 있으며,매우 간단하고 신속한 방법으로 공사장의 지장물 탐사에 편리하다.
☆ 단점: 신호가 물체부근에서만 유도되며 발생한 신호의 일부가 주변의 흙 속에서 소실된다. 수신기는 송신기로부터 최소 20걸음 이상 떨어져서 사용하여야 하며, 절연이 잘된 물체는 양 끝선이 제대로 접지되지 않은 경우 신호를 발생시킬 수 없다. 직접법보다 깊이 측정시 오차가 많다.
2) 수신기 사용법
(1) 피크(Peak)법
◆ 목표물에서 최대의 반응을 보이는 탐사법, 제일 많이 쓰임
① 송신기와 수신기의 주파수를 맞추어 놓는다. 최대 신호 값을 수신할 수 있도록 수신기 감도를 조절한다.
② 직접 연결 방법이나 클램프를 사용하는 경우 4걸음정도, 유도법인 경우 20걸음 이상 송신기에서 떨어져서 계기가 최대값을 가르키는 위치에서 정지한 후 수신기 몸체를 이리 저리 움직이면서 정확한 반응 위치를 찾아낸다. 수신기 감지판 끝을 땅위에 놓고 계기의 측정범위에 맟추어 수신기 감도룰 30-80 정도로 재조절한다. 탐색된 위치와 계기의 측정값을 읽는다.
③ 최대반응 지점에서 수신기를 돌려서 영점반응이 나타나면 자기가 찾고자 하는 목표물이 확실하다는 것을 알 수가 있다.
(2) 널(Null)법
◆ Peak방식의 반대로 목표물 주위에서 최대 반응을 보이고 목표물 중앙에서는 최저 반응을 보이는 탐사법
① 수신기날의 방향과 Null신호는 무관(피크법은 매설물과 수신기날의 방향이 반드시 직각으로 교차하여야 한다.) 하므로 임의의 방향으로 수신기를 쥐고서 좌우로 움직이면서 물체 위에서 계기값이 Null값을, 좌우에서 최대값을 가르키는지 확인한다.
② 또한 피크법에서 볼 수 없는 화살표가 지시되고 소리는 왼쪽화살표는 띠-하는 연속음 오를쪽화살표는 띠-띠-띠하는 단절음으로 표시된다.
**매설방향이 확실치 않을 때는 화살표가 나타나지 않는다.
또한 피크법 보다는 정확도에서 약간 떨어진다.
(3) 깊이측정
최대법으로 물체의 중앙을 탐색한 뒤 정확한 지점에서 수신기의 키패드에서 ⑩번을 누르면 LCD에 그 값이 나타난다.
대략 4.6m이하의 깊이를 측정할 수 있다.
자. 가스 탐지기
ㅇ 개 요
협소한 공간의 작업장소에서 인체에 有害한 가스 또는 可燃性 가스의 濃度를 측정하여 작업환경을 개선한다.
ㅇ 가스의 종류 및 인체에 미치는 영향
① 산소(02) : 무색, 무취, 무중독성, 발화가능, 폭발가능
|
대기중 농도 |
접촉시간 |
증 상 |
|
20.9 % |
항 시 |
평상상태 (대기중 분포량) |
※ 안전작업 가능 기준농도 : 18 % 이상
② 탄산가스(CO2) : 무색, 무취, 유중독성
|
대기중 농도 |
접촉시간 |
증 상 |
|
0.03 % 이하 |
항시(사람에 따라 |
평상 상태 (보통 대기중 분포량) |
※ 안전작업 가능 기준농도 : 1.5 % 이하 (비중 1.53)
③ 일산화탄소(CO) : 무색, 무취, 무중독성
|
대기중 농도 |
접촉시간 |
증 상 |
|
0.01 % 이하 |
4 시 간 |
안전작업 한계조건 |
※ 안전작업 가능 기준농도:0.01% 이하에서 4시간 작업가능(비중 0.98)
(1) 메탄 (CH4)
안전작업 기준농도 : 1.5 %
폭발한계 농도 : 4.8 ∼ 14.5 %
(2) 유화수소 (H2S) : 악취가 남
안전작업 기준농도 : 0.01 %
폭발한계 농도 : 4.5 ∼ 45.3 %
(3) 도시가스 (CO + H2) (수성가스) : 냄새를 느낄 수 있음
안전작업 기준농도 : 0.01 %
폭발한계 농도 : 5.7 ∼ 40.5 %
ㅇ 측정 방법(GX-7)
① 밧데리 점검 : 스위치를 Batt Check에 돌리고 메타에서 확인
② 홀로우모니타의 부동을 관찰하여 펌프동작을 확인한다.
③ 호수와 봉 또는 가스 채취봉을 채취입구에 연결한다.
④ 스위치를 측정(COMB.O2/MEAS)에 돌리고 가연성, 산소를 측정
⑤ 스위치를 해제(COMB.O2/SPAN/CO PREP)에서 1분정도 기다림
⑥ 탐지튜브의 삽입구의 고무캡을 벗겨낸다.
⑦ 튜브캇타로 탐지튜브(유리봉) 양단을 절단한다.
⑧ 스위치를 측정 (CO MEAS) 에 돌리고 약 1분후 펌프가 자동적으로 멈추고 채취 흡수가 완성되면 연속되는 可聽音이 들린다.
⑨ Alarm Reset를 눌러 可聽音을 정지시키고 튜브를 끄집어 내어 변색된 튜브를 기준표와 비교한다.
⑩ 측정이 끝나면 고무캡을 닫고 스위치를 COMB.O2/MEAS에 돌리고 10초 정도 지난후 스위치를 OFF한다.
ㅇ 대 책
가스 경보기를 사용하여 작업장 내의 공기를 흡입 분석하여 위험수준(可燃性 한계치의 20∼30%, 산소 : 작업기준농도)에 도달하게 되며, 계기판의 수치(O2), 색상변화(CO), 경보음(O2, 가연성) 등으로 경보하여 작업환경을 개선하도록 한다.
제6장 부 록
1. '98 지중선로 고장분석
가. 地中故障 發生推移
|
연도 구분 |
'89 |
'90 |
'91 |
'92 |
'93 |
'94 |
'95 |
'96 |
'97 |
'98 |
|
고장건수 |
87 |
145 |
153 |
141 |
198 |
335 |
261 |
239 |
188 |
172 |
|
고장건수 |
2.4 |
3.4 |
3.0 |
2.3 |
2.6 |
3.9 |
2.5 |
2.0 |
1.4 |
1.2 |
|
케이블긍장 |
3,654 |
4,320 |
5,178 |
6,114 |
7,520 |
8,683 |
10,283 |
11,937 |
13,382 |
14,600 |
☞ 최근 10년 對比 케이블 긍장은 약 4배로 증가되었으나 설비고장은 50%로 감소함.

☞ '94년 이후 지중고장 지속적 감소 추세로 이는 '94,'95의 광역정전대비 지중설비의 집중보수 결과
|
'94년 |
'97년 |
'98년 |
|
3.9건/100 C-km |
1.4건/100 C-km |
1.2건/100 C-km |
☞ 지중고장이 배전분야 전체고장의 7.6% 점유
|
전체고장건수 |
가공고장 |
지중고장 |
|
2,256건 |
2,084건(92.4%) |
172건(7.6%) |
* 지중화율 : 8.9% ('98)
나. 地中配電 故障現況
(단위:건)
|
원인 설비 |
열 화 |
외 상 |
제작불량 |
기 타 |
계 | |||||||
|
변압기 |
2 |
5 |
2 |
2 |
11 | |||||||
|
|
6.4% | |||||||||||
|
개폐기 |
3 |
8 |
2 |
3 |
16 | |||||||
|
|
9.3% | |||||||||||
|
케이블 |
35 |
43 |
6 |
13 |
97 | |||||||
|
|
56.4% | |||||||||||
|
접 속 재 |
직선 |
9 |
2 |
2 |
8 |
21 | ||||||
|
|
12.2% | |||||||||||
|
종단 |
3 |
1 |
0 |
5 |
9 | |||||||
|
|
5.2% | |||||||||||
|
엘보 |
7 |
2 |
1 |
5 |
15 | |||||||
|
|
8.7% | |||||||||||
|
기 타 |
0 |
0 |
0 |
3 |
3 | |||||||
|
|
1.8% | |||||||||||
|
계 |
59 |
61 |
13 |
39 |
172 | |||||||
|
|
점유율 |
|
34.3% |
|
35.4% |
|
7.6% |
|
22.7% |
|
100% | |
○ 設備別 故障現況
케이블이 전체 지중고장의 56.4% 점유로 가장 많으며 접속재(26.1%), 개폐기(9.3%), 변압기(6.4%), 기타(1.8%) 순이다.
따라서 케이블의 고장예방대책이 특히 요구된다.
○ 原因別 故障現況
원인별 고장내용은 외상(35.4%), 열화(34.3%), 제작불량(7.6%)이며 시공불량 등의 기타는 22.7%이다.
외상이 지중 전체고장의 35.4%로 매년 감소하는 추세이다.
다. 故障原因 分析
1) 케이블 外傷故障 現況
○ 가해공사별
|
구분 |
지하철 |
건 축 |
도 로 |
상수도 |
기 타 |
계 | |||||||
|
외상건수 |
11건 |
9건 |
8건 |
7건 |
8건 |
43건 | |||||||
|
|
점유율 |
|
25.6% |
|
20.9% |
|
18.6% |
|
16.3% |
|
18.6% |
|
100% |
☞ 케이블 외상의 46.5%가 지하철공사와 건축공사 중 발생
○ 가해장비별
|
구 분 |
굴착기 |
천공기 |
파 일 |
곡괭이 |
기 타 |
계 | |||||||
|
외상건수 |
27건 |
5건 |
4건 |
2건 |
5건 |
43건 | |||||||
|
|
점유율 |
|
62.8% |
|
11.6% |
|
9.3% |
|
4.7% |
|
11.6% |
|
100% |
☞ 굴착기 및 천공기 등 대형 굴착장비에 의한 고장이 대부분
○ 발생시각별
|
발생시각 |
00∼06 |
06∼09 |
09∼13 |
13∼18 |
18∼24 |
계 | |||||||
|
외상건수 |
0 |
5 |
14 |
20 |
4 |
43 | |||||||
|
|
점유율 |
|
0% |
|
11.6% |
|
32.6% |
|
46.5% |
|
9.3% |
|
100% |
☞ 케이블 외상고장 전체가 일과시간중 발생
2) 外傷故障 原因分析
○ 대도시 지하철공사 및 건축공사 증가
- 지하철 공사현장 및 건축현장의 지중케이블 관리 소홀
☞ 지하철공사와 건축에 의한 손상이 전체 외상의 46.5% 점유
- 케이블을 노출상태로 장기간 방치
- 노출관로의 매달기 등 적절한 조치 미흡
- 굴착구간이 광범위하여 세밀한 순시가 어려움
- 케이블 외상중 약 37%가 10월과 11월에 발생
☞ 경기가 다소 풀리면서 건축공사 증가로 추정
○ 굴착 작업자의 전력케이블에 대한 안전의식 및 관심 미흡
- 기계화에 의한 굴착작업으로 외상요인 증가
☞ 굴삭기 및 천공기에 의한 외상이 전체의 74.4% 점유
- 굴착장비 운전기사의 책임감 부족
○ 외상고장 방지활동 여건의 어려움
- 지중배전 순시인력의 부족으로 순시활동의 한계
- 케이블 경과지 안내 및 표지 부정확
· 보도 개보수 등 타굴착에 의해 지중선로 표시기 손·망실
○ 굴착기관간의 굴착정보 교환 미흡
- 빈번한 소규모 무단굴착개소 사전파악 곤란
3) 設備劣化 故障現況
|
구 분 |
케이블 |
직 선 |
엘 보 |
종 단 |
개폐기 |
변압기 |
전 체 | ||||||||
|
전체고장 |
97 |
21 |
15 |
9 |
16 |
11 |
172 | ||||||||
|
열화건수 |
35 |
9 |
7 |
3 |
3 |
2 |
59 | ||||||||
|
|
점유율(%) |
|
36.1 |
|
42.9 |
|
46.7 |
|
33.3 |
|
18.8 |
|
18.2 |
|
34.3 |
☞ 설비열화에 의한 고장이 지중전체고장의 34.3% 점유
◆ 케이블 열화내용
|
제작사 |
제작년도 |
열 화 내 용 |
|
국제전선 |
80 |
지중화초기 노후케이블 |
|
국제전선 |
82 |
직매구간 |
|
국제전선 |
84 |
수트리 |
|
국제전선 |
85 |
직매구간 수트리, 자연열화 (3건) |
|
국제전선 |
88 |
하천제방 잡초제거 방화 |
|
국제전선 |
88 |
직매구간 |
|
국제전선 |
90 |
입상주 수분침투, 보수불량 (2건) |
|
대한전선 |
78 |
수트리에 의한 절연파괴 |
|
대한전선 |
84 |
저압케이블 열화고장 혼촉 |
|
대한전선 |
85 |
절연체두께 기준 미달 |
|
대한전선 |
85 |
고속도로 횡단개소(입상주-입상주) |
|
대한전선 |
85 |
직매구간 자연열화 |
|
대한전선 |
87 |
공동구내 |
|
대한전선 |
92 |
맨홀간 도로 횡단개소 관로내 |
|
LG전선 |
78 |
절연체 편심 |
|
LG전선 |
80 |
직매구간(강관과 트러프 연결지점) |
|
LG전선 |
80 |
직매케이블 자연열화 |
|
LG전선 |
85 |
수트리에 의한 절연파괴 |
|
LG전선 |
86 |
자연열화 |
|
LG전선 |
90 |
수트리 다량 발견 |
|
LG전선 |
93 |
지하철공사 되메움 불량 |
☞ 케이블 열화의 주원인은 수트리로 추정
라. 設備劣化 原因分析
○ 절연체의 트리(Tree) 발생
- 수트리 발생원인
· 제조 과정에서 절연체 내에 습기, void, 이물질 등 발생
· 시공 및 운전중에 도체 사이 혹은 절연체내에 물침투
· 전압과 수분의 복합작용에 의해 나무가지 형태로
절연체내에 성장
- 수트리의 영향
· 전기트리로 전환되어 케이블 절연파괴
· 산화반응에 의한 절연체 열화
○ 케이블 및 접속재 수분침투
- 케이블 설치 전·후의 단말처리 미흡
- 케이블 설치 또는 운전중 발생한 외피 손상에 의한 수분침투
- 케이블헤드 설치중 적정 방수처리 미흡
- 맨홀 및 핸드홀의 방수시공 소홀
☞ 당일굴착·복구 조건의 굴착허가에 따른 방수공사 공기 부족
마. 地中故障 豫防對策
1) 케이블 外傷故障 豫防對策
○ 케이블 경과지 순시 강화
☞ 판단배(지)854.01-1860(98.12.29) "굴착장소 순시업무 용역 확대 시행"
○ 지중선로표지기 유지관리 철저 지시
☞ 판단배(지)853.01-251(98.03.12) "지중선로 표지기 손망실 현황파악 및 설비 유지관리 철저 지시"
○ 케이블표지시트 규격 및 시공방법 개선
☞ 판단배(지)851.01-555(98.05.14) "케이블표지시트 시공요령 알림"
○ 굴착정보 입수 및 관리 강화
- 주요 굴착기관별 담당자 지정 운영
- 사업소별 굴착 현황판을 제작하여 굴착상황 지속 관리
○ 케이블 외상방지 홍보 강화
- 사업소 관내 굴착관련 기관을 대상으로 적극적인 홍보 시행
- 대 상 : 굴착관련기관, 종합건설업체, 전문건설업체, 중장비 임대업체 등
- 방 법 : 협조공문 및 홍보 팜프렛 발송
2) 劣化故障 防止對策
○ 케이블 종류별 적용기준 준수
☞ 판단배(지)851.01-394(98.04.09) "22.9㎸ 지중배전케이블 적용 기준 알림"
○ 케이블 시공 및 관리 철저 지시
☞ 판단배(지)853.05-829(98.07.07) "지중배전 케이블 시공 및 관리시 유의 사항 알림"
○ 케이블 입상구간 고장예방 대책수립 지시
☞ 판단배(지)853.05-87(99.01.14) "지중배전 입상구간 고장예방 대책수립 시행 지시"
○ 맨홀 방수공법 변경을 통한 맨홀내 수분침투 방지(시범사용 완료)
- 현 행 : 고무아스팔트 에멀젼 방수공법
- 개 선 : 수용성에폭시 몰탈 방수공법
☞ 방수공정의 단순화를 통한 부실시공 방지 및 방수효과 제고
○ 접속재 활선진단기술 현장적용
- 접속재의 열화를 사전에 진단함으로써 접속재고장 예방
☞ 서울지역본부 중부지점에서 시범사용
- 지상개폐기 일제 점검 지시
2. 지중설계기준 해설
[제2차 지중설계기준 개정 세부내용 ('98.11.21)]
가. 관련 기준명
○ 배전(지중)설계기준 : 5001 총칙, 5200 관로, 5300 지중구조물,
5400 지중배전용기기
나. 주요 개정 내용
(1) 지중 총칙기준(5001)
○ 설계도면 전산화번호 현실화 : 3Φ표기, 전주번호 정정
|
장충로 #3 3Φ 200×1 전산화번호(3자리수) + 변압기종별(1자리수 : 4 → 5) |
○ 지중선로 이격거리 보완
- 지중약전류 전선 등과의 접근 또는 교차시 이격거리 전기설비기술기준과 일치화
- 저압 또는 고압 60㎝ → 저압 또는 고압 30㎝ 이하, 특고압 60㎝ 이하
(2) 관로기준(5200)
○ 관로 규격 선정 통신용(100㎜) 삭제
- 통신관로의 시설은 정보통신용 관로지침(175㎜)에 의함
○ 도로법시행규칙에 의한 관련 내용 정비
- 지중선로 표지기 규격변경
·Φ70 → Φ100, L200 → L140
- 지중선로 표지주 규격 및 설치기준 반영
·지방 50m, 도시 20m, 곡선부위 5∼10m 간격
(3) 지중구조물 기준(5300)
○ 전력구 부대시설물 기준 보완
- 세트 앵커볼트 수량 정정 : 4개 → 3개(지지대 1800mm 기준)
- 행거 설치 간격 보완 : 지중송전 설계기준에 따라 정비
· 배전용과 송전용 행거 간격 구분
400mm → 154kV : 400mm, 345kV : 550mm
○ 전력구 기타설비에 접지설비기준 추가
○ 전력구내 케이블 표준배치도 보완
- 세트 앵커 볼트 수량 및 전력구 폭
· 앵커볼트 : 4개 → 3개 (지지대 2100mm 기준)
○ 맨홀의 세트 앵커 볼트 소요량 정정
- 운영중인 사항 반영
|
앵글형지지대 |
볼트 소요량 |
앵글형지지대 |
볼트 소요량 | ||
|
변경전 |
변경후 |
변경전 |
변경후 | ||
|
600mm |
2 |
2 |
2100mm |
4 |
3 |
|
800mm |
2 |
2 |
2300mm |
4 |
4 |
|
1100mm |
3 |
2 |
2700mm |
5 |
4 |
|
1500mm |
3 |
3 |
3100mm |
- |
5 |
|
1800mm |
4 |
3 |
|
|
|
· 전력구폭 : 2100mm → 2200mm
(4) 지중 배전용 기기(5400)
○ 구매시방서로 운영중인 기기기초대 삭제
- 변압기 및 개폐기용 기초대 접합
기초대 종류별 접착제량 표기 삭제
3. 지중저압선로 시설기준(잠정) 해설
[관련공문 : 판단배(지)851.01-1809 ('98.12.21)]
1) 適用範圍 : 지중저압선로의 시설기준에 관한 사항을 규정함
2) 地中 低壓 系統
가. 低壓 線路
○ 구성방법 : 간선(도로) + 분기선(골목길 등)
○ 계통방식 : 수지상
(단, 간선의 고신뢰도 지역: 변압기를 달리한 개방 환상방식)
○ 케이블 선정
- 간선 : 동일한 규격의 케이블을 시설
(향후 연계, 비상시 부하 융통대비)
- 분기선 : 부하용량으로 산정한 적정 규격
나. 引入線
○ 지중 인입선 : T인입방식
▼ 분기방법 (분기개소는 점검 및 유지보수가 용이하도록 시설)
- 지중 저압접속함 또는 핸드홀, 맨홀 등에서 분기
- 건물의 벽 등을 이용하여 저압 분기선을 입상하여 분기
- 저압 분전함에서 분기
- 변압기 인근 수용은 변압기에서 직접 공급
단, 신뢰도가 특히 요구되는 수용 : 변압기를 달리한 이중전원 공급
3) 低壓 케이블의 施設
가. 一般 事項
○ 지중 저압선로 : 600V CV케이블(단심, 銅 도체)
○ 중성선의 규격
|
전압선 (㎟) |
22 |
38 |
60 |
100 |
200 |
325 |
|
중성선 (㎟) |
22 |
38 |
60 |
60 |
100 |
200 |
나. 幹線의 種類
○ 지중 저압선로 : 일반적인 경우에는 200㎟ 간선
- 현장여건상 부득이한 경우에는 다음의 표에서 적정한 종류를 선택 구성
[저압간선의 종류별 용량 및 시설장소]
|
종 류 |
개산용량 (2) |
시 설 장 소 |
비고 |
|
325 ㎟ (1) |
400 kW |
중심상업지역 등 고밀도 부하지역 |
부하밀도에 따라 저압간선의 회선수 결정 |
|
200 ㎟ |
300 kW |
일반 상업지역 등 부하 밀집지역 | |
|
100 ㎟ |
200 kW |
주택 및 상업 혼재지역 또는 주택밀집지역 | |
|
60 ㎟ |
150 kW |
순수 주거지역 등으로 부하밀도가 낮은 지역 |
(주1) 325㎟ 케이블 신규 설치 가급적 지양
(주2) 개산용량은 3상 4선식 220/380V 3회선, 역률 90% 조건
○ 공급방식 : 3상 4선식 220/380V (단, 2차전압이 미승압된 지역은 예외로 하되, 승압을 대비하여 저압선은 4조 시설)
○ 저압간선 최대전류 : 허용전류의 80%이내 (부하불평형,최대부하감안)
(예) CV 200㎟ 4회선인 경우 : 전선의 허용전류 480A, 간선의 최대전류 384A
|
< 저압 계통 구성의 일례 >
|
○ 간선의 초기 이용율 : 간선 최대전류의 50%정도
(단, 장래 부하증설이 예상되지 않는 수용 또는 지역 : 최대전류의 80%까지)
다. 幹線의 回線數 決定
○ 저압간선의 회선수 산정 : 최종 변압기 용량의 150% 기준
○ 저압간선의 여러 방향 분기 : 각 방향별 최종용량 산정 필요 회선수 결정
|
(예) 부하밀집지역의 3상 300kVA 변압기에서 저압간선을 인출하는 경우로서 향후 500kVA로 용량증설이 예상되는 경우 (초기부하 200kW [304A])
(1) 1방향으로 인출되는 경우
(2) 2방향으로 인출되는 경우로서 A방향으로 약 80%, B방향으로 약 20%의 부하가 예상되는 경우 |
라. 幹線의 接續
○ 접속 위치 : 저압접속함(또는 맨홀, 핸드홀) 내 시설
○ 접속시 여유장 반영 ( 향후 예상되는 케이블 분기 등의 접속공사를 대비)
○ 접속 방법 : 600V CV케이블 접속장치 사용 (단, 동관단자 등을 사용하는 경우에는 노출부위를 자기융착테이프 등으로 완전 절연처리)
마. 幹線의 保護裝置 施設
○ 저압간선용 보호장치 부설 가능 : 변압기 인출 저압간선
- 종류 : NFB 또는 ELB 사용
- 방법 : 각 간선마다 1개씩 부하연결점 이전 설치(단, 부하가 많거나 중요부하인 경우 선로의 중간 또는 분기회로에 추가 설치)
○ 보호장치 설치 장소 : 분전함 내 설치
- 분전함 설치장소 : 고객의 건물 측벽, 유휴지 등 (단, 부득이한 경우에는 보행 및 미관에 지장이 없는 보도 등의 공공용지)
바. 分岐線 및 引入線의 施設
○ 분기선, 인입선의 규격 : 초기부하 200% 정도, 최소 규격은 22㎟
○ 인입선과 지중으로 인입 가능 고객의 매입형 인입구 배선과의 접속
- 시설장소 : 인입용 저압접속함 (고객 시설소유, 케이블의 접속은 당사 시행,. 단, 지중화사업 또는 현장여건상 부득이한 경우에는 당사 시설)
○ 인입선과 지중으로 인입 곤란한 고객의 노출형 또는 매입형 인입구 배선과의 접속 : 입상관(백관) 설치, 건물벽에 저압종단장치 부설
○ 필요한 경우 하나의 입상에 2 이상의 인입선 연결 (단, 각 고객의 인입선은 별도의 저압종단장치의 단자에 연결함을 원칙)
사. 表示札 附着
○ 표시찰 부착 : 저압 입상개소 및 구조물 내의 케이블
[판단배(지)852.02-1021(98.8.10) 공문]
○ 기타 선로운영상 필요한 정보 : 라벨 부착(Label Printer 이용)
○ 저압 접속함의 뚜껑의 번호찰 부착개소 : 번호찰 부착(접속함번호 인쇄)
4) 低壓管路의 施設
가. 低壓 管路
○ 저압 간선용 관로 : 100mm 파형관
○ 시설위치 : 편측(협소한 도로), 양측(2차선이상, 보차도 구분도로)
고압선로와 동일 경과지 시설 경우 : 동시 시설(고압관로:하부, 저압관로: 상부)
○ 저압관로의 시설공수 : 저압계통의 최종 회선수+ 예비공 1공 이상(정보통신용 관로 : 별도기준에 따라 병행 시설)
○ 관의 간격 : 100mm 표준
○ 관의 표준 배열
|
관로 공수 |
1 |
2 |
3 |
4 |
6 | |
|
관 의 |
종 형 |
○ |
○ ○ |
○ ○ ○ |
○ ○ |
○ ○ |
|
횡 형 |
○ |
○ |
○ |
○ ○ |
○ ○ ○ | |
○ 케이블 매설위치 표시 : 포장도로 지표면에 지중선로 표지기 설치
(단, 직선구간으로서 저압접속함의 간격이 10m 이하인 경우 생략)
○ 관로 상부 케이블 보호 : 케이블표지시트 또는 케이블보호판 설치
[판단배(지)851.01-555(98.5.14)}
○ 관로공사 완료후 : 설계기준에 따른 관로의 도통시험
○ 관로 보강 : 동체 콘크리트 타설
- 적용개소 : 현장 여건상 부득이 기준 매설깊이 이하로 시설하는 경우, 타 시설물과 근접하여 시설하는 경우, 잦은 터파기가 예상되는 장소
- 동체콘크리트 타설시 터파기의 굴착저폭: 설계기준 5200 2항의 B형 관로기준
- 콘크리트의 규격: 설계기준 5300 1항의 무근콘크리트 적용
- 타설면적 : 관로 외측 상하 10cm (하부 제외, 거푸집 설치)
나. 引入用 立上管
○ 인입용 입상관 : 백관
단, 도시미관 개선 경우: 건물벽 고정, 녹슬지 않는 미려한 재질판 적용
○ 입상관 높이 : 지표로부터 1.5m 이상 (입상관 내 케이블 접속점 불가)
○ 파형관과 입상관(백관) 연결 : 입상관 이음관
○ 입상케이블과 고객 인입구 배선 연결: 600V CV케이블 접속장치
(단, 케이블이 22㎟ 이하이고 인입구 배선이 22㎟ 미만 : 보호함(직접 접속)
○ 충전부 노출 불가 : 입상부에서 고객의 인입구배선에 이르는 전로
다. 低壓 接續函
○ 저압 접속함 시설장소 (지표면과 뚜껑이 일치 : GL+0∼10mm 이내)
- 중량물의 통행이 없고 상시 차량의 주차가 적은 지역
- 유지보수 및 케이블의 인출입이 용이한 지역
- 가급적 침수의 우려가 적은 지역
- 인입용인 경우 당사의 저압선로와 가깝고, 관로의 인입이 용이한 지역
○ 시설 소유 : 신규고객은 구내에 고객 시설
- 재산한계점 : 케이블 접속장치의 고객케이블 접속점 (단,백관으로 입상시킨 경우는 백관상부 당사케이블과 고객의 인입구배선과의 연결점)
○ 케이블의 분기함 경유 불가 (단, 분기접속 또는 직선접속이 필요한 회선, 향후 분기가 예상되는 회선, 포설상 필요한 회선에 한해 제외)
○ 접속함은 바닥면에 모래를 10cm 깔고 평탄하게 정지한후 설치한다.
○ 접속함의 파형관연결용 격판 제거후, 파형관 삽입후 몰탈 충진
○ 접속함 내 접속장치 연결 케이블 여유장 : 0.5m 정도
○ 접속함 뚜껑 고정 : 볼트
○ 접속함 내에 시설되는 저압케이블의 접지측 전선 접지 : 제3종 접지공사(접지저항 100Ω 이하) 시행, 접지선은 나연동선 22㎟ 이상
○ 접속함의 재질 : FRP 또는 PE
[지중 저압접속함의 종류 및 규격]
|
종 류 |
규격 (L×W×H, ㎜) |
내하중 (㎏) |
|
간선용 |
500×740×700 |
6,500 |
|
인입용 |
450×450×550 |
2,600 |
|
간 선 용 |
인 입 용 |
|
|
|
[저압 분기장치의 종류 및 적용개소]
|
구 분 |
기 호 |
적용 개소 |
접속 케이블 |
|
2조 분기접속 |
2TS |
1Φ2W 분기 |
600V CV케이블 S : 22㎟ ∼ 100㎟ L : 100㎟ ∼ 325㎟ |
|
3조 분기접속 |
3TS |
1Φ3W, 3Φ3W 분기 | |
|
4조 분기접속 |
4TS, 4TL |
3Φ4W 분기 |
[저압 종단장치의 종류 및 적용개소]
|
구 분 |
기 호 |
적용 개소 |
접속 케이블 |
|
2조 종단접속 |
2HS |
1Φ2W 종단 |
600V CV케이블 S : 22㎟ ∼ 100㎟ L : 100㎟ ∼ 325㎟ |
|
3조 종단접속 |
3HS |
1Φ3W, 3Φ3W 종단 | |
|
4조 종단접속 |
4HS |
3Φ4W 종단 |
[ 케이블 규격별 입상관의 적정 규격 ]
|
케이블 규격 (㎟) |
1공 2조 |
1공 3조 |
1공 4조 |
|
22 |
50 |
50 |
50 |
|
38 |
50 |
50 |
50 |
|
60 |
50 |
80 |
80 |
|
100 |
80 |
80 |
80 |
|
200 |
80 |
100 |
100 |
|
325 |
100 |
100 |
100 |
(주) 3상화 대비 1공 2조 또는 3조 설치시 가급적 1공 4조 기준 시설

5) 低壓線路의 기술계산
가. 地中 低壓(CV)케이블의 許容電流
(1) 저압 케이블(관로식)의 상시허용전류 계산식

: 케이블의 상시허용 최고온도 (CV케이블 : 90℃)
: 케이블의 기저온도 (관로식인 경우 25℃ 적용)
: 케이블의 심선수 (단심 케이블 : 1)
: 교류도체 실효저항 [Ω/cm]
: 전열저항 [℃·cm/W]
![]()
![]()
: 단심케이블 절연체의 열저항 [℃·cm/W]
: 절연체의 고유열저항 [℃·cm/W] (XLPE : 450)
: 도체의 외경 (mm)
: 절연체의 외경 (mm)
![]()
: 외장부의 열저항 [℃·cm/W]
: 외장부의 고유열저항 [℃·cm/W] (PVC : 600)
: 외장의 내경 (mm)
: 외장의 외경 (mm)
![]()
: 케이블의 표면방사 열저항 [℃·cm/W]
: 표면 고유열저항 [℃·cm/W] (PE : 500+10d, d≤40)
: 케이블의 외경 (mm)
![]()
: 토양 및 관로의 열저항 [℃·cm/W]
: 토양 및 관로를 평균한 고유열저항 [℃·cm/W]
(보통지 : 100)
: 관로포설시 1공내의 전압케이블 조수 (3상4선식 : 3조)
: 관로포설시의 저감율 (1공 3조 포설시 : 0.9)
: 케이블의 지표에서 케이블 중심까지의 거리 (mm)
: 손실률 (일반적인 경우 0.5 적용)
(2) 저압 케이블(관로식)의 상시허용전류
(가) 실무 적용치
|
케이블 규격 |
1 공 |
2 공 |
3 공 |
4 공 |
|
22 |
145 |
135 |
135 |
130 |
|
38 |
200 |
190 |
190 |
180 |
|
60 |
265 |
250 |
250 |
240 |
|
100 |
360 |
340 |
340 |
320 |
|
150 |
455 |
430 |
430 |
410 |
|
200 |
535 |
505 |
505 |
480 |
|
250 |
605 |
575 |
575 |
545 |
|
325 |
700 |
665 |
665 |
630 |
(나) 전력용량(kW) 환산치
|
케이블 규격 |
1 공 |
2 공 |
3 공 |
4 공 |
|
22 |
85 |
81 |
81 |
77 |
|
38 |
118 |
113 |
113 |
107 |
|
60 |
156 |
149 |
149 |
141 |
|
100 |
212 |
201 |
201 |
191 |
|
150 |
270 |
256 |
256 |
243 |
|
200 |
316 |
300 |
300 |
285 |
|
250 |
359 |
341 |
341 |
323 |
|
325 |
415 |
394 |
394 |
374 |
(주) 1. 역률 90% 적용, 3상 4선식 220/380V 기준
2. 1공시설에 비해 1단2열, 1단3열은 95%, 2단2열, 2단3열은 90%임.
나. 地中 低壓(CV)케이블의 電壓降下 計算
(1) 저압 CV케이블(관로식)의 전압강하 계산식
![]()
: 전압강하 허용한도 (2200V : 13V, 380V : 23V)
: 상수 (3상 4선식: 1, 단상 2선식 : 2)
: 전류 (A)
: 선로길이 (km)
: 전선의 임피던스 (Ω/km)
![]()
: 전선의 저항
: 전선의 리액턴스
: 역률
< 600V CV케이블의 임피던스표 >
|
케이블 규격 |
저항 R |
리액턴수 X |
임피던스 Z |
|
22 |
0.832 |
0.192 |
0.833 |
|
38 |
0.481 |
0.182 |
0.512 |
|
60 |
0.305 |
0.178 |
0.352 |
|
100 |
0.183 |
0.175 |
0.241 |
|
150 |
0.122 |
0.170 |
0.184 |
|
200 |
0.0915 |
0.171 |
0.157 |
|
250 |
0.0739 |
0.169 |
0.140 |
|
325 |
0.0568 |
0.167 |
0.124 |
(주) 역률 90%, 주파수 60Hz 기준
(2) 전압강하 계산 결과
|
케이블 규격(㎟) |
말단집중부하 |
균등분포부하 |
비 고 |
|
22 |
27.6 |
55.2 |
<적용 방법> |
|
38 |
44.9 |
89.8 | |
|
60 |
65.3 |
130.6 | |
|
100 |
95.4 |
190.8 | |
|
150 |
125.1 |
250.2 | |
|
200 |
146.6 |
293.2 | |
|
250 |
164.1 |
328.2 | |
|
325 |
185.6 |
371.2 |
(주) 본 표의 수치는 전류×거리 (Ampere×km)임.
본 표를 적용하기 곤란한 경우에는 전압강하 계산식에 의거 직접 계산한 수치를 사용한다. 아래의 경우는 이러한 경우의 일례를 나타낸 것이다.
< 전압강하 직접계산의 일례 >
|
말단전압강하 e = (400·0.05 + 300·0.08 + 250·0.1 |
4. 전력구 운영기준
가. 전력구운영기준 개정 (송변전처)
o 개정사유 : 전력구 안전관리기준과 통합
o 시행일자 : '99. 3. 2
나. 배전기준과 상이 내용
o 전력구(공동구) 측점 번호찰 부착 위치 상이
50m (운영지침, 설계기준) → 30m (현 배전기준)
o 지중선로용 표시찰 규격 상이
- 선로표시찰
· 표시 : ○○ D/L → ○○ S/S ○○ D/L
· 크기 : 58mm → 58mm(75mm : 케이블 입상주용)
· 재질 : 아크릴(입상주용은 포맥스)
o 접속자 명찰
표시 : 검수자 → 책임감리원
다. 전력구 운영기준 : 붙임
|
전 력 구 운 영 기 준 |
1985. 9. . 제 정
1995. 5. 18. 1차개정
1998. 2. 27. 2차개정
1999. 2.. 25 3차개정
Ⅰ. 총 칙
1. 목 적
이 기준은 지중전력토목설비의 효과적인 활용 및 유지관리에 원활을 기하고자 함을 목적으로 한다.
2. 적용범위
이 기준은 지중전력토목설비, 공동구의 운영업무에 적용한다.
3. 용어의 정의
3.1 지중전력토목설비
케이블 및 그 부속재를 설치하기 위한 관로, 맨홀, 전력구, 덕트(Duct) 등을 포함한 모든 구조물을 말한다.
3.2 전력구
다회선의 케이블 및 부속재 등을 수용하고 케이블의 접속공간을 겸하는 기능을 가진 구조물을 말하며 시공 공법에 따라 개착식 전력구와 터널식 전력구로 구분한다.
3.3 개착식전력구
도로를 계획된 심도(深度)까지 굴착하여 전력구를 설치하고 되메우기하는 형 태의 전력구를 말한다.
3.4 터널식전력구
도로를 굴착하지 않고 지하에 터널로 시공하는 형태의 전력구를 말한다.
3.5 공동구
도시계획법 제2조제1항제12호에 규정된 시설물로 전기, 통신, 상하수도, 난방등 공급시설을 공동수용하며 지방자치단체장이 관리하는 구조물을 말한다.
3.6 수직구
터널전력구 시공을 위하여 작업구로 사용한 후 완성한 수직 구조물을 말한다.
3.7 분기구
케이블을 인, 출입할 수 있도록 전력구의 단면 또는 형태를 변화시킨 부분을 말한다.
3.8 자연환기구
전력구내 공기(空氣)를 자연적으로 외부와 순환시킬 수 있도록 시설된 구조물 을 말한다.
3.9 강제환기구
전력구내 공기(空氣)를 기계장치에 의하여 외부로 순환시킬 수 있도록 설치된 구조물을 말한다.
3.10 집수정
전력구내에서 양수작업을 위하여 양수기가 설치된 장소에 물이 고이도록 만들어진 구조물을 말한다.
3.11 출입구
전력구내 작업 및 순시점검을 위하여 사람이 출입할 수 있는 구조물을 말한다.
3.12 보안망
전력구내 외부인의 출입을 차단하며 설비 보호를 위하여 설치된 시설물을 말한다.
3.13 대기실
전력구 시설에 대한 점검 및 유지보수를 위하여 직원이 대기할 수 있도록 설치된 공간을 말한다.
3.14 급유조실
전력구에 유입(O.F)케이블의 급유를 위하여 유조를 수용할 수 있도록 설치된 공간 구조물을 말한다.
3.15 맨홀
케이블의 인입, 인출, 접속 등의 공사와 점검 기타 보수작업을 용이하게 할 수 있도록 시설한 구조물을 말한다.
3.16 건설부서
전력구 및 맨홀을 시공하여 인수부서에 인계하는 부서를 말한다.
3.17 관리부서
전력구 및 맨홀을 건설부서로부터 인수받아 관리, 운영하는 부서를 말한다.
3.18 설비해당부서
관리부서의 동의를 받아 전력구 및 맨홀에 시설물을 설치하는 부서를 말한다.
3.19 안전점검
경험과 기술을 갖춘자가 육안 또는 점검기구 등으로 시설물에 내재 되어있는 위험요인을 조사하는 행위를 말한다.
3.20 정밀안전진단
안전점검을 실시한 결과 시설물의 재해 예방 및 안전성 확보 등을 위하여 관리주체가 필요하다고 인정하거나 시설물에 대하여 물리적 기능적 결함을 발견하고 그에 대한 신속하고 적절한 조치를 하기 위하여 구조적 안전성 및 결함의 원인 등을 조사, 측정, 평가하여 보수·보강 등의 방법을 제시하는 것을 말한다.
3.21 유지관리
완공된 시설물의 기능을 보전하고 시설물 이용자의 편의와 안전을 높이기 위하여 시설물을 일상적으로 점검·정비하고 손상된 부분을 원상복구하며 경과시간에 따라 요구되는 시설물의 개량·보수·보강에 필요한 활동을 하는 것을 말한다.
Ⅱ. 설 비 운 영
4. 운 영
4.1 관 리
4.1.1 범 위
전력구 관리는 전력구 출입자 통제, 순시, 점검, 케이블설치 위치지정 및 구조물과 부대설비의 유지보수로 한다.
4.1.2 관리부서
가. 송전전용 전력구 : 송변전사업소
나. 배전전용 전력구 : 배전사업소
다. 송배전겸용전력구 : 송배전 겸용으로 계획 건설된 것은 송변전사업소
라. 기타 : 송전전용, 배전전용으로 계획 건설된 전력구에 타 설비가 설치 되더라도 당초 전력구 관리부서에서 계속 관리
마. 맨홀 및 개거(OPEN DUCT)관리부서는 전력구에 준함
바. 전력구 및 맨홀 건설부서는 설계시 관리부서(인수부서)를 명시하여야한다.
사. 설비 인계인수는 따로 정한 "관로인계인수기준(송변지중A01/지중03)"에 따른다.
자. 전력구 설비별 관리 구분
1) 전력구 구조물 및 부대설비 : 전력구관리부서
2) 케이블 지지대 : 시공은 최초 케이블 설치부서가 관리부서와 협의 시행하며 관리는 전력구 관리부서에서 시행
3) 케이블 및 부속재 : 설비 해당부서
차. 공동구
1) 송전전용 공동구에 대한 업무처리 : 송변전사업소
2) 배전전용 공동구에 대한 업무처리 : 배전사업소
3) 송배전 공용공동구 : 배전사업소
4) 송전 또는 배전전용으로 계획건설된 공동구에 타 설비가 설치되더라도 당초 공동구 대관업무 담당부서에서 계속관리
4.2 사용 절차
4.2.1 전력구내에 전선로를 시설하고자 하는 부서는 전력구 단면결정시 계획된송배전, 통신선로의 경우에도 관리부서의 서면 동의를 받아 시설한다.
다만, 기준 배열 이외의 공간을 사용 승인코자 할 경우 관리부서는 해당 주관부서에 협의를 하여야 한다.
4.2.2 전력구내 전선로의 배열은 [별표 1]를 기준으로 한다.
4.2.3 전력구내 방수 구조물 및 시설물에 손상을 입혔을 경우에는 원인자 부담으로 보수하여야 한다.
4.3 수용
전력구내 전선로는 전력구 단면 결정시 계획된 송배전선로 및 통신선로 수용을 원칙으로 하며 345KV 전력구에는 배전케이블 수용을 할 수 없다. 다만, 변전소 인출 등 별도 관로 구성이 불가능한 개소로써 별도의 방재시설을 할경우에는 예외로 한다.
4.4 출입자 관리
관리부서는 다음과 같이 출입자의 통제를 하여야 한다.
4.4.1 전력구내의 출입은 관리부서의 승인을 득한후 담당직원의 안내를 받아 출입하여야 한다.
4.4.2 전력구내의 출입자는 사전에 신분증을 제시하고 출입 목적을 설명하여야 한다.
4.4.3 타 기관 또는 타 부서에서 전력구에 출입하고자 하는 경우에는 1주일전에 다음 서류를 관리부서에 제출하고 승인을 득하여야 한다. 다만, 관리부서장이 긴급하다고 인정할 때에는 구두승인을 하고 사후에 조치를 할 수 있다.
가. 출입 목적
나. 출입 기간
다. 출입자 명단
라. 기타 관리부서에서 요구하는 서류
4.4.4 관리부서는 출입자 기록부(별표 5)에 출입자를 기록, 관리하여야 한다.
5. 순 시
5.1 순시종류
5.1.1 보통순시
전력구내 구조물 및 부대설비와 선로상황을 관찰하고 선로의 보안상 장애 또는 그 위험성을 사전에 방지하기 위한 순시를 말한다.
5.1.2 예방순시
전력구내 누수된 물을 배수하기 위하여 시설된 집수정, 양수기의 동작상태를 점검하기 위한 순시를 말한다.
5.1.3 간부순시
유지보수 등에 필요한 일반적인 설비를 관찰하고 그 실태를 종합적으로 파악하기 위한 순시를 말한다.
5.1.4 특별순시
고장발생시 고장위치 발견과 중요행사시 시설보안 유지를 위한 순시를 말한다.
5.2 순시 종류별 순시 횟수 및 내용은 [별표 2] 및 [별표 3]과 같다.
5.3 순시방법
전력구 순시는 2인 이상으로 조를 편성하여 순시한다.
5.4 순시휴대품
순시원은 전력구 순시시 급전소 및 설비운영부서와 항상 통신이 가능하도록 통신장비를 휴대하여야 하며 손전등, 가스탐지기, 순시수첩, 기타 필요한 공구를 휴대 하여야 한다.
5.5 전력구내 조명시설은 순시점검 및 작업시 점등하고, 완료후 반드시 소등하여야 한다.
6. 점 검
6.1 전력구내 점검의 종류
6.1.1 정기점검
전력구 구조물, 케이블, 배수설비, 환풍설비, 방재설비, 전력구내 금구류 설비의 성능을 육안으로 정기적으로 시행하는 점검
6.1.2 초기점검
전력구, 케이블 및 전력구내 부대설비에 대한 이상유무를 초기에 확인하기 위하여 설비별로 준공후 1∼2년 사이에 시행하는 점검
6.2 순시점검은 전력구관리부서 및 설비해당부서에서 시행한다. 다만 변전소(1인 근무 변전소 제외)케이블처리실에서 출입가능한 긍장 200m(방화벽 시설 지점)미만 배전전용 인출전력구는 송변전사업소에서 추가 시행한다.
6.3 점검 주기와 내용은 [별표 2] 및 [별표 4]와 같다.
7. 보수 및 관리
7.1 전력구 구조물
7.1.1 구조물은 항상 건조한 상태로 유지되어야 한다.
7.1.2 누수가 되는 곳은 즉시 방수처리를 하여야 하며 완전방수가 불가능한 곳은 파이프 등을 이용하여 흘러나오는 물을 집수정으로 유도 처리한다.
7.1.3 관로 신증설 등으로 인하여 인입관로를 전력구에 접속할 때에는 사전에 관리부서에 통보하고 접속위치를 선정받아야 한다.
7.1.4 전력구 인입관로는 분기구 부분에 접속한다.
7.1.5 도로관련 지하구조물 공사 등으로 전력구가 파손될 염려가 있는 곳에는 직원을 파견하여 감시감독을 철저히 하여야 한다.
7.1.6 집수정 부분은 양수에 지장이 없도록 청결히 하여야 한다.
7.1.7 지상의 환기구를 통하여 떨어진 오물은 수시로 청소한다.
7.1.8 전력구내 각종 철물류의 녹이 난 부분은 스테인레스 재질로 교체하거나 수시로 도색한다.
7.1.9 환풍기는 수시로 가동하여 구내 공기를 순환시킨다.
7.2 케이블
7.2.1 케이블 설치
가. 전력구내에 케이블 설치시 공사시행부서는 관리부서에서 설치위치를 지정받아 설계 및 시공을 하여야 한다.
나. 케이블 설치작업 완료시에는 반드시 관리부서에서 지정한 인입관로 사용여부, 케이블 위치 및 배열 적정시공 여부, 공사후 청소상태, 설비 손상유무 등을 준공 검사전에 관리부서의 확인을 받아야 한다.
다. 인입관로의 사용순서는 하단에서 상단으로 관로 외측에서 내측으로 사용하며 케이블이 꼬이지 않도록 설치한다.
라. 전력구내 금구류는 규격품을 사용한다.
마. 전력구내 케이블 설치는 [별표 1]과 같이 송전케이블을 하단부터 설치하고 그외의 케이블은 상단부터 설치하며 통신선로는 최상단에 설치함을 원칙으로 한다.
바. 케이블 탈락 방지를 위하여 특별한 장소를 제외하고 송전 케이블은 2경간, 배전 케이블은 4경간마다 고정장치를 한다.
사. 관리부서는 전력구 시설물에 대한 신증설 또는 보강 공사 등이 준공된 경우에는 다음 사항을 확인하여야 한다.
1) 케이블 및 재료대장
2) 케이블 번호찰 부착상태
3) 지정인입구, 관로구 및 행가위치
4) 케이블 접속위치 및 대장
7.2.2 케이블 접속 작업
가. 수직구 또는 분기구 부분 및 급유조실 전후 25m내에서는 접속을 금한다.
나. 전력구내에 배전케이블은 직선접속재 사용을 원칙으로 한다.
다. 변전소 케이블 처리실내에서 배전케이블 접속점을 두어서는 않된다.
라. 옥내변전소 인출전력구에서는 전력구 시점(방화벽)에서 150m이내에서 접속점을 두어서는 않된다. 다만 분기 등 공법상 불가피한 경우는 예외로 한다.
마. 케이블 접지선 연결은 압축스리브로 시공한다.
7.2.3 케이블 및 거리표시찰 취부
케이블에는 [별표 8]의 선로 및 접속표시찰을 취부한다.
가. 설비해당부서는 케이블 접속부에 접속표시찰을 취부하고 배전케이블은 매 100m 마다, 송전케이블은 양 접속부의 중앙부분에 선로 표시찰을 취부한다.
나. 전력구내는 시점으로부터 거리를 알 수 있도록 매50m 마다 거리표시찰을 취부한다. 표시찰은 순시자가 잘 볼 수 있도록 천장이나 벽면에 취부한다.
7.3 부 대 시 설
7.3.1 전력구의 부대시설은 다음과 같다.
가. 케이블 지지대 및 행가
나. 각종 사다리 및 계단, 난간
다. 접지설비
라. 배수설비
마. 조명설비 및 수전설비
바. 환풍설비 및 그레이팅
사. 방재설비(연소방지설비)
아. 감시설비 및 통신설비
자. 기타 제장치
7.3.2 전력구 부대설비의 보수 및 관리는 다음과 같다.
가. 지지대의 1경간은 1.5m를 기준으로 하고 전력구 규격에 적합하도록 양측 벽면에 직각으로 설치한다.
나. 작업시 지지대나 행가에 무리한 힘을 가하거나 흔들어서는 안된다.
다. 수직부분의 사다리는 견고하게 정위치에 설치하여 관리한다.
라. 잠금장치는 녹이 쉽게 발생하지 않도록 하여야 하며 외부인이 쉽게 열 수 없는 구조로 한다.
마. 전력구내 각종 철물류(계단, 사다리, 난간 등)는 스테인레스 사용을 원칙으로 한다.
바. 양수기 등 기타 제장치는 성능이 저하되지 않도록 관리하며 고장 발생 및 성능 저하시는 즉시 수리한다.
라. 전력구내 분전반 및 조작반 외함은 스테인레스 재질로 하며 밀폐시켜 화재 확산이 되지 않는 구조로 한다.
바. 전원 설비에는 반드시 누전 차단기를 설치하고 배선에는 난연재질 또는 난연처리를 한다.
사. 전력구내 배선 및 조명기구는 방수형으로 시행한다.
아. 변전소 인출 전력구 등 단거리 전력구에 대하여도 누수 및 습기에 대한 피해를 입지 않토록 적절한 배수 및 환기설비를 한다.
자. 임시 조명설비는 방습형을 사용한다.
8. 시 설 보 안
8.1 출입구, 분기구, 환기구 등 전력구 출입이 가능한 곳은 잠금장치를 하여 외부인의 출입을 막아야 한다.
8.2 전력구 출입구에는 전력구 구간의 시종점 및 분기 위치에 대한 안내판을 부착한다.
8.3 전력구의 열쇠관리는 관리기록부를 비치하여 제작 및 수불사항을 기록한다.
9. 도 면 관 리
9.1 도면 작성
전력구에 대한 종합적이고 체계적인 관리를 위하여 관련도면을 작성하여 시설물에 대한 적정한 보수 계획수립에 이용하고 비상시 신속한 복구 대책 수립 등을 위한 기초자료로 활용한다.
9.2 도면의 종류
가. 종단, 평면도
나. 구조물도
다. 시설물 평면도
라. 주요 시설물 일반도
마. 전력구 일반 평면도 등 전력구 운영에 필요한 도면
9.3 작성방법
도면 작성시는 각 설비의 준공도면과 실측 자료를 이용하여 모든 시설물이취합 표시될 수 있도록 작성하여 효율적인 전력구 운영과 유시시 긴급 대처할 수 있도록 작성 되어야한다.
9.4 도면의 보관 관리
도면의 보관 관리는 "총무03 도면관리지침"에 따른다.
Ⅲ. 안 전 관 리
10. 작 업 안 전 관 리
10.1 비상등 휴대
전력구내에 출입시에는 반드시 성능이 양호한 비상용 손전등을 휴대하여야 한다.
10.2 화재 예방
전력구내에는 접속용 가열화기 이외의 인화물질 반입을 금하며 다음 사항을 준수하여야 한다.
가. 전력구내에서는 오물 등을 소각해서는 안된다.
나. 작업이 완료되면 주위를 깨끗이 청소하고 공사잔재와 사용공기구는 즉시 외부로 반출한다.
다. 전력구내에서 흡연 및 촛불 사용을 금하며 작업중 위험한 행동을 삼가한다.
라. 전력구내 작업시는 반드시 소화기를 비치하고 작업에 임하여야 하며 케이블 접속 작업을 분산하여 시행 할 경우는 매 접속작업 장소마다 1개 이상 비치한다.
마. 전력구의 방재설비의 시설에 대하여는 소방관련법규 및 별도 정하는 규정에 따른다.
바. 변전소와 전력구 연결부분의 방화벽 및 전력구 구획 방화벽에 대한 케이블 관통부의 방재처리는 설비(케이블)해당부서에서 시공, 관리한다.
10.3 작업 안전
전력구 순시 및 작업시에는 다음 사항을 준수하여야 한다.
가. 수직부분이나 분기구에서 작업시 사다리가 안전한가를 작업 개시전 필히 확인한다.
나. 기계장치를 가동할시 주위를 점검한 후 신호를 교환하며 실시한다.
다. 전력구내 출입시에는 반드시 안전모를 착용한다.
라. 복장은 간편하고 활동하기 쉬운 작업복을 착용한다.
마. 부대시설은 관계직원외 조작을 금한다.
바. 작업중 정전이 될 경우에는 작업을 중단하고 외부 연락 책임자의 지시를 받아야 한다.
사. 출입시 점등, 환풍, 가스탐지 등을 실시한다.
아. 구내작업은 작업책임자의 지시에 따라 행한다.
자. 맨홀뚜껑, 환기구 덮개는 외부인이 출입하지 못하도록 잠금장치를 한다.
차. 기타사항은 안전작업 수칙에 따른다.
10.4 교통 안전
맨홀, 분기구 및 환기구의 덮개를 개폐할 때에는 전후방의 안전표시판을 설치하고 행인의 접근을 막아야 한다.
10.5 표지물 설치
전력구내에서 안전사고 예방, 시설물의 효율적인 관리를 위하여 다음의 표지판을 설치하여야 한다.
가. 안내표지 : 지상위치, 출입구, 비상구, 소화기, 분기구, 수직구 등
나. 설비표지 : 배수펌프, 환기설비, 분전반, 조작반 등
다. 주의표지 : 위험, 접촉엄금, 화기엄금, 금연 등
11. 시설물 안전관리
11.1 안전관리 계획의 수립
시설물 관리부서는 소관 시설물에 대하여 5년마다 시설물 별로 안전점검계획을 수립하여야 하며 이에 따라 매년 시행 계획을 수립, 시행하여야 한다.
11.2 시설물의 안전조치
11.2.1 안전점검 및 정밀안전진단의 실시
관리부서는 시설물의 기능 및 안전을 유지하기 위하여 소관 시설물에 따라 안전점검 및 안전진단을 실시하여야 한다.
가. 안전점검
1) 정기안전점검 : 2년에 1회
2) 긴급안전점검 : 관리부서가 필요하다고 판단한 때
나. 정밀안전진단
1) 주기 : 준공후 10년에 1회, 그후 5년마다 1회
2) 안전점검을 실시한 결과 시설물의 재해예방 및 안전성 확보 등을 위하여 필요하다고 인정하는 경우
다. 안전점검, 정밀안전진단이 동일시기에 실시될 경우에는 상위점검을 실시하고 하위점검은 생략한다.
11.2.2 안전점검 및 정밀안전진단을 실시할 시설물
가. 안전점검
1) 터널식 전력구
2) 교량첨가 설비
3) 개착식전력구 및 맨홀 등 필요하다고 인정하는 시설물
나. 정밀안전진단
1) 터널식 전력구
2) 개착식 전력구 및 맨홀 등 필요하다고 인정하는 시설물
11.3 안전점검 및 정밀안전진단 실시 방법
11.3.1 안전점검
가. 시설물의 현상태를 정확히 판단하고 최초 또는 이전에 기록된 상태를 확인
나. 구조물이 현재 사용요건을 계속 만족시키는지의 확인
다. 점검반 구성
1) 지중토목과장 또는 직원(지중토목담당이 없는 사업소는 토목직군 직원)
2) 설비운영담당과장(송배전)
3) 설비운영담당직원 (송배전)
4) 선로순시담당직원
라. 점검방법
1) 육안검사를 원칙
2) 균열, 변형 등 준공도면과 대조 확인
3) 불량부분은 사진을 촬영하여 기록, 보관
마. 보고서에 포함되어야할 사항
1) 개요
2) 정기점검의 범위
3) 점검사항 요약결과 보고
4) 건의사항 : 정밀진단 또는 시설물 사용제한 필요성
5) 부록 : 점검결과, 사진, 주요부분의 결함 개략도
11.3.2 정밀안전진단
가. 안전점검을 통해서 쉽게 발견하지 못하는 결함부위를 발견하기 위하여 시행
나. 정밀한 육안검사 및 검사측정장비에 의한 근접검사
다. 구조물의 결함유무 및 범위에 대한 확인 필요시 비파괴 현장검사 및 기타 재료시험
라. 노후화 또는 손상정도에 따라 구조물의 성능이나 잔존수명을 평가
마. 정밀안전진단결과 보수·보강이 필요한 경우에는 보수·보강 방법을 제시
바. 시행방법
시설물의안전관리에관한특별법 제9조에 정한 건설부교통부장관 의 지정을 받은 안전진단전문기관에 의뢰하여 시행
사. 보고서에 포함되어야할 사항
1) 개요
2) 정밀안전진단계획 수립 : 진단범위, 필요한 재료시험, 내하력측정여부
3) 전체부재의 조사결과 분석
4) 안전성 평가(구조적 안전성 평가)
5) 전체 부재 조사결과 요약보고
6) 보수·보강공법 제시
7) 건의사항
8) 부록 : 육안검사 사진, 육안검사 개략도, 재료시험결과, 보수·보강공법 등 조사자료
아. 시설물의 상태 평가
1) 상태등급 평가
정밀안전진단 결과 발견된 결함을 근거로 결함의 정도(심각도)에 따라 A, B, C, D, E의 5가지 단계로 평가
2) 상태등급평가 범위
전체 시설물에 대하여 망(網)을 작성, 상태등급 판정
3) 상태판정 기준
|
부호 |
상 태 |
|
A |
문제점이 없는 최상의 상태 |
|
B |
경미한 손상의 양호한 상태 |
|
C |
보조 부재의 손상이 있는 보통의 상태 |
|
D |
주요 부재에 진전된 노후화(콘크리트의 휨·전단균열, 열화,박리, 화재손상 등)로 긴급한 보수·보강이 필요한 상태 |
|
E |
주요 부재의 심각한 노후화 또는 단면손실이 발생하였거나 안정성에 위험이 있어 시설물을 즉각 사용금지하고 개축이 필요한 상태 |
4) 관리부서는 정밀안전진단 결과 상태등급에 따라 제시된 보수, 보강 방법을 참고하여 보수계획을 수립, 보수하여야 한다.
11.4 정밀안전진단의 대가
정밀안전진단의 대가는 "시설물의안전관리에관한특별법시행령 제8조"에 따른다.
11.5 시설물 시공 계열사의 정밀안전진단 금지
안전진단전문기관에 정밀안전진단을 의뢰하는 경우는 당해 시설물을 시공한 자의 계열회사인 안전진단 전문기관에 의뢰하여서는 않된다.
11.6 비용의 부담
안전점검 및 정밀안전진단에 소요되는 비용은 관리부서가 부담한다. 다만, 하자담보 책임기간내에 시공자의 귀책사유로 인하여 정밀안전진단을 실시하는 경우에는 그에 소요되는 비용은 시공자가 부담한다.
11.7 정밀안전진단 시행기준
11.7.1 정밀안전진단 시행 기준에는 아래 사항이 포함되어야 한다.
가. 정밀안전진단에 필요한 설계도면, 시방서, 사용재료 내역서 등 시공관련 자료의 수집 및 검토에 관한 사항
나. 정밀안전진단 실시자의 구성에 관한 사항
다. 정밀안전진단계획의 수립, 시행에 관한 사항
라. 정밀안전진단 장비에 관한 사항
마. 정밀안전진단 항목별 점검 방법에 관한 사항
바. 사용재료의 시험에 관한 사항
사. 정밀안전진단 결과의 평가에 관한 사항
아. 정밀안전진단 결과보고서의 작성에 관한 사항
자. 육안검사에의한 결함의 종류, 보고방법 및 평가방법 등에 관한 사항
차. 결함부위의 확정방법에 관한 사항
타. 시설물의 결함 원인분석에 관한 사항
파. 시설물의 상태에 관한 평가기준 및 평가방법에 관한 사항
하. 시설물 하중내하력의 평가방법에 관한 사항
12. 하자담보책임에 대한 적용
12.1 관리부서는 정밀안전진단실시 주기에 관계없이 하자담보책임기간 만료일 이전에 정밀 안전점검진단을 실시하고 진단결과 하자보수사항이 발생되면 하자담보책임기간내 시공자에게 보수요청을 하여야 한다. 이 경우 하자담보책임기간은 하자보수가 완료될 때까지 연장되는 것으로 본다.
12.2 하자담보책임기간 만료후 정밀안전진단 결과 설계도면, 시방서 등에서 정한규격에 미달되게 시공한 하자가 발생되었을 경우에는 시공자에게 보수를 요청할 수 있다.
부 칙 (1995. 5. 18)
본 지침은 1995. 6.15부터 적용한다.
부 칙 (1998. 2. 27)
이 기준은 1998. 3. 2부터 적용한다.
부 칙 (1999. 2. 25 )
1. 이 기준은 1999. 3. 2 부터 적용한다.
2. (기준 폐지) 이 기준의 시행일로부터 전력구 안전관리기준은 폐지한다.
[별표 1]
전력구내 Cable 표준 배치도 (예시)
1. 송배전 겸용 전력구
2. 345kV전력구

[별표 2]
순시의 종류 및 점검 주기
1. 순시종류별 순시 횟수
|
순시종류 |
순시횟수 |
비고 |
|
보통순시 |
1회/주 |
|
|
예방순시 |
필요에 따라 |
배수펌프 동작상태 확인 |
|
특별순시 |
필요에 따라 |
|
|
간부순시 |
필요에 따라 |
|
※ 배전설비 순시는 "송배전선로순시 및 정비지침(배전02)" 별표 1에 따름
2. 점검종류별 점검 횟수
|
점검종류 |
점검횟수 |
비고 |
|
초기점검 |
준공후 1∼2년 사이 |
준공 설비별 |
|
정기점검 |
1회/6월 |
|
※ 배전설비 점검은 "송배전선로순시 및 정비지침(배전02)" 별표 2에 따름
[별표 3]
순 시 조 사 내 용
|
설 비 구 분 |
조 사 내 용 |
|
배수설비 |
펌프 정상가동(소음, 진동) 여부 |
|
조작반 이상 유무 | |
|
밸브류(역지밸브, 게이트밸브) 이상유무 | |
|
배수 파이프 누수, 보온상태, 감지봉 이상유무 | |
|
환풍설비 |
환풍기 정상가동(소음, 진동) 여부 |
|
조작반, 방풍막(방풍문) 이상유무 | |
|
조명 및 전원설비 |
조명등, 스위치(3로 누전차단기) 상태 |
|
Tie반 이상유무 | |
|
잡설비 |
그레이팅, 출입문 시건 및 손상 여부 |
|
안전대, 사다리 등의 방청, 부식, 파손 여부 | |
|
구조물 |
누수 및 균열 여부 |
|
케이블 |
접지선 연결상태 |
|
케이블 Snake 변형 | |
|
금구류(지지대, 행거) 변형 | |
|
누유 여부 |
[별표 4]
전력구 점검 보고서
|
전력구명 :
점검일자 : 년 월 일 (날씨 : ) |
담 당 |
과 장 |
소(부)장 | |||||
|
|
|
| ||||||
|
|
구 간 |
|
|
|
| |||
|
|
점 검 사 항 |
| ||||||
|
전 력 구
구 체 |
출입구 시건장치 |
|
|
| ||||
|
맨홀 뚜껑 매몰, 돌출, 파손 |
|
|
| |||||
|
사다리, 난간 설치상태 및 발청여부 |
|
|
| |||||
|
전력구 누수 및 균열상태 |
|
|
| |||||
|
그레이팅 손상 및 오물방지망 이상유무 |
|
|
| |||||
|
전력구 청소상태 |
|
|
| |||||
|
전력구내 방재시행여부 (PAD.Tr 및 기타) |
|
|
| |||||
|
관로구 방수장치 설치상태 |
|
|
| |||||
|
배전케이블 시공상태 |
|
|
| |||||
|
전력구 파손 및 무단시설여부 |
|
|
| |||||
|
배 수 설 비 |
펌프 정상가동 여부 |
|
|
| ||||
|
조작반 이상유무 |
|
|
| |||||
|
밸브류(역지밸브, 케이트밸브) 이상유무 |
|
|
| |||||
|
배수 파이프 누수, 감지봉 이상 유무 |
|
|
| |||||
|
펌프용량 적정 여부 |
|
|
| |||||
|
집수정 집수량(㎥/1일) |
|
|
| |||||
|
집수정 청소상태 |
|
|
| |||||
|
환풍설비 |
환풍기 정상가동(소음, 진동) 유무 |
|
|
| ||||
|
조작반 이상유무 |
|
|
| |||||
|
방풍망 이상유무 |
|
|
| |||||
|
조 명 및 전 원 설 비 |
조명등, 스위치, 콘센트 이상유무 |
|
|
|
|
분전반, Tie반 이상유무 |
|
|
| |
|
누전차단기 정동작 여부 |
|
|
| |
|
배관 및 Box류 설치상태 |
|
|
| |
|
케 이 블 |
접지선 연결상태 |
|
|
|
|
케이블 Snake 변형 |
|
|
| |
|
금구류(지지대, 행가)변형 |
|
|
| |
|
케이블 누유 여부 |
|
|
| |
|
접속상 및 씨스 발열 여부 |
|
|
| |
|
케이블 방재 시행상태 |
|
|
| |
|
표시찰 설치 이상유무 |
|
|
| |
|
곡률시공상태 |
|
|
| |
|
방재 트러후 및 차화판 이상 유무 |
|
|
| |
|
기타사항 | ||||
점검자 : (인)
[별표 5]
출 입 자 명 부
|
월일 |
출입자 |
목적 |
시간 |
입회자 | ||
|
소속(주소) |
직급 |
성명 | ||||
|
|
|
|
|
|
|
|
|
|
|
|
|
|
|
|
|
|
|
|
|
|
|
|
|
|
|
|
|
|
|
|
|
|
|
|
|
|
|
|
|
|
|
|
|
|
|
|
|
|
|
|
|
|
|
|
|
|
|
|
|
|
|
|
|
|
|
|
|
|
|
|
|
|
|
|
|
|
|
|
|
|
|
|
|
|
|
|
|
|
|
|
|
|
|
|
|
|
|
|
|
|
|
|
|
|
|
|
|
|
|
|
|
|
|
|
|
|
|
|
|
|
|
|
|
|
|
|
|
|
|
|
|
|
|
|
|
|
|
|
|
|
|
|
|
|
|
|
|
|
|
|
[별표 6]
전력구(맨홀) 출입 신청서
|
신청자 소 속 :
성 명 : (인) 년 월 일 | |
|
전력구명 (관로명) |
|
|
출입일시 |
시 분부터 년 월 일 시 분까지 |
|
출입목적 |
|
|
출입인원 |
|
|
출 입 구 |
입구위치 : 출구위치 : |
|
관련공사 |
공사명 : 공사개요 : |
|
특기사항 |
|
주) 특기사항에는 출입목적에 따라 전력구내에서의 화기사용 여부,
전기사용 여부, 각종 기기사용 여부 기재
[별표 7]
전력구내 케이블 접속도
배전케이블

[별표 8]
선로 및 접속표시찰
1. 송전 케이블
○ 선로표시찰

○ 접속표시찰
※ 제작 및 취부방법
○ 두께 0.8㎜ 이상의 Stainless 강판에 음각으로 글자 새김
○ 0.2㎜ 이상의 Stainless 철선으로 취부
○ 접속표시찰은 접속부 각 상에, 선로표시찰은 케이블에 취부
2. 배전 케이블
○ 선로표시찰

○ 접속표시찰
5. 지중개폐기 조작요령
가. 개폐기의 용도
25㎸용 지중배전선로의 지상 또는 지중에 설치되어 선로분기, 선로구분 및 인입 개폐장치로 사용된다.
나. 개폐기의 분류
1) 설치모양에 따른 분류
① 정방형 ( 금성계전에 한함 )
② 사선형 ( 현재 주로 사용됨 )
2) 접속방법에 따른 분류
① 스틱조작형 ( ETP )
② 데드브레이크형 ( DP, 혹은 BIP )
3) 설치장소에 따른 분류
① 지상형 ( 스틱식, 혹은 데드식 )
② 지중형 ( 데드식 )
4) 회로수에 따른 분류
① 4 Way - 4 Switch --- 주로 많이 사용됨
② 4 Way - 2 Switch --- 양전원 공급수용가, 또는 ALTS
부착 수용가의 재산한계점 필요시
③ 3 Way - 3 Switch --- 주로 부하가 적은 지역에 많이 사용됨
④ 3 Way - 2 Switch --- D/L 또는 T/L의 원활한 개폐또는 빠른 부하조정을 위하여 설치함. 〔현재 서울시내 22㎸로 운전 중인 선로에 약 60 개소가 있음)
다. 계폐기 조작 방법
(1) 공통사항
● 정격전류 : 6 0 0 A
● 절 연 물 : S F 6 불활성 가스
● 가스압력 : 적정압력 : 5 PSI,
조작금지압력 : 2 PSI 이하
( 금성산전제품 적용, 제작소별로 다름 )
● 조작방법 : 수동, 전동 및 원방
(2) 조작전 유의사항
①개폐기문를 열기전에 주위 상태점검
(예: 개폐기 외부상태, 주위 굴착상태 등)
②회로명찰(방향표시), 깨스압력이 적정한지 확인하고 개폐기 내의 케이블 및 접속재등이 바르게 설치되어 있는지 확인한다
③조작하는 이유에 따라 ( 선로고장시, 휴전작업시, 부하절체시, 전력확보시 등) 모든 작업을 다시 한번 생각한다.
④안전을 고려하여 주위를 확인하고 사령실 또는 관계자의 지시에 따라 조작한다. 만일 나의생각과 틀리다면 유선으로 사령실 또는 관계자에 문의 한 후 실시한다
(3) 금성계전 (지상형)




3) 조작 방법
ⓛ 조작전 반드시 개스압력치를 점검한다.
② 조작전 유의 사항을 점검한다.
③ 수동조작봉을 조작핸들에 삽입한다.
④ 개폐상태 표시기에 따라 밀거나 당겨서 조작한다.
예 : 밀 음 ---- 닫 힘
당 김 ---- 열 림
⑤ 조작이 끝난후 사령실 또는 관계자에게 보고를 한다.
(4) 금성계전 (지중형)

1) 조작방법
① 인도, 또는 차도에 안전조치를 설치한다.
예 : 안전칸막이 설치, 감시자 배치 등
② M/H 뚜껑을 열고 깨스 측정을 한후 이상없으면 M/H에 들어가서 모든점검을 마친후 나온다.
예 : 회로표시판, 개스압력, 개폐기상태등
③ 지상개폐기 조작방법과 동일한 방법으로 시행한다.
예 : 밀 음 : 투 입 ( Close )
당 김 : 개 방 ( Open )
♠, 주의 : 개폐기 조작은 지상에서 조작함을 원칙으로 한다.
(5) 금성기전(지상형)

1) 조작 방법
ⓛ 조작전 반드시 개스압력 및 회로방향을 점검한다..
② 절연스틱을 수동조작용 핸들에 걸어서 약 75mm 정도 밀거나 당김으로서 개 폐된다.
예 : 밀 음 : 투 입 ( Close ),
당 김 : 개 방 ( Open )
③ 조작이 끝난후 사령실 또는 관계자에게 보고를 한다.
(6) 금성기전(지중형)

1) 조작방법
① 인도, 또는 차도에 안전조치를 설치한다.
예 : 안전칸막이 설치, 감시자 배치 등
② M/H 뚜껑을 열고 개스 측정을 한후 이상없으면 M/H에 들어가서 모든점검을 마친후 나온다.
예 : 회로표시판, 개스압력, 개폐기상태등
③ 지상 개폐기 조작방법과 동일한 방법으로 시행한다.
예 : 밀 음 : 투 입 ( Close )
당 김 : 개 방 ( Open )
♠,주의 : 개폐기 조작은 지상에서 조작함을 원칙으로 한다.
(7) 신아전기

1) 조작방법
① 조작전에 개스압력치를 확인한다.
☞ 주의 : 개스압력계 수치가 1∼5까지붉은색으로, 5∼15까지 녹색으로 구분되어 있으므로 수치가 5PSI 이상인지 확인할 것, ( 표준 압력 : 10PSI )
☞ 주 의 : 5 P S I 이하일 때는 조작을 금하십시요
② 수동핸들을 조작핸들에 삽입하고 개폐조작을 행하십시오
예) 반 시 계 방 향 : 개 방 ( OPEN )
시 계 방 향 : 투 입 ( CLOSE )
③ 개폐기의 조작상태를 조작금구의 위치 (OPEN, CLOSE)로 개폐상태를 확인하십시오
(8) 선도전기


1) 조작방법
① 개스 압력계를 확인할 것
- 정상동작 범위 : 녹색 ( 0.1 ∼ 0.5 ㎏/㎠ )
- 위험압력 범위 : 적색 ( 0.1 ㎏/㎠ ) 이하
② 수동조작 핸들로 조작기구의 조작방향(열림-닫힘)을 따라 조작한다.
● 밀음 : 닫힘 ( CLOSE )
● 당김 : 열림 ( OPEN )
(9) 일진전기

1) 조작방법
① 개스 압력치를 확인한다.
예 : 압력계의 조작압력범위는 0.14㎏/㎠ (2 PSI) ∼ 0.7㎏/㎠(10 PSI)이며 녹색으로 표시됨, 만일 지침이 0.14㎏/㎠(2 PSI) 미만의 적색 범위를 가리킬때는 조작하지 마십시오
② 투입시 : 조작봉을 축세장치 홈에 끼워 축세방향 (오른쪽에서 왼쪽으로 )으로 당기면 딸깍 소리가 나면서 축세가 완료된다. 축세용 조작봉을 제거하고 조작봉으로 닫힘장치 버턴을 누르면 개폐상태표시가 닫힘으로 표시되며 완료된다.
③ 개방시 : 조작봉으로 열림장치 버턴을 누르면 개폐상태 표시가 열림으로 표시되며 축세장치도 해제표시로 됨니다.
(10) 신성산전


1) 조작방법
① 개스 압력계 확인
● 정상동작 압력범위 : 0.1㎏ ∼ 1㎏ (녹색)
● 위험 압력범위 : -76Hg ∼ 0.1㎏ (적색)
② 조작핸들을 조작Hole에 삽입하여 조작기구 방향 표시의 원하는 방향으로 회전하면 투입 및 개방이 됨, 이때 열림, 닫힘 표시창의 표기는 현재의 개폐상태를 나타낸다.
(11) 진광


1) 조작방법
① 개스 압력치를 점검한다.
● 표준조작압력 : 0.7㎏/㎠
② 스프링 축세용 조작봉을 축세용 조작홀에 끼운 후 시계방향으로 회전시키면 스프링이 축세되고 적색(닫힘)버턴을 누르면 투입이 되고 녹색(열림) 버턴을 누르면 개방이 된다.
스프링 상태(축세 - 해제) 및 회로 상태(열림 - 닫힘)는 조작에 따라 표시판에 명확하게 표시 됩니다
(12) 지중선로 고장차단기
(Fault Interrupter For Underground Line)


1) 용도
지중배전선로상의 단락, 지락고장을 검출하여 후비 및 전위보호 기기와의 협조를 통해 신속히 고장구간을 자동 차단하므로서 건전구간으로의 정전범위 확대방지와 선로, 설비보호 등의 기능을 수행하는 선로 보호장치입니다.
2) 정격
● 정격연속전류 : 600A
● 차단성능 : 진공차단부 ( Vacuum Interrupter )
3) 설치위치
① 후비(변전소 CB) 보호장치의 70%
● 대단위 아파트지역 및 상가지역 지점
● 기 설치된 보호기기와 혼용사용지역
② 분기선로의 분기점에 설치하여 사고시 자동분리
③ 상시 절분점에 설치하여 역송도중 사고시 자동분리
4) 수동조작 방법
① 수동닫힘 조작
●조작봉으로 수동축세기구를 25∼30회 당기면 축세상태 감시창의 표시가 스프링 해제에서 스프링 축세로 전환된다.
●조작봉을 수동개폐조작기구에 끼우고 닫힘으로 돌리시면 쿵소리와 함께 개폐상태 표시창이 열림에서 닫힘으로 전환되며 내부회로는 투입상태가 된다.
② 수동열림 조작
●조작봉으로 수동개폐조작기구를 열림으로 돌리시면 쿵 소리와 함께 개폐상태 감시창의 표시가 닫힘에서 열림으로 전환되며 개방상태가된다.
5) 자동조작 방법
●수동개폐 조작기구를 리세트에 위치시키면 A,C 220V 인가시 자동으로 축세가 되며 투입과 개방은 콘트롤 박스에서 열림, 닫힘푸쉬 버턴을 누르면된다
(13) 원방거리감시제어 개폐기 ( SCADA )


1) 조작의 종류
●원방조작 : 사령실, 또는 관계실에서
●전동조작 : 개폐기의 전동조작 판넬에서
●수동조작 : 전동조작이 불가할 경우 개폐기에서
2) 조작방법
① 원방조작
사령실 또는 관계실에서 버튼으로 조작함, 램프의 점등으로 개폐상태를 표시함
② 전동조작
●개폐기 문을열고 열림, 닫힘상태 및 #1, #2 스윗치의 회로를 확인한다. 개스압력을 적정치에 있는지 확인한다.
●전동판넬에서 조작상태 표시 S.W를 ON측으로 밀어 표시 등을 확인하여 개폐기 동작상태와 같은가 확인한다.
( 녹색 : 절분, 적색 : 투입 )
♣주의 : 표시등이 점등이 안되거나 흐리게 점등 된다면 밧데리가 불량이므로 수동조작 을 시행한다.
●판넬의 지시램프와 개폐기 본체의 표시가 같다면 절환 S.W를 아래(LOCAL측)로 내린다.
Local Operation : 현장 전동조작
SCADA Remote : 원방조작
●개폐기 조작 S.W를 #1, 혹은 #2 S.W 조작코자 하는 회로를 조작함.
♣ 주의 : S.W를 조작한후 손을 놓아도 개폐기내의 D.C모터는 계속적으로 동작된다. 만일 착각으로 다른S,W를 조작했다면 신속히 (약2초 이내) 반대로 조작을 한다.
(예 : 절분상태를 투입하는 것으로 착각했다면 절분측으로 재차 조작한다. )
●개폐기 동작소리를 확인하고 조작상태 표시 S.W를 ON측으로 밀어 표시램프를 확인한다.
③ 수동 조작방법
●개폐기 조작 금구류와 모터가 연결된 핀을 뽑는다.
●일반 개스 개폐기와 동일한 방법으로 조작을 시행한다.
6. 건설기계 및 비개착 공법
가. 건설기계의 분류
건설공사에 사용되는 기계류를 총칭하여 건설기계라고 부른다.
건설기계를 분류하는 방법에는 대상공사별(도로, 하천, 항만, 철도 등)
공종별(토공, 포장, 기초 등), 작업종류별(굴착, 운반, 다짐 등), 기종별(트랙터계, 쇼벨계 등) 분류 등이 있으나 일반적으로 아래 표와 같은 분류방법을 많이 채택하고 있다.
|
분 류 |
기 계 명 |
|
불도우저 및 |
straight dozer, angle dozer, U-dozer, rake dozer, ripper dozer, 습지bulldozer, scraper dozer, 피견인식scraper, 자주식 scraper. |
|
굴착 기계 |
기계식 shovel (power shovel, clamshell, dragline, backhoe 등), 유압식 shovel(backhoe, loading shovel 등), bucket wheel excavater, 수륙양용 굴착기, trencher 등. |
|
적재기계 |
무한궤도식 tracter shovel, 차륜식 tracter shovel, wheel loader, 버력적재기(rocker shovel). |
|
운반기계 |
truck, dumptruck, 전용dumptruck, semitrailer, dump trailer, cement운반차, self loader, conveyer, 가공삭도, 건설기계용 기관차. |
|
crane |
기계식(유압식) truck crane, wheel crane, crawler crane, cable crane, 문형crane, tower crane, climbing crane, 공사용elevater, lifter, winch, hoist. |
|
기초 공사용 |
diesel pile hammer, 진동pile driver, crawler식 항타기, earth drill, reverse circulation drill, 대구경 boring machine, earth auger, 지하연속벽 시공용기계, 지반개량용 기계, grout 기계. |
|
천공기계 및 |
boring machine, 착암기, breaker, crawler drill, jumbo drill, shield 굴진기, tunnel 굴진기. |
|
moter grader |
moter grader, stabilizer, soil plant. |
|
다짐기계 |
road roller(macadam, tandem roller), tire roller, 진동roller, 진동compacter, tamper, tamping roller. |
|
골재 생산용 |
골재생산 plant (feeder, 쇄석기, 선별기), 오탁수처리기. |
표1 건설기계의 분류
|
분 류 |
기 계 명 |
|
concrete 기계 |
concrete batchplant, concrete mixer, truckmixer, agitater truck, concrete placer, agitater car, concrete pump, mortar pump, concrete 뿜칠기, concrete 진동기, sliding form. |
|
포장기계 |
asphalt plant, asphalt finisher, asphalt distributer, asphalt sprayer, concrete finisher, concrete sprayer, concrete cutter. |
|
도로 유지 및 |
road swifer, 배수관 청소차, 노면절삭기, lifte car, line marker, 재료살포기, rotary 제설차, 제설dozer, 제설grader, 설상차. |
|
작업선 |
pump 준설선, dipper 준설선, bucket 준설선, grab 준설선, 쇄암선, 기중기선, 항타선, 조사감독선. |
|
기타 기계 |
공기압축기, fan, pump, 발전기. |
건설기계의 규격을 표시하는 방법은 작업장치의 크기(capacity : m, ㎥), 시간당 작업능력(ton, ㎥/h), 자중(일반적으로 작업가능 상태의 중량을 말한다), 원동기 출력(㎰, ㎾) 등에 의하여 나타내며 기계의 특성에 따라 규격의 표시방법이 다르며 아래표와 같다.
표2 건설기계 표시방법
|
기 종 |
분 류 |
표시 |
표시 기준 |
|
Bulldozer |
무한궤도 |
ton |
장비 중량 |
|
타이어 | |||
|
습지 | |||
|
유압식 Ripper |
불도저에 부착 |
ton |
불도저 중량 |
|
굴착기 |
무한궤도 |
㎥ |
Bucket 용량 |
|
타이어 | |||
|
습지 | |||
|
대형 Braker |
굴착기에 부착 |
㎥ |
굴착기 호칭 |
|
기 종 |
분 류 |
표시 |
표시 기준 | |
|
Loader |
무한궤도 |
㎥ |
Bucket 용량 | |
|
타이어 | ||||
|
Scraper |
자주식 |
㎥ |
Bowl용량 | |
|
견인식 | ||||
|
Moter Grader |
|
m |
삽날 길이 | |
|
Dumptruck |
|
ton |
적재 중량 | |
|
Roller |
자주식
견인식 |
매캐덤 |
ton |
중량 |
|
탠덤 | ||||
|
진동 | ||||
|
타이어 | ||||
|
양족식 | ||||
|
Rammer |
|
㎏ |
중량 | |
|
Plate compacter |
|
ton |
전압력(轉壓力) | |
|
Crane |
무한궤도 |
ton |
최대인양 하중 | |
|
Truck | ||||
|
Truck 탑재형 | ||||
|
Tower Crane |
|
ton×m |
권상능력×작업반경 | |
|
Asphalt Mixing Plant |
|
ton/hr |
생산 능력 | |
|
Concrete Batch Plant |
|
㎥/hr |
생산 능력 | |
|
Asphalt Paver (Finisher) |
|
m |
시공폭 | |
|
Asphalt Distributor |
|
ℓ |
Tank 용량 | |
|
기 종 |
분 류 |
표시 |
표시 기준 |
|
Asphalt Sprayer |
|
ℓ |
Tank 용량 |
|
노면 절삭기(파쇄기) |
|
m |
절삭폭 |
|
Concrete Mixer |
|
㎥ |
Mixer 용량 |
|
Concrete Mixer Truck |
|
㎥ |
적재 용량 |
|
Concrete Cutter |
|
㎜ |
Cutter날 직경 |
|
Concrete Pump Car |
|
㎥/hr |
압송 능력 |
|
Concrete 진동기 |
|
kW,HP |
소요 동력 |
|
보링기계 |
|
㎜×m |
Rod직경×최대깊이 |
|
진동Pile Hammer |
|
kW |
소요 동력 |
|
디젤 Pile Hammer |
|
ton |
Hammer 중량 |
|
고성능 착정기 |
|
HP |
장비 동력 |
|
물 Tank |
|
ℓ |
Tank 용량 |
|
Line Marker |
|
km/hr |
주행속도 |
나. 비개착 공법
(1) 수평적 지향성 착공 (Horizontal Directional Drilling)
이 공법은 장거리 굴진 시스템으로 일반적으로 방향조절이 가능하고, 무겁고 강력한 장비가 사용되며 소구경에서 대구경까지 장거리 천공이 가능하다. 이 시스템은 원래 석유회사에서 큰 정밀도가 요구되지 않는 소구경 관을 강을 가로질러 설치하기 위해 개발되었다.
현재는 교차로, 큰강, 활주로 등과 같은 장애물 밑을 횡단하는 관을 설치하는데 많이 쓰인다.
선도공(pilot hole)을 굴착하는데 사용되는 회전굴착 비트는 작고 방향조절이 가능하며, 공 보호용 별도시설 없이 지표면에서 10°-15°경사로 발진된다. 선도공의 직경은 약90㎜ 정도이며 굴착후에는 천공액(drilling mud)으로 채워진다. 직경125㎜ 정도의 세굴관(wash over pipe)이 헤드 뒤 100m 선도축(pilot st-ring)을 미리 굴착해 나간다. 장애물 건너편에 있는 출구에 도달하면 선도 굴착비트를 제거한다. 그 다음 원통형 회전 확장기(rotating barrel reamer)를 부착시켜 세굴관을 뒤로 끌어 당겨서 선도공을 확장한다.
원하는 직경이 될 때까지 계속 확장 한다음 관을 확장기 헤드에 연결하여 끌어당겨 설치한다. 천공액은 공의 함몰을 막기 위해서 사용된다. 이 공법으로 직경1,200㎜ 관을 1.5㎞ 이상 설치할 수 있다.

그림 1 수평적 지향성 착공 횡단도
(2) 관로추진(압입)공사
철도, 도로, 구조물 및 하천 등을 지중으로 횡단할 경우에 개착공법이나 일반 터널공법을 적용할 수 없는 장소에 Pipe를 밀어 넣어 땅속을 무굴착 상태로 관통하는 추진공법으로서 일명 압입공법이라고도 한다.
1) 추진공법의 종류
가) 타격식(충격식)
지중에 직접 강관을 Ram Hammer로 타입하는 방법으로 가장 단순한 공법이며 점토, 실트질 지반에 효과적이지만 직진정도가 극히 낮다. 일명 GR(또는 TR) 공법이라고도 하며 Ø200∼Ø800mm가 적당하고 국내에서 잘 활용되고 있다.
지반침하, 융기가 적고 추진속도가 빠르고 경제적이며, 추진장비 진입로, 작업장소 및 전진기지가 필요하다.
소음, 진동이 많고 시공오차가 발생되므로 정밀한 시공관리가 필요 하다.
나) 유압식
유압 Jack에 의해 관을 땅속에 추진하는 공법으로 타격식 공법보다는 그 규모 가 작을뿐 같은 공법이나 추진하는 관경이 작기 때문에 직진정도의 유지가 곤란하고 30m 정도가 적당하다.
Ø250∼Ø700mm 추진시가 적당하며 점토, Loam, 실트, 사질토층에 사용된다.
단면이 크고 단구간에 사용하며 시공장비가 간단하나 기계굴삭을 하여야 한다.
다) Auger식
Spiral Screw의 회전천공에 의해 굴삭추진하는 것으로 삭공후 구멍이 붕괴하지 않는 실트, 점토, 롬, 사질토층 및 자갈섞인 토층과 같은 토질에 적용하되(Ø250∼700mm추진시) 직진 정도가 낮아 50m 정도가 적당하다.
라) 수력 굴삭식
1. 케이싱 법
Pipe선단에 Metal Crown, 또는 Diamond Bit 등의 절삭기를 취부하고 파이프에 송수 하면서 모터에 의한 롯드의 회전절삭을 하므로 경질지반의 천공도 가능하다
2. Core Tube 법
롯드 선단에 Core Tube 혹은 Push Tail Bit를 취부하고 롯드에 송수하면서 회전절삭 하고 천공후 강관을 유압 Jack에 의해 추진한다.
마) 삭인식
수평 Boring에 의해 천공한 구멍속에 P.C Wire(Ø10∼20mm)를 넣어 한쪽편에서 삭진 강관을 견인하는 공법으로 시공하며 보다 높은 직선유지가 필요한 경우에 적용한다.
3) 이용방식별 공법 선정기준
|
구 분 |
대구경 추진 공법 |
소구경 추진 공법 |
|
관경 및 관재 |
ψ800∼2,000㎜의 흄관, 강관 등 |
ψ800 ㎜ 미만의 흄관, 강관 및 합성수지직관 (자주식 천공일 경우) |
|
시공 길이 |
50∼70m 까지 |
30∼100m 까지 |
|
추진 속도 |
4∼5m/일 |
5∼15m/일 |
|
추진 공법 |
유압식 |
타격식, 유압식, 수력굴삭식 등 |
|
추진관내 토사제거 |
인력굴삭 및 광차운반 제거 |
사람이 들어갈 수 없으므로 Water- Jet 수평오거 등 기계식으로 배토 |
|
이용 방식 |
Casing 관로식 : 1공 에 배전9회선 이하 수용 |
관로식 : 추진관ψ200∼300㎜에 배전1회선 수용 |
|
기 타 |
일반 추진 공법외에 Semi Shield, 압기공법 및 Box Culvert 추진공법 등이 있음 |
시공정도의 향상으로 최근에는 방향 제어장치가 부착되어 적용범위가 확대되고 있음(자주식 천공장비 등) |
※ 주 : 관로식 추진관경은 CN-CV 325㎟ 케이블을 1공3조 수용한 경우를 전제로 횡단 폭이 보통인 경우는 나강관 Ø200(Ø175는 규격 없음)를, 횡단폭이 큰 경우는Ø300을 정한 것이므로 이외의 케이블을 수용할 목적으로 한 경우에는 작업여건(현장여건, 장비 및 작업성 등)을 감안해서 적정관경(나강관 Ø100∼Ø300)을 선정하여야 함.
2) 추진방법
|
항목 |
관 로 식 |
케이싱 관로식 |
전력구 식 |
|
시공 방법 |
|
추진관 내부에 지중전선관을 삽입하여 주위를 모래나 몰탈로 채운후 지중케이블 포설 (허가조건 충족) |
|
|
단 면 도 |
|
|
|
|
관 재 |
나강관 |
케이싱관 : 나강관, 흄관 |
나강관, 흄관 |
|
관의 직경 |
ψ200∼300㎜ * 주 참조 |
케이싱 관 :ψ400∼1,500㎜ |
ψ1,500㎜ 이상 |
|
수용 회선수 |
배전 1∼4회선 |
배전 5∼8회선 |
배전 9회선 이상 |
|
추진 장비 |
타격식 |
타격식, 유압식 |
유압식 |
|
추진 방법 |
불요 |
기계식 (그라우팅 장비) |
불요 |
|
관통 위치 |
추진관의 관통위치, 깊이 및 추진관간의 이격거리는 전력케이블 계획 및 대관 승인조건을 고려하여 결정. | ||
4) 토질조사
설계전 시추조사를 실시하여 구조물 기초지반의 구성상태 및 토질의 물리적 특성을 파악 분석하여 경제적이고 합리적인 설계 및 시공을 위한 각종자료를 수집하여야 한다.
가) 조사 종류
1. 시추 조사(Boring) : 조사 심도는 압입심도에서 약3m 정도를 더한 심도로하며, 조사간격은 20m에 1공을 기준으로 하며 지층변화가 심한지역에서는 조사공수를 증가 시행한다..
2. 표준관입시험 : 동일 토층이라도 1.5m에 1회씩 실시 한다.
3. 실내토질시험 : 함수량시험, 비중시험, 체분석시험, 입도분석시험, 액성한계시험, 소성한계시험을 실시 한다.
5) 가시설
토공설계는 토질조사 결과를 이용하여 토질의 역학적 성질을 판명하고 그 결과에 의하여 토공계획 수립 및 토공설계를 시행한다.
전진기지 및 도달기지의 가시설 Pile 시공시 지하매설물의 유무를 확인하기 하여 폭1m, 깊이1.5m의 줄파기를 시행한다.
압입관로를 추진하기 위한 전진기지 및 도달기지의 굴착방법은 아래조건일 경우 가설 토류벽공법을 적용하고, 기타 장소에는 구배굴착으로 시공한다.
가) 작업공간이 협소한 장소.
나) 타시설물과 근접해 있는 장소.
다) 도로관리청의 허가조건이 가설 토류벽공법 일 때.
라) 용수가 많은 장소.
마) 연약지반인 장소.
6) 전진기지 및 도달기지
가) 정의
o 전진기지 : 강관압입에 따른 추진기 및 추진관(강관)을 설치하는 장소.
o 도달기지 : 압입관로의 확인 및 흙빼기 작업을 하는 곳.
나) 규모
o 전진기지 :
폭 = 압입관경 폭(최소 0.5m 이상:압입장비폭) + 2.0m
(양측 여유폭)
연장 = 1회 추진장 길이 + 추진장비 길이 (1.5m) + 여유장 (0.5m)
전진기지에 맨홀설치시 맨홀규격이 전진기지 규모보다 클 경우는 맨홀크기로 할 것.
o 도달기지 : 토사반출이 용이하도록 2.0m × 2.0m로 함.
7) 압입관경의 결정
관로관경과 공수(예비공 포함) 및 이격거리(10㎝)를 적용하여 적정관경을 산정한다.
8) 시공순서
전진기지 설치→받침대 및 추진장비 설치→토류벽 관통부위 뚫기→강관 압입↔ 강관용접→흙빼기→관재배관→강관내 몰탈채우기→압입장비 해체
7. 실적공사비 적산제도
가. 실적공사비 적산제도 도입 배경
(1) 실적공사비 적산제도 필요성
□ 표준품셈에 의한 원가계산방식의 문제점 해소
● 표준적이고 통일된 내역서 작성기준 미비
● 다양한 작업조건 및 신공법 반영 곤란
● 작업방법, 공법 등의 지정으로 기술개발 약화
□ 건설시장개방 대응 및 건설기술 개발로 국제경쟁력 강화
● 정부조달협정 체결 ('93. 12)
● 국내 건설시장 개방 ('97. 1)
- 정부투자기관 : 174.9 억원 이상
□ 국제적으로 통용될 수 있는 적산제도 필요
● 원가계산방식 : 한국, 일본
● 실적공사비방식 : 영국, 미국, 프랑스 등
|
외국의 적산관련 제도비교 |
|
구 분 |
한 국 |
미 국 |
영 국 |
프랑스 |
일 본 |
|
예정 |
- 가격 심사기준 |
-예산관리상의 적산 |
- 예산관리상의 적산 |
- 예산관리상의 적산 |
- 가격심사 기준 (낙찰 액의상한· 하한) |
|
예가 |
- 원가계산 |
-원가계산 |
-실적공사비 |
- 실적공사비 |
- 원가계산 |
|
적산 |
- In-House |
- In-House |
- 외주 |
- In-House |
- In-House |
|
입찰 방식 |
- 일반경쟁 |
- 일반경쟁 |
- 일반경쟁 |
- 일반경쟁 |
- 일반경쟁 |
|
입찰 |
- 최저가격 |
- 최저가격 |
- 최저가격 |
-가격·기술평가 (가격중시) |
- 최저가격 |
|
계약 |
- 총액단가 계약 |
-총액단가 계약 |
-총액단가 계약 |
-총액단가 계약 |
- 총액계약 |
(2) 실적공사비 적산제도 도입 배경
(3) 실적공사비에 의한 예가 작성 법적근거
□ 『국가를 당사자로 하는 계약에 관한 법률』시행령(제정 : '95. 7. 6)
□ 『국가를 당사자로 하는 계약에 관한 법률』시행규칙(제정 : '95. 7. 6)
□ 정부투자기관 회계규정 (제정 : '95. 7. 6)
- 공사의 경우 이미 수행한 사업을 토대로 축적한 실적공사비
(시행 : '96. 1. 1)
- 실적공사비에 의한 예정가격 결정은 이미 수행한 공사의 계약 단가 활용
□ 회계예규『내역입찰 집행요령』(개정 : '96.10. 7)
- 실적공사비 축적이 필요한 경우는 낙찰자로 하여금 정부제정『수량산출기준』에 의해 단가 등 필요한 사항을 기입한 산출 내역서를 계약 체결시까지 추가로 제출하게 할 수 있다.
※ 향후 추진 예정 관련규정
○ 『실적공사비에 의한 예정가격 작성준칙』('99. 제정 예정)
- 실적공사비에 의한 예정가격을 작성함에 있어 적용해야 할 세부기준 제시
나. 실적공사비 적산제도
(1) 실적공사비 적산제도 개요
<기본목표>
● 시장경쟁원리를 반영한 적정 공사비 산정으로 건설공사 품질 향상
<기본개념>
● 과거 시행된 건설공사로부터 축적된 공종별 계약단가를 활용하여 차기 유사건설공사의 예정가격을 산정하는 제도
<실적공사비 정의>
● 과거 시행된 공사의 공종별 계약단가에 시간차, 규모차, 지역차 등 공사특성에 따른 보정을 실시한 금액으로 단위수량에 대한 시공단가임
□ 실적공사비 적산방식
● 발주자는 정부제정『수량산출기준』에 따라 기 축적된 실적 공사비를 활용하여 예정가격 산정
● 도급자는 시방, 품질기준 및 공기 등에 대하여 현장조건, 시공 방법 및 시공능력 등을 고려, 공사비 산정·입찰
● 발주자는 도급자가 제시한 공종별 계약단가를 분석 축적하여 이를 차기 유사공사 발주시 예정가격 산정자료로 활용

□ 실적공사비 적산제도의 특징
● 공사비 내역서 작성기준의 표준화
● 과거 공사비 자료(실적공사비)를 보정
● 시공단가 형태의 공사비 산정 및 관리
● 발주처별 시공단가 다양화
□ 기대효과
● 기술에 의한 가격경쟁 유도 (대외경쟁력 강화)
● 시공품질 및 현장여건을 반영한 적정한 공사비 산정
● 시장 거래가격 및 계약의 투명성 확보
● 발주자 예정가격 산정업무의 간소화 도모
(2) 원가계산방식과 실적공사비방식 비교
(가) 차이점 비교
|
|
원가계산방식 |
실적공사비방식 |
|
기본 |
○시공에 소요되는 재료, 노무, 경비등의 일위대가(비목별단가)를 작성하여 공사비 산정 |
○기 수행공사로부터 축적된공종별 실적단가를 공사특성에 맞게 보정하여 공사비 산정 |
|
산정 |
○표준품셈 |
○수량산출기준 |
|
구성 |
○재료비 |
○자재비(토목·건축 제외) |
|
산정 |
○재료비, 노무비, 기계경비 |
○자재비(토목·건축 제외) |
(나) 예정가격 산정과정
● 원가계산방식
● 실적공사비방식
(3) 수량산출기준 개요
(가) 수량산출기준 정의
● 공사비산정에 있어 공사 계약내용을 명확히 하고 원활한 계약이행을 위해 발주자 및 도급자간에 공동으로 활용하는 체계적이고 통일된 산출기준으로
● 내역서 작성방법 및 공사 목적물을 구성하는 공종체계, 수량산출의 방법 및 단위, 작업의 내용 등에 대해 표준적으로 규정한 적산 기준
● 세부단위공종별 표준 공종 CODE로 운영
(나) 수량산출기준 제정 필요성
● 적산 업무의 일관성 부재
- 품셈을 근간으로 적산담당자에 따라 상이하게 작성
● 발주자 및 시공자간에 분쟁의 소지 발생
- 공사수량에 대한 정의, 포함범위, 산출방법에 대한 논란
● 시공자의 기술 능력 및 자율적 시공방법 적용을 제한
- 작업방법, 공법, 장비 등을 지나치게 세부적으로 지정
- 품셈의 제·개정에 많은 시간과 노력이 소모
(다) 수량산출기준 구성체계
● 총 칙
- 수량산출기준 적용의 전반적인 사항 기술
- 수량산출기준의 구조, 내역서 작성, 공통공사의 수량산출 방법 및 단가정의
● 단위시설분류
- 발주공사의 특성 및 범위에 따라 작업의 위치나 목적물의 구성 형태를 기준으로 발주처별로 설정
● 공종분류체계
- 대분류(A∼Q) : 단위공종들을 그룹핑한 분류
- 중분류(A∼R) : 단위공종의 유형을 분류
- 소,세,세세분류(1∼8) : 대분류와 중분류로 분류된 공정을 시공 조건, 사용재료, 규격 등에 따라 세분하여 분류
- 추가고지사항 : 내용을 명확히 하기 위해 상기 분류외에 추가로 분류
- 수량산출방법 : 수량산출시 적용해야 할 조건 및 기준을 규정
- 단가정의 : 당해 공종단가에 포함되어야 할 작업의 한계 규정
● 공종코드분류

(4) 실적공사비 적산제도 시행
(가) 시행요건
□ 내역서 공종 및 작성방법의 표준화
- 수량산출기준 제정
□ 실적공사비 적산제도 관련규정 정비
- 실적공사비에 의한 예정가격작성준칙 제정
- 실적공사비 보정방법 및 계수설정
□ 실적공사비 자료 축적
- Unit Price D/B 구축 등
□ 실적공사비 전산운영시스템 구축
(나) 추진현황
□ 정부기관별 추진현황
●건설교통부
-「토목·건축·기계설비공사 수량산출기준」제정('96.10)
-「플랜트설비공사 수량산출기준」제정 ('97.12)
- 토건분야 시범발주 실시 : '96.10 이후
- 실적공사비 시행 : 2000년 이후
●통상산업부
-「전기공사 수량산출기준」제정 ('97.12)
- 건설교통부 추진계획에 준함
□ 우리회사 추진현황
●「전기, 플랜트기계분야 수량산출기준」정부제출 ('97. 9)
● 실적공사비 운영방안 등 시행계획 수립
※ 수량산출기준 제정현황
|
분 야 |
토목 |
건축 |
기계 |
플랜트 |
전 기 |
통 신 |
|
소관 부처 |
건설교통부 |
통상산업부 |
정보통신부 | |||
|
제정,공포일 |
'96. 10. 9 |
('97.12.11) |
('97.12.15) |
('98 예정) | ||
다. 실적공사비에 의한 예정가격 작성
(1) 수량산출기준에 의한 내역서 작성
(가) 내역서 작성방법
1) 내역서 개요
□ 정 의 : 공사 목적물을 수행하는 세부작업들에 대한 설명과 예상 소요물량에 따른 공사비를 정해진 양식에 의거 기입한 목록
□ 용 도
● 입찰자가 정확한 공사비를 산정할 수 있도록 통일된 근거 및 정보 제공
● 발주자가 입찰자의 입찰가를 동등하게 비교, 평가
● 공사의 기성 지급 및 계약금액 조정 등의 근거로 활용
● 공사비 축적자료(실적공사비) 제공
2) 내역서 구성
o 전문(前文)
o 총괄집계표
o 산출(물량)내역서
o 단가산출서 또는 일위대가표
□ 전 문 (前文)
● 입찰금액 산정과 계약금액 조정시 공사비 산정의 기준이 되는 내용으로 구성된 계약상의 중요한 일부분
● 공사비 산정시 참고되는 현장조건, 작업조건, 공종의 변경내용 및 기타 참고사항 등을 명기
● 단가산출서 또는 일위대가표의 제출이 요구되는 공종 및 이를 위해 필요한 사항은 전문에 명확히 기술
□ 총괄집계표
● 공사비 산출내역서상 각 내역분류체계의 단위시설 또는 대공종별 금액을 표시
● 지입자재비, 본체공사비, 공통공사비, 부가가치세에 대하여 산출 (물량)내역서에 기재된 내용을 요약
총 괄 집 계 표
공사명 : 공사기간 : 년 월 ∼ 년 월
|
구 분 |
금 액 |
|
Ⅰ. 자재비 Ⅱ. 본체공사비 Ⅲ. 공통공사비 Ⅳ. 부가가치세 |
|
|
총 계 |
|
□ 산출(물량)내역서
● 총괄집계표상의 단위시설(대공종)에 명기된 세부공종의 공사비 산출자료
● 세부내역 항목은 공종의 의미를 명확히 하기 위해 수량산출기준의 공종분류체계에서 제시된 공종코드에 따라 작성
□ 단가산출서 또는 일위대가표
● 발주자가 필요하다고 인정할 경우 계약상대자에게 산출내역서의 기초가 되는 단가산출서 또는 일위대가표의 제출을 요구
● 산출(물량)내역서상 일식금액으로 계상하고 있는 내역항목에 대해서는 별도의 언급이 없는 한 계약상대자는 단가산출서 또는 일위 대가표를 제출
● 입찰자가 제시한 공종별 단가의 적정성 검토시 활용
산 출 (물 량) 내 역 서
(작성자 직책 및 성명 : 인)
|
공사명 : | ||||||
|
내역 |
항 목 |
단위 |
수량 |
단가 |
금액 |
공종코드 |
|
Ⅰ. |
자재비 |
|
|
|
|
|
|
|
총 계 |
|
|
|
|
|
(나) 수량산출기준에 의한 공사비 산정
1) 공사비 구성체계
□ 도급공사비 = 자재비 + 본체공사비 + 공통공사비
● 자재비(토목, 건축공사의 경우 본체공사비에 포함)
- 계약상대자가 직접 구매하여 공급하는 자재에 소요되는 비용 (단, 공종분류코드에 계상된 비용을 제외한 금액)
● 본체공사비
- 공사목적물을 시공하기 위해 소요되는 비용
(공종분류체계 대분류 B이하의 세부공종에 소요되는 비용)
- 수량 × 공종별 단가(실적공사비)
● 공통공사비
- 복수의 공종에 공통으로 소요되는 비용과 본체공사비에 포함하는 것이 적당하지 않는 비용
(공종분류체계 대분류 A의 세부공종에 소요되는 비용)
2) 공종별 단가결정
□ 공종단가 구성
● 복합단가 = 간접재료비 + 직접노무비 + 경비(기계경비 등)
(필요시 지입재료비 포함)
□ 공종단가 결정
● 단위시설별, 공종별로 축적된 계약단가를 활용
<실적공종단가 활용과정>

3) 수량산출
□ 도면, 시방서로 부터 수량 산출
(2). 실적공사비 설계서 작성
(가) 축적단계
1) 공종별 단가 산정
□ 본체공사비
● 현행 공사비 산출방식과 동일한 공종단가
- 현행방식에 의해 산정된 단가 적용
● 현행 공사비 산출방식과 상이한 공종단가
- 각 항목별 현행 산출방식에 의해 산정된 단가를 조합하여 수량산출기준 단가정의 내용에 맞도록 재산정
□ 공통공사비
● 현행 산출방식에 의해 단가 산정이 가능한 공종
- 본체공사비 산정방법과 동일
● 현행 산출방식에 의해 단가 산정이 불가능한 공종
- 현행 원가계산시 비율에 따라 공종별로 적용
2) 산출내역서 비교표 예시
가) 기계분야
나) 전기분야
다) 토목분야
라) 건축분야
마) 통신분야
(나) 활용단계(본격 시행시)
□ 본체공사비
● 수량 × 공종별 실적단가
- 과거 계약단가에 시간차, 공사특성 등을 보정한 가격
□ 공통공사비
● 실적단가 또는 비율 산정
[실적공사비 적산제도 단계별 업무흐름도]

[실적공사비에 의한 예가산정 업무 흐름]







