CAFE

전동기관련

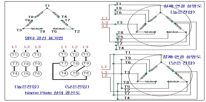
Y결선 - 델타결선 표기법 (9상)

작성자전기쟁이|작성시간09.08.22|조회수2,176 목록 댓글 0
15) 삼상 유도전동기 (three phase induction motor)

   ① 같은 마력수의 단상 유도 전동기에 비해서 구조가 간단하고 더 소형이다.

   ② 회전자의 구조에 의해서 농형과 권선형으로 나누어진다.

   ③ 고정자의 권선법에는 성형결선(star winding or Y winding)법과 델타(delta

       winding)결선법이 있다.

   ④ 대부분 공장용으로 사용되며, 1 마력 이상에서 수 천 마력까지 다양한 크기가

       생산됨. (분수 마력도 생산이 되는 경우가 있으나 납기가 길다.)

   ⑤ 소용량에서는 대부분 농형이 사용되고, 기동전류가 문제가 되는 대용량에서는

       권선형이 사용된다.

   ⑥ 대부분의 중소형 삼상 전동기는 결선을 바꾸어 고.저 두 개의 전압중 어느

       전압에서도 작동하게할 수 있다.

   ⑦ Y(wye) 결선(Y winding)의 표기법 - Name Plate 상의 결선도 - 실제 연결

      설명도

 

 

⑧ 델타 결선(delta winding)의 표기법 - Name Plate 상의 결선도

 

다음검색
현재 게시글 추가 기능 열기

댓글

댓글 리스트
맨위로

카페 검색

카페 검색어 입력폼