CAFE

요트수리,관리

요트 시동 스위치 선실용 제작방법(펌)

작성자바람과 파도(김의식)|작성시간16.05.18|조회수1,572 목록 댓글 1

윤태근전장의 카페에서 천원장님이 계획하시는 선실내 시동스위치 이전작업과 관련된 글이 있어 퍼 왔습니다.

옮기시는 것 보다 병렬로 연결하시면 비상시에 더 편리하실듯하며 공부차원에서 올려 봅니다.

 

[스크랩] 얀마2gm 엔진룸 시동위치 제작수기|카페 새소식

손현중|조회 187|추천 0|2016.04.26. 12:20

 

http://cafe.daum.net/yoontaegeun/4CAQ/1105 //

//



 

<그림1. 스타터 판넬>


본인 요트는 엔진시동을 담당하는 스타터판넬이 스티어링훨 밑쪽에 있다..

 

본인 요트뿐만 아니라 대부분의 요트가 콕핏에 스타터 판넬이 설치되어 있는 것으로 알고있다..


그런데 이게 불편한게 스타터판넬을 조작하면 엔진이 보이지 않으므로 소리와 감각에 의존해서 엔진의 상황을 파악해야 한다.

 

그렇다보니 엔진의 문제점을 바로 찾아내지 못하고 아씨.. 왜안걸려.. 하고 계속 시동버튼만 눌러대는 경우가 많았다.

 

본인의 경우는 배터리가 노후되어 조금만 방전되면 스타트모터에 순간적으로 큰 전류를 공급하지 못해 끼익 끼익 하다 멈춰버리는 문제가 있었다.

 

근데 이 모습을 직접 눈으로 볼수가 없으니 원인을 바로 못찾고 에씨..스위치 접점이 안좋나? 하고 계속 시동스위치를 눌러댄적이;;

 

정리하면

1. 엔진을 직접 보면서 시동을 하는것이 좋다. (문제점을 빨리 찾아내고 대응, 고장예방 차원)

2. 콕핏으로 왔다갔다 하지 않고 편하게 시동할수 있다.

 

3. 에어빼기 등과 같은 특수한 상황에서 편리하다.

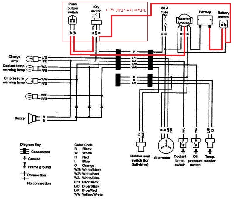
하여 기존 얀마엔진의 전기배선도를 분석하고, 스타트모터에서 선을 하나 따와서 시동스위치를 제작하고 엔진룸에 설치하엿다.



<그림2. 얀마엔진 전기배선도 분석>

전기배선도 원본 http://cfile255.uf.daum.net/image/2414CE4A5701208B2F8123


얀마 123gm 해당사항 인것으로 알고있음.

 

본인은 얀마2gm20 인데 실제로 배선을 확인해 보니 일치하더군요

 

그림에서 시동모터 관련된 배선을 빨간색 라인으로 표시해놓음



<그림3. 스타터모터 구조>

얀마엔진은 시동스위치를 누르면 다이렉트로 스타트모터를 구동하는게 아니라

 

솔레노이드를 작동시키면 내부에서 접점이 도통이 되서 모터가 돌아가는 구조이다.

 

그래서 굵은 전선으로 스위치 시공을 하지 않아도 문제없게끔 만들어 놨다.



 

<그림4. 스타터모터 단자배선>

실제로 스타터모터를 보면 12v 굵은전선을 연결하는 단자와 시동버튼을 연결하는 솔레노이드 단자가 있다.


이 단자에 12v를 주면 모터가 돌아가는 것.. 간단하다..


본인의 경우는 솔레노이드 단자에 이미 흰색선이 연결되어 있었음. 흰색선은 기존 스타터판넬 스위치버튼에 연결된 선임.


여기서 새 전선을 고리모양 압착단자에 납땜해서 2개를 같이 포개 물려놓고 선을 빼왔음.


 

<그림5. 부품준비>

전기박스와 산업용 스위치들을 준비.

 

돌리는 타입의 스위치는 키를 꽂고 돌리는 스위치 역할을 하고


빨간색 푸쉬버튼 스위치는 시동거는 스위치 역할을 한다.

 

전기박스와 스위치는 부산 서면에 전기전자제품 유통상가가 있는데 거기서 구입.

 

<그림6. 스위치 위치잡는 작업>

<그림7. 홀캇타 드릴링>


오토캐드로 도면작성 후 출력해서 드릴 위치 잡고 홀컷터로 드릴링.


돌리는 타입 스위치 30파이 홀캇타 사용

푸쉬버튼 스위치 25파이 홀캇타 사용



<그림8. 홀캇타 드릴링 완료>


<그림9. 스위치 장착>

<그림10. 스위치 장착>


스위치 장착 완료


<그림11. 스위치 배선작업>

배선작업 수행


배선은 얀마 스타터판넬과 동일하게 해주었다.

 

배터리 메인스위치 12V -> 돌리는 스위치(키온) -> 푸쉬스위치(시동)

 

그림12. 스위치박스 케이스 설치>


전기박스 케이스를 피스박아 고정시킴.

아까 스타트모터에서 따온 1가닥 전선과

 

배터리 메인 스위치 out 쪽 +12v 전선을 하나 따서 정리함.

 

<그림13. 스위치박스 조립완료>

따온 전선을 스위치 단자에 연결후 케이스 조립완료

 

그림14. 완성된 모습>


완성..


스위치를 돌리면 시동을 할 수 있다는.. 그런 의미의 불이 들어오도록 함

 


작동모습

 

막상 만들고 나니 너무 편하다..

 

혹시 몰라서 콕핏의 스타터판넬에 키를 on으로 돌려놓고 테스트 하였는데 잘된다..


본인의 요트는 센서 어디가 고장인지 키를 돌리면 삐~ 소리나고. 시동이 되면 삐~ 소리가 안남..

회로 구조상 스타터판넬은 각종 센서와 RPM을 표시, 경보음 울리는 역할만 하므로 키를 꽂지 않고 바로 시동해도 괜찮을것이다.

 

여기까지 만들었고.. 이것의 예상 문제점은

 

1. 시동을 끄려면 콕핏으로 기어가야 한다.. 엔진정지 레버를 당겨야 하는 기계적인 부분이라 어쩔수가 없는듯.

   (요 부분은 제 의견 추가 : 엔진에서 바로 시동 끌 수 있습니다. 정지레버 연결부를 밀면 됩니다.)

2. 기존에는 기어를 중립으로 해놓아야 시동이 걸리게 되어있는데, 이것은 그런장치가 아직 없다. 알아서 조심해야 함..

3. 스타터판넬에 손을 대지 않고 모터에서 선을 따와 작업한 방식이여서 과열, 오일부족 등의 각종 경보장치를 사용하려면 콕핏으로 가서 키온을 해야한다.

 

괜찮다 생각하시는 분은 도움이 필요하시면 연락주세요. 도와드리겠습니다.

편리한것은 나눠야겟지요^^

 

이상 펌

다음검색
현재 게시글 추가 기능 열기

댓글

댓글 리스트
  • 작성자천대진 | 작성시간 16.05.19 감사합니다!!
    그란데블루는 원래붙어있는 빨간모양 메인 회전스위치(1번 엔진밭테리/실내전원밧테리 2번 앤진밧테리 3번실내전원밧테리 연결)가 고장나서 단순한 자작 스위치도 만들고 스위치박스는 그대로 사용하는데 적당한
    위치를 탐색중인데 이 분은 엔진룸에 설치한 것 같네요.
댓글 전체보기
맨위로

카페 검색

카페 검색어 입력폼