CAFE

오디오와 컴퓨터

스피커 네트워크 크로스오버 필터 구성의 이해

작성자管韻|작성시간20.06.01|조회수6,962 목록 댓글 20


스피커 네트워크 크로스오버 필터 구성의 이해

 

 

 


 

 

 









 

 

- 알기쉽게 이해하는 스피커 네트워크

 

스피커 크로스오버 네트워크는 주파수를 차단, 통과하는 필터를 이용하여, 전기적인 응답의, L C R 회로를 구성한 부품으로 이루어진, 멀티 스피커 조합의 필수 기기입니다,

 

저역 Low, 중역 Mid, 고역 Hi, 분배 역할

 

구성 필터

 

- 교류특성

 

- Inductor (저주파통과, 고주파차단)

 

- Capacitor (저주파차단, 고주파통과) - 무극성콘덴서

 

- Resistor (저주파, 고주파 통과)

 

- Impedance, 교류회로에서 저항의 역할을 하는 임피던스는 인덕터와 커패시터가 직렬로 연결된 회로의 경우, 교류의 임피던스(Impedance)는 단순히 더해지는 양이 아니라 위상 관계를 따져서 벡터의 합산 방식으로 계산)

 

- L C R 필터

 

크로스오버 주파수 포인트 구성은 적용 하고자하는 유닛의 특성과 주파수 특성 따라 결정 합니다,

 

풀레인지외의 조합 스피커에서 유닛과 유닛의 배치 간격은 최대한 가깝게 배치하여야 합니다.

 

 

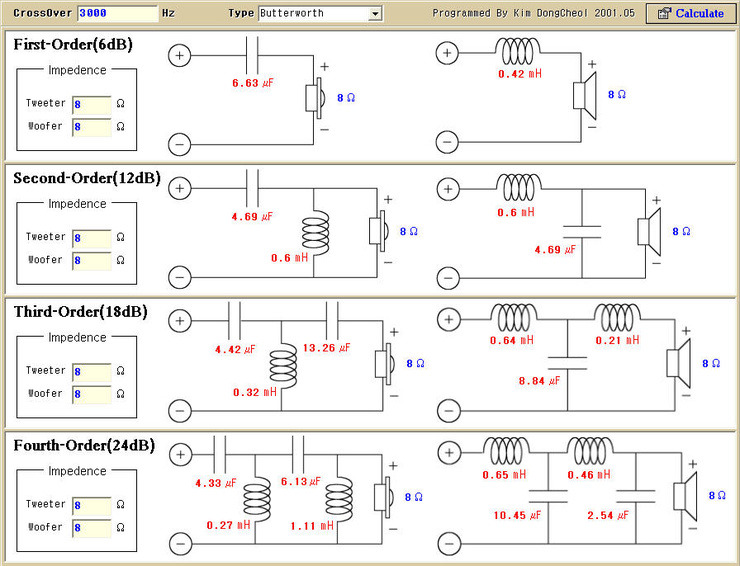
로우패스 필터

 

저역 통과 필터(Low-pass filter: LPF)

 

- 회로상 입력 쪽 L(코일)C(콘덴서)앞에 위치합니다,

 

(저음통과 고음차단)

 

(저역 1차 구성 회로 ) ( 2차 구성 회로 )

 

밴드 패스 필터

 

대역 필터(Band-pass filter: BPF)

- 입력쪽의 C1L1보다 앞쪽에 위치 직렬 연결하여야 합니다, L1C2는 병렬 연결 된다, (위상변화 확인 필요) (낮은 주파수와 높은 주파수를 차단하고 중간 주파수만 통과)

 

 

(밴드패스 1차 구성 회로)(2차 구성회로)

 

- 위 상 : 위상이란 + - 극성을 말합니다.

 

위상 변화 : 위성 극성이 올바르면 정위가 되는 거고,

 

극성이 반대가 되면 역위상이 되는 겁니다.

 

- 회로에 흐르는 전류는 회로의 어디서나 같습니다. 전류는 전체적으로 일정하지만, 각각의 부품에 걸린 전압의 높이는 다릅니다.

 

인덕터에 형성되는 전압은 역기전력으로 인한 것입니다. 교류 정현파(사인파)에서 전류의 변화가 가장 가파른 지점에서 역기전력은 이미 최대치를 찍습니다. 따라서 인턱터에 유도되는 역기전력은 전류보다 90˚ 위상이 앞서 있습니다.

 

- 커패시터(무극성콘덴서)는 인덕터와 조금 다릅니다. 커패시터에 형성되는 전압은 커패시터에 전하가 쌓여서 나타나는 것입니다. 교류 정현파(사인파)에서 커패시터에 최대로 전하가 많이 쌓여 있을 때에는 전류의 방향이 바뀌기 바로 직전이 됩니다. 따라서 커패시터의 전압은 전류보다 90˚ 위상이 뒤쳐집니다.

 

- 인덕터와 커패시터가 직렬로 연결된 경우,

 

인덕터에 유도되는 전압과 커패시터에 쌓인 전하로 생긴 전압은 서로 180˚ 위상을 나타냅니다.

 

하이 패스 필터

 

고역통과 필터(High-pass filter: HPF)

- 입력쪽의 CL보다 앞쪽에 위치하여야 합니다,

 

(고음통과 저음차단)

 

(하이패스 1차 구성 회로) (2차 구성회로)

 

크로스오버 네트워크 필터의 슬로프

 

- 완벽한 크로스 오버 네트워크 슬로프 (환상적 회로)

- 현실적인 크로스 오버 네트워크 슬로프 (현실적 회로)

 

조벨필터는 우퍼 보이스코일에 최대한 가깝게 위치 합니다.

 

Zobel Filter는 우퍼 보이스 코일의 인덕턴스 리액턴스로 인한 높은 주파수에서의 임피던스 상승을 평준화 하는데 사용됩니다.

(변동하는 주파수에 따라 상승하는 우퍼 유닛 임피던스 보정 회로)

 

 

(조벨 회로 추가 전, 후 임피던스 변화)

 

모든 크로스 오버 계산은 모든 드라이버에서 순전히 저항성 부하를 가정하므로 유도 성 리액턴스로 인한 스피커 임피던스의 변화는 크로스 오버네트워크 작동 방식에 부정적인 영향을 미칩니다.

설치는 우퍼에 한하며 최대한 보이스코일 쪽에 가깝게 설치 합니다, Zobel 필터는 우퍼 및 일부 미드 레인지 드라이버의 상대적으로 큰 음성 코일에서 생성되는 스피커의 임피던스 변동을 "제어"하는 데도 사용됩니다.

 

트위터는 또한 조벨 (zobel) 필터의 형태로 유용 할 수 있습니다. 그러나 트위터에 강철 유체가 있으면 조벨 필터가 필요하지 않습니다.

 

(조벨회로와 L-pad 설치 예)

 

L-pad 필터

 

( L-pad 회로 )

 

- dB 음압 조절 필터

 

미드 또는 트위터에 위치 하고, 저항 R1직렬 / R2 병렬로 이루어진 회로 일반적으로 스피커가 커지면 대개 비효율적이 됩니다.

트위터는 매우 효율적이며, 중음 스피커는 트위터와 우퍼 보다 효율성이 떨어집니다. 그 이유는 우퍼가 많은 공기를 이동시켜야하기 때문입니다. 오디오 스펙트럼에서 옥타브가 떨어질 때마다 드라이버는 동일한 출력레벨 (소리 크기)을 유지하기 위해 4 배 더 많은 공기를 이동할 수 있어야 합니다. 트위터는 많은 공기를 움직일 필요가 없으므로 효율성이 쉽게 유지됩니다. 19Hz 이하의 우퍼는 35Hz로만가는 우퍼에 비해 매우 비효율적입니다. L- 패드는 우퍼의 효율에 맞추기 위해 중급 및 우퍼 모두에서 전력 레벨 (소리 크기)을 감쇠 (감소)하기 위해 종종 사용됩니다. L- 패드는 가변 제어 방식으로 설치 후 쉽게 조정할 수 있습니다.

 

- Attenuation Circuit (감쇠 회로)

 

다른 드라이버의 출력 레벨을 일치시키는 데에도 사용됩니다. L 패드 만큼 쉽게 조절할 수 없습니다. 트위터는 우퍼 보다 일반적으로 (민감도가 더 높습니다.) 우퍼와 비교할 때 지나치게 큰 트위터가 발생할 수 있습니다. 이 회로는 트위터 출력을 감쇠 (감소)시킵니다. 드라이버와 직렬로 첫 번째 저항 만 추가하여 트위터를 감쇠시킬 수도 있습니다.

 

문제는 앰프에 무리가 갈 수 있는, 더 많은 부하를 추가했다는 것입니다. 두 개의 저항만을 사용하면 회로 임피던스가 증가하지 않고, 트위터로 향하는 임피던스 만 증가합니다.

 

기타 필터 회로

 

- 직렬 노치 필터 -

 

스피커의 공칭 임피던스 정격에도 불구하고 실제 임피던스는 유도 성 리액턴스로 인해 주파수에 따라 다릅니다. 가장 큰 유도 리액턴스 (스피커 임피던스의 변화)는 스피커의 공진 (Fs) 주파수에서 발생합니다. 이러한 임피던스 피크는 크로스 오버 네트워크가 크로스 오버 포인트를 이동하게합니다. 이 필터는 공진 주파수에서 임피던스를 제어함으로써 이를 방지합니다. 트위터 나 미드 레인지 드라이버를 중심으로 사용됩니다,

 

- Parallel-Notch (트랩) 필터 -

 

드라이버의 주파수 응답에서 폭 넓은 피크를 제거하도록 설계되었으므로 시리즈 노치 필터보다 약간 복잡합니다. 커패시터, 인덕터 (코일) 및 저항을 드라이버와 직렬로 사용하고 서로 병렬로 연결합니다.

 

네트워크 배선도

 

- 바이와이어링 네트워크 배선

- 바이앰핑 네트워크 배선

- 풀레인지 네트워크 배선

 

멀티 채널 디바인딩 네트워크와 3way 크로스오버 네트워크 씨스템

 

* 스피커 크로스오버 네트워크

 

스피커 네트워크, 패시브네트워크, 네트워크회로, 스피커네트워크설계, 스피커네트워크 기초, 네트워크이해, 네트워크 응용, 스피커제작자료, 스피커 값, 크로스오버, 저음, 고음, 구성 필터회로, 멀티채널 네트워크, 디바이딩, 멀티구성,크로스오버네트워크, 네트웍, 3웨이 스피커 구성 자료..

 

Tip : 실제로 스피커 네트워크 제작시 시중에 떠도는 크로스오버 계산식은 참조 자료 일 뿐 입니다,

 

청취자 본인의 귀에 적응된 소리를 찾고자 한다면, 적용하고자 하는 유닛의 특성과 효율성을 감 안하고, 본인 직접 귀로 듣고 가장 편안한 적당한 주파수를 고려하여 부품의 용량을 적용하여야 합니다. 음압 조절 필터등 저항 고정식 적용 필터 보다는 청취자에게 배려를 해 줄 수 있는 성능 좋은 어테뉴에이터를 적용하는 것이 상당히 효과적 입니다.

 






3 Way Speaker Crossover Tested pt1




3 Way Speaker Crossover Pt 2



Making The Crossovers For My Speakers PLUS Sound Test


다음검색
현재 게시글 추가 기능 열기

댓글

댓글 리스트
  • 작성자管韻 작성자 본인 여부 작성자 | 작성시간 20.06.03 마침 목공소에서 적색 오크 월넛을 보고 왔습니다. 너무 무겁고 단단하기 때문에 울림통으로 적당한지 잘 모르겠습니다. 제 생각에 6인치 2Way 스피커로 작게 만들어 보시는 것도 생각해 봅니다.
  • 답댓글 작성자하박 | 작성시간 20.06.03 아.. 무겁고 단단한 나무는 울림통으로 는 부적합하군요,,,옛날 스피커를 보면 거의 대부분이 PB와 요즘
    거는 MDF를 재료로 사용하여 제작된것을 봤습니다
    하드우드와 연질의 오동나무 등등 제가 몇종류의 나무를 보유하고 있어서 스피커에 무지한 제가 선생님의 도움을 받아제작해 볼까 생각중 입니다....ㅎㅎ
    PB와 MDF를 선호하지 않는편이라서...ㅎㅎ
  • 작성자管韻 작성자 본인 여부 작성자 | 작성시간 20.06.03 오동나무는 너무 가벼워서 통통튀는 소리가 나기 때문에 악기는 말들지만 스피커는 적당하지 않습니다. 목공예 전문가에게 문의 했는데 잘 모른다고 합니다. 한가지 중요한 것은 옹이가 적은 또는 옹이를 피해서 판재를 만들 수 있으면 좋겠습니다. 옹이를 에폭시로 메꾸는 분을 봤는데 나중에 빠져버린다고 합니다.
  • 답댓글 작성자하박 | 작성시간 20.06.03 옹이는 결국 빠집니다 그럼 하드우드도 아니고 연질의 재료도 아니고 결국 옹이없는 무절 소나무 정도 강도를가진 판재는 가능하겠네요
    도자기 인클로우져 제작하신분 몇몇은 보았는데 순수 원목 나무로 제작하는 것을 거의 못본지라 선생님께 실려를 무릅쓰고 여쭈어 보았습니다 자료를 좀더 찾아보아야 하겠습니다
    답글 주셔서 감사합니다
  • 작성자管韻 작성자 본인 여부 작성자 | 작성시간 20.06.03 제가 오늘 목공방에서 나무를 깎고 빼빠질을 했는데 수입산 단풍나무가 너무 무르지도 않고 너무 단단하지도 않아서 도마로는 딱이라고 하는데 제가 만져보니 스피커통으로도 딱이라고 생각이 들었습니다. 옹이도 없고 나뭇결 무늬도 아름답고 우리나라 단풍나무는 크기가 작고 단단한데 수입단풍나무는 그렇지 않은가 봅니다.
댓글 전체보기
맨위로

카페 검색

카페 검색어 입력폼